Hier finden Sie alle verfügbaren Teile und Zeichnungen der 'Bosch 0603166103 ( CSB1000-2RET )'. Von hier aus können Sie alle gewünschten Teile direkt bestellen. Viele Teile müssen je nach Marke beim Hersteller bestellt werden, dies dauert ein bis vier Wochen. Alle Informationen, die wir haben, befinden sich auf unserer Website. Wir können Sie nicht beraten, was Sie benötigen. Dazu müssen Sie die Maschine zur Reparatur zurücksenden. Bitte beachten Sie bei der Bestellung Folgendes:
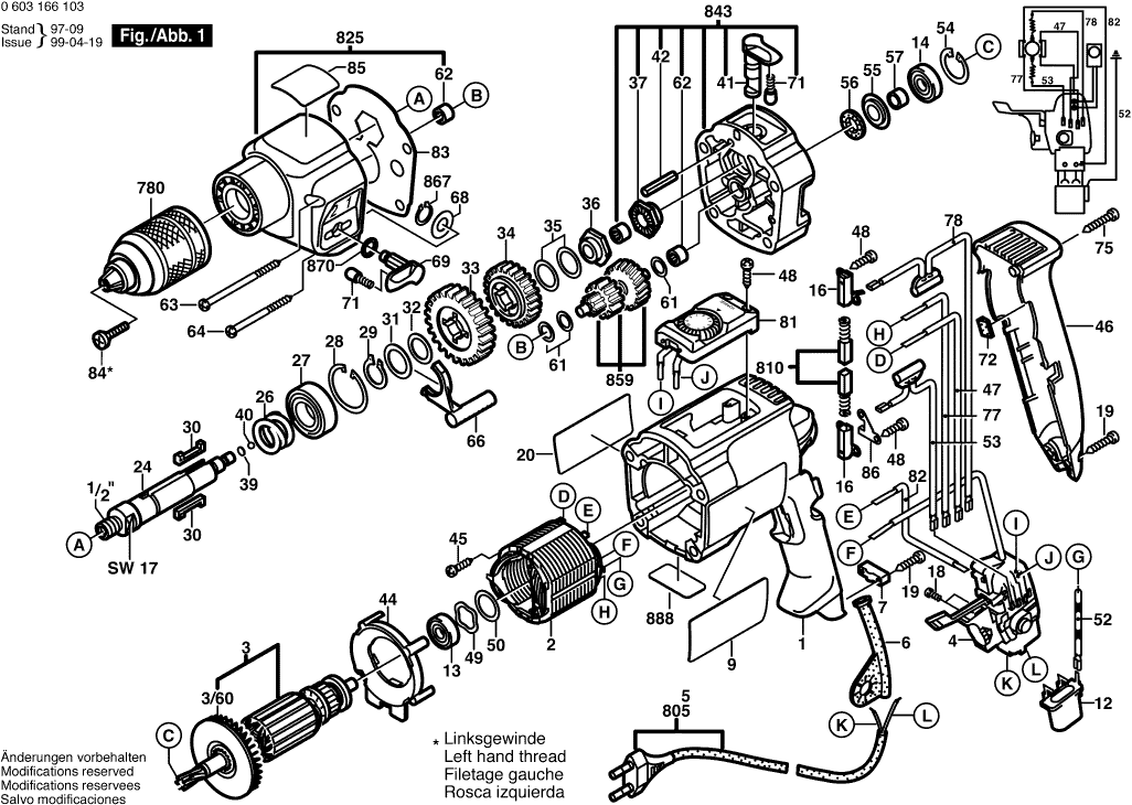
Zeichnungen der Bosch 0603166103 ( CSB1000-2RET )
Teileliste der Bosch 0603166103 ( CSB1000-2RET )
| Pos. | Beschreibung | Preis ohne MwSt | Preis inkl. MwSt | |
| Die angegebenen Preise enthalten die Mehrwertsteuer | ||||
| Motorgehäuse GRUEN | ||||
| 1 | 2605104296 | 15.71 | 18.69 | |
| Nicht mehr lieferbar, kein Ersatz | ||||
| 2 | 2604220436 | |||
| Nicht mehr lieferbar, kein Ersatz | ||||
| 3 | 2604010865 | |||
| Lüfter | ||||
| 3/60 | 2606610049 | 1.90 | 2.26 | |
| Nicht mehr lieferbar, kein Ersatz | ||||
| 4 | 2607200238 | |||
| Tülle Ø6,5-Ø6,9x95 MM | ||||
| 6 | 2600703012 | 2.52 | 3.00 | |
| Leitungshalter | ||||
| 7 | 2601035001 | 1.32 | 1.57 | |
| Nicht mehr lieferbar, kein Ersatz | ||||
| 9 | 2601119418 | |||
| Nicht mehr lieferbar, kein Ersatz | ||||
| 12 | 2607329114 | |||
| Kugellager 7x22x7 | ||||
| 13 | 1900905018 | 15.61 | 18.58 | |
| Rillenkugellager | ||||
| 14 | 2600905050 | 9.53 | 11.34 | |
| Bürstenhalter | ||||
| 16 | 2604337016 | 1.00 | 1.19 | |
| Zylinderschraube M3x6,5-4.8 | ||||
| 18 | 2603410001 | 1.32 | 1.57 | |
| Schraube 4x16 | ||||
| 19 | 2603490022 | 1.00 | 1.19 | |
| Nicht mehr lieferbar, kein Ersatz | ||||
| 20 | 2601119414 | |||
| Nicht mehr lieferbar, kein Ersatz | ||||
| 24 | 2606135013 | |||
| Druckfeder | ||||
| 26 | 2604616002 | 1.32 | 1.57 | |
| Rillenkugellager 17x35x10 | ||||
| 27 | 1900905163 | 9.47 | 11.27 | |
| Sicherungsring DIN 472 35x1,5 MM | ||||
| 28 | 2916660014 | 1.32 | 1.57 | |
| Sicherungsring DIN 471 17x1 MM | ||||
| 29 | 2916650008 | 1.32 | 1.57 | |
| Flachkeil | ||||
| 30 | 2602300028 | 4.10 | 4.88 | |
| Haltescheibe | ||||
| 31 | 2600101671 | 1.32 | 1.57 | |
| Ausgleichscheibe 1,0 MM | ||||
| 32 | 2600101515 | 1.00 | 1.19 | |
| Stirnrad Z=48 | ||||
| 33 | 2606317045 | 9.47 | 11.27 | |
| Stirnrad Z=36 | ||||
| 34 | 2606317037 | 23.75 | 28.26 | |
| Ausgleichscheibe 0,5 MM | ||||
| 35 | 2600101616 | 2.52 | 3.00 | |
| Ausgleichscheibe 0,3 Mm | ||||
| 35 | 2600101617 | 1.32 | 1.57 | |
| Rastscheibe | ||||
| 36 | 2600190052 | 5.33 | 6.34 | |
| Nicht mehr lieferbar, kein Ersatz | ||||
| 37 | 2600190057 | |||
| Distanzscheibe 1,35 MM | ||||
| 39 | 2600000030 | 1.32 | 1.57 | |
| Distanzscheibe 0,2 MM | ||||
| 39 | 2600000012 | 1.00 | 1.19 | |
| Distanzscheibe 0,5 MM | ||||
| 39 | 2600000014 | 1.00 | 1.19 | |
| Kugel DIN 5401-5,5MM-III-ST | ||||
| 40 | 1903230010 | 1.00 | 1.19 | |
| Drehknopf | ||||
| 41 | 2602026017 | 6.53 | 7.77 | |
| Spannstift 4x30 MM DIN 7346 | ||||
| 42 | 2917780105 | 1.00 | 1.19 | |
| Nicht mehr lieferbar, kein Ersatz | ||||
| 44 | 2601328033 | |||
| Blechschraube | ||||
| 45 | 2603435086 | 1.32 | 1.57 | |
| Gehäusedeckel SCHWARZ | ||||
| 46 | 2605132025 | 6.53 | 7.77 | |
| Verbindungsleitung L = 123 MM WEISS | ||||
| 47 | 2604448145 | 1.18 | 1.40 | |
| Torx-Linsenschraube 3x10 | ||||
| 48 | 2603490017 | 1.90 | 2.26 | |
| Ausgleichscheibe | ||||
| 49 | 2600150004 | 1.90 | 2.26 | |
| Distanzscheibe 0,3 MM | ||||
| 50 | 2600101027 | 1.32 | 1.57 | |
| Distanzscheibe 0,2 MM | ||||
| 50 | 2600101665 | 1.32 | 1.57 | |
| Distanzscheibe 0,5 MM | ||||
| 50 | 2600101667 | 1.32 | 1.57 | |
| Erdleitung | ||||
| 52 | 2604448103 | 0.83 | 0.99 | |
| Entstörfilter L=148 Mm Schwarz | ||||
| 53 | 2604465086 | 5.27 | 6.27 | |
| Sicherungsring DIN 472-24x1,2 MM | ||||
| 54 | 2916660008 | 1.90 | 2.26 | |
| Tellerscheibe | ||||
| 55 | 2600500002 | 1.32 | 1.57 | |
| Filzring | ||||
| 56 | 2600108077 | 1.32 | 1.57 | |
| Steckhülse | ||||
| 57 | 2600400008 | 1.32 | 1.57 | |
| Ausgleichscheibe 0,3 MM | ||||
| 61 | 2600100607 | 1.32 | 1.57 | |
| Nadellager Ø6 MM | ||||
| 62 | 2600914010 | 2.52 | 3.00 | |
| Nicht mehr lieferbar, kein Ersatz | ||||
| 63 | 2603435070 | |||
| Nicht mehr lieferbar, kein Ersatz | ||||
| 64 | 2603435071 | |||
| Verstellschieber | ||||
| 66 | 2602033006 | 2.52 | 3.00 | |
| Distanzscheibe | ||||
| 68 | 2600100618 | 1.00 | 1.19 | |
| Nicht mehr lieferbar, kein Ersatz | ||||
| 69 | 2602026038 | |||
| Rastkappe | ||||
| 71 | 2600590006 | 1.32 | 1.57 | |
| Einlage | ||||
| 72 | 2601010049 | 1.18 | 1.40 | |
| Torx-Linsenschraube 4x25 | ||||
| 75 | 2603490024 | 1.32 | 1.57 | |
| Nicht mehr lieferbar, kein Ersatz | ||||
| 77 | 2604448137 | |||
| Nicht mehr lieferbar, kein Ersatz | ||||
| 78 | 2604465087 | |||
| Drehmomentregler 230V | ||||
| 81 | 2607233006 | 26.84 | 31.94 | |
| Verbindungsleitung L=176 MM WEISS | ||||
| 82 | 2604448004 | 1.18 | 1.40 | |
| Flachdichtung | ||||
| 83 | 2601073012 | 1.00 | 1.19 | |
| Nicht mehr lieferbar, kein Ersatz | ||||
| 85 | 2601118187 | |||
| Platte GRUEN | ||||
| 86 | 2600034003 | 2.71 | 3.22 | |
| Zusatzhandgriff M10 | ||||
| 753 | 1619PB4323 | 8.48 | 10.09 | |
| Sechskantmutter | ||||
| 753/20 | 2915011007 | 1.00 | 1.19 | |
| Flügelschraube M6x(15)55 | ||||
| 753/30 | 1613480007 | 1.32 | 1.57 | |
| Nicht mehr lieferbar, kein Ersatz | ||||
| 753/50 | 2608040014 | |||
| Flügelschraube M6x20 MM | ||||
| 753/60 | 1613480008 | 1.32 | 1.57 | |
| Keine Informationen verfügbar, nicht bestellbar | ||||
| 754 | 2603001019 | |||
| Schnellspannbohrfutter Ø 1,5-13 MM, 1/2" | ||||
| 780 | 2608572106 | 91.33 | 108.68 | |
| Netzanschlussleitung EU 2,65m 2 x 1,0mm H05 RN-F | ||||
| 805 | 1607000388 | 10.68 | 12.71 | |
| Kohlebürstensatz | ||||
| 810 | 2604321905 | 9.47 | 11.27 | |
| Getriebegehäuse GRUEN | ||||
| 825 | 2605806987 | 15.71 | 18.69 | |
| Zwischenflansch | ||||
| 843 | 2605700936 | 49.56 | 58.98 | |
| Nicht mehr lieferbar, kein Ersatz | ||||
| 859 | 2606100914 | |||
| Klebeschild BOHREN/SCHLAGBOHREN | ||||
| 865 | 2601110076 | 1.18 | 1.40 | |
| Sicherungsscheibe Din 6799-4-fst | ||||
| 867 | 2916080007 | 2.18 | 2.59 | |
| Teilesatz | ||||
| 870 | 2607010226 | 1.18 | 1.40 | |
| Typschild | ||||
| 888 | 160111A3H3 | 2.18 | 2.59 | |