Hier finden Sie alle verfügbaren Teile und Zeichnungen der 'Bosch 0603166680 ( CSB700-2RE )'. Von hier aus können Sie alle gewünschten Teile direkt bestellen. Viele Teile müssen je nach Marke beim Hersteller bestellt werden, dies dauert ein bis vier Wochen. Alle Informationen, die wir haben, befinden sich auf unserer Website. Wir können Sie nicht beraten, was Sie benötigen. Dazu müssen Sie die Maschine zur Reparatur zurücksenden. Bitte beachten Sie bei der Bestellung Folgendes:
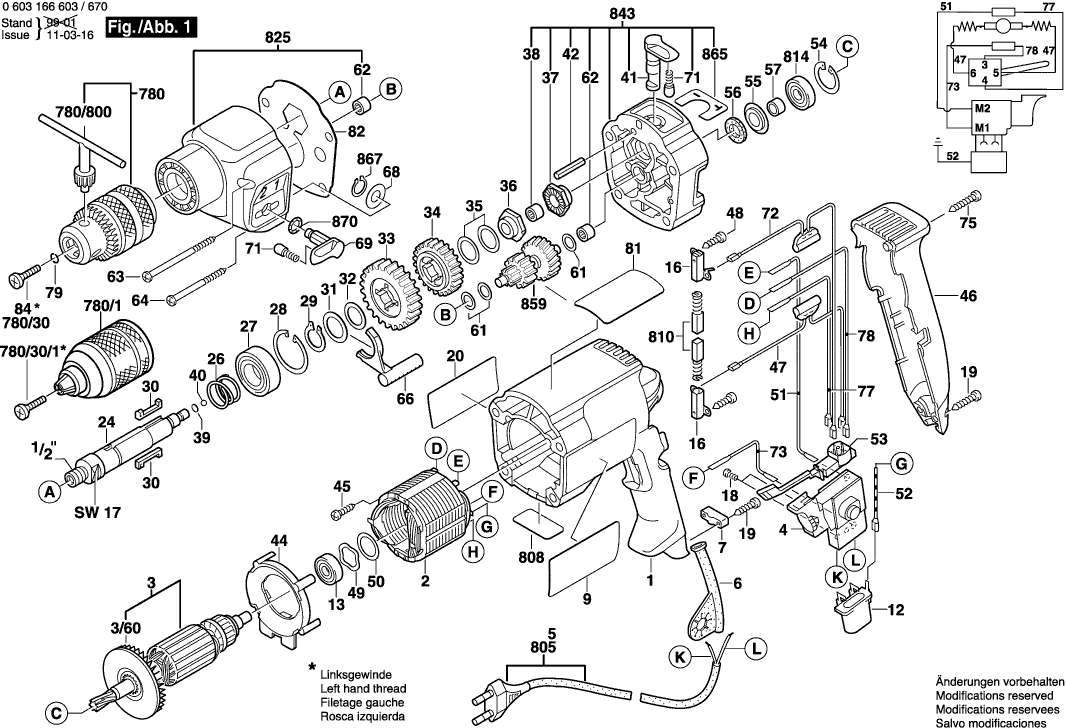
Zeichnungen der Bosch 0603166680 ( CSB700-2RE )
Teileliste der Bosch 0603166680 ( CSB700-2RE )
| Pos. | Beschreibung | Preis ohne MwSt | Preis inkl. MwSt | |
| Die angegebenen Preise enthalten die Mehrwertsteuer | ||||
| Motorgehäuse GRUEN | ||||
| 1 | 2605104295 | 13.93 | 16.58 | |
| Polschuh 220-240V | ||||
| 2 | 1604220254 | 20.39 | 24.26 | |
| Nicht mehr lieferbar, kein Ersatz | ||||
| 3 | 2604010739 | |||
| Lüfter | ||||
| 3/60 | 2606610029 | 2.18 | 2.59 | |
| Schalter | ||||
| 4 | 2607200190 | 55.56 | 66.12 | |
| Tülle Ø6,5-Ø6,9x95 MM | ||||
| 6 | 2600703012 | 2.52 | 3.00 | |
| Leitungshalter | ||||
| 7 | 2601035001 | 1.32 | 1.57 | |
| Firmenschild SONNENSEITE | ||||
| 9 | 2601119415 | 2.71 | 3.22 | |
| Nicht mehr lieferbar, kein Ersatz | ||||
| 12 | 2607329114 | |||
| Kugellager 7x22x7 | ||||
| 13 | 1900905018 | 15.61 | 18.58 | |
| Bürstenhalter | ||||
| 16 | 2604337003 | 1.90 | 2.26 | |
| Zylinderschraube M3x6,5-4.8 | ||||
| 18 | 2603410001 | 1.32 | 1.57 | |
| Schraube 4x16 | ||||
| 19 | 2603490022 | 1.00 | 1.19 | |
| Hinweisschild SCHATTENSEITE | ||||
| 20 | 2601119413 | 2.71 | 3.22 | |
| Nicht mehr lieferbar, kein Ersatz | ||||
| 24 | 2606135013 | |||
| Druckfeder | ||||
| 26 | 2604616002 | 1.32 | 1.57 | |
| Rillenkugellager 17x35x10 | ||||
| 27 | 1900905163 | 9.47 | 11.27 | |
| Sicherungsring DIN 472 35x1,5 MM | ||||
| 28 | 2916660014 | 1.32 | 1.57 | |
| Sicherungsring DIN 471 17x1 MM | ||||
| 29 | 2916650008 | 1.32 | 1.57 | |
| Flachkeil | ||||
| 30 | 2602300028 | 4.10 | 4.88 | |
| Haltescheibe | ||||
| 31 | 2600101671 | 1.32 | 1.57 | |
| Ausgleichscheibe 1,0 MM | ||||
| 32 | 2600101515 | 1.00 | 1.19 | |
| Stirnrad Z=48 | ||||
| 33 | 2606317063 | 9.53 | 11.34 | |
| Stirnrad Z=36 | ||||
| 34 | 2606317062 | 9.53 | 11.34 | |
| Ausgleichscheibe 0,5 MM | ||||
| 35 | 2600101616 | 2.52 | 3.00 | |
| Ausgleichscheibe 0,3 Mm | ||||
| 35 | 2600101617 | 1.32 | 1.57 | |
| Rastscheibe | ||||
| 36 | 2600190070 | 5.27 | 6.27 | |
| Rastscheibe | ||||
| 37 | 2600190063 | 4.10 | 4.88 | |
| Nadellager Ø8x8 MM | ||||
| 38 | 2600917003 | 2.52 | 3.00 | |
| Distanzscheibe 1,35 MM | ||||
| 39 | 2600000030 | 1.32 | 1.57 | |
| Distanzscheibe 0,2 MM | ||||
| 39 | 2600000012 | 1.00 | 1.19 | |
| Distanzscheibe 0,5 MM | ||||
| 39 | 2600000014 | 1.00 | 1.19 | |
| Kugel DIN 5401-5,5MM-III-ST | ||||
| 40 | 1903230010 | 1.00 | 1.19 | |
| Drehknopf | ||||
| 41 | 2602026017 | 6.53 | 7.77 | |
| Spannstift 4x30 MM DIN 7346 | ||||
| 42 | 2917780105 | 1.00 | 1.19 | |
| Nicht mehr lieferbar, kein Ersatz | ||||
| 44 | 2601328033 | |||
| Blechschraube | ||||
| 45 | 2603435086 | 1.32 | 1.57 | |
| Nicht mehr lieferbar, kein Ersatz | ||||
| 46 | 2605132048 | |||
| Entstörfilter L=126 MM WEISS | ||||
| 47 | 2604465097 | 5.27 | 6.27 | |
| Torx-Linsenschraube 3x10 | ||||
| 48 | 2603490017 | 1.90 | 2.26 | |
| Ausgleichscheibe | ||||
| 49 | 2600150004 | 1.90 | 2.26 | |
| Distanzscheibe 0,3 MM | ||||
| 50 | 2600101027 | 1.32 | 1.57 | |
| Distanzscheibe 0,2 MM | ||||
| 50 | 2600101665 | 1.32 | 1.57 | |
| Distanzscheibe 0,5 MM | ||||
| 50 | 2600101667 | 1.32 | 1.57 | |
| Elektr Leitung L=130 Mm Weiss | ||||
| 51 | 2604448005 | 1.32 | 1.57 | |
| Erdleitung | ||||
| 52 | 2604448097 | 1.32 | 1.57 | |
| Umschalter | ||||
| 53 | 2607200231 | 13.90 | 16.54 | |
| Sicherungsring DIN 472-24x1,2 MM | ||||
| 54 | 2916660008 | 1.90 | 2.26 | |
| Tellerscheibe | ||||
| 55 | 2600500002 | 1.32 | 1.57 | |
| Filzring | ||||
| 56 | 2600108077 | 1.32 | 1.57 | |
| Steckhülse | ||||
| 57 | 2600400008 | 1.32 | 1.57 | |
| Ausgleichscheibe 0,3 MM | ||||
| 61 | 2600100607 | 1.32 | 1.57 | |
| Nadellager Ø6 MM | ||||
| 62 | 2600914010 | 2.52 | 3.00 | |
| Nicht mehr lieferbar, kein Ersatz | ||||
| 63 | 2603435070 | |||
| Nicht mehr lieferbar, kein Ersatz | ||||
| 64 | 2603435071 | |||
| Verstellschieber | ||||
| 66 | 2602033006 | 2.52 | 3.00 | |
| Distanzscheibe | ||||
| 68 | 2600100618 | 1.00 | 1.19 | |
| Nicht mehr lieferbar, kein Ersatz | ||||
| 69 | 2602026038 | |||
| Rastkappe | ||||
| 71 | 2600590006 | 1.32 | 1.57 | |
| Entstörfilter L=148 Mm Schwarz | ||||
| 72 | 2604465086 | 5.27 | 6.27 | |
| Verbindungskabel L=110 MM WEISS | ||||
| 73 | 2604448146 | 1.32 | 1.57 | |
| Torx-Linsenschraube 4x25 | ||||
| 75 | 2603490024 | 1.32 | 1.57 | |
| Verbindungskabel L=68 Mm Weiss | ||||
| 77 | 2604448100 | 1.00 | 1.19 | |
| Verbindungskabel L=98 MM SCHWARZ | ||||
| 78 | 2604448074 | 1.90 | 2.26 | |
| Sprengring | ||||
| 79 | 2604601004 | 1.32 | 1.57 | |
| Klebeschild | ||||
| 81 | 2601110117 | 1.18 | 1.40 | |
| Flachdichtung | ||||
| 82 | 2601073012 | 1.00 | 1.19 | |
| Zusatzhandgriff M10 | ||||
| 753 | 1619PB4323 | 8.48 | 10.09 | |
| Sechskantmutter | ||||
| 753/20 | 2915011007 | 1.00 | 1.19 | |
| Flügelschraube M6x(15)55 | ||||
| 753/30 | 1613480007 | 1.32 | 1.57 | |
| Nicht mehr lieferbar, kein Ersatz | ||||
| 753/50 | 2608040014 | |||
| Flügelschraube M6x20 MM | ||||
| 753/60 | 1613480008 | 1.32 | 1.57 | |
| Keine Informationen verfügbar, nicht bestellbar | ||||
| 754 | 2603001019 | |||
| Nicht mehr lieferbar, kein Ersatz | ||||
| 756 | 2607000122 | |||
| Schnellspannbohrfutter | ||||
| 780/1 | 2608572123 | 60.65 | 72.17 | |
| Nicht mehr lieferbar, kein Ersatz | ||||
| 780/30/1 | 2603421213 | |||
| Netzanschlussleitung EU 2,65m 2 x 1,0mm H05 RN-F | ||||
| 805 | 1607000388 | 10.68 | 12.71 | |
| Typschild | ||||
| 808 | 160111A3H3 | 2.18 | 2.59 | |
| Kohlebürstensatz | ||||
| 810 | 2604321905 | 9.47 | 11.27 | |
| Rillenkugellager 9x24x7 | ||||
| 814 | 2600905039 | 10.68 | 12.71 | |
| Getriebegehäuse GRUEN | ||||
| 825 | 2605806987 | 15.71 | 18.69 | |
| Zwischenflansch | ||||
| 843 | 2605700936 | 49.56 | 58.98 | |
| Zahnwelle Z= 10/22/29 | ||||
| 859 | 2606100903 | 20.42 | 24.30 | |
| Klebeschild BOHREN/SCHLAGBOHREN | ||||
| 865 | 2601110076 | 1.18 | 1.40 | |
| Sicherungsscheibe Din 6799-4-fst | ||||
| 867 | 2916080007 | 2.18 | 2.59 | |
| Teilesatz | ||||
| 870 | 2607010226 | 1.18 | 1.40 | |