Hier finden Sie alle verfügbaren Teile und Zeichnungen der 'Bosch 0603140160 ( E41SB )'. Von hier aus können Sie alle gewünschten Teile direkt bestellen. Viele Teile müssen je nach Marke beim Hersteller bestellt werden, dies dauert ein bis vier Wochen. Alle Informationen, die wir haben, befinden sich auf unserer Website. Wir können Sie nicht beraten, was Sie benötigen. Dazu müssen Sie die Maschine zur Reparatur zurücksenden. Bitte beachten Sie bei der Bestellung Folgendes:
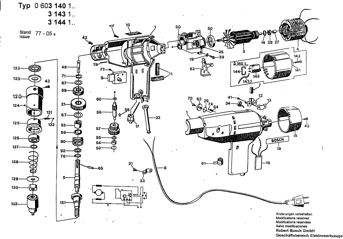
Zeichnungen der Bosch 0603140160 ( E41SB )
Teileliste der Bosch 0603140160 ( E41SB )
| Pos. | Beschreibung | Preis ohne MwSt | Preis inkl. MwSt | |
| Die angegebenen Preise enthalten die Mehrwertsteuer | ||||
| Nicht mehr lieferbar, kein Ersatz | ||||
| 1 | 1605104905 | |||
| Nicht mehr lieferbar, kein Ersatz | ||||
| 3 | 1604010134 | |||
| Nicht mehr lieferbar, kein Ersatz | ||||
| 4 | 1604220118 | |||
| Nicht mehr lieferbar, kein Ersatz | ||||
| 5 | 1603121018 | |||
| Nicht mehr lieferbar, kein Ersatz | ||||
| 6 | 1607200060 | |||
| Nicht mehr lieferbar, kein Ersatz | ||||
| 7 | 1604321900 | |||
| Hinweisschild | ||||
| 10 | 2601105043 | 0.83 | 0.99 | |
| Nicht mehr lieferbar, kein Ersatz | ||||
| 11 | 1602381001 | |||
| Bürstenhalter | ||||
| 12 | 1601323007 | 1.18 | 1.40 | |
| Nicht mehr lieferbar, kein Ersatz | ||||
| 13 | 1601034025 | |||
| Nicht mehr lieferbar, kein Ersatz | ||||
| 14 | 1610210014 | |||
| Nicht mehr lieferbar, kein Ersatz | ||||
| 15 | 1605500066 | |||
| Nicht mehr lieferbar, kein Ersatz | ||||
| 16 | 2607329069 | |||
| Thermoschalter | ||||
| 17 | 1607202900 | 13.93 | 16.58 | |
| Firmenschild SCHATTENSEITE | ||||
| 18 | 1601110481 | 1.90 | 2.26 | |
| Federring Din 128-a4-fst | ||||
| 19 | 2916690003 | 1.00 | 1.19 | |
| Nicht mehr lieferbar, kein Ersatz | ||||
| 21 | 2606317012 | |||
| Rillenkugellager 627 Y DIN 625 | ||||
| 25 | 1900900235 | 15.71 | 18.69 | |
| Nicht mehr lieferbar, kein Ersatz | ||||
| 27 | 1600301900 | |||
| Nicht mehr lieferbar, kein Ersatz | ||||
| 28 | 1600205023 | |||
| Nicht mehr lieferbar, kein Ersatz | ||||
| 29 | 1600210024 | |||
| Nicht mehr lieferbar, kein Ersatz | ||||
| 30 | 1605807906 | |||
| Blechschraube | ||||
| 31 | 2603435011 | 0.83 | 0.99 | |
| Tülle Ø6,4-ø7,5x75 Mm | ||||
| 32 | 1600703016 | 1.00 | 1.19 | |
| Befestigungsschelle | ||||
| 33 | 1601302014 | 2.18 | 2.59 | |
| Spiralfeder | ||||
| 34 | 1604652004 | 2.18 | 2.59 | |
| Zylinderschraube DIN 84-AM4x10-5.8 | ||||
| 39 | 2910011120 | 1.00 | 1.19 | |
| Blechschraube DIN 7971-ST3,9x16-F | ||||
| 40 | 2910211019 | 1.00 | 1.19 | |
| Blechschraube DIN 7972-BZ2,9x6,5 | ||||
| 41 | 2910601004 | 0.83 | 0.99 | |
| Blechschraube Din 7971-bz2,9x13 | ||||
| 42 | 2910211006 | 1.00 | 1.19 | |
| Nicht mehr lieferbar, kein Ersatz | ||||
| 43 | 2910211017 | |||
| Schaltwelle | ||||
| 48 | 2603105011 | 0.83 | 0.99 | |
| O-Ring | ||||
| 50 | 1600502008 | 0.83 | 0.99 | |
| Nadellager | ||||
| 52 | 1600910008 | 0.83 | 0.99 | |
| Sprengring 14 DIN 9045 | ||||
| 53 | 2916600008 | 2.52 | 3.00 | |
| Lagerbuchse Ø8G7xØ14R6x6MM | ||||
| 54 | 2600301043 | 0.83 | 0.99 | |
| Unterlegscheibe 0,3 MM | ||||
| 55 | 1230100633 | 0.83 | 0.99 | |
| Nicht mehr lieferbar, kein Ersatz | ||||
| 56 | 1606309058 | |||
| Nicht mehr lieferbar, kein Ersatz | ||||
| 57 | 1606328096 | |||
| Scheibenfeder DIN 6888-3x3,7-ST-60 | ||||
| 58 | 1900023004 | 0.83 | 0.99 | |
| Nicht mehr lieferbar, kein Ersatz | ||||
| 59 | 1606317069 | |||
| Ausgleichscheibe 1,2 MM DICK | ||||
| 60 | 1600100611 | 1.32 | 1.57 | |
| Schalthebel | ||||
| 61 | 1602026040 | 0.83 | 0.99 | |
| Schaltgabel | ||||
| 62 | 1601328001 | 0.83 | 0.99 | |
| Exzenterscheibe | ||||
| 63 | 1600148005 | 0.83 | 0.99 | |
| Druckfeder | ||||
| 64 | 1604611016 | 0.83 | 0.99 | |
| Flachkeil | ||||
| 65 | 1602300017 | 0.83 | 0.99 | |
| Dichtring 13,0x4,0 MM | ||||
| 66 | 2600210025 | 0.83 | 0.99 | |
| Ausgleichscheibe | ||||
| 67 | 2600101603 | 1.18 | 1.40 | |
| Ausgleichscheibe Ø14,5x21,5x0,5 MM | ||||
| 67 | 2000101600 | 1.18 | 1.40 | |
| Blechschraube B 3,9x9,5 DIN 7972 | ||||
| 70 | 2910600017 | 0.83 | 0.99 | |
| Sicherungsring 14x1 DIN 471 | ||||
| 71 | 2916650005 | 0.83 | 0.99 | |
| Warnzettel 3 MM DIN 5401 | ||||
| 74 | 1903230304 | 0.83 | 0.99 | |
| Sicherungsbügel DIN 471-15x1-FSt | ||||
| 76 | 2916650006 | 1.32 | 1.57 | |
| Zylinderschraube M3x10 MM | ||||
| 77 | 2603410023 | 1.18 | 1.40 | |
| Rundgummi Ø3x9,5 MM | ||||
| 78 | 5541468300 | 0.83 | 0.99 | |
| Rastenscheibe | ||||
| 90 | 1606490013 | 0.83 | 0.99 | |
| Ausgleichscheibe 0,5 MM | ||||
| 92 | 2600100695 | 1.32 | 1.57 | |
| Ausgleichscheibe 0,2 MM | ||||
| 92 | 2600100692 | 1.18 | 1.40 | |
| Ausgleichscheibe 0,3 MM | ||||
| 92 | 2600100693 | 0.83 | 0.99 | |
| Bohrfutterschlüssel SG2 | ||||
| 102 | 2607950007 | 5.96 | 7.09 | |
| Nicht mehr lieferbar, kein Ersatz | ||||
| 120 | 1607020004 | |||
| Nicht mehr lieferbar, kein Ersatz | ||||
| 121 | 1607031902 | |||
| Axialnadelkranz | ||||
| 122 | 1600920000 | 4.58 | 5.45 | |
| Axiallagerscheibe | ||||
| 123 | 1600102011 | 2.52 | 3.00 | |
| Kugel DIN 5401-5,5MM-III-ST | ||||
| 124 | 1903230010 | 1.00 | 1.19 | |
| Nicht mehr lieferbar, kein Ersatz | ||||
| 125 | 1605801022 | |||
| Nicht mehr lieferbar, kein Ersatz | ||||
| 126 | 1900905102 | |||
| Distanzscheibe 0,4 MM DICK | ||||
| 127 | 1600101600 | 1.32 | 1.57 | |
| Druckfeder | ||||
| 128 | 1604643002 | 0.83 | 0.99 | |
| Unterlegscheibe | ||||
| 129 | 1600101017 | 0.83 | 0.99 | |
| Gewindering | ||||
| 130 | 1603343007 | 0.83 | 0.99 | |
| Druckfeder | ||||
| 131 | 1604610009 | 1.32 | 1.57 | |
| Kugel | ||||
| 132 | 1903230308 | 0.83 | 0.99 | |
| Nicht mehr lieferbar, kein Ersatz | ||||
| 141 | 1605500078 | |||
| Blechschraube DIN 7971-ST3,9x16-F | ||||
| 142 | 2910211019 | 1.00 | 1.19 | |
| Nicht mehr lieferbar, kein Ersatz | ||||
| 143 | 1607200050 | |||
| Nicht mehr lieferbar, kein Ersatz | ||||
| 143/1 | 2604465007 | |||
| Nicht mehr lieferbar, kein Ersatz | ||||
| 144 | 2607320008 | |||