Hier finden Sie alle verfügbaren Teile und Zeichnungen der 'Bosch 0611234708 ( GBH2-20SRE )'. Von hier aus können Sie alle gewünschten Teile direkt bestellen. Viele Teile müssen je nach Marke beim Hersteller bestellt werden, dies dauert ein bis vier Wochen. Alle Informationen, die wir haben, befinden sich auf unserer Website. Wir können Sie nicht beraten, was Sie benötigen. Dazu müssen Sie die Maschine zur Reparatur zurücksenden. Bitte beachten Sie bei der Bestellung Folgendes:
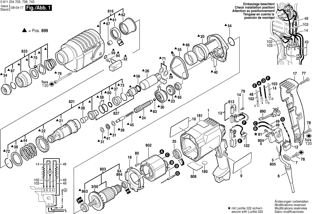
Zeichnungen der Bosch 0611234708 ( GBH2-20SRE )
Teileliste der Bosch 0611234708 ( GBH2-20SRE )
| Pos. | Beschreibung | Preis ohne MwSt | Preis inkl. MwSt | |
| Die angegebenen Preise enthalten die Mehrwertsteuer | ||||
| Motorgehäuse BLAU | ||||
| 1 | 1615108112 | 10.68 | 12.71 | |
| Lüfter SCHWARZ | ||||
| 3/50 | 1616610072 | 1.90 | 2.26 | |
| Nicht mehr lieferbar, kein Ersatz | ||||
| 4 | 1617200083 | |||
| Tülle Ø7,3-Ø8,6x76 MM | ||||
| 6 | 2600703018 | 2.18 | 2.59 | |
| Leitungshalter | ||||
| 7 | 1611035005 | 1.90 | 2.26 | |
| Firmenschild | ||||
| 9 | 1611110821 | 2.71 | 3.22 | |
| Firmenschild | ||||
| 10 | 1611110821 | 2.71 | 3.22 | |
| Entstörfilter | ||||
| 12 | 1607328040 | 5.96 | 7.09 | |
| Bürstenhalter | ||||
| 13 | 1617000343 | 9.47 | 11.27 | |
| Entstörfilter L=148 Mm Schwarz | ||||
| 14 | 2604465086 | 5.27 | 6.27 | |
| Gehäusedeckel BLAU | ||||
| 17 | 1615132065 | 4.10 | 4.88 | |
| Luftleitring | ||||
| 18 | 1610522008 | 1.00 | 1.19 | |
| Zwischenflansch | ||||
| 20 | 1615700037 | 41.30 | 49.15 | |
| Rasthülse SDS-PLUS | ||||
| 21 | 1616490058 | 234.56 | 279.13 | |
| Stirnrad Z=46 | ||||
| 22 | 1616320007 | 6.53 | 7.77 | |
| Nicht mehr lieferbar, kein Ersatz | ||||
| 23 | 1616320002 | |||
| Zahnwelle Z=6/10 | ||||
| 24 | 1613060010 | 55.56 | 66.12 | |
| Hammerkolben | ||||
| 26 | 1618700052 | 11.02 | 13.11 | |
| Schlagbolzen | ||||
| 28 | 1613124026 | 2.52 | 3.00 | |
| Kolbenbolzen | ||||
| 29 | 1613105012 | 3.04 | 3.62 | |
| Antriebslager | ||||
| 30 | 1615819005 | 30.08 | 35.80 | |
| Lagerscheibe 0,8 MM DICK | ||||
| 31 | 1610100003 | 1.32 | 1.57 | |
| Knebelgriff SCHWARZ | ||||
| 32 | 1612026023 | 2.18 | 2.59 | |
| Schutzkappe L=17 MM, SDS-PLUS | ||||
| 34 | 1610508008 | 1.90 | 2.26 | |
| Gummiring | ||||
| 35 | 1610206021 | 1.32 | 1.57 | |
| Dämpfungsbuchse | ||||
| 37 | 1610390011 | 3.04 | 3.62 | |
| Stützscheibe | ||||
| 38 | 1610102022 | 1.90 | 2.26 | |
| Zylinderstift | ||||
| 39 | 1613100013 | 1.90 | 2.26 | |
| Haltefeder | ||||
| 40 | 1614690001 | 1.00 | 1.19 | |
| Rollenkranz | ||||
| 41 | 1610920003 | 3.71 | 4.41 | |
| Druckfeder | ||||
| 44 | 1614633001 | 1.90 | 2.26 | |
| Druckfeder | ||||
| 45 | 1614614001 | 1.00 | 1.19 | |
| Nicht mehr lieferbar, kein Ersatz | ||||
| 48 | 2604448137 | |||
| Elektr Leitung L=130 Mm Weiss | ||||
| 49 | 2604448005 | 1.32 | 1.57 | |
| O-Ring 24,0x2,5 MM | ||||
| 54 | 1610210068 | 1.32 | 1.57 | |
| Dichtring | ||||
| 55 | 1610206023 | 2.52 | 3.00 | |
| O-Ring 14,0x3,0 MM | ||||
| 56 | 1610210070 | 2.18 | 2.59 | |
| O-Ring 18,0x3,0 MM | ||||
| 58 | 1610210058 | 2.18 | 2.59 | |
| O-Ring 6,0x2,5 MM | ||||
| 59 | 1610210069 | 1.00 | 1.19 | |
| O-Ring 10,0x3,5 MM | ||||
| 60 | 1610210073 | 1.90 | 2.26 | |
| Radial-Wellendichtring | ||||
| 61 | 1610283017 | 6.53 | 7.77 | |
| Gleitlager | ||||
| 62 | 1610202026 | 4.58 | 5.45 | |
| Rillenkugellager 7x19x6 | ||||
| 64 | 1610905025 | 5.96 | 7.09 | |
| Nicht mehr lieferbar, kein Ersatz | ||||
| 65 | 1900900228 | |||
| Lagerbuchse Ø30xØ37x15,7 MM | ||||
| 66 | 1610301000 | 2.18 | 2.59 | |
| Nicht mehr lieferbar, kein Ersatz | ||||
| 67 | 1610910064 | |||
| Kugel DIN 5401-Ø7MM-III-ST | ||||
| 70 | 1903230013 | 1.90 | 2.26 | |
| Distanzscheibe 1,2 MM DICK | ||||
| 71 | 1610101011 | 1.32 | 1.57 | |
| Sprengring DIN 7993-A32 | ||||
| 72 | 2916540018 | 3.04 | 3.62 | |
| Sprengring DIN 9045-24 | ||||
| 73 | 1614601009 | 1.00 | 1.19 | |
| Blechschraube ST-4,8x57,5-TORX,T20 | ||||
| 76 | 1613435009 | 1.32 | 1.57 | |
| Blechschraube ST3,9x32 SILBER | ||||
| 77 | 1603435051 | 1.70 | 2.02 | |
| Blechschraube ST3,9x19-TORX,T20 | ||||
| 78 | 1603435050 | 1.32 | 1.57 | |
| Blechschraube DIN 7971-ST2,9x9,5-F | ||||
| 79 | 2910211005 | 1.00 | 1.19 | |
| Kreuzschlitzschraube DIN 7981-ST3,5x9,5-F | ||||
| 80 | 2603435015 | 1.90 | 2.26 | |
| Zylinderschraube M3x6,5-4.8 | ||||
| 81 | 2603410001 | 1.32 | 1.57 | |
| Kugel 5 MM V DIN 5401 | ||||
| 83 | 1903230309 | 1.32 | 1.57 | |
| Sprengring | ||||
| 87 | 160460102S | 1.00 | 1.19 | |
| Rastbolzen | ||||
| 94 | 1613120017 | 1.32 | 1.57 | |
| Entstörfilter L=126 MM WEISS | ||||
| 102 | 2604465097 | 5.27 | 6.27 | |
| Verbindungsleitung L=55 MM WEISS | ||||
| 103 | 1614448017 | 1.90 | 2.26 | |
| Bohrfutterschaft 1/2 SDS-PLUS | ||||
| 700 | 1617000154 | 30.08 | 35.80 | |
| Senkschraube M6x27 LINKSGEWINDE | ||||
| 700/20 | 2603421226 | 1.32 | 1.57 | |
| Bohrfutter Ø1,5-13 MM, 1/2" | ||||
| 701 | 1608571069 | 22.88 | 27.23 | |
| Bohrfutterschlüssel SG2 | ||||
| 701/700 | 2607950007 | 5.96 | 7.09 | |
| Nicht mehr lieferbar, kein Ersatz | ||||
| 711 | 1617000133 | |||
| Sprengring | ||||
| 711/10/2 | 2604601004 | 1.32 | 1.57 | |
| Nicht mehr lieferbar, kein Ersatz | ||||
| 711/20 | 1608521004 | |||
| Nicht mehr lieferbar, kein Ersatz | ||||
| 711/30 | 2607000248 | |||
| Nicht mehr lieferbar, kein Ersatz | ||||
| 711/40 | 1608511020 | |||
| Tragkasten | ||||
| 791 | 1615438146 | 0.83 | 0.99 | |
| Polschuh 220-230v | ||||
| 802 | 2604220429 | 22.88 | 27.23 | |
| Nicht mehr lieferbar, kein Ersatz | ||||
| 803 | 1614010039 | |||
| Netzanschlussleitung EU 4,15m 2 x 1,0mm H07 RN-F | ||||
| 805 | 1614460026 | 15.61 | 18.58 | |
| Typschild | ||||
| 808 | 160111A3H5 | 2.18 | 2.59 | |
| Kohlebürstensatz | ||||
| 813 | 1617014134 | 7.32 | 8.71 | |
| Getriebegehäuse SCHWARZ | ||||
| 816 | 1615806077 | 45.52 | 54.17 | |
| Rasthülse SDS-PLUS | ||||
| 821 | 1617000812 | 91.56 | 108.96 | |
| Zusatzhandgriff Ø43 MM | ||||
| 822 | 2602025118 | 12.21 | 14.53 | |
| Zusatzhandgriff M8 | ||||
| 822/120 | 1612025019 | 5.96 | 7.09 | |
| Spannband Ø43 MM | ||||
| 822/124 | 1611316006 | 2.18 | 2.59 | |
| Hammerschraube M8x40 MM | ||||
| 822/125 | 1613490002 | 3.71 | 4.41 | |
| Klemmhalter Ø43 MM | ||||
| 822/802 | 2608040176 | 5.96 | 7.09 | |
| Schläger | ||||
| 827 | 1617000338 | 26.62 | 31.68 | |
| Schutzhülse SDS-PLUS | ||||
| 833 | 1617000163 | 6.53 | 7.77 | |
| Rillenkugellager 9x24x7 | ||||
| 863 | 1610905048 | 7.32 | 8.71 | |
| Rillenkugellager 7x19x6 | ||||
| 864 | 1610905025 | 5.96 | 7.09 | |
| Tiefenanschlag SW 6x210 MM | ||||
| 879 | 1613001009 | 3.04 | 3.62 | |
| Umschalter | ||||
| 890 | 2607200231 | 13.90 | 16.54 | |
| Schlagwerk | ||||
| 899 | 1617000353 | 75.38 | 89.70 | |