Hier finden Sie alle verfügbaren Teile und Zeichnungen der 'Bosch 0611238703 ( GBH2-24DFR )'. Von hier aus können Sie alle gewünschten Teile direkt bestellen. Viele Teile müssen je nach Marke beim Hersteller bestellt werden, dies dauert ein bis vier Wochen. Alle Informationen, die wir haben, befinden sich auf unserer Website. Wir können Sie nicht beraten, was Sie benötigen. Dazu müssen Sie die Maschine zur Reparatur zurücksenden. Bitte beachten Sie bei der Bestellung Folgendes:
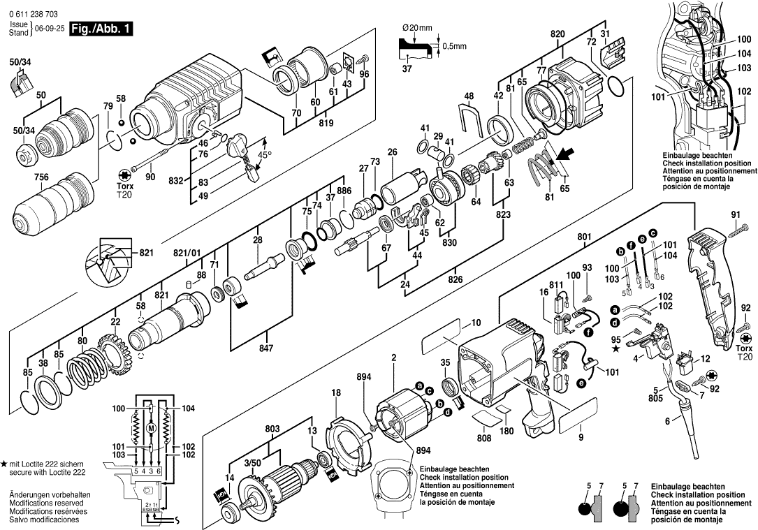
Zeichnungen der Bosch 0611238703 ( GBH2-24DFR )
Teileliste der Bosch 0611238703 ( GBH2-24DFR )
| Pos. | Beschreibung | Preis ohne MwSt | Preis inkl. MwSt | |
| Die angegebenen Preise enthalten die Mehrwertsteuer | ||||
| Polschuh 220-230V | ||||
| 2 | 1614220172 | 20.39 | 24.26 | |
| Lüfter GRAU | ||||
| 3/50 | 1616610095 | 1.90 | 2.26 | |
| Schalter SCHWARZ | ||||
| 4 | 1617200077 | 33.33 | 39.66 | |
| Tülle Ø7,3-Ø8,6x76 MM | ||||
| 6 | 2600703018 | 2.18 | 2.59 | |
| Leitungshalter | ||||
| 7 | 1611035005 | 1.90 | 2.26 | |
| Firmenschild | ||||
| 9 | 1611110852 | 3.71 | 4.41 | |
| Firmenschild | ||||
| 10 | 1611110853 | 2.52 | 3.00 | |
| Entstörfilter | ||||
| 12 | 1617328026 | 6.53 | 7.77 | |
| Rillenkugellager 7x19x6 | ||||
| 13 | 1610905025 | 5.96 | 7.09 | |
| Rillenkugellager 9x24x7 | ||||
| 14 | 1610905048 | 7.32 | 8.71 | |
| Bürstenhalter | ||||
| 16 | 1617000343 | 9.47 | 11.27 | |
| Nicht mehr lieferbar, kein Ersatz | ||||
| 18 | 1610522009 | |||
| Stirnrad Z=50 | ||||
| 22 | 1616317602 | 10.68 | 12.71 | |
| Zahnwelle Z=3/9 | ||||
| 24 | 1617000518 | 36.85 | 43.85 | |
| Nicht mehr lieferbar, kein Ersatz | ||||
| 26 | 1618700062 | |||
| Schläger | ||||
| 27 | 1618710057 | 13.90 | 16.54 | |
| Schlagbolzen | ||||
| 28 | 1613124052 | 9.47 | 11.27 | |
| Kolbenbolzen | ||||
| 29 | 1613105012 | 3.04 | 3.62 | |
| Schutzgitter | ||||
| 31 | 1615510003 | 2.18 | 2.59 | |
| Gummiring | ||||
| 35 | 1610206021 | 1.32 | 1.57 | |
| Dämpfungsbuchse | ||||
| 37 | 1610390017 | 4.58 | 5.45 | |
| Nicht mehr lieferbar, kein Ersatz | ||||
| 38 | 1610102026 | |||
| Distanzscheibe 1,2 MM DICK | ||||
| 41 | 1610101011 | 1.32 | 1.57 | |
| Gleitlager | ||||
| 42 | 1610202015 | 2.52 | 3.00 | |
| Sicherungsblech | ||||
| 43 | 1611098005 | 2.52 | 3.00 | |
| Schaltstück | ||||
| 44 | 1615820092 | 2.18 | 2.59 | |
| Schaltfeder | ||||
| 45 | 1614651014 | 1.32 | 1.57 | |
| Mitnehmerstift | ||||
| 46 | 1614690002 | 1.32 | 1.57 | |
| Halteblech | ||||
| 48 | 1611016003 | 1.90 | 2.26 | |
| Schalterknopf ROT | ||||
| 49 | 1612026035 | 1.32 | 1.57 | |
| Nicht mehr lieferbar, kein Ersatz | ||||
| 50 | 1617000327 | |||
| Schutzkappe | ||||
| 50/34 | 1610508047 | 1.90 | 2.26 | |
| Kugel DIN 5401-5,5MM-III-ST | ||||
| 58 | 1903230010 | 1.00 | 1.19 | |
| Nadellager | ||||
| 60 | 1610910073 | 9.47 | 11.27 | |
| Nadelhülse | ||||
| 61 | 1610910098 | 3.04 | 3.62 | |
| Nadelhülse | ||||
| 62 | 1610910074 | 3.04 | 3.62 | |
| Nicht mehr lieferbar, kein Ersatz | ||||
| 63 | 1610910064 | |||
| Nadelkranz | ||||
| 64 | 1610913010 | 3.71 | 4.41 | |
| Gleitlager | ||||
| 65 | 1610591016 | 2.52 | 3.00 | |
| Rillenkugellager | ||||
| 67 | 1610905016 | 8.48 | 10.09 | |
| Wellendichtring | ||||
| 70 | 1610283019 | 6.53 | 7.77 | |
| Abstreifer | ||||
| 71 | 1610290029 | 3.04 | 3.62 | |
| O-Ring 24,0x2,5 MM | ||||
| 72 | 1610210068 | 1.32 | 1.57 | |
| O-Ring | ||||
| 73 | 1610210187 | 1.90 | 2.26 | |
| O-Ring 11,0x3,5 MM | ||||
| 74 | 1610210104 | 2.18 | 2.59 | |
| O-Ring 18,0x3,5 MM | ||||
| 75 | 1610210105 | 3.71 | 4.41 | |
| O-Ring 10,5x2,7 MM | ||||
| 76 | 1610210046 | 1.90 | 2.26 | |
| O-Ring 60,0x3,0 MM | ||||
| 77 | 1610210106 | 2.18 | 2.59 | |
| Sprengring | ||||
| 79 | 1614601026 | 1.32 | 1.57 | |
| Druckfeder | ||||
| 80 | 1614634005 | 1.32 | 1.57 | |
| Druckfeder | ||||
| 81 | 1614611009 | 1.32 | 1.57 | |
| Druckfeder | ||||
| 83 | 1614611006 | 3.04 | 3.62 | |
| Sprengring | ||||
| 85 | 1614601011 | 1.32 | 1.57 | |
| ROLLE | ||||
| 88 | 1613200007 | 1.32 | 1.57 | |
| Blechschraube 4,8x78 MM, TORX T-20 | ||||
| 90 | 1603435036 | 1.32 | 1.57 | |
| Linsenkopfschraube 4x32 | ||||
| 91 | 2603490026 | 1.00 | 1.19 | |
| Torx-Linsenschraube 4x20 | ||||
| 92 | 2603490023 | 1.00 | 1.19 | |
| Blechschraube DIN 7971-ST2,9x9,5-F | ||||
| 93 | 2910211005 | 1.00 | 1.19 | |
| Zylinderschraube M3x6,5-4.8 | ||||
| 95 | 2603410001 | 1.32 | 1.57 | |
| Blechschraube DIN7981-ST3,9x13-C-Z | ||||
| 96 | 2912401018 | 1.00 | 1.19 | |
| Entstörfilter L=148 Mm Schwarz | ||||
| 100 | 2604465086 | 5.27 | 6.27 | |
| Entstörfilter L=126 MM WEISS | ||||
| 101 | 2604465097 | 5.27 | 6.27 | |
| Elektr Leitung L=130 Mm Weiss | ||||
| 102 | 2604448005 | 1.32 | 1.57 | |
| Verbindungsleitung L=55 MM WEISS | ||||
| 103 | 1614448017 | 1.90 | 2.26 | |
| Nicht mehr lieferbar, kein Ersatz | ||||
| 104 | 2604448137 | |||
| Keine Informationen verfügbar, nicht bestellbar | ||||
| 756 | 1617000328 | |||
| Motorgehäuse | ||||
| 801 | 1617000477 | 15.61 | 18.58 | |
| Anker Mit Lüfter 220-230V | ||||
| 803 | 1614010227 | 67.98 | 80.90 | |
| Netzanschlussleitung EU 4,15m 2 x 1,0mm H07 RN-F | ||||
| 805 | 1614460026 | 15.61 | 18.58 | |
| Typschild | ||||
| 808 | 160111A3H5 | 2.18 | 2.59 | |
| Kohlebürstensatz | ||||
| 811 | 1617014134 | 7.32 | 8.71 | |
| Getriebegehäuse SCHWARZ | ||||
| 819 | 1615806093 | 50.23 | 59.77 | |
| Zwischenflansch | ||||
| 820 | 1617000981 | 26.62 | 31.68 | |
| Werkzeugaufnahme | ||||
| 821 | 1617000325 | 41.30 | 49.15 | |
| Werkzeugaufnahme | ||||
| 821/01 | 1617000326 | 60.65 | 72.17 | |
| Zusatzhandgriff Ø43 MM | ||||
| 822 | 2602025118 | 12.21 | 14.53 | |
| Zusatzhandgriff M8 | ||||
| 822/120 | 1612025019 | 5.96 | 7.09 | |
| Spannband Ø43 MM | ||||
| 822/124 | 1611316006 | 2.18 | 2.59 | |
| Hammerschraube M8x40 MM | ||||
| 822/125 | 1613490002 | 3.71 | 4.41 | |
| Klemmhalter Ø43 MM | ||||
| 822/802 | 2608040176 | 5.96 | 7.09 | |
| Zahnhülse Z=26/6 | ||||
| 823 | 1616328042 | 36.85 | 43.85 | |
| Zahnwelle Z=3/9 | ||||
| 826 | 1617000517 | 73.72 | 87.73 | |
| Antriebslager | ||||
| 830 | 1615819018 | 55.25 | 65.75 | |
| Knebelgriff SCHWARZ | ||||
| 832 | 1612026037 | 8.48 | 10.09 | |
| Führungsring | ||||
| 847 | 1617000348 | 12.21 | 14.53 | |
| Tiefenanschlag SW 6x210 MM | ||||
| 879 | 1613001009 | 3.04 | 3.62 | |
| Sprengring | ||||
| 886 | 1614601024 | 1.32 | 1.57 | |
| Kreuzschlitzschraube DIN 7981-ST3,5x9,5-F | ||||
| 894 | 2603435015 | 1.90 | 2.26 | |