Hier finden Sie alle verfügbaren Teile und Zeichnungen der 'Bosch 0611218503 ( GBH2-24DSR )'. Von hier aus können Sie alle gewünschten Teile direkt bestellen. Viele Teile müssen je nach Marke beim Hersteller bestellt werden, dies dauert ein bis vier Wochen. Alle Informationen, die wir haben, befinden sich auf unserer Website. Wir können Sie nicht beraten, was Sie benötigen. Dazu müssen Sie die Maschine zur Reparatur zurücksenden. Bitte beachten Sie bei der Bestellung Folgendes:
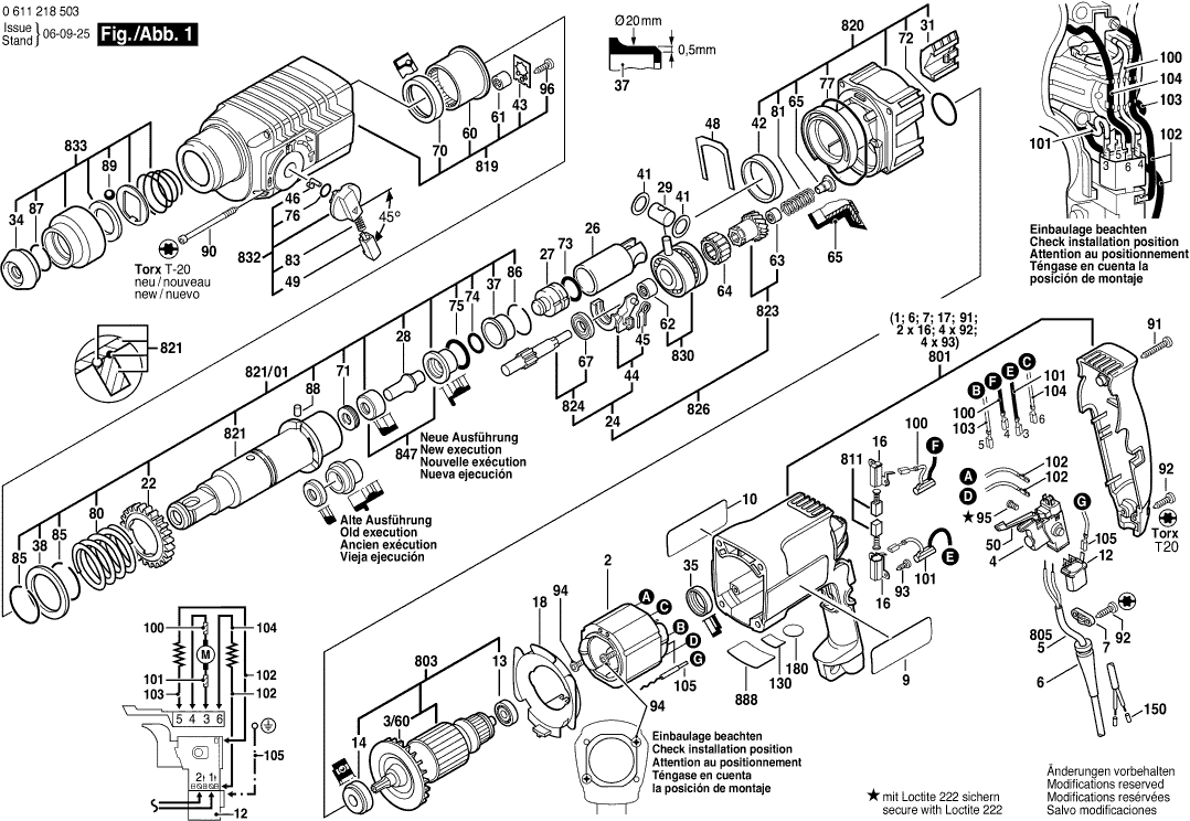
Zeichnungen der Bosch 0611218503 ( GBH2-24DSR )
Teileliste der Bosch 0611218503 ( GBH2-24DSR )
| Pos. | Beschreibung | Preis ohne MwSt | Preis inkl. MwSt | |
| Die angegebenen Preise enthalten die Mehrwertsteuer | ||||
| Polschuh 220-240V | ||||
| 2 | 1604220254 | 20.39 | 24.26 | |
| Lüfter SCHWARZ | ||||
| 3/60 | 1616610072 | 1.90 | 2.26 | |
| Schalter SCHWARZ | ||||
| 4 | 1617200077 | 33.33 | 39.66 | |
| Tülle Ø7,3-Ø8,6x76 MM | ||||
| 6 | 2600703018 | 2.18 | 2.59 | |
| Leitungshalter | ||||
| 7 | 1611035005 | 1.90 | 2.26 | |
| Firmenschild | ||||
| 9 | 1611110X36 | 2.18 | 2.59 | |
| Hinweisschild | ||||
| 10 | 1611110569 | 1.94 | 2.31 | |
| Entstörfilter | ||||
| 12 | 1607328040 | 5.96 | 7.09 | |
| Rillenkugellager 7x19x6 | ||||
| 13 | 1610905025 | 5.96 | 7.09 | |
| Rillenkugellager 9x24x7 | ||||
| 14 | 1610905048 | 7.32 | 8.71 | |
| Bürstenhalter | ||||
| 16 | 2604337016 | 1.00 | 1.19 | |
| Nicht mehr lieferbar, kein Ersatz | ||||
| 18 | 1610522009 | |||
| Stirnrad Z=50 | ||||
| 22 | 1616317602 | 10.68 | 12.71 | |
| Zahnwelle Z=3/9 | ||||
| 24 | 1617000518 | 36.85 | 43.85 | |
| Nicht mehr lieferbar, kein Ersatz | ||||
| 26 | 1618700062 | |||
| Schläger | ||||
| 27 | 1618710057 | 13.90 | 16.54 | |
| Schlagbolzen | ||||
| 28 | 1613124040 | 4.58 | 5.45 | |
| Kolbenbolzen | ||||
| 29 | 1613105012 | 3.04 | 3.62 | |
| Schutzgitter | ||||
| 31 | 1615510003 | 2.18 | 2.59 | |
| Schutzkappe L=17 MM, SDS-PLUS | ||||
| 34 | 1610508008 | 1.90 | 2.26 | |
| Gummiring | ||||
| 35 | 1610206021 | 1.32 | 1.57 | |
| Dämpfungsbuchse | ||||
| 37 | 1610390017 | 4.58 | 5.45 | |
| Nicht mehr lieferbar, kein Ersatz | ||||
| 38 | 1610102026 | |||
| Distanzscheibe 1,2 MM DICK | ||||
| 41 | 1610101011 | 1.32 | 1.57 | |
| Gleitlager | ||||
| 42 | 1610202015 | 2.52 | 3.00 | |
| Sicherungsblech | ||||
| 43 | 1611098005 | 2.52 | 3.00 | |
| Schaltstück | ||||
| 44 | 1615820092 | 2.18 | 2.59 | |
| Schaltfeder | ||||
| 45 | 1614651014 | 1.32 | 1.57 | |
| Mitnehmerstift | ||||
| 46 | 1614690002 | 1.32 | 1.57 | |
| Halteblech | ||||
| 48 | 1611016003 | 1.90 | 2.26 | |
| Schalterknopf ROT | ||||
| 49 | 1612026035 | 1.32 | 1.57 | |
| Nadellager | ||||
| 60 | 1610910073 | 9.47 | 11.27 | |
| Nadelhülse | ||||
| 61 | 1610910098 | 3.04 | 3.62 | |
| Nadelhülse | ||||
| 62 | 1610910074 | 3.04 | 3.62 | |
| Nicht mehr lieferbar, kein Ersatz | ||||
| 63 | 1610910064 | |||
| Nadelkranz | ||||
| 64 | 1610913010 | 3.71 | 4.41 | |
| Gleitlager | ||||
| 65 | 1610591016 | 2.52 | 3.00 | |
| Rillenkugellager | ||||
| 67 | 1610905016 | 8.48 | 10.09 | |
| Wellendichtring | ||||
| 70 | 1610283019 | 6.53 | 7.77 | |
| Abstreifer | ||||
| 71 | 1610290029 | 3.04 | 3.62 | |
| O-Ring 24,0x2,5 MM | ||||
| 72 | 1610210068 | 1.32 | 1.57 | |
| O-Ring | ||||
| 73 | 1610210187 | 1.90 | 2.26 | |
| O-Ring 11,0x3,5 MM | ||||
| 74 | 1610210104 | 2.18 | 2.59 | |
| O-Ring 18,0x3,5 MM | ||||
| 75 | 1610210105 | 3.71 | 4.41 | |
| O-Ring 10,5x2,7 MM | ||||
| 76 | 1610210046 | 1.90 | 2.26 | |
| O-Ring 60,0x3,0 MM | ||||
| 77 | 1610210106 | 2.18 | 2.59 | |
| Druckfeder | ||||
| 80 | 1614634005 | 1.32 | 1.57 | |
| Druckfeder | ||||
| 81 | 1614611009 | 1.32 | 1.57 | |
| Druckfeder | ||||
| 83 | 1614611006 | 3.04 | 3.62 | |
| Sprengring | ||||
| 85 | 1614601011 | 1.32 | 1.57 | |
| Sprengring | ||||
| 86 | 1614601024 | 1.32 | 1.57 | |
| Sprengring | ||||
| 87 | 160460102S | 1.00 | 1.19 | |
| ROLLE | ||||
| 88 | 1613200007 | 1.32 | 1.57 | |
| Kugel DIN 5401-Ø7MM-III-ST | ||||
| 89 | 1903230013 | 1.90 | 2.26 | |
| Blechschraube 4,8x78 MM, TORX T-20 | ||||
| 90 | 1603435036 | 1.32 | 1.57 | |
| Blechschraube ST3,9x32 SILBER | ||||
| 91 | 1603435051 | 1.70 | 2.02 | |
| Blechschraube ST3,9x19-TORX,T20 | ||||
| 92 | 1603435050 | 1.32 | 1.57 | |
| Blechschraube DIN 7971-ST2,9x9,5-F | ||||
| 93 | 2910211005 | 1.00 | 1.19 | |
| Kreuzschlitzschraube DIN 7981-ST3,5x9,5-F | ||||
| 94 | 2603435015 | 1.90 | 2.26 | |
| Zylinderschraube M3x6,5-4.8 | ||||
| 95 | 2603410001 | 1.32 | 1.57 | |
| Blechschraube DIN7981-ST3,9x13-C-Z | ||||
| 96 | 2912401018 | 1.00 | 1.19 | |
| Entstörfilter L=148 Mm Schwarz | ||||
| 100 | 2604465086 | 5.27 | 6.27 | |
| Entstörfilter L=126 MM WEISS | ||||
| 101 | 2604465097 | 5.27 | 6.27 | |
| Elektr Leitung L=130 Mm Weiss | ||||
| 102 | 2604448005 | 1.32 | 1.57 | |
| Verbindungsleitung L=55 MM WEISS | ||||
| 103 | 1614448017 | 1.90 | 2.26 | |
| Verbindungsleitung L=90 MM WEISS | ||||
| 104 | 1614431023 | 1.70 | 2.02 | |
| Nicht mehr lieferbar, kein Ersatz | ||||
| 105 | 1614449010 | |||
| Zusatzhandgriff M8 | ||||
| 120 | 1612025019 | 5.96 | 7.09 | |
| Klemmhalter Ø43 MM | ||||
| 121 | 1618040048 | 7.32 | 8.71 | |
| Hammerschraube M8x40 MM | ||||
| 122 | 1613490002 | 3.71 | 4.41 | |
| Spannband Ø43 MM | ||||
| 123 | 1611316006 | 2.18 | 2.59 | |
| Bohrfutterschaft 1/2 SDS-PLUS | ||||
| 700 | 1617000154 | 30.08 | 35.80 | |
| Senkschraube M6x27 LINKSGEWINDE | ||||
| 700/20 | 2603421226 | 1.32 | 1.57 | |
| Bohrfutter | ||||
| 701 | 1608571088 | 26.62 | 31.68 | |
| Bohrfutterschlüssel SG2 | ||||
| 701/700 | 2607950007 | 5.96 | 7.09 | |
| Nicht mehr lieferbar, kein Ersatz | ||||
| 711 | 1617000133 | |||
| Sprengring | ||||
| 711/10/2 | 2604601004 | 1.32 | 1.57 | |
| Zusatzhandgriff Ø43 MM | ||||
| 720 | 2602025070 | 12.21 | 14.53 | |
| Tiefenanschlag SW 6x210 MM | ||||
| 724 | 1613001009 | 3.04 | 3.62 | |
| Keine Informationen verfügbar, nicht bestellbar | ||||
| 750 | 2605438294 | |||
| Keine Informationen verfügbar, nicht bestellbar | ||||
| 755 | 1618580000 | |||
| Motorgehäuse BLAU | ||||
| 801 | 1615108062 | 26.62 | 31.68 | |
| Anker Mit Lüfter 220-230V | ||||
| 803 | 1614010227 | 67.98 | 80.90 | |
| Netzanschlussleitung EU 4,15m 2 x 1,0mm H07 RN-F | ||||
| 805 | 1614460026 | 15.61 | 18.58 | |
| Nicht mehr lieferbar, kein Ersatz | ||||
| 811 | 1607014117 | |||
| Getriebegehäuse SCHWARZ | ||||
| 819 | 1615806093 | 50.23 | 59.77 | |
| Zwischenflansch | ||||
| 820 | 1617000981 | 26.62 | 31.68 | |
| Rasthülse SDS-PLUS | ||||
| 821 | 1616490061 | 61.93 | 73.70 | |
| Rasthülse SDS-PLUS | ||||
| 821/01 | 1616490060 | 82.63 | 98.33 | |
| Zahnhülse Z=26/6 | ||||
| 823 | 1616328042 | 36.85 | 43.85 | |
| Zahnwelle Z=3/9 | ||||
| 824 | 1617000518 | 36.85 | 43.85 | |
| Zahnwelle Z=3/9 | ||||
| 826 | 1617000517 | 73.72 | 87.73 | |
| Antriebslager | ||||
| 830 | 1615819018 | 55.25 | 65.75 | |
| Knebelgriff SCHWARZ | ||||
| 832 | 1612026037 | 8.48 | 10.09 | |
| Schutzhülse SDS-PLUS | ||||
| 833 | 1617000163 | 6.53 | 7.77 | |
| Führungsring | ||||
| 847 | 1617000348 | 12.21 | 14.53 | |
| Typschild | ||||
| 888 | 160111A3H5 | 2.18 | 2.59 | |