Hier finden Sie alle verfügbaren Teile und Zeichnungen der 'Bosch 3611B4A007 ( GBH3000 )'. Von hier aus können Sie alle gewünschten Teile direkt bestellen. Viele Teile müssen je nach Marke beim Hersteller bestellt werden, dies dauert ein bis vier Wochen. Alle Informationen, die wir haben, befinden sich auf unserer Website. Wir können Sie nicht beraten, was Sie benötigen. Dazu müssen Sie die Maschine zur Reparatur zurücksenden. Bitte beachten Sie bei der Bestellung Folgendes:
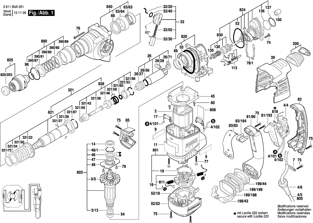
Zeichnungen der Bosch 3611B4A007 ( GBH3000 )
Teileliste der Bosch 3611B4A007 ( GBH3000 )
| Pos. | Beschreibung | Preis ohne MwSt | Preis inkl. MwSt | |
| Die angegebenen Preise enthalten die Mehrwertsteuer | ||||
| Polschuh 230V | ||||
| 2 | 1614220117 | 13.90 | 16.54 | |
| Rillenkugellager 7x19x6 | ||||
| 3/13 | 1610905032 | 4.58 | 5.45 | |
| Lüfter | ||||
| 3/5 | 1616610104 | 7.32 | 8.71 | |
| Verbindungsleitung | ||||
| 4/101 | 1614490015 | 2.52 | 3.00 | |
| Verbindungsleitung | ||||
| 4/102 | 1614490016 | 2.52 | 3.00 | |
| Schalter | ||||
| 4/4 | 1617200127 | 26.62 | 31.68 | |
| Netzanschlussleitung EU 4,15m 2 x 1,0mm H07 RN-F | ||||
| 4/5 | 1607000392 | 17.60 | 20.94 | |
| Tülle Ø7,3-Ø8,6x66 MM | ||||
| 4/6 | 1600703034 | 2.18 | 2.59 | |
| Befestigungsschelle | ||||
| 7 | 1601302017 | 1.00 | 1.19 | |
| Firmenschild | ||||
| 9 | 161111C01J | 2.18 | 2.59 | |
| Hinweisschild | ||||
| 11 | 1611110Z43 | 2.18 | 2.59 | |
| Rillenkugellager | ||||
| 14 | 1610905044 | 7.32 | 8.71 | |
| Bürstenplatte | ||||
| 16 | 1614336064 | 17.60 | 20.94 | |
| Entstörfilter | ||||
| 17 | 1614465011 | 5.96 | 7.09 | |
| Schaltkontakt | ||||
| 19 | 1611329024 | 1.32 | 1.57 | |
| Hammerkolben | ||||
| 26 | 16170006A5 | 37.50 | 44.62 | |
| Schläger | ||||
| 26/27 | 1610311019 | 17.60 | 20.94 | |
| Kolbenbolzen | ||||
| 26/29 | 1600A01TD0 | 3.71 | 4.41 | |
| O-Ring 17,0x3,0 MM GRUEN | ||||
| 26/56 | 1610210121 | 2.18 | 2.59 | |
| Führungsscheibe | ||||
| 26/71 | 1610100016 | 1.32 | 1.57 | |
| Knebelgriff SCHWARZ | ||||
| 32 | 1612026151 | 12.21 | 14.53 | |
| Mitnehmerstift | ||||
| 32/20 | 1614690009 | 3.04 | 3.62 | |
| Schalterknopf ROT | ||||
| 32/30 | 1612026035 | 1.32 | 1.57 | |
| O-Ring 10,5x2,7 MM | ||||
| 32/40 | 1610210046 | 1.90 | 2.26 | |
| Druckfeder | ||||
| 32/50 | 1614611006 | 3.04 | 3.62 | |
| Getriebedeckel BLAU | ||||
| 39 | 1615808102 | 11.02 | 13.11 | |
| Luftleitring | ||||
| 45 | 1610591046 | 1.32 | 1.57 | |
| Radial-Wellendichtring | ||||
| 47 | 1610283047 | 10.68 | 12.71 | |
| Lagerring | ||||
| 48 | 1610290102 | 5.96 | 7.09 | |
| O-Ring 24,0x2,0 MM | ||||
| 48/1 | 1610210208 | 1.32 | 1.57 | |
| Lagerschild | ||||
| 49 | 1615700044 | 1.90 | 2.26 | |
| Schaltring | ||||
| 52/18 | 1610290098 | 3.71 | 4.41 | |
| Abdeckkappe SCHWARZ | ||||
| 52/52 | 1615108154 | 8.48 | 10.09 | |
| O-Ring | ||||
| 53 | 1610210245 | 2.52 | 3.00 | |
| Zwischenring | ||||
| 54 | 1600502023 | 1.90 | 2.26 | |
| Dichtring 63,0x5,0 MM | ||||
| 55 | 1610210206 | 5.27 | 6.27 | |
| Nadelhülse Ø30xØ37x12 MM | ||||
| 63/63 | 1610910063 | 5.27 | 6.27 | |
| Buchse | ||||
| 63/64 | 1610390069 | 1.90 | 2.26 | |
| Gleitlager | ||||
| 66 | 1610202021 | 2.18 | 2.59 | |
| Radial-Wellendichtring | ||||
| 68 | 1610283036 | 6.53 | 7.77 | |
| Torx-Linsenschraube | ||||
| 74 | 160343000V | 1.00 | 1.19 | |
| Torx-Linsenschraube 4x20 | ||||
| 75 | 2603490023 | 1.00 | 1.19 | |
| Torx-Linsenschraube 4x40 | ||||
| 76 | 2603490027 | 1.00 | 1.19 | |
| Gewindefurchschraube M4x30 DIN7500-1 T-20 | ||||
| 77 | 1613490017 | 2.18 | 2.59 | |
| Ausgleichscheibe 0,3 MM | ||||
| 78/1 | 1600A003TA | 1.00 | 1.19 | |
| Ausgleichscheibe 0,15 MM | ||||
| 78/1 | 1600A004FU | 1.00 | 1.19 | |
| Ausgleichscheibe 0,45 MM | ||||
| 78/1 | 1600A004FV | 1.00 | 1.19 | |
| Gewindefurchschraube | ||||
| 79 | 1613435023 | 1.00 | 1.19 | |
| Linsenkopfschraube | ||||
| 80 | 1613435038 | 1.00 | 1.19 | |
| Schaltklinke ROT | ||||
| 81/193 | 1612026126 | 2.18 | 2.59 | |
| Handgriff BLAU | ||||
| 81/80 | 1615133033 | 9.47 | 11.27 | |
| Griffschale SCHWARZ | ||||
| 82 | 16170006AE | 10.68 | 12.71 | |
| Schraubplatte SCHWARZ | ||||
| 83/194 | 1610099013 | 1.90 | 2.26 | |
| Blattfeder | ||||
| 83/83 | 1614690008 | 4.58 | 5.45 | |
| Deckel | ||||
| 85 | 1615500404 | 2.52 | 3.00 | |
| Sprengring | ||||
| 96 | 1614601046 | 1.32 | 1.57 | |
| Dämpfungsgummi | ||||
| 100 | 1610026003 | 1.32 | 1.57 | |
| Schaltgruppe | ||||
| 113 | 1616325002 | 10.68 | 12.71 | |
| Zusatzhandgriff | ||||
| 120 | 160202508Y | 20.39 | 24.26 | |
| Zusatzhandgriff | ||||
| 120/120 | 160202507H | 9.47 | 11.27 | |
| Spannband Ø50 MM | ||||
| 120/124 | 1611316021 | 2.52 | 3.00 | |
| Hammerschraube M8x80 MM | ||||
| 120/125 | 1613490001 | 7.32 | 8.71 | |
| Klemmhalter | ||||
| 120/802 | 1617000685 | 4.58 | 5.45 | |
| Zahnhülse | ||||
| 130 | 1616333049 | 15.61 | 18.58 | |
| Sprengring | ||||
| 135 | 1614601067 | 1.32 | 1.57 | |
| Filzscheibe | ||||
| 136 | 1610205017 | 1.00 | 1.19 | |
| Sicherungsring 30x1,2MM, DIN 472 | ||||
| 137 | 2916660012 | 1.32 | 1.57 | |
| Spannelement | ||||
| 199/188 | 1610209008 | 3.04 | 3.62 | |
| Faltenbalg | ||||
| 199/199 | 1610284002 | 5.27 | 6.27 | |
| Kipphebel | ||||
| 199/43 | 1612099002 | 2.18 | 2.59 | |
| Kipphebelfuss SCHWARZ | ||||
| 199/44 | 1614611025 | 2.52 | 3.00 | |
| Faltenbalg | ||||
| 200 | 1610284007 | 5.27 | 6.27 | |
| Werkzeughalter | ||||
| 321 | 16170006BV | 45.52 | 54.17 | |
| Stirnrad | ||||
| 321/22 | 1616312004 | 10.68 | 12.71 | |
| Schlagbolzen | ||||
| 321/28 | 1613124097 | 20.39 | 24.26 | |
| Aufnahmehülse | ||||
| 321/33 | 1610590020 | 5.96 | 7.09 | |
| Stützscheibe | ||||
| 321/34 | 1610190067 | 1.90 | 2.26 | |
| Zylinderstift DIN6325-2,5x12-RIKO | ||||
| 321/37 | 1613100019 | 1.32 | 1.57 | |
| Rastscheibe | ||||
| 321/38 | 1600A008AG | 3.04 | 3.62 | |
| Anlaufring | ||||
| 321/42 | 1610102084 | 7.32 | 8.71 | |
| Führungsbuchse | ||||
| 321/46 | 1610390068 | 13.90 | 16.54 | |
| Druckfeder | ||||
| 321/50 | 1614615008 | 5.27 | 6.27 | |
| O-Ring 18,0x3,5 MM | ||||
| 321/58 | 1610210105 | 3.71 | 4.41 | |
| Wellendichtring | ||||
| 321/59 | 1600A009VC | 2.52 | 3.00 | |
| O-Ring 9,5x3,5 MM | ||||
| 321/60 | 1610210209 | 1.32 | 1.57 | |
| Sprengring | ||||
| 321/72 | 1604601027 | 1.00 | 1.19 | |
| Sprengring | ||||
| 321/86 | 1614601034 | 1.90 | 2.26 | |
| Sprengring A22 DIN 7993 | ||||
| 321/87 | 1604601028 | 1.00 | 1.19 | |
| Griffhülse | ||||
| 390/89 | 1600A00NC8 | 2.18 | 2.59 | |
| Bundhülse | ||||
| 390/90 | 1610590016 | 3.71 | 4.41 | |
| Stützring | ||||
| 390/91 | 1610200033 | 2.52 | 3.00 | |
| Druckfeder | ||||
| 390/95 | 1614643016 | 1.90 | 2.26 | |
| Sprengring | ||||
| 390/97 | 1614601047 | 1.32 | 1.57 | |
| Fettube 30 ML | ||||
| 661 | 1615430010 | 5.96 | 7.09 | |
| Tiefenanschlag SW 6x210 MM | ||||
| 688 | 1613001009 | 3.04 | 3.62 | |
| Motorgehäuse BLAU | ||||
| 801 | 1617000689 | 50.23 | 59.77 | |
| Nicht mehr lieferbar, kein Ersatz | ||||
| 803 | 1617000690 | |||
| Typschild | ||||
| 808 | 160111A3H5 | 2.18 | 2.59 | |
| Kohlebürstensatz 10 x 1 617 000 525 | ||||
| 811 | 1607000485 | 82.63 | 98.33 | |
| Kohlebürstensatz 220 V / 127 V | ||||
| 811 | 1617000525 | 9.47 | 11.27 | |
| Zylinderschraube M3x6,5-4.8 | ||||
| 818 | 2603410001 | 1.32 | 1.57 | |
| Zwischenflansch | ||||
| 820 | 1617000A5J | 30.08 | 35.80 | |
| Werkzeugaufnahme | ||||
| 821 | 16170006BU | 67.98 | 80.90 | |
| Zwischenwelle | ||||
| 824 | 1617000A5K | 61.93 | 73.70 | |
| Werkzeugaufnahme | ||||
| 825 | 1617000895 | 41.30 | 49.15 | |
| Schutzkappe | ||||
| 825/203 | 1610508047 | 1.90 | 2.26 | |
| Schlagbolzen | ||||
| 828 | 16170006A7 | 50.23 | 59.77 | |
| Zahnhülse | ||||
| 830 | 1617000698 | 30.08 | 35.80 | |
| Schlagwerkgehäuse SCHWARZ | ||||
| 840 | 1617000699 | 26.62 | 31.68 | |
| Griffhülse | ||||
| 890 | 1617000V41 | 9.47 | 11.27 | |
| Nicht mehr lieferbar, kein Ersatz | ||||
| 895 | 1615438426 | |||