Hier finden Sie alle verfügbaren Teile und Zeichnungen der 'Bosch 0601139561 ( GBM350RE )'. Von hier aus können Sie alle gewünschten Teile direkt bestellen. Viele Teile müssen je nach Marke beim Hersteller bestellt werden, dies dauert ein bis vier Wochen. Alle Informationen, die wir haben, befinden sich auf unserer Website. Wir können Sie nicht beraten, was Sie benötigen. Dazu müssen Sie die Maschine zur Reparatur zurücksenden. Bitte beachten Sie bei der Bestellung Folgendes:
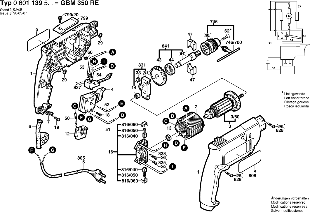
Zeichnungen der Bosch 0601139561 ( GBM350RE )
Teileliste der Bosch 0601139561 ( GBM350RE )
| Pos. | Beschreibung | Preis ohne MwSt | Preis inkl. MwSt | |
| Die angegebenen Preise enthalten die Mehrwertsteuer | ||||
| Gehäuseschale BLAU | ||||
| 1 | 2605104316 | 15.71 | 18.69 | |
| Polschuh 230-240V | ||||
| 2 | 2604220522 | 13.93 | 16.58 | |
| Anker 230-240V | ||||
| 3 | 2604011039 | 26.84 | 31.94 | |
| VENTIL | ||||
| 3/60 | 1619P11262 | 2.52 | 3.00 | |
| Nicht mehr lieferbar, kein Ersatz | ||||
| 4 | 2607200357 | |||
| Netzanschlussleitung EU 2,65m 2 x 1,0mm H05 RN-F | ||||
| 5 | 1607000388 | 10.68 | 12.71 | |
| Tülle Ø6,9 MM | ||||
| 6 | 2600707059 | 3.04 | 3.62 | |
| Tülle Ø8,8 MM | ||||
| 6 | 2600707061 | 2.52 | 3.00 | |
| Leitungshalter | ||||
| 7 | 2601035001 | 1.32 | 1.57 | |
| Firmenschild SONNENSEITE | ||||
| 9 | 2601118408 | 1.18 | 1.40 | |
| Nicht mehr lieferbar, kein Ersatz | ||||
| 12 | 2607329114 | |||
| Rillenkugellager 8x19x6 | ||||
| 13 | 2600905046 | 9.47 | 11.27 | |
| Nadellager Ø8x8 MM | ||||
| 14 | 2600917003 | 2.52 | 3.00 | |
| Nicht mehr lieferbar, kein Ersatz | ||||
| 16 | 2609992606 | |||
| Zylinderschraube M3x6,5-4.8 | ||||
| 18 | 2603410001 | 1.32 | 1.57 | |
| Blechschraube DIN 7981-ST3,9x16-C-H | ||||
| 19 | 2910611019 | 2.52 | 3.00 | |
| Nicht mehr lieferbar, kein Ersatz | ||||
| 29 | 2600210036 | |||
| Verschlussdeckel | ||||
| 33 | 2605500111 | 1.18 | 1.40 | |
| Stirnrad Z=69 | ||||
| 43 | 2606316140 | 6.54 | 7.78 | |
| Rillenkugellager 6200-2Z DIN 625 | ||||
| 44 | 1900905232 | 20.39 | 24.26 | |
| Filzplatte | ||||
| 47 | 2600005005 | 1.18 | 1.40 | |
| Nicht mehr lieferbar, kein Ersatz | ||||
| 50 | 2604448170 | |||
| Nicht mehr lieferbar, kein Ersatz | ||||
| 51 | 2604448060 | |||
| Nicht mehr lieferbar, kein Ersatz | ||||
| 52 | 2604448045 | |||
| Verbindungsleitung L=103 MM BLAU | ||||
| 53 | 2604448132 | 1.00 | 1.19 | |
| Verbindungsleitung L=88 MM WEISS | ||||
| 54 | 2604448034 | 1.32 | 1.57 | |
| Vierkantmutter DIN 562-M4-04 | ||||
| 60 | 2915121004 | 0.83 | 0.99 | |
| Senkschraube M6x20 MM LINKSGEWINDE | ||||
| 62 | 2603421211 | 1.70 | 2.02 | |
| Keine Informationen verfügbar, nicht bestellbar | ||||
| 746 | 1608571061 | |||
| Bohrfutterschlüssel SG2 | ||||
| 746/700 | 2607950007 | 5.96 | 7.09 | |
| Kanalabschluss SCHWARZ | ||||
| 799 | 2608040050 | 0.83 | 0.99 | |
| Flachkopfschraube DIN 85-M4x10-4.8 | ||||
| 799/20 | 2910091120 | 1.00 | 1.19 | |
| Typschild | ||||
| 808 | 160111A3H3 | 2.18 | 2.59 | |
| Nicht mehr lieferbar, kein Ersatz | ||||
| 816/040 | 2604321915 | |||
| Druckfeder | ||||
| 816/050 | 2604610026 | 2.18 | 2.59 | |
| Rastkappe | ||||
| 816/060 | 2601322017 | 1.32 | 1.57 | |
| Blechschraube DIN 7981-B2,9x16-C-H | ||||
| 825 | 2910611007 | 1.00 | 1.19 | |
| Umschalter | ||||
| 827 | 2607200231 | 13.90 | 16.54 | |
| Blechschraube DIN 7981-ST3,9x19-C-H | ||||
| 828 | 2910611020 | 1.32 | 1.57 | |
| Lagerbrücke | ||||
| 831 | 2605807927 | 8.45 | 10.06 | |
| Bohrspindel 1/2" | ||||
| 841 | 2606135921 | 20.42 | 24.30 | |