Hier finden Sie alle verfügbaren Teile und Zeichnungen der 'Bosch 0601276903 ( GBS100A )'. Von hier aus können Sie alle gewünschten Teile direkt bestellen. Viele Teile müssen je nach Marke beim Hersteller bestellt werden, dies dauert ein bis vier Wochen. Alle Informationen, die wir haben, befinden sich auf unserer Website. Wir können Sie nicht beraten, was Sie benötigen. Dazu müssen Sie die Maschine zur Reparatur zurücksenden. Bitte beachten Sie bei der Bestellung Folgendes:
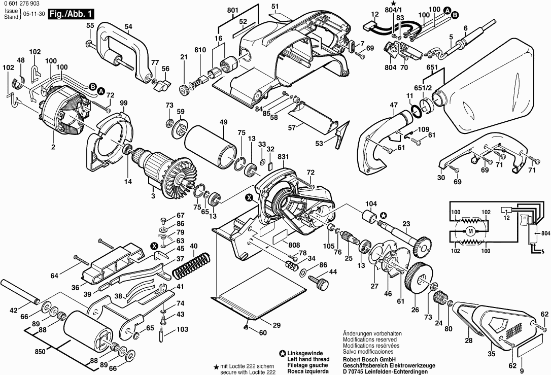
Zeichnungen der Bosch 0601276903 ( GBS100A )
Teileliste der Bosch 0601276903 ( GBS100A )
| Pos. | Beschreibung | Preis ohne MwSt | Preis inkl. MwSt | |
| Die angegebenen Preise enthalten die Mehrwertsteuer | ||||
| Polschuh 230-240V | ||||
| 2 | 2610908605 | 55.25 | 65.75 | |
| Nicht mehr lieferbar, kein Ersatz | ||||
| 3 | 2610908607 | |||
| Nicht mehr lieferbar, kein Ersatz | ||||
| 5 | 3604460526 | |||
| Tülle Ø 9,4 MM | ||||
| 6 | 3600707503 | 3.04 | 3.62 | |
| Leitungshalter | ||||
| 7 | 2601035001 | 1.32 | 1.57 | |
| Nicht mehr lieferbar, kein Ersatz | ||||
| 9 | 2610923793 | |||
| Nicht mehr lieferbar, kein Ersatz | ||||
| 11 | 2610992403 | |||
| Nicht mehr lieferbar, kein Ersatz | ||||
| 12 | 3607328501 | |||
| Rillenkugellager 12x28x8 | ||||
| 13 | 1900905161 | 20.39 | 24.26 | |
| Kugellager | ||||
| 14 | 1619P01511 | 5.96 | 7.09 | |
| Bürstenhalter | ||||
| 16 | 2610994411 | 1.70 | 2.02 | |
| Nicht mehr lieferbar, kein Ersatz | ||||
| 21 | 2610994437 | |||
| Welle Mit Zahnrad | ||||
| 23 | 2610908618 | 30.08 | 35.80 | |
| Ritzel | ||||
| 24 | 2610993575 | 15.61 | 18.58 | |
| Ritzel | ||||
| 25 | 2610908621 | 20.39 | 24.26 | |
| Umsetzgetriebe | ||||
| 26 | 2610994443 | 33.33 | 39.66 | |
| Einlage 0,8 MM | ||||
| 27 | 3601015503 | 2.24 | 2.67 | |
| Nicht mehr lieferbar, kein Ersatz | ||||
| 28 | 3604736505 | |||
| Schleifunterlage | ||||
| 29 | 2610908625 | 22.88 | 27.23 | |
| Griffschale BLAU | ||||
| 30 | 2610994470 | 7.58 | 9.02 | |
| Keramikplatte | ||||
| 32 | 2610908628 | 2.52 | 3.00 | |
| Sicherungsscheibe | ||||
| 33 | 1600146001 | 1.32 | 1.57 | |
| Druckfeder | ||||
| 34 | 2610990029 | 2.18 | 2.59 | |
| Getriebedeckel BLAU | ||||
| 35 | 2610990025 | 8.48 | 10.09 | |
| Schutzblech | ||||
| 36 | 3605510525 | 11.02 | 13.11 | |
| Hebel | ||||
| 37 | 3601923502 | 13.90 | 16.54 | |
| Nicht mehr lieferbar, kein Ersatz | ||||
| 38 | 2610908629 | |||
| Schutzkappe | ||||
| 39 | 2610908630 | 2.18 | 2.59 | |
| Nicht mehr lieferbar, kein Ersatz | ||||
| 40 | 3604619500 | |||
| Tragrahmen | ||||
| 41 | 2610908632 | 20.42 | 24.30 | |
| Verstellwelle | ||||
| 42 | 2610908634 | 10.68 | 12.71 | |
| Sechskantschraube 5x0,8 MM | ||||
| 43 | 3603453500 | 3.04 | 3.62 | |
| Einstellschraube | ||||
| 44 | 2610908637 | 4.58 | 5.45 | |
| Keine Informationen verfügbar, nicht bestellbar | ||||
| 45 | 2610908638 | |||
| Getriebedeckel | ||||
| 46 | 2610993630 | 22.88 | 27.23 | |
| Lüfterdeckel BLAU | ||||
| 47 | 3605500579 | 5.96 | 7.09 | |
| Ring 22 MM DICK | ||||
| 48 | 2610911048 | 2.18 | 2.59 | |
| Riemenscheibe | ||||
| 49 | 2610908642 | 33.33 | 39.66 | |
| Warnzettel | ||||
| 51 | 1619P06526 | 2.18 | 2.59 | |
| Hinweisschild | ||||
| 52 | 2610911699 | 2.71 | 3.22 | |
| Staubkappe | ||||
| 53 | 2610908651 | 2.52 | 3.00 | |
| Zusatzhandgriff | ||||
| 54 | 2610908652 | 10.73 | 12.77 | |
| Flachrundschraube | ||||
| 55 | 2610908653 | 2.18 | 2.59 | |
| Sechskantmutter | ||||
| 56 | 2610387875 | 2.18 | 2.59 | |
| Eingriffklappe | ||||
| 57 | 2610908655 | 8.45 | 10.06 | |
| Justiergerät | ||||
| 58 | 2610908656 | 2.18 | 2.59 | |
| Abdeckscheibe | ||||
| 59 | 2610908657 | 1.94 | 2.31 | |
| Zylinderschraube DIN 7985 3,50x4,00-4.8 | ||||
| 60 | 2610911095 | 2.18 | 2.59 | |
| Schraube 4x13 MM | ||||
| 61 | 3603415540 | 2.18 | 2.59 | |
| Schraube 4x25 MM | ||||
| 62 | 3603429514 | 1.32 | 1.57 | |
| Unterlegscheibe DIN 125-A4,3-ST | ||||
| 63 | 2916011010 | 1.00 | 1.19 | |
| Schraube 4x35 MM | ||||
| 64 | 3603429513 | 1.32 | 1.57 | |
| Sicherungsring DIN 471-12x1-FSt | ||||
| 65 | 2916650003 | 1.32 | 1.57 | |
| Vorlegscheibe 12,5x26,0x1,52MM | ||||
| 66 | 2610908658 | 2.18 | 2.59 | |
| Federkapsel M 5x0,8 MM | ||||
| 67 | 3603315500 | 2.18 | 2.59 | |
| Nicht mehr lieferbar, kein Ersatz | ||||
| 69 | 2610910566 | |||
| Nicht mehr lieferbar, kein Ersatz | ||||
| 70 | 2910611424 | |||
| Nicht mehr lieferbar, kein Ersatz | ||||
| 71 | 2910611028 | |||
| Blechschraube | ||||
| 72 | 2610996051 | 1.70 | 2.02 | |
| Sechskantmutter | ||||
| 73 | 2610990040 | 2.18 | 2.59 | |
| Federscheibe | ||||
| 74 | 3600150505 | 2.18 | 2.59 | |
| Haltering | ||||
| 75 | 2610908661 | 2.18 | 2.59 | |
| Ausgleichscheibe | ||||
| 76 | 3600100504 | 2.18 | 2.59 | |
| Unterlegscheibe DIN 125-A 6,4-ST | ||||
| 77 | 2916011014 | 1.00 | 1.19 | |
| Nicht mehr lieferbar, kein Ersatz | ||||
| 78 | 2910611013 | |||
| Druckfeder | ||||
| 79 | 2610990039 | 4.58 | 5.45 | |
| Sechskantmutter M8x1,25 MM | ||||
| 80 | 2610908663 | 2.18 | 2.59 | |
| Sicherungsscheibe DIN 433-5,3-ST | ||||
| 83 | 3600151505 | 1.94 | 2.31 | |
| Linsenschraube | ||||
| 84 | 2910641082 | 1.00 | 1.19 | |
| Scheibe | ||||
| 85 | 2610991341 | 1.32 | 1.57 | |
| Ausgleichscheibe | ||||
| 86 | 2610992475 | 1.32 | 1.57 | |
| Nadelhülse Ø12xØ16x10 MM | ||||
| 88 | 3600910504 | 4.70 | 5.59 | |
| Radial-Wellendichtring | ||||
| 89 | 1600290016 | 2.18 | 2.59 | |
| Prallschutz BLAU | ||||
| 99 | 2610908665 | 5.96 | 7.09 | |
| Bleidraht | ||||
| 100 | 2610908666 | 4.10 | 4.88 | |
| Bleidraht | ||||
| 102 | 2610908668 | 4.58 | 5.45 | |
| Schwenkachse | ||||
| 103 | 3603405509 | 2.18 | 2.59 | |
| Nicht mehr lieferbar, kein Ersatz | ||||
| 104 | 3600301501 | |||
| Lagerbuchse Ø 7,8 MM | ||||
| 105 | 3600301502 | 2.52 | 3.00 | |
| Leitungsführung | ||||
| 109 | 3604680500 | 2.18 | 2.59 | |
| Staubbeutel | ||||
| 651 | 2610997000 | 36.85 | 43.85 | |
| Nicht mehr lieferbar, kein Ersatz | ||||
| 651/2 | 3601253503 | |||
| Motorgehäuse BLAU | ||||
| 801 | 2610991330 | 67.25 | 80.03 | |
| Nicht mehr lieferbar, kein Ersatz | ||||
| 804 | 3607200507 | |||
| Zylinderschraube | ||||
| 804/1 | 3603433506 | 1.94 | 2.31 | |
| Typschild | ||||
| 808 | 1619P02727 | 2.71 | 3.22 | |
| Typschild | ||||
| 808 | 1619P02728 | 1.94 | 2.31 | |
| Nicht mehr lieferbar, kein Ersatz | ||||
| 810 | 2610908678 | |||
| Gerätegehäuse | ||||
| 831 | 2610907550 | 209.26 | 249.02 | |
| Spannrolle | ||||
| 850 | 2610908644 | 41.30 | 49.15 | |