Hier finden Sie alle verfügbaren Teile und Zeichnungen der 'Bosch 0601552003 ( GDC42W )'. Von hier aus können Sie alle gewünschten Teile direkt bestellen. Viele Teile müssen je nach Marke beim Hersteller bestellt werden, dies dauert ein bis vier Wochen. Alle Informationen, die wir haben, befinden sich auf unserer Website. Wir können Sie nicht beraten, was Sie benötigen. Dazu müssen Sie die Maschine zur Reparatur zurücksenden. Bitte beachten Sie bei der Bestellung Folgendes:
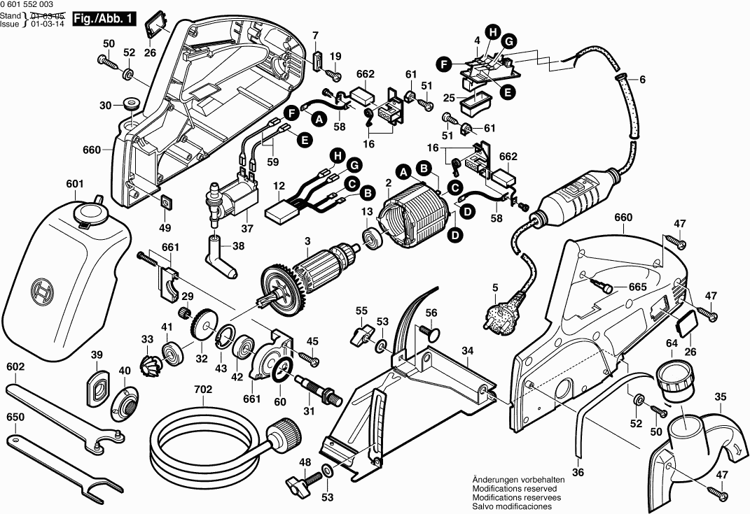
Zeichnungen der Bosch 0601552003 ( GDC42W )
Teileliste der Bosch 0601552003 ( GDC42W )
| Pos. | Beschreibung | Preis ohne MwSt | Preis inkl. MwSt | |
| Die angegebenen Preise enthalten die Mehrwertsteuer | ||||
| Polschuh 220-240V | ||||
| 2 | 3604220092 | 33.33 | 39.66 | |
| Anker 220-240V | ||||
| 3 | F000605000 | 81.47 | 96.95 | |
| Ein/Aus-Schalter | ||||
| 4 | F000600562 | 20.42 | 24.30 | |
| Netzanschlussleitung | ||||
| 5 | F000608001 | 113.29 | 134.82 | |
| Tülle Ø8,3-Ø9,4x95 MM | ||||
| 6 | 2600703011 | 2.52 | 3.00 | |
| Leitungshalter | ||||
| 7 | 2601035001 | 1.32 | 1.57 | |
| Nicht mehr lieferbar, kein Ersatz | ||||
| 12 | F000608007 | |||
| Rillenkugellager | ||||
| 13 | 9618089547 | 10.68 | 12.71 | |
| Bürstenhalter | ||||
| 16 | F000600307 | 1.70 | 2.02 | |
| Schraube 4x16 MM | ||||
| 19 | 9618087099 | 1.32 | 1.57 | |
| Keine Informationen verfügbar, nicht bestellbar | ||||
| 25 | 9618089343 | |||
| Bürstendeckel | ||||
| 26 | 9618089345 | 1.94 | 2.31 | |
| Nadelhülse Ø8xØ12x8 MM | ||||
| 29 | 1600910018 | 4.58 | 5.45 | |
| Dichtscheibe | ||||
| 30 | 9618089846 | 1.70 | 2.02 | |
| Bohrspindel | ||||
| 31 | 9618089346 | 12.41 | 14.77 | |
| Tellerrad | ||||
| 32 | F000617000 | 36.85 | 43.85 | |
| Kegelrad | ||||
| 33 | F000618000 | 18.19 | 21.65 | |
| Grundplatte | ||||
| 34 | F000600283 | 13.93 | 16.58 | |
| Schutzhaube | ||||
| 35 | F000600284 | 5.33 | 6.34 | |
| Keine Informationen verfügbar, nicht bestellbar | ||||
| 36 | 9618089352 | |||
| Teilesatz | ||||
| 37 | 9618089848 | 10.73 | 12.77 | |
| Zwischenstecker | ||||
| 38 | 9618089849 | 1.94 | 2.31 | |
| Stützscheibe | ||||
| 39 | F000613003 | 5.33 | 6.34 | |
| Rundmutter | ||||
| 40 | F000616000 | 7.32 | 8.71 | |
| Rillenkugellager | ||||
| 41 | 9618089544 | 9.53 | 11.34 | |
| Rillenkugellager 12x32x10 | ||||
| 42 | 1600905006 | 10.68 | 12.71 | |
| Sicherungsbügel DIN 472-32x1,2 MM | ||||
| 43 | 2916660013 | 1.90 | 2.26 | |
| Keine Informationen verfügbar, nicht bestellbar | ||||
| 45 | 9618087101 | |||
| Schraube 4x16 MM | ||||
| 47 | 9618087099 | 1.32 | 1.57 | |
| Flügelschraube | ||||
| 48 | F000600559 | 1.94 | 2.31 | |
| Vierkantmutter | ||||
| 49 | 2915120006 | 1.18 | 1.40 | |
| Gewindefurchschraube | ||||
| 50 | 9618089885 | 1.00 | 1.19 | |
| Teilesatz | ||||
| 51 | F000600540 | 1.18 | 1.40 | |
| Keine Informationen verfügbar, nicht bestellbar | ||||
| 52 | 9618089353 | |||
| Unterlegscheibe DIN 433-6,4-ST 50 | ||||
| 53 | 2916011013 | 1.00 | 1.19 | |
| Sechskantmutter | ||||
| 55 | 2610387875 | 2.18 | 2.59 | |
| Flachrundschraube M6x16 MM | ||||
| 56 | 1603434003 | 0.83 | 0.99 | |
| Netzanschlussleitung | ||||
| 58 | 9618089858 | 2.24 | 2.67 | |
| Netzanschlussleitung | ||||
| 59 | 9618089859 | 2.24 | 2.67 | |
| O-Ring 30x2 MM | ||||
| 60 | 1900210130 | 3.04 | 3.62 | |
| Kralle | ||||
| 61 | F000600538 | 1.18 | 1.40 | |
| Luftansaugdeckel | ||||
| 64 | F000603000 | 3.31 | 3.94 | |
| Nicht mehr lieferbar, kein Ersatz | ||||
| 601 | 9618089852 | |||
| Zweilochmutterndreher | ||||
| 602 | 1607950052 | 3.04 | 3.62 | |
| Nicht mehr lieferbar, kein Ersatz | ||||
| 650 | 9618089854 | |||
| Nicht mehr lieferbar, kein Ersatz | ||||
| 660 | F000600299 | |||
| Teilesatz | ||||
| 661 | F000600300 | 15.71 | 18.69 | |
| Kohlebürstensatz | ||||
| 662 | 9618086921 | 12.21 | 14.53 | |
| Teilesatz | ||||
| 665 | F000600907 | 23.75 | 28.26 | |
| Teilesatz | ||||
| 702 | 9618089316 | 6.53 | 7.77 | |