Hier finden Sie alle verfügbaren Teile und Zeichnungen der 'Bosch 0601140003 ( GSB16 )'. Von hier aus können Sie alle gewünschten Teile direkt bestellen. Viele Teile müssen je nach Marke beim Hersteller bestellt werden, dies dauert ein bis vier Wochen. Alle Informationen, die wir haben, befinden sich auf unserer Website. Wir können Sie nicht beraten, was Sie benötigen. Dazu müssen Sie die Maschine zur Reparatur zurücksenden. Bitte beachten Sie bei der Bestellung Folgendes:
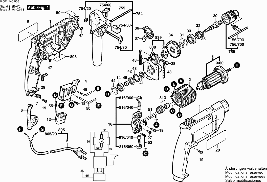
Zeichnungen der Bosch 0601140003 ( GSB16 )
Teileliste der Bosch 0601140003 ( GSB16 )
| Pos. | Beschreibung | Preis ohne MwSt | Preis inkl. MwSt | |
| Die angegebenen Preise enthalten die Mehrwertsteuer | ||||
| Gehäuseschale BLAU | ||||
| 1 | 2605104436 | 30.08 | 35.80 | |
| Polschuh 240V | ||||
| 2 | 2604220430 | 26.62 | 31.68 | |
| Anker 230-240V | ||||
| 3 | 2604011050 | 40.61 | 48.33 | |
| Lüfter | ||||
| 3/60 | 2606610029 | 2.18 | 2.59 | |
| Schalter | ||||
| 4 | 2607200260 | 9.47 | 11.27 | |
| Tülle Ø6,9 MM | ||||
| 6 | 2600707059 | 3.04 | 3.62 | |
| Tülle Ø8,8 MM | ||||
| 6 | 2600707061 | 2.52 | 3.00 | |
| Tülle Ø11,6-Ø12,5x84 MM | ||||
| 6 | 2600707060 | 2.18 | 2.59 | |
| Leitungshalter | ||||
| 7 | 2601035001 | 1.32 | 1.57 | |
| Firmenschild SONNENSEITE | ||||
| 9 | 2601118432 | 1.70 | 2.02 | |
| Nicht mehr lieferbar, kein Ersatz | ||||
| 12 | 2607329114 | |||
| Rillenkugellager 9x24x7 | ||||
| 14 | 2600905039 | 10.68 | 12.71 | |
| Nicht mehr lieferbar, kein Ersatz | ||||
| 16 | 2605807060 | |||
| Zylinderschraube M3x6,5-4.8 | ||||
| 18 | 2603410001 | 1.32 | 1.57 | |
| Schraube 4x16 | ||||
| 19 | 2603490022 | 1.00 | 1.19 | |
| Hinweisschild SCHATTENSEITE | ||||
| 20 | 2601118434 | 1.70 | 2.02 | |
| Torx-Linsenschraube 3x10 | ||||
| 27 | 2603490017 | 1.90 | 2.26 | |
| Zylinderschraube | ||||
| 28 | 2603429005 | 1.32 | 1.57 | |
| Nicht mehr lieferbar, kein Ersatz | ||||
| 29 | 2601022000 | |||
| Bohrspindel 1/2",M6 LINKSGEWINDE | ||||
| 30 | 2606135034 | 10.73 | 12.77 | |
| Sicherungsscheibe 0,3 MM | ||||
| 31 | 2600118006 | 1.70 | 2.02 | |
| Sicherungsscheibe 0,8 MM | ||||
| 31 | 2600118002 | 1.32 | 1.57 | |
| Sicherungsscheibe 0,6 MM | ||||
| 31 | 2600118001 | 1.00 | 1.19 | |
| Druckfeder | ||||
| 32 | 2604617000 | 2.18 | 2.59 | |
| Rillenkugellager 15x32x9 | ||||
| 33 | 1900905122 | 8.48 | 10.09 | |
| Stirnrad Z=42 | ||||
| 34 | 2606320050 | 13.93 | 16.58 | |
| Kugel DIN 5401-5,5MM-III-ST | ||||
| 35 | 1903230010 | 1.00 | 1.19 | |
| Nicht mehr lieferbar, kein Ersatz | ||||
| 36 | 2601990001 | |||
| Druckplatte | ||||
| 37 | 2601074003 | 1.00 | 1.19 | |
| Nicht mehr lieferbar, kein Ersatz | ||||
| 39 | 2606490056 | |||
| Filzring | ||||
| 41 | 2600108014 | 1.18 | 1.40 | |
| Tellerscheibe | ||||
| 42 | 2600500014 | 1.18 | 1.40 | |
| O-Ring 18x3 MM | ||||
| 43 | 1900210117 | 3.04 | 3.62 | |
| Sicherungsring DIN 472-24x1,2 MM | ||||
| 44 | 2916660008 | 1.90 | 2.26 | |
| Steckhülse | ||||
| 45 | 2600400008 | 1.32 | 1.57 | |
| O-Ring 5,0x1,5 MM | ||||
| 47 | 1900210000 | 1.32 | 1.57 | |
| Filzstreifen | ||||
| 48 | 2601005011 | 1.70 | 2.02 | |
| Verbindungskabel L=133 MM WEISS | ||||
| 49 | 2604448136 | 1.32 | 1.57 | |
| Verbindungskabel L=83 MM SCHWARZ | ||||
| 50 | 2604448129 | 1.18 | 1.40 | |
| Nicht mehr lieferbar, kein Ersatz | ||||
| 51 | 2604448123 | |||
| Nicht mehr lieferbar, kein Ersatz | ||||
| 52 | 2604448130 | |||
| Erdleitung | ||||
| 55 | 2604448103 | 0.83 | 0.99 | |
| Nicht mehr lieferbar, kein Ersatz | ||||
| 59 | 2601110580 | |||
| Zusatzhandgriff M10 | ||||
| 754 | 1619PB4323 | 8.48 | 10.09 | |
| Sechskantmutter | ||||
| 754/20 | 2915011007 | 1.00 | 1.19 | |
| Flügelschraube M6x(15)55 | ||||
| 754/30 | 1613480007 | 1.32 | 1.57 | |
| Nicht mehr lieferbar, kein Ersatz | ||||
| 754/50 | 2608040014 | |||
| Flügelschraube M6x20 MM | ||||
| 754/60 | 1613480008 | 1.32 | 1.57 | |
| Nicht mehr lieferbar, kein Ersatz | ||||
| 755 | 1613001005 | |||
| Zahnkranzbohrfutter Ø1,5-13 MM | ||||
| 756 | 1608571080 | 26.62 | 31.68 | |
| Bohrfutterschlüssel SG2 | ||||
| 756/700 | 2607950007 | 5.96 | 7.09 | |
| Netzanschlussleitung EU 2,6m 2 x 1,0 mm | ||||
| 805 | 1607000385 | 12.21 | 14.53 | |
| Typschild | ||||
| 808 | 160111A3H3 | 2.18 | 2.59 | |
| Nicht mehr lieferbar, kein Ersatz | ||||
| 813 | 2600917902 | |||
| Nicht mehr lieferbar, kein Ersatz | ||||
| 816/040 | 2604321913 | |||
| Rastkappe | ||||
| 816/060 | 2601322017 | 1.32 | 1.57 | |
| Lagerbrücke | ||||
| 838 | 2605807915 | 15.71 | 18.69 | |