Hier finden Sie alle verfügbaren Teile und Zeichnungen der 'Bosch 0601500403 ( GSC160 )'. Von hier aus können Sie alle gewünschten Teile direkt bestellen. Viele Teile müssen je nach Marke beim Hersteller bestellt werden, dies dauert ein bis vier Wochen. Alle Informationen, die wir haben, befinden sich auf unserer Website. Wir können Sie nicht beraten, was Sie benötigen. Dazu müssen Sie die Maschine zur Reparatur zurücksenden. Bitte beachten Sie bei der Bestellung Folgendes:
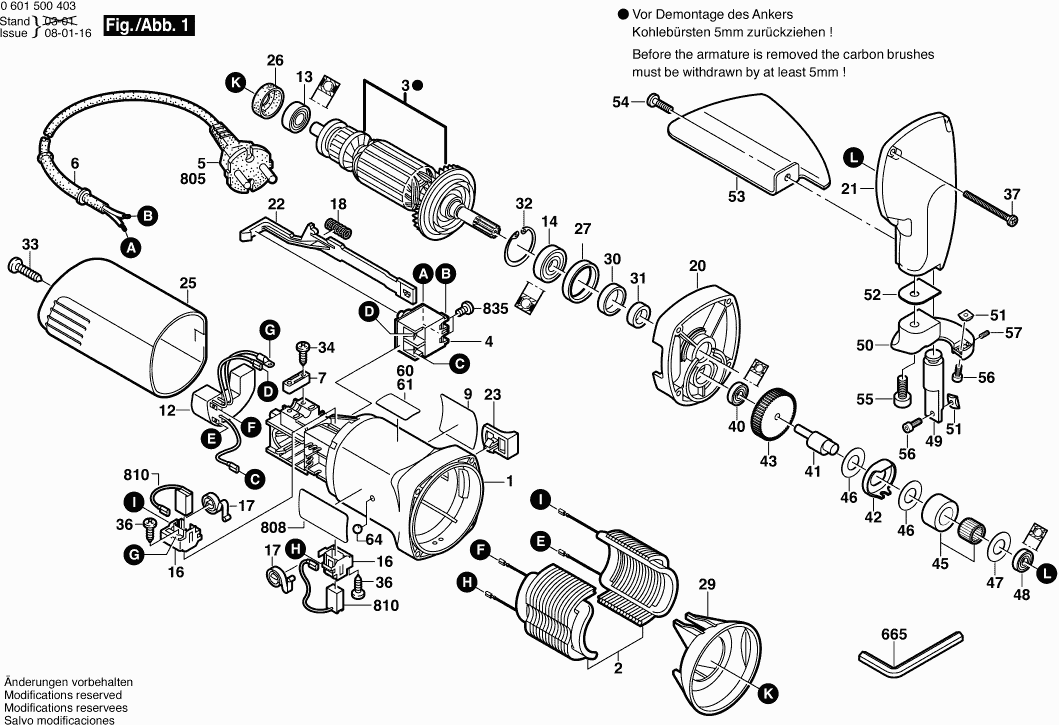
Zeichnungen der Bosch 0601500403 ( GSC160 )
Teileliste der Bosch 0601500403 ( GSC160 )
| Pos. | Beschreibung | Preis ohne MwSt | Preis inkl. MwSt | |
| Die angegebenen Preise enthalten die Mehrwertsteuer | ||||
| Motorgehäuse | ||||
| 1 | 3605102090 | 12.21 | 14.53 | |
| Polschuh 230V | ||||
| 2 | 2609160011 | 30.08 | 35.80 | |
| Anker 220-240V | ||||
| 3 | 2604011270 | 55.56 | 66.12 | |
| Schalter | ||||
| 4 | 1607200146 | 8.48 | 10.09 | |
| Tülle Ø7,6-Ø8,2x95 MM | ||||
| 6 | 2600703013 | 2.18 | 2.59 | |
| Leitungshalter | ||||
| 7 | 2601035001 | 1.32 | 1.57 | |
| Firmenschild | ||||
| 9 | 3601119178 | 3.04 | 3.62 | |
| Entstörfilter | ||||
| 12 | 3607328016 | 11.02 | 13.11 | |
| Kugellager 7x19x6 | ||||
| 13 | 2600905032 | 4.58 | 5.45 | |
| Rillenkugellager 9x24x7 | ||||
| 14 | 2600905021 | 7.32 | 8.71 | |
| Bürstenhalter | ||||
| 16 | 1619P01811 | 2.52 | 3.00 | |
| Spiralfeder | ||||
| 17 | 1604652013 | 1.32 | 1.57 | |
| Druckfeder | ||||
| 18 | 1604611031 | 2.52 | 3.00 | |
| Zwischenflansch | ||||
| 20 | 3605700162 | 50.23 | 59.77 | |
| Getriebegehaeuse | ||||
| 21 | 3605106105 | 61.93 | 73.70 | |
| Verstellschieber | ||||
| 22 | 1602319009 | 2.52 | 3.00 | |
| Schaltergriff SCHWARZ | ||||
| 23 | 1602026068 | 2.18 | 2.59 | |
| Gehäusedeckel | ||||
| 25 | 3605500163 | 8.48 | 10.09 | |
| Zwischenring | ||||
| 26 | 1600502024 | 1.90 | 2.26 | |
| Gummiring | ||||
| 27 | 3600206015 | 1.90 | 2.26 | |
| Luftleitring | ||||
| 29 | 1600591023 | 2.18 | 2.59 | |
| Radial-Wellendichtring | ||||
| 30 | 3600929037 | 5.27 | 6.27 | |
| Dichtbuchse | ||||
| 31 | 2600300047 | 2.18 | 2.59 | |
| Sicherungsring | ||||
| 32 | 3600283046 | 2.18 | 2.59 | |
| Torx-Linsenschraube 4x12 | ||||
| 33 | 2603490021 | 1.00 | 1.19 | |
| Schraube 4x16 | ||||
| 34 | 2603490022 | 1.00 | 1.19 | |
| Linsenkopfschraube 3x10 ST | ||||
| 36 | 1613435034 | 1.00 | 1.19 | |
| Linsenkopfschraube 4x32 | ||||
| 37 | 2603490026 | 1.00 | 1.19 | |
| Rillenkugellager 5x16x5 | ||||
| 40 | 3600905141 | 4.10 | 4.88 | |
| Exzenterwelle | ||||
| 41 | 3600109016 | 17.60 | 20.94 | |
| U-Blech | ||||
| 42 | 3602311052 | 3.71 | 4.41 | |
| Stirnrad | ||||
| 43 | 3606316096 | 8.48 | 10.09 | |
| Stützrolle | ||||
| 45 | 3600905158 | 20.39 | 24.26 | |
| Passscheibe | ||||
| 46 | 3600102049 | 2.18 | 2.59 | |
| Passscheibe | ||||
| 47 | 3600102050 | 1.32 | 1.57 | |
| Nicht mehr lieferbar, kein Ersatz | ||||
| 48 | 1900900228 | |||
| Stössel | ||||
| 49 | 3602317041 | 26.62 | 31.68 | |
| Schneidtisch | ||||
| 50 | 3606455042 | 75.38 | 89.70 | |
| Messersatz | ||||
| 51 | 3607031834 | 67.98 | 80.90 | |
| Unterlegscheibe 0,2 mm | ||||
| 52 | 3602311047 | 2.18 | 2.59 | |
| Unterlegscheibe 0,4mm | ||||
| 52 | 3602311048 | 1.32 | 1.57 | |
| Unterlegscheibe 0,6mm | ||||
| 52 | 3602311049 | 1.32 | 1.57 | |
| Spanabweiser | ||||
| 53 | 3607233025 | 20.39 | 24.26 | |
| Gewindefurchschraube DIN 7500-UM5x10-ST | ||||
| 54 | 3603391007 | 2.18 | 2.59 | |
| Innensechskantschraube DIN 912-M10x20-12.9 | ||||
| 55 | 2910401289 | 1.32 | 1.57 | |
| Innensechskantschraube DIN 912-M4x8-12.9 | ||||
| 56 | 2910401118 | 2.18 | 2.59 | |
| Gewindestift | ||||
| 57 | 3603435056 | 3.31 | 3.94 | |
| SCHROEFDRAADPEN | ||||
| 57 | 2912040118 | 1.32 | 1.57 | |
| Kugel BLAU | ||||
| 64 | 2603230001 | 1.18 | 1.40 | |
| Winkelschraubendreher DIN 911, SW3 | ||||
| 665 | 1907950004 | 5.27 | 6.27 | |
| Netzanschlussleitung | ||||
| 805 | 1607000391 | 15.61 | 18.58 | |
| Typschild | ||||
| 808 | 3601110451 | 3.71 | 4.41 | |
| Kohlebürstensatz | ||||
| 810 | 3604321039 | 15.61 | 18.58 | |
| Linsenschraube | ||||
| 835 | 2910641082 | 1.00 | 1.19 | |