Hier finden Sie alle verfügbaren Teile und Zeichnungen der 'Bosch 0601921968 ( GSR9,6VES )'. Von hier aus können Sie alle gewünschten Teile direkt bestellen. Viele Teile müssen je nach Marke beim Hersteller bestellt werden, dies dauert ein bis vier Wochen. Alle Informationen, die wir haben, befinden sich auf unserer Website. Wir können Sie nicht beraten, was Sie benötigen. Dazu müssen Sie die Maschine zur Reparatur zurücksenden. Bitte beachten Sie bei der Bestellung Folgendes:
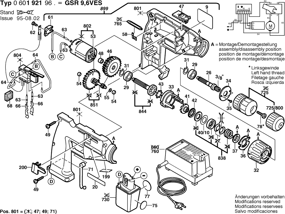
Zeichnungen der Bosch 0601921968 ( GSR9,6VES )
Teileliste der Bosch 0601921968 ( GSR9,6VES )
| Pos. | Beschreibung | Preis ohne MwSt | Preis inkl. MwSt | |
| Die angegebenen Preise enthalten die Mehrwertsteuer | ||||
| Klebeschild SONNENSEITE | ||||
| 9 | 2601118182 | 2.24 | 2.67 | |
| Klebeschild SCHATTENSEITE | ||||
| 20 | 2601110606 | 1.18 | 1.40 | |
| Bohrspindel 3/8" | ||||
| 26 | 2606309027 | 8.45 | 10.06 | |
| Rillenkugellager 10x26x8 | ||||
| 29 | 1900905127 | 26.62 | 31.68 | |
| Sicherungsring Din 471-10x1mm-fst | ||||
| 31 | 2916650001 | 2.18 | 2.59 | |
| Nicht mehr lieferbar, kein Ersatz | ||||
| 32 | 2605190014 | |||
| Einstellbuchse | ||||
| 33 | 2600499015 | 7.58 | 9.02 | |
| Haltescheibe WEISS | ||||
| 34 | 2600134004 | 1.18 | 1.40 | |
| Gewindefurchschraube DIN 7500 C M 3x8 MM | ||||
| 35 | 2603490003 | 1.18 | 1.40 | |
| Lochscheibe | ||||
| 36 | 2600190041 | 2.24 | 2.67 | |
| Rastscheibe | ||||
| 37 | 2600290019 | 1.18 | 1.40 | |
| Ausgleichscheibe 0,2 MM | ||||
| 40/10 | 2600101631 | 1.00 | 1.19 | |
| Kupplungshälfte | ||||
| 41 | 2606490047 | 4.70 | 5.59 | |
| Kugelkäfig | ||||
| 42 | 2600923001 | 2.71 | 3.22 | |
| Kugel DIN 5401-4 MM-III-ST | ||||
| 43 | 1903230007 | 1.32 | 1.57 | |
| Stirnrad Z=58/67 | ||||
| 46 | 1609340007 | 12.21 | 14.53 | |
| Verstellschieber SCHWARZ | ||||
| 47 | 2601099027 | 1.18 | 1.40 | |
| Sinterbuchse | ||||
| 48 | 2600301011 | 1.32 | 1.57 | |
| Schraube 4x16 | ||||
| 49 | 2603490022 | 1.00 | 1.19 | |
| Ritzel Z=11 | ||||
| 53 | 2606316112 | 3.71 | 4.41 | |
| Sinterbuchse | ||||
| 54 | 2600302002 | 1.32 | 1.57 | |
| Ausgleichscheibe 0,3 MM DICK | ||||
| 55 | 2600100636 | 1.18 | 1.40 | |
| Haltefeder | ||||
| 58 | 2601250002 | 1.18 | 1.40 | |
| Kühlkörper | ||||
| 61 | 2605715000 | 3.31 | 3.94 | |
| Linsenschraube DIN 7985-M3x8-4.8 | ||||
| 62 | 2910641050 | 1.00 | 1.19 | |
| Verbindungsleitung L=52 MM WEISS | ||||
| 63 | 2604413005 | 1.18 | 1.40 | |
| Verbindungsleitung L=79 MM WEISS | ||||
| 64 | 2604413004 | 1.18 | 1.40 | |
| Kontaktfeder | ||||
| 66 | 2601324012 | 1.32 | 1.57 | |
| Nicht mehr lieferbar, kein Ersatz | ||||
| 68 | 2601010038 | |||
| Nicht mehr lieferbar, kein Ersatz | ||||
| 71 | 2601251003 | |||
| Klebeschild AKKU | ||||
| 75 | 2601118298 | 3.31 | 3.94 | |
| Nicht mehr lieferbar, kein Ersatz | ||||
| 77 | 2601110461 | |||
| Senkschraube M5x20 | ||||
| 78 | 2609110721 | 1.90 | 2.26 | |
| Nicht mehr lieferbar, kein Ersatz | ||||
| 199 | 1601110265 | |||
| Füllstück BLAU | ||||
| 200 | 2605510027 | 1.18 | 1.40 | |
| Nicht mehr lieferbar, kein Ersatz | ||||
| 725 | 2608572010 | |||
| Schutzklappe | ||||
| 725/800 | 2600591006 | 10.73 | 12.77 | |
| Nicht mehr lieferbar, kein Ersatz | ||||
| 730 | 2607335203 | |||
| Schnell-Lader AUS 240/7,2-14,4V, 30 MIN. | ||||
| 760 | 2607224705 | 146.07 | 173.82 | |
| Schnell-Lader USA 120/7,2-24V, 1h | ||||
| 760 | 2607224431 | 146.07 | 173.82 | |
| Schnell-Lader EU 230/7,2-24V, 1h | ||||
| 760 | 2607224425 | 130.32 | 155.08 | |
| Schnell-Lader USA 120/7,2-14,4V, 30 MIN. | ||||
| 760 | 2607224707 | 130.32 | 155.08 | |
| Schnell-Lader GB 230/7,2-14,4V, 30 MIN. | ||||
| 760 | 2607224703 | 114.26 | 135.97 | |
| Schnell-Lader GB 230/7,2-24V, 1h | ||||
| 760 | 2607224427 | 102.63 | 122.13 | |
| Schnell-Lader EU 230/7,2-14,4V, 30 MIN. | ||||
| 760 | 2607224701 | 101.94 | 121.31 | |
| Schnell-Lader AUS 240/7,2-14,4V, 1h | ||||
| 760 | 2607224443 | 81.47 | 96.95 | |
| Schrauberklinge 6 MM | ||||
| 765 | 1609200147 | 3.04 | 3.62 | |
| Nicht mehr lieferbar, kein Ersatz | ||||
| 801 | 2605104776 | |||
| Gleichstrommotor 9,6V | ||||
| 802 | 2607022902 | 15.71 | 18.69 | |
| Ein/Aus-Schalter | ||||
| 804 | 2607200302 | 45.52 | 54.17 | |
| Nicht mehr lieferbar, kein Ersatz | ||||
| 838 | 2607001126 | |||
| Kupplungshälfte | ||||
| 844 | 2606436900 | 12.41 | 14.77 | |
| Zahnwelle Z=10/19/81 | ||||
| 851 | 1609340005 | 12.41 | 14.77 | |
| Nicht mehr lieferbar, kein Ersatz | ||||
| 899 | 0601921965 | |||