Hier finden Sie alle verfügbaren Teile und Zeichnungen der 'Bosch 0601589860 ( GST100BCE )'. Von hier aus können Sie alle gewünschten Teile direkt bestellen. Viele Teile müssen je nach Marke beim Hersteller bestellt werden, dies dauert ein bis vier Wochen. Alle Informationen, die wir haben, befinden sich auf unserer Website. Wir können Sie nicht beraten, was Sie benötigen. Dazu müssen Sie die Maschine zur Reparatur zurücksenden. Bitte beachten Sie bei der Bestellung Folgendes:
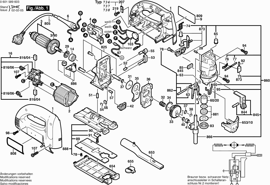
Zeichnungen der Bosch 0601589860 ( GST100BCE )
Teileliste der Bosch 0601589860 ( GST100BCE )
| Pos. | Beschreibung | Preis ohne MwSt | Preis inkl. MwSt | |
| Die angegebenen Preise enthalten die Mehrwertsteuer | ||||
| Gehäuseschale BLAU | ||||
| 1 | 2605104582 | 13.93 | 16.58 | |
| Polschuh 230-240V | ||||
| 2 | 2604220584 | 20.39 | 24.26 | |
| Nicht mehr lieferbar, kein Ersatz | ||||
| 3 | 2604011115 | |||
| Lüfter | ||||
| 3/90 | 2606610089 | 4.58 | 5.45 | |
| Schalter | ||||
| 4 | 2607200537 | 10.73 | 12.77 | |
| Tülle Ø6,4-Ø7,2x76 MM | ||||
| 6 | 2600703017 | 2.18 | 2.59 | |
| Firmenschild | ||||
| 9 | 2601116509 | 3.31 | 3.94 | |
| Kugellager 9x24x7 | ||||
| 14 | 2600905095 | 10.68 | 12.71 | |
| Bürstenplatte | ||||
| 16 | 2605807082 | 26.62 | 31.68 | |
| Nadelrolle DIN 5402-A3x11,8-G2 | ||||
| 28 | 1903201042 | 1.90 | 2.26 | |
| Sicherungsring DIN 472-24x1,2 MM | ||||
| 29 | 2916660008 | 1.90 | 2.26 | |
| Ausgleichscheibe 0,5 MM | ||||
| 31 | 2600101048 | 1.32 | 1.57 | |
| Nadelkranz | ||||
| 32 | 2600913040 | 5.27 | 6.27 | |
| Exzenterzahnrad | ||||
| 33 | 2606320101 | 26.62 | 31.68 | |
| Ausgleichscheibe 0,5 MM | ||||
| 34 | 2600102614 | 0.83 | 0.99 | |
| Gabelhebel | ||||
| 35 | 2601923010 | 1.90 | 2.26 | |
| Ausgleichgewicht | ||||
| 36 | 2601098032 | 12.21 | 14.53 | |
| Ausgleichscheibe 0,3 MM | ||||
| 37 | 2600101047 | 1.32 | 1.57 | |
| Sicherungsscheibe DIN 6799-6-FST | ||||
| 38 | 2916080909 | 1.00 | 1.19 | |
| Zwischenring | ||||
| 40 | 2600200038 | 1.00 | 1.19 | |
| Nadelhülse | ||||
| 41 | 2600917900 | 7.32 | 8.71 | |
| Luftabscheider | ||||
| 42 | 2602305048 | 1.18 | 1.40 | |
| Lagerbolzen | ||||
| 51 | 2603105053 | 1.00 | 1.19 | |
| Rastkappe | ||||
| 52 | 2600590006 | 1.32 | 1.57 | |
| Drehknopf SCHWARZ | ||||
| 53 | 2602026063 | 2.18 | 2.59 | |
| Sicherungsscheibe 5 DIN 6799 | ||||
| 54 | 2916080908 | 1.00 | 1.19 | |
| Drehknopf SCHWARZ | ||||
| 55 | 2602026065 | 1.90 | 2.26 | |
| Ausgleichscheibe 0,3 MM | ||||
| 56 | 2600100607 | 1.32 | 1.57 | |
| Zylinderstift 17,35+0,1 MM | ||||
| 57 | 2603100069 | 1.32 | 1.57 | |
| Getriebedeckel | ||||
| 60 | 2605808081 | 40.61 | 48.33 | |
| Lagerbuchse | ||||
| 60/20 | 2600301037 | 1.32 | 1.57 | |
| Druckfeder | ||||
| 61 | 2604610042 | 1.32 | 1.57 | |
| Ausgleichscheibe | ||||
| 63 | 2600101095 | 1.32 | 1.57 | |
| Dichtung | ||||
| 65 | 2601015064 | 1.32 | 1.57 | |
| Drehfeder | ||||
| 74 | 2604651011 | 2.52 | 3.00 | |
| Griffkappe SCHWARZ | ||||
| 75 | 2600591010 | 2.18 | 2.59 | |
| Dichtung | ||||
| 76 | 2601015065 | 1.32 | 1.57 | |
| Abdeckplatte | ||||
| 77 | 2601016079 | 4.58 | 5.45 | |
| Gewindefurchschraube | ||||
| 78 | 2603421014 | 1.32 | 1.57 | |
| Haltering | ||||
| 83 | 2600202037 | 1.90 | 2.26 | |
| Abdichtplatte | ||||
| 85 | 2601015057 | 2.52 | 3.00 | |
| Nicht mehr lieferbar, kein Ersatz | ||||
| 89 | 2601098082 | |||
| Profilleiste | ||||
| 90 | 2601030022 | 2.18 | 2.59 | |
| Innensechskantschraube DIN 912-M6x16-8.8 | ||||
| 91 | 2910141197 | 1.00 | 1.19 | |
| Spannstift 2x6 DIN 1481 | ||||
| 92 | 2917760034 | 1.00 | 1.19 | |
| Gewindefurchschraube M4x12 MM | ||||
| 94 | 2603410049 | 1.32 | 1.57 | |
| Schutzbügel SCHWARZ | ||||
| 95 | 2603101046 | 1.32 | 1.57 | |
| Erdleitung | ||||
| 97 | 2604448210 | 1.32 | 1.57 | |
| Torx-Linsenschraube 3x18 | ||||
| 98 | 2603490018 | 1.00 | 1.19 | |
| Nicht mehr lieferbar, kein Ersatz | ||||
| 103 | 2607230069 | |||
| Torx-Linsenschraube 4x25 | ||||
| 107 | 2603490024 | 1.32 | 1.57 | |
| Nicht mehr lieferbar, kein Ersatz | ||||
| 653 | 2605730038 | |||
| Nicht mehr lieferbar, kein Ersatz | ||||
| 653/10 | 2605510159 | |||
| Nicht mehr lieferbar, kein Ersatz | ||||
| 654 | 2608000184 | |||
| Spanreissschutz | ||||
| 655 | 2601016065 | 4.58 | 5.45 | |
| Netzanschlussleitung EU 230V 4,15m 2 x 1,0mm H05 | ||||
| 805 | 1607000386 | 17.60 | 20.94 | |
| Hinweisschild | ||||
| 808 | 2601116164 | 0.83 | 0.99 | |
| Nicht mehr lieferbar, kein Ersatz | ||||
| 816/04 | 2604320914 | |||
| Spiralfeder | ||||
| 816/06 | 1604652013 | 1.32 | 1.57 | |
| Getriebegehäuse | ||||
| 825 | 2605806896 | 45.52 | 54.17 | |
| Nicht mehr lieferbar, kein Ersatz | ||||
| 844 | 2600326904 | |||
| Nicht mehr lieferbar, kein Ersatz | ||||
| 845 | 2601321904 | |||
| Getriebedeckel | ||||
| 860 | 2605808927 | 130.32 | 155.08 | |
| Führungsbügel | ||||
| 862 | 2601322900 | 10.73 | 12.77 | |
| Nicht mehr lieferbar, kein Ersatz | ||||
| 866 | 2600780911 | |||
| Nicht mehr lieferbar, kein Ersatz | ||||
| 873 | 2601990906 | |||
| Nicht mehr lieferbar, kein Ersatz | ||||
| 881 | 2600290902 | |||
| Lüfterdeckel BLAU | ||||
| 886 | 2605500908 | 1.70 | 2.02 | |
| Nicht mehr lieferbar, kein Ersatz | ||||
| 888 | 2608000920 | |||