Hier finden Sie alle verfügbaren Teile und Zeichnungen der 'Bosch 0601598421 ( GST14,4V )'. Von hier aus können Sie alle gewünschten Teile direkt bestellen. Viele Teile müssen je nach Marke beim Hersteller bestellt werden, dies dauert ein bis vier Wochen. Alle Informationen, die wir haben, befinden sich auf unserer Website. Wir können Sie nicht beraten, was Sie benötigen. Dazu müssen Sie die Maschine zur Reparatur zurücksenden. Bitte beachten Sie bei der Bestellung Folgendes:
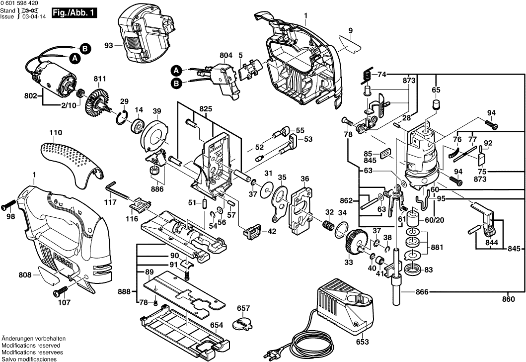
Zeichnungen der Bosch 0601598421 ( GST14,4V )
Teileliste der Bosch 0601598421 ( GST14,4V )
| Pos. | Beschreibung | Preis ohne MwSt | Preis inkl. MwSt | |
| Die angegebenen Preise enthalten die Mehrwertsteuer | ||||
| Gehäuseschale | ||||
| 1 | 2605105016 | 23.75 | 28.26 | |
| Kupplungsteil | ||||
| 2/10 | 2606490088 | 4.58 | 5.45 | |
| Sperrhebel | ||||
| 5 | 2601099120 | 1.90 | 2.26 | |
| Firmenschild | ||||
| 9 | 2601116127 | 3.04 | 3.62 | |
| Kugellager 9x24x7 | ||||
| 14 | 2600905095 | 10.68 | 12.71 | |
| Nadelrolle DIN 5402-A3x11,8-G2 | ||||
| 28 | 1903201042 | 1.90 | 2.26 | |
| Sicherungsring DIN 472-24x1,2 MM | ||||
| 29 | 2916660008 | 1.90 | 2.26 | |
| Ausgleichscheibe 0,5 MM | ||||
| 31 | 2600101048 | 1.32 | 1.57 | |
| Nadelkranz | ||||
| 32 | 2600913040 | 5.27 | 6.27 | |
| Exzenterzahnrad | ||||
| 33 | 2606320088 | 20.42 | 24.30 | |
| Ausgleichscheibe 0,5 MM | ||||
| 34 | 2600102614 | 0.83 | 0.99 | |
| Gabelhebel | ||||
| 35 | 2601923010 | 1.90 | 2.26 | |
| Ausgleichgewicht | ||||
| 36 | 2601098032 | 12.21 | 14.53 | |
| Ausgleichscheibe 0,3 MM | ||||
| 37 | 2600101047 | 1.32 | 1.57 | |
| Sicherungsscheibe DIN 6799-6-FST | ||||
| 38 | 2916080909 | 1.00 | 1.19 | |
| Luftleitring | ||||
| 39 | 2600290051 | 1.70 | 2.02 | |
| Zwischenring | ||||
| 40 | 2600200038 | 1.00 | 1.19 | |
| Nadelhülse | ||||
| 41 | 2600917900 | 7.32 | 8.71 | |
| Luftabscheider | ||||
| 42 | 2602305050 | 2.18 | 2.59 | |
| Lagerbolzen | ||||
| 51 | 2603105053 | 1.00 | 1.19 | |
| Rastkappe | ||||
| 52 | 2600590006 | 1.32 | 1.57 | |
| Drehknopf SCHWARZ | ||||
| 53 | 2602026063 | 2.18 | 2.59 | |
| Sicherungsscheibe 5 DIN 6799 | ||||
| 54 | 2916080908 | 1.00 | 1.19 | |
| Drehknopf SCHWARZ | ||||
| 55 | 2602026065 | 1.90 | 2.26 | |
| Ausgleichscheibe 0,3 MM | ||||
| 56 | 2600100607 | 1.32 | 1.57 | |
| Zylinderstift 17,35+0,1 MM | ||||
| 57 | 2603100069 | 1.32 | 1.57 | |
| Getriebedeckel | ||||
| 60 | 2605808081 | 40.61 | 48.33 | |
| Lagerbuchse | ||||
| 60/20 | 2600301037 | 1.32 | 1.57 | |
| Druckfeder | ||||
| 61 | 2604610042 | 1.32 | 1.57 | |
| Ausgleichscheibe | ||||
| 63 | 2600101095 | 1.32 | 1.57 | |
| Dichtung | ||||
| 65 | 2601015064 | 1.32 | 1.57 | |
| Drehfeder | ||||
| 74 | 2604651011 | 2.52 | 3.00 | |
| Griffkappe SCHWARZ | ||||
| 75 | 2600591010 | 2.18 | 2.59 | |
| Dichtung | ||||
| 76 | 2601015065 | 1.32 | 1.57 | |
| Abdeckplatte | ||||
| 77 | 2601016079 | 4.58 | 5.45 | |
| Gewindefurchschraube | ||||
| 78 | 2603421014 | 1.32 | 1.57 | |
| Haltering | ||||
| 83 | 2600202037 | 1.90 | 2.26 | |
| Abdichtplatte | ||||
| 85 | 2601015057 | 2.52 | 3.00 | |
| Nicht mehr lieferbar, kein Ersatz | ||||
| 89 | 2601098082 | |||
| Profilleiste | ||||
| 90 | 2601030022 | 2.18 | 2.59 | |
| Innensechskantschraube DIN 912-M6x16-8.8 | ||||
| 91 | 2910141197 | 1.00 | 1.19 | |
| Spannstift 2x6 DIN 1481 | ||||
| 92 | 2917760034 | 1.00 | 1.19 | |
| Einschub-Akkupaket 14,4V,3,0Ah,NiMh | ||||
| 93 | 2607335693 | 342.01 | 406.99 | |
| Einschub-Akkupaket 14,4V, 2,0Ah, NiMH | ||||
| 93 | 2607335699 | 168.86 | 200.94 | |
| Einschub-Akkupaket 14,4V, 2,6Ah, NiMH | ||||
| 93 | 2607335685 | 126.98 | 151.11 | |
| Gewindefurchschraube M4x12 MM | ||||
| 94 | 2603410049 | 1.32 | 1.57 | |
| Schutzbügel SCHWARZ | ||||
| 95 | 2603101046 | 1.32 | 1.57 | |
| Torx-Linsenschraube 3x18 | ||||
| 98 | 2603490018 | 1.00 | 1.19 | |
| Torx-Linsenschraube 4x20 | ||||
| 107 | 2603490023 | 1.00 | 1.19 | |
| Griffschale | ||||
| 110 | 2608040204 | 10.68 | 12.71 | |
| Schlüsselhalter | ||||
| 116 | 2608000313 | 1.18 | 1.40 | |
| Winkelschraubendreher Din 911-sw5 Schwarz | ||||
| 117 | 1907950006 | 3.71 | 4.41 | |
| Innensechskantschlüssel | ||||
| 117 | 2610364015 | 3.04 | 3.62 | |
| Schnell-Lader EU 230/7,2-24V, 1h | ||||
| 653 | 2607224425 | 130.32 | 155.08 | |
| Schnell-Lader J 100/7,2-24V, 1h | ||||
| 653 | 2607224435 | 126.98 | 151.11 | |
| Schnell-Lader GB 230/7,2-14,4V, 30 MIN. | ||||
| 653 | 2607224703 | 114.26 | 135.97 | |
| Schnell-Lader GB 230/7,2-24V, 1h | ||||
| 653 | 2607224427 | 102.63 | 122.13 | |
| Schnell-Lader EU 230/7,2-14,4V, 30 MIN. | ||||
| 653 | 2607224701 | 101.94 | 121.31 | |
| Schnell-Lader BR 220/7,2-24V, 1h | ||||
| 653 | 2607224983 | 91.33 | 108.68 | |
| Schnell-Lader AUS 240/7,2-14,4V, 1h | ||||
| 653 | 2607224443 | 81.47 | 96.95 | |
| Nicht mehr lieferbar, kein Ersatz | ||||
| 654 | 2608000184 | |||
| Spanreissschutz | ||||
| 657 | 2601016065 | 4.58 | 5.45 | |
| Gleichstrommotor 14,4V | ||||
| 802 | 2607022881 | 67.98 | 80.90 | |
| Ein/Aus-Schalter | ||||
| 804 | 2607200421 | 50.23 | 59.77 | |
| Typschild | ||||
| 808 | 2601116156 | 2.71 | 3.22 | |
| Kupplungshälfte | ||||
| 811 | 2606445901 | 12.41 | 14.77 | |
| Getriebegehäuse | ||||
| 825 | 2605806896 | 45.52 | 54.17 | |
| Nicht mehr lieferbar, kein Ersatz | ||||
| 844 | 2600326904 | |||
| Nicht mehr lieferbar, kein Ersatz | ||||
| 845 | 2601321904 | |||
| Getriebedeckel | ||||
| 860 | 2605808927 | 130.32 | 155.08 | |
| Führungsbügel | ||||
| 862 | 2601322900 | 10.73 | 12.77 | |
| Nicht mehr lieferbar, kein Ersatz | ||||
| 866 | 2600780911 | |||
| Nicht mehr lieferbar, kein Ersatz | ||||
| 873 | 2601990906 | |||
| Nicht mehr lieferbar, kein Ersatz | ||||
| 881 | 2600290902 | |||
| Lüfterdeckel | ||||
| 886 | 2605500911 | 3.31 | 3.94 | |
| Nicht mehr lieferbar, kein Ersatz | ||||
| 888 | 2608000920 | |||