Hier finden Sie alle verfügbaren Teile und Zeichnungen der 'Bosch 0601587203 ( GST60PB )'. Von hier aus können Sie alle gewünschten Teile direkt bestellen. Viele Teile müssen je nach Marke beim Hersteller bestellt werden, dies dauert ein bis vier Wochen. Alle Informationen, die wir haben, befinden sich auf unserer Website. Wir können Sie nicht beraten, was Sie benötigen. Dazu müssen Sie die Maschine zur Reparatur zurücksenden. Bitte beachten Sie bei der Bestellung Folgendes:
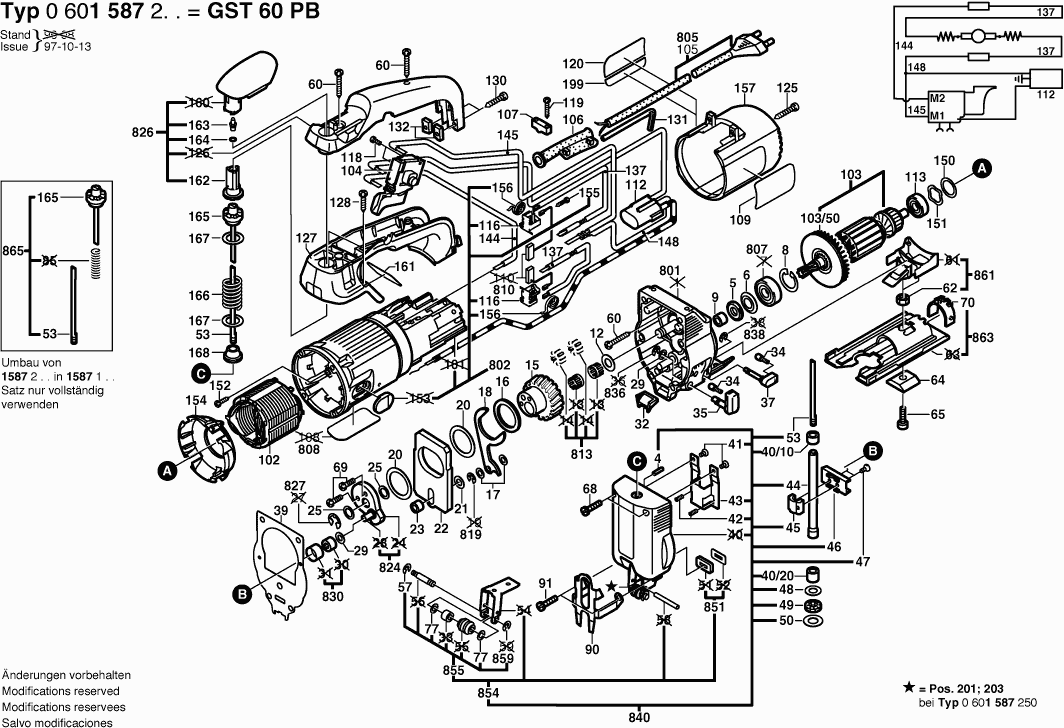
Zeichnungen der Bosch 0601587203 ( GST60PB )
Teileliste der Bosch 0601587203 ( GST60PB )
| Pos. | Beschreibung | Preis ohne MwSt | Preis inkl. MwSt | |
| Die angegebenen Preise enthalten die Mehrwertsteuer | ||||
| Nadelrolle DIN 5402-A3x11,8-G2 | ||||
| 4 | 1903201042 | 1.90 | 2.26 | |
| Filzring | ||||
| 5 | 2600108077 | 1.32 | 1.57 | |
| Tellerscheibe | ||||
| 6 | 2600500002 | 1.32 | 1.57 | |
| Sicherungsring DIN 472-24x1,2 MM | ||||
| 8 | 2916660008 | 1.90 | 2.26 | |
| Steckhülse | ||||
| 9 | 2600400008 | 1.32 | 1.57 | |
| Ausgleichscheibe 0,5 MM | ||||
| 12 | 2600101616 | 2.52 | 3.00 | |
| Exzenterzahnrad | ||||
| 15 | 1619P02581 | 20.39 | 24.26 | |
| Ausgleichscheibe 1,0 MM | ||||
| 16 | 2600102653 | 1.32 | 1.57 | |
| Ausgleichscheibe 0,3 MM | ||||
| 17 | 2600100515 | 2.18 | 2.59 | |
| Gabelhebel | ||||
| 18 | 2601923004 | 3.04 | 3.62 | |
| Ausgleichscheibe 0,5 MM | ||||
| 20 | 2600102652 | 1.32 | 1.57 | |
| Ausgleichscheibe 0,3 MM | ||||
| 21 | 2600100627 | 1.32 | 1.57 | |
| Ausgleichscheibe 0,5 MM | ||||
| 21 | 2600100628 | 1.32 | 1.57 | |
| Ausgleichscheibe 0,2 MM | ||||
| 21 | 2600100626 | 1.18 | 1.40 | |
| Ausgleichgewicht | ||||
| 22 | 2601098003 | 7.32 | 8.71 | |
| Distanzhülse | ||||
| 23 | 2600309009 | 1.32 | 1.57 | |
| Ausgleichscheibe 0,2 MM | ||||
| 25 | 2600100575 | 1.90 | 2.26 | |
| Ausgleichscheibe 0,3 MM | ||||
| 25 | 2600100576 | 1.90 | 2.26 | |
| Ausgleichscheibe 0,5 MM | ||||
| 25 | 2600100577 | 1.32 | 1.57 | |
| Ausgleichscheibe 0,3 MM | ||||
| 29 | 2600100607 | 1.32 | 1.57 | |
| Ausgleichscheibe 0,5 MM | ||||
| 29 | 2600100568 | 1.32 | 1.57 | |
| Ausgleichscheibe 1,0 MM | ||||
| 29 | 2600100569 | 1.32 | 1.57 | |
| Luftabscheider | ||||
| 32 | 2602305042 | 1.32 | 1.57 | |
| Rastkappe | ||||
| 34 | 2600590006 | 1.32 | 1.57 | |
| Drehknopf SCHWARZ | ||||
| 35 | 2602026036 | 3.71 | 4.41 | |
| Drehknopf SCHWARZ | ||||
| 37 | 2602026037 | 2.52 | 3.00 | |
| Dichtung | ||||
| 39 | 2601015050 | 2.18 | 2.59 | |
| Sinterbuchse | ||||
| 40/10 | 2600301046 | 3.04 | 3.62 | |
| Lagerbuchse | ||||
| 40/20 | 2600301045 | 2.52 | 3.00 | |
| Gewindefurchschraube M4x8 | ||||
| 41 | 2603410048 | 1.32 | 1.57 | |
| Druckfeder | ||||
| 42 | 2604613000 | 1.32 | 1.57 | |
| Führungs-Klammern | ||||
| 43 | 1616B00224 | 12.21 | 14.53 | |
| Hubstange | ||||
| 44 | 1619P12765 | 13.90 | 16.54 | |
| Klemmbügel | ||||
| 45 | 2602329011 | 3.04 | 3.62 | |
| Gleitstück | ||||
| 46 | 1619P12767 | 8.48 | 10.09 | |
| Senkschraube DIN 7962-M3,5x8-10.9 | ||||
| 47 | 2603421040 | 1.32 | 1.57 | |
| Stützscheibe 0,5 MM | ||||
| 48 | 2600112031 | 1.32 | 1.57 | |
| Dichtring 0,5 MM | ||||
| 49 | 2600290017 | 1.32 | 1.57 | |
| Ausgleichscheibe 0,5 MM | ||||
| 50 | 2600101612 | 1.32 | 1.57 | |
| Klemmschraube | ||||
| 53 | 2603490011 | 5.96 | 7.09 | |
| Sicherungsscheibe | ||||
| 57 | 2600116011 | 1.90 | 2.26 | |
| Torx-Linsenschraube 4x25 | ||||
| 60 | 2603490024 | 1.32 | 1.57 | |
| Sechskantmutter | ||||
| 62 | 2915011007 | 1.00 | 1.19 | |
| Profilleiste | ||||
| 64 | 2601030019 | 2.18 | 2.59 | |
| Innensechskantschraube DIN 912-M6x16-8.8 | ||||
| 65 | 2910141197 | 1.00 | 1.19 | |
| Gewindefurchschraube M4x12 MM | ||||
| 68 | 2603410049 | 1.32 | 1.57 | |
| Schraube Mikroverkapselt DIN 7985-M4x12MM | ||||
| 69 | 2914551176 | 1.00 | 1.19 | |
| Skalenplatte | ||||
| 70 | 2601328044 | 2.18 | 2.59 | |
| Ausgleichscheibe 0,2 MM | ||||
| 77 | 2600100032 | 1.32 | 1.57 | |
| Schutzvorrichtung | ||||
| 90 | 2601322021 | 3.71 | 4.41 | |
| Zylinderschraube DIN 84-AM4x18-5.8 | ||||
| 91 | 2910011128 | 1.00 | 1.19 | |
| Polschuh 220-240V | ||||
| 102 | 2604220709 | 26.62 | 31.68 | |
| Anker 230-240V | ||||
| 103 | 2604010578 | 50.23 | 59.77 | |
| Lüfter | ||||
| 103/50 | 2606610049 | 1.90 | 2.26 | |
| Schalter | ||||
| 104 | 2607200260 | 9.47 | 11.27 | |
| Tülle Ø6,5-Ø6,9x95 MM | ||||
| 106 | 2600703027 | 1.32 | 1.57 | |
| Leitungshalter | ||||
| 107 | 2601035001 | 1.32 | 1.57 | |
| Firmenschild SONNENSEITE | ||||
| 109 | 2601118034 | 2.24 | 2.67 | |
| Entstörfilter | ||||
| 112 | 2607329129 | 7.32 | 8.71 | |
| Kugellager 7x22x7 | ||||
| 113 | 1900905018 | 15.61 | 18.58 | |
| Bürstenhalter | ||||
| 116 | 1600A003G4 | 3.04 | 3.62 | |
| Zylinderschraube M3x6,5-4.8 | ||||
| 118 | 2603410001 | 1.32 | 1.57 | |
| Schraube 4x16 | ||||
| 119 | 2603490022 | 1.00 | 1.19 | |
| Hinweisschild SCHATTENSEITE | ||||
| 120 | 2601110762 | 1.94 | 2.31 | |
| Blechschraube DIN 7982-ST3,9x22C-H | ||||
| 125 | 2910601321 | 1.18 | 1.40 | |
| Bügelgriff | ||||
| 127 | 2602025060 | 10.68 | 12.71 | |
| Gewindefurchschraube M 5x16 | ||||
| 128 | 2603410054 | 2.18 | 2.59 | |
| Kombi-Schraube M 4x20 MM | ||||
| 130 | 2914501021 | 1.00 | 1.19 | |
| Winkelschraubendreher Din 911-sw5 Schwarz | ||||
| 131 | 1907950006 | 3.71 | 4.41 | |
| Innensechskantschlüssel | ||||
| 131 | 2610364015 | 3.04 | 3.62 | |
| Vierkantmutter M4 | ||||
| 132 | 2603320001 | 1.32 | 1.57 | |
| Entstörfilter | ||||
| 137 | 1619P15513 | 2.18 | 2.59 | |
| Elektr Leitung L=233 MM WEISS | ||||
| 144 | 1614431010 | 3.04 | 3.62 | |
| Elektr Leitung L = 238 MM WEISS | ||||
| 145 | 2604448160 | 1.90 | 2.26 | |
| Isolierschlauch | ||||
| 148 | 2600409017 | 1.00 | 1.19 | |
| Ausgleichscheibe 0,5 MM | ||||
| 150 | 2600101020 | 1.32 | 1.57 | |
| Ausgleichscheibe 0,2 MM | ||||
| 150 | 2600101022 | 1.32 | 1.57 | |
| Distanzscheibe 0,3 MM | ||||
| 150 | 2600101027 | 1.32 | 1.57 | |
| Ausgleichscheibe | ||||
| 151 | 2600150004 | 1.90 | 2.26 | |
| Blechschraube | ||||
| 152 | 2603435086 | 1.32 | 1.57 | |
| Abdeckscheibe | ||||
| 154 | 2601328045 | 1.90 | 2.26 | |
| Torx-Linsenschraube 3x10 | ||||
| 155 | 2603490017 | 1.90 | 2.26 | |
| Spiralfeder | ||||
| 156 | 2604652009 | 1.32 | 1.57 | |
| Gehäusedeckel BLAU | ||||
| 157 | 2600508038 | 7.32 | 8.71 | |
| Klebeschild | ||||
| 161 | 2601118097 | 1.18 | 1.40 | |
| Nicht mehr lieferbar, kein Ersatz | ||||
| 162 | 2606491011 | |||
| Haltestück | ||||
| 163 | 2600423006 | 1.32 | 1.57 | |
| O-Ring 4,0x1,0 MM | ||||
| 164 | 1600210034 | 1.32 | 1.57 | |
| Druckfeder | ||||
| 166 | 2604617004 | 1.90 | 2.26 | |
| Nicht mehr lieferbar, kein Ersatz | ||||
| 167 | 1600101603 | |||
| Führungshülse | ||||
| 168 | 2600421001 | 1.32 | 1.57 | |
| Nicht mehr lieferbar, kein Ersatz | ||||
| 199 | 1601110265 | |||
| Getriebegehäuse | ||||
| 801 | 2605808917 | 67.98 | 80.90 | |
| Nicht mehr lieferbar, kein Ersatz | ||||
| 802 | 2605108904 | |||
| Netzanschlussleitung EU 2,6m 2 x 1,0 mm | ||||
| 805 | 1607000385 | 12.21 | 14.53 | |
| Rillenkugellager 9x24x7 | ||||
| 807 | 2600905021 | 7.32 | 8.71 | |
| Typschild | ||||
| 808 | 160111A3H3 | 2.18 | 2.59 | |
| Kohlebürstensatz | ||||
| 810 | 2604320912 | 8.48 | 10.09 | |
| Nicht mehr lieferbar, kein Ersatz | ||||
| 813 | 2607001130 | |||
| Sicherungsscheibe Din 6799-4-fst | ||||
| 819 | 2916080007 | 2.18 | 2.59 | |
| Exzenterscheibe | ||||
| 824 | 2601072901 | 6.53 | 7.77 | |
| Bügelgriff | ||||
| 826 | 2602025901 | 10.68 | 12.71 | |
| Sicherungsscheibe Din 6799-7-fst | ||||
| 827 | 2916080910 | 1.90 | 2.26 | |
| Nadelhülse | ||||
| 830 | 2600917900 | 7.32 | 8.71 | |
| Nicht mehr lieferbar, kein Ersatz | ||||
| 836 | 2916080008 | |||
| Sicherungsring | ||||
| 838 | 2600116009 | 1.00 | 1.19 | |
| Getriebedeckel | ||||
| 840 | 2605808920 | 81.47 | 96.95 | |
| Nicht mehr lieferbar, kein Ersatz | ||||
| 851 | 2601015901 | |||
| Nicht mehr lieferbar, kein Ersatz | ||||
| 854 | 2601321902 | |||
| Rollensatz | ||||
| 855 | 1619P01375 | 9.47 | 11.27 | |
| Nicht mehr lieferbar, kein Ersatz | ||||
| 859 | 2916080005 | |||
| Lüfterdeckel | ||||
| 861 | 2605500900 | 3.71 | 4.41 | |
| Fussplatte | ||||
| 863 | 2601016903 | 13.90 | 16.54 | |
| Umbausatz 100-240V | ||||
| 865 | 2606491917 | 17.60 | 20.94 | |