Hier finden Sie alle verfügbaren Teile und Zeichnungen der 'Bosch 0601929023 ( GWB7,2V )'. Von hier aus können Sie alle gewünschten Teile direkt bestellen. Viele Teile müssen je nach Marke beim Hersteller bestellt werden, dies dauert ein bis vier Wochen. Alle Informationen, die wir haben, befinden sich auf unserer Website. Wir können Sie nicht beraten, was Sie benötigen. Dazu müssen Sie die Maschine zur Reparatur zurücksenden. Bitte beachten Sie bei der Bestellung Folgendes:
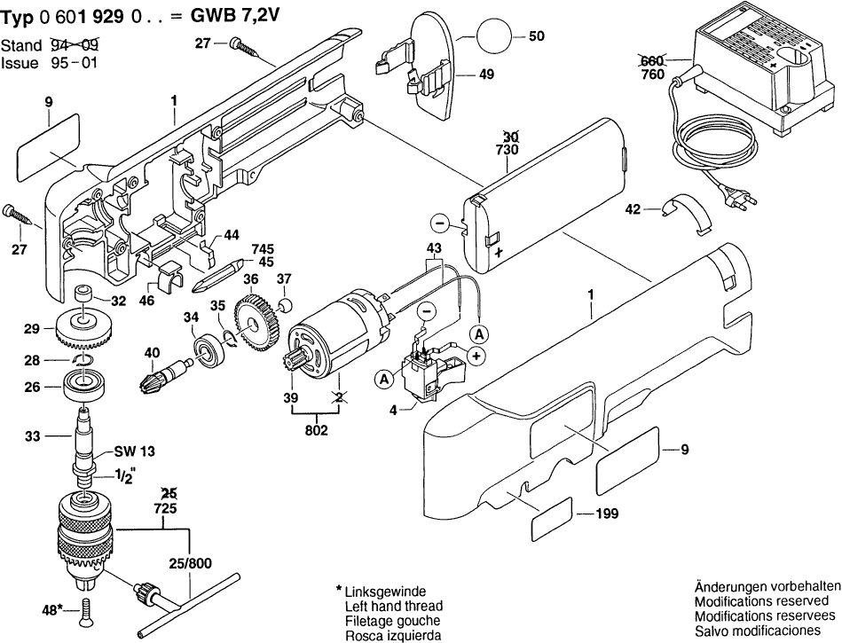
Zeichnungen der Bosch 0601929023 ( GWB7,2V )
Teileliste der Bosch 0601929023 ( GWB7,2V )
| Pos. | Beschreibung | Preis ohne MwSt | Preis inkl. MwSt | |
| Die angegebenen Preise enthalten die Mehrwertsteuer | ||||
| Gehäuseschale BLAU | ||||
| 1 | 2605108057 | 20.42 | 24.30 | |
| Ein/Aus-Schalter | ||||
| 4 | 2607200273 | 23.75 | 28.26 | |
| Klebeschild | ||||
| 9 | 2601118076 | 1.70 | 2.02 | |
| Nicht mehr lieferbar, kein Ersatz | ||||
| 25/800 | 1607950055 | |||
| Rillenkugellager 9x24x7 | ||||
| 26 | 2600905021 | 7.32 | 8.71 | |
| Blechschraube DIN 7981-ST3,9x13-C-H | ||||
| 27 | 2910611018 | 1.32 | 1.57 | |
| Sicherungsring DIN 471 9x1MM | ||||
| 28 | 2916640006 | 1.32 | 1.57 | |
| Kegelrad Z=47 | ||||
| 29 | 2606333027 | 37.50 | 44.62 | |
| Sinterbuchse | ||||
| 32 | 2600301011 | 1.32 | 1.57 | |
| Bohrspindel 1/2",SW 13 | ||||
| 33 | 2606135041 | 11.02 | 13.11 | |
| Rillenkugellager 6x19x6 | ||||
| 34 | 1900905019 | 12.21 | 14.53 | |
| Sicherungsring | ||||
| 35 | 2916640003 | 1.00 | 1.19 | |
| Stirnrad Z=58 | ||||
| 36 | 2606316025 | 11.02 | 13.11 | |
| Sinterbuchse | ||||
| 37 | 2600302002 | 1.32 | 1.57 | |
| Ritzel Z=11 | ||||
| 39 | 2606316112 | 3.71 | 4.41 | |
| Ritzel Z=10 | ||||
| 40 | 2606333026 | 20.39 | 24.26 | |
| Klemmfeder | ||||
| 42 | 2601322016 | 1.90 | 2.26 | |
| Verbindungsleitung L = 52 MM WEISS | ||||
| 43 | 2604412021 | 1.70 | 2.02 | |
| Haltefeder | ||||
| 44 | 2601250002 | 1.18 | 1.40 | |
| Schlüsselhalter | ||||
| 46 | 2608040056 | 1.18 | 1.40 | |
| Senkschraube M6x20 MM LINKSGEWINDE | ||||
| 48 | 2603421211 | 1.70 | 2.02 | |
| Haltefeder SCHWARZ | ||||
| 49 | 2601398008 | 4.58 | 5.45 | |
| Nicht mehr lieferbar, kein Ersatz | ||||
| 50 | 2601110461 | |||
| Keine Informationen verfügbar, nicht bestellbar | ||||
| 725 | 1608571068 | |||
| Nicht mehr lieferbar, kein Ersatz | ||||
| 730 | 2607335020 | |||
| Schrauberklinge 6 MM | ||||
| 745 | 1609200147 | 3.04 | 3.62 | |
| Schnell-Lader AUS 240/7,2-14,4V, 30 MIN. | ||||
| 760 | 2607224705 | 146.07 | 173.82 | |
| Schnell-Lader USA 120/7,2-24V, 1h | ||||
| 760 | 2607224431 | 146.07 | 173.82 | |
| Schnell-Lader EU 230/7,2-24V, 1h | ||||
| 760 | 2607224425 | 130.32 | 155.08 | |
| Schnell-Lader J 100/7,2-24V, 1h | ||||
| 760 | 2607224435 | 126.98 | 151.11 | |
| Schnell-Lader GB 230/7,2-14,4V, 30 MIN. | ||||
| 760 | 2607224703 | 114.26 | 135.97 | |
| Schnell-Lader GB 230/7,2-24V, 1h | ||||
| 760 | 2607224427 | 102.63 | 122.13 | |
| Schnell-Lader J 100/7,2-14,4V, 30 MIN. | ||||
| 760 | 2607224711 | 101.94 | 121.31 | |
| Schnell-Lader EU 230/7,2-14,4V, 30 MIN. | ||||
| 760 | 2607224701 | 101.94 | 121.31 | |
| Schnell-Lader AUS 240/7,2-14,4V, 1h | ||||
| 760 | 2607224443 | 81.47 | 96.95 | |
| Gleichstrommotor 7,2V | ||||
| 802 | 2607022911 | 22.88 | 27.23 | |
| Keine Informationen verfügbar, nicht bestellbar | ||||
| 899 | 0601929023 | |||