Hier finden Sie alle verfügbaren Teile und Zeichnungen der 'Bosch 0601705703 ( GWS14-125CE )'. Von hier aus können Sie alle gewünschten Teile direkt bestellen. Viele Teile müssen je nach Marke beim Hersteller bestellt werden, dies dauert ein bis vier Wochen. Alle Informationen, die wir haben, befinden sich auf unserer Website. Wir können Sie nicht beraten, was Sie benötigen. Dazu müssen Sie die Maschine zur Reparatur zurücksenden. Bitte beachten Sie bei der Bestellung Folgendes:
Zeichnungen der Bosch 0601705703 ( GWS14-125CE )
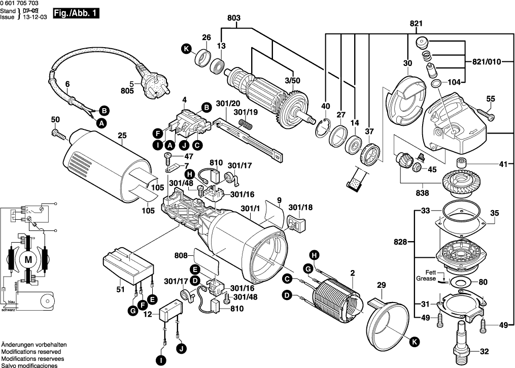
Teileliste der Bosch 0601705703 ( GWS14-125CE )
| Pos. | Beschreibung | Preis ohne MwSt | Preis inkl. MwSt | |
| Die angegebenen Preise enthalten die Mehrwertsteuer | ||||
| Polschuh | ||||
| 2 | 1607000F0S | 33.33 | 39.66 | |
| Polschuh 220-230v | ||||
| 2 | 160422054U | 25.28 | 30.08 | |
| Lüfter | ||||
| 3/50 | 1606610132 | 1.90 | 2.26 | |
| Schalter | ||||
| 4 | 1607200137 | 10.68 | 12.71 | |
| Tülle Ø6,5-Ø6,9x95 MM | ||||
| 6 | 2600703012 | 2.52 | 3.00 | |
| Tülle Ø7,6-Ø8,2x95 MM | ||||
| 6 | 2600703013 | 2.18 | 2.59 | |
| Befestigungsschelle | ||||
| 7 | 1601302017 | 1.00 | 1.19 | |
| Firmenschild | ||||
| 9 | 1601118A77 | 2.18 | 2.59 | |
| Entstörfilter | ||||
| 12 | 1607328042 | 5.96 | 7.09 | |
| Kugellager 7x19x6 | ||||
| 13 | 2600905032 | 4.58 | 5.45 | |
| Rillenkugellager 8x22x7 | ||||
| 14 | 1600905032 | 5.27 | 6.27 | |
| Gehäusedeckel BLAU | ||||
| 25 | 1600508016 | 5.96 | 7.09 | |
| Gummiring | ||||
| 26 | 1600206036 | 1.32 | 1.57 | |
| Gummiring | ||||
| 27 | 1600206025 | 1.90 | 2.26 | |
| Luftleitring | ||||
| 29 | 1600591025 | 2.18 | 2.59 | |
| Luftleitring | ||||
| 30 | 1600591014 | 2.18 | 2.59 | |
| Nicht mehr lieferbar, kein Ersatz | ||||
| 31 | 1601290007 | |||
| Schleifspindel | ||||
| 32 | 1607000D6A | 6.53 | 7.77 | |
| O-Ring 46,0x1,1 MM ROT | ||||
| 33 | 3600210124 | 2.52 | 3.00 | |
| Ausgleichscheibe 0,15 MM DICK | ||||
| 35 | 1600136020 | 3.04 | 3.62 | |
| Ausgleichscheibe 0,1 MM DICK | ||||
| 35 | 1600136013 | 2.18 | 2.59 | |
| Ausgleichscheibe 0,2 MM DICK | ||||
| 35 | 1600136014 | 2.18 | 2.59 | |
| Ausgleichscheibe 0,3 MM DICK | ||||
| 35 | 1600136015 | 2.18 | 2.59 | |
| Radial-Wellendichtring | ||||
| 37 | 1600290016 | 2.18 | 2.59 | |
| Sicherungsbügel | ||||
| 40 | 1600119011 | 1.90 | 2.26 | |
| Nadelhülse Ø8xØ12x8 MM | ||||
| 41 | 1600910018 | 4.58 | 5.45 | |
| Sechskantmutter M7, SW10 | ||||
| 45 | 1603300016 | 1.32 | 1.57 | |
| Blechschraube DIN7981-ST3,9x13-C-Z | ||||
| 47 | 2912401018 | 1.00 | 1.19 | |
| Gewindefurchschraube | ||||
| 49 | 1603435026 | 1.90 | 2.26 | |
| Blechschraube DIN7981-ST3,9x19-F-Z | ||||
| 50 | 2912401420 | 1.00 | 1.19 | |
| Nicht mehr lieferbar, kein Ersatz | ||||
| 51 | 1607233110 | |||
| Linsenschraube | ||||
| 55 | 1603415005 | 0.83 | 0.99 | |
| Abdeckscheibe | ||||
| 80 | 1619P09390 | 1.90 | 2.26 | |
| O-Ring 4,5x1,0 MM BLAU | ||||
| 104 | 1600210044 | 1.00 | 1.19 | |
| Isolierplatte | ||||
| 105 | 1601008005 | 4.58 | 5.45 | |
| Motorgehäuse BLAU | ||||
| 301/1 | 1605108208 | 9.47 | 11.27 | |
| Bürstenhalter | ||||
| 301/16 | 1601323025 | 3.04 | 3.62 | |
| Spiralfeder | ||||
| 301/17 | 1604652013 | 1.32 | 1.57 | |
| Ratschenkappe | ||||
| 301/18 | F016F05700 | 1.00 | 1.19 | |
| Druckfeder | ||||
| 301/19 | 1604611026 | 1.00 | 1.19 | |
| Verstellschieber | ||||
| 301/20 | 1602319011 | 1.32 | 1.57 | |
| Blechschraube DIN7981-ST2,9x9,5C-Z | ||||
| 301/48 | 2912401005 | 1.00 | 1.19 | |
| O-Ring 20,35x1,78 MM | ||||
| 650/50/20 | 1600210039 | 1.90 | 2.26 | |
| Schutzhaube | ||||
| 750/10 | 1600A025XP | 8.48 | 10.09 | |
| Keine Informationen verfügbar, nicht bestellbar | ||||
| 750/20 | 1603340040 | |||
| Keine Informationen verfügbar, nicht bestellbar | ||||
| 750/30 | 1607950043 | |||
| Keine Informationen verfügbar, nicht bestellbar | ||||
| 750/50 | 1605703099 | |||
| Keine Informationen verfügbar, nicht bestellbar | ||||
| 751 | 2605510101 | |||
| SNELSPANMOER | ||||
| 752 | 1603340027 | 45.52 | 54.17 | |
| Schnellspannmutter | ||||
| 752 | 1600A016PP | 41.30 | 49.15 | |
| Nicht mehr lieferbar, kein Ersatz | ||||
| 753 | 1605438100 | |||
| Anker Mit Lüfter 220-240V | ||||
| 803 | 1604010650 | 91.33 | 108.68 | |
| Netzanschlussleitung EU 230V 4,15m 2 x 1,0mm H05 | ||||
| 805 | 1607000386 | 17.60 | 20.94 | |
| Typschild | ||||
| 808 | 160111A3H3 | 2.18 | 2.59 | |
| Kohlebürstensatz | ||||
| 810 | 1607014176 | 11.02 | 13.11 | |
| Getriebegehäuse | ||||
| 821 | 1605806451 | 37.50 | 44.62 | |
| Druckknopf SCHWARZ | ||||
| 821/010 | 1607000253 | 1.90 | 2.26 | |
| Lagerflansch SCHWARZ | ||||
| 828 | 1605805079 | 15.61 | 18.58 | |
| Getriebeeinheit | ||||
| 838 | 1607000D4Y | 13.90 | 16.54 | |