Hier finden Sie alle verfügbaren Teile und Zeichnungen der 'Bosch 0601356903 ( GWS20-180 )'. Von hier aus können Sie alle gewünschten Teile direkt bestellen. Viele Teile müssen je nach Marke beim Hersteller bestellt werden, dies dauert ein bis vier Wochen. Alle Informationen, die wir haben, befinden sich auf unserer Website. Wir können Sie nicht beraten, was Sie benötigen. Dazu müssen Sie die Maschine zur Reparatur zurücksenden. Bitte beachten Sie bei der Bestellung Folgendes:
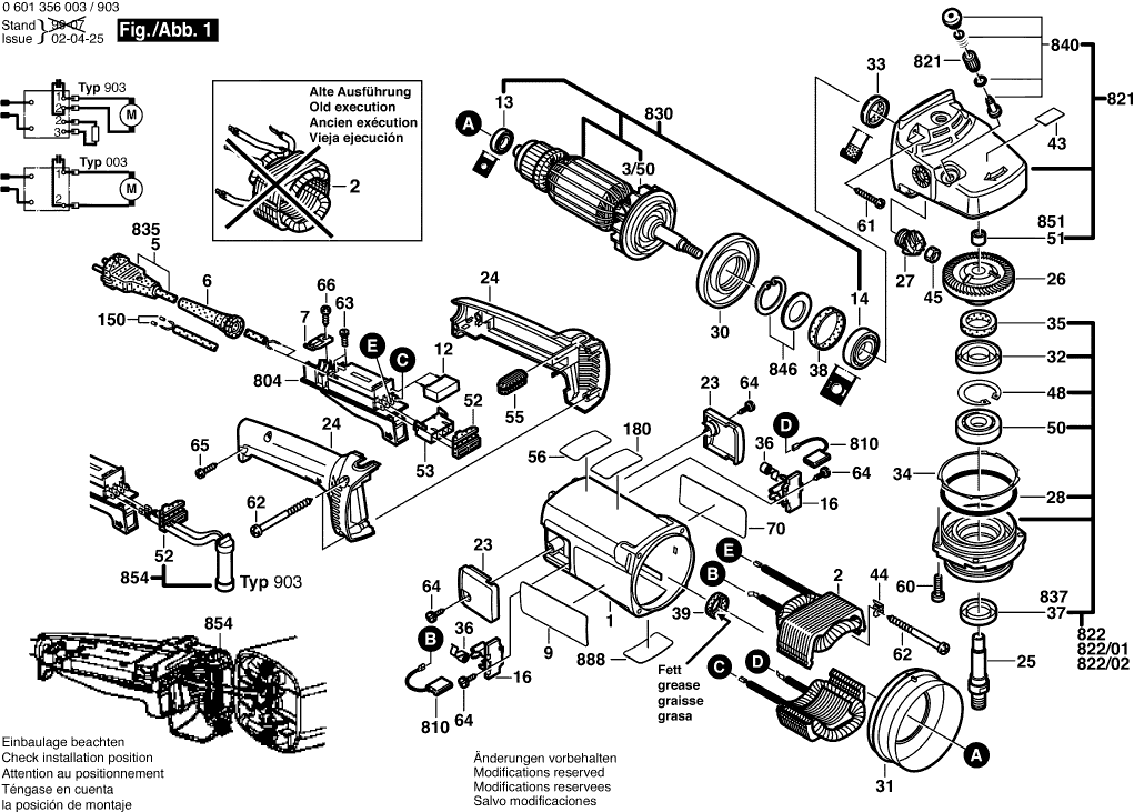
Zeichnungen der Bosch 0601356903 ( GWS20-180 )
Teileliste der Bosch 0601356903 ( GWS20-180 )
| Pos. | Beschreibung | Preis ohne MwSt | Preis inkl. MwSt | |
| Die angegebenen Preise enthalten die Mehrwertsteuer | ||||
| Nicht mehr lieferbar, kein Ersatz | ||||
| 1 | 1605108144 | |||
| Polschuh 220-240V | ||||
| 2 | 1604220380 | 33.33 | 39.66 | |
| Lüfter | ||||
| 3/50 | 1606610127 | 2.52 | 3.00 | |
| Tülle Ø7,9-ø12,0x120 Mm | ||||
| 6 | 1600703022 | 2.52 | 3.00 | |
| Tülle Ø 10,5-Ø11,0x100 MM | ||||
| 6 | 1600703023 | 2.18 | 2.59 | |
| Befestigungsschelle | ||||
| 7 | 1601302018 | 1.32 | 1.57 | |
| Keine Informationen verfügbar, nicht bestellbar | ||||
| 9 | 1601118680 | |||
| Entstörfilter | ||||
| 12 | 1607328035 | 3.71 | 4.41 | |
| Rillenkugellager 8x22x7 | ||||
| 13 | 1600905011 | 5.27 | 6.27 | |
| Rillenkugellager | ||||
| 14 | 1600905028 | 9.47 | 11.27 | |
| Bürstenhalter | ||||
| 16 | 1604336021 | 2.52 | 3.00 | |
| Verschlussdeckel SCHWARZ | ||||
| 23 | 1605500150 | 3.04 | 3.62 | |
| Handgriff BLAU | ||||
| 24 | 1605132117 | 9.47 | 11.27 | |
| Schleifspindel M14, SW17 | ||||
| 25 | 1603523100 | 12.21 | 14.53 | |
| Nicht mehr lieferbar, kein Ersatz | ||||
| 26 | 1606333618 | |||
| Kegelrad Z=17 | ||||
| 27 | 1606333237 | 26.84 | 31.94 | |
| O-Ring 79,0x1,78 MM | ||||
| 28 | 1600210033 | 1.32 | 1.57 | |
| Luftleitring | ||||
| 30 | 1600591010 | 1.90 | 2.26 | |
| Luftleitring | ||||
| 31 | 1600591011 | 1.32 | 1.57 | |
| Haltering | ||||
| 32 | 1600290019 | 1.32 | 1.57 | |
| Radial-Wellendichtring 18,7 MM ROT | ||||
| 33 | 1600290013 | 2.18 | 2.59 | |
| Ausgleichscheibe 0,3 MM DICK | ||||
| 34 | 1600190021 | 2.18 | 2.59 | |
| Ausgleichscheibe 0,1 MM DICK | ||||
| 34 | 1600190022 | 1.32 | 1.57 | |
| Ausgleichscheibe 0,15 MM DICK | ||||
| 34 | 1600190020 | 1.32 | 1.57 | |
| Filzring | ||||
| 35 | 1600205034 | 1.32 | 1.57 | |
| Spiralfeder | ||||
| 36 | 1604652015 | 2.52 | 3.00 | |
| Dichtring SCHWARZ | ||||
| 37 | 1600290036 | 1.90 | 2.26 | |
| Gummiring 7 MM BREIT | ||||
| 38 | 1600206020 | 1.32 | 1.57 | |
| Gummiring | ||||
| 39 | 1600206030 | 1.32 | 1.57 | |
| Hinweisschild | ||||
| 43 | 1601110470 | 1.00 | 1.19 | |
| Haltewinkel | ||||
| 44 | 1601334008 | 2.18 | 2.59 | |
| Sechskantmutter M10, SW14 | ||||
| 45 | 1603300019 | 1.32 | 1.57 | |
| Sicherungsring | ||||
| 48 | 1600119010 | 1.32 | 1.57 | |
| Rillenkugellager | ||||
| 50 | 3600905134 | 9.47 | 11.27 | |
| Gleitlager Ø14 MM | ||||
| 51 | 1600200031 | 2.52 | 3.00 | |
| Kabelführung | ||||
| 52 | 1602388027 | 2.18 | 2.59 | |
| Steckhülsengehäuse | ||||
| 53 | 1605190038 | 1.32 | 1.57 | |
| Ablageleiste SCHWARZ | ||||
| 55 | 1602388029 | 1.32 | 1.57 | |
| Hinweisschild | ||||
| 56 | 1601110530 | 0.83 | 0.99 | |
| Gewindefurchschraube TT M5x18 MM | ||||
| 60 | 1603435023 | 1.90 | 2.26 | |
| Blechschraube DIN 7981-4,8x38-C-Z-ST | ||||
| 61 | 2912401038 | 1.00 | 1.19 | |
| Blechschraube C4,8x63 MM | ||||
| 62 | 1603435024 | 1.32 | 1.57 | |
| Flachkopfschraube M4x10 MM | ||||
| 63 | 1603410014 | 1.32 | 1.57 | |
| Kunststoffschneidschraube St3,9x12 | ||||
| 64 | 1603435042 | 1.32 | 1.57 | |
| Blechschraube DIN 7981-3,9x19-C-Z-ST | ||||
| 65 | 2912401020 | 1.90 | 2.26 | |
| Blechschraube DIN 7971-ST3,9x16-F | ||||
| 66 | 2910211019 | 1.00 | 1.19 | |
| Firmenschild | ||||
| 70 | 1601110551 | 1.18 | 1.40 | |
| O-Ring 20,35x1,78 MM | ||||
| 650/30/20 | 1600210039 | 1.90 | 2.26 | |
| Teilesatz Ø180 MM | ||||
| 700 | 1607000250 | 0.83 | 0.99 | |
| Nicht mehr lieferbar, kein Ersatz | ||||
| 700/10 | 1605510222 | |||
| Führungsschlitten | ||||
| 700/20 | 1608135006 | 73.72 | 87.73 | |
| Keine Informationen verfügbar, nicht bestellbar | ||||
| 702 | 1605510179 | |||
| Verbindungsstutzen Ø32,3xØ34,9x75 MM | ||||
| 702/20 | 1600309009 | 15.71 | 18.69 | |
| Keine Informationen verfügbar, nicht bestellbar | ||||
| 703 | 1607000247 | |||
| Sechskantschraube M14x16x1,5 MM | ||||
| 703/11 | 2603450007 | 5.27 | 6.27 | |
| Nicht mehr lieferbar, kein Ersatz | ||||
| 704 | 1605510181 | |||
| Nicht mehr lieferbar, kein Ersatz | ||||
| 730 | 1608601006 | |||
| Keine Informationen verfügbar, nicht bestellbar | ||||
| 730/20 | 1603345004 | |||
| Keine Informationen verfügbar, nicht bestellbar | ||||
| 740 | 1601329013 | |||
| Keine Informationen verfügbar, nicht bestellbar | ||||
| 750/10 | 2602025075 | |||
| Sechskantschraube M14x16x1,5 MM | ||||
| 750/11 | 2603450007 | 5.27 | 6.27 | |
| Keine Informationen verfügbar, nicht bestellbar | ||||
| 750/20 | 1607950048 | |||
| Flachrundschraube DIN 603-M 8x25 | ||||
| 750/20/30 | 2910281244 | 1.18 | 1.40 | |
| Flügelmutter DIN 315-M8-GT-C | ||||
| 750/20/40 | 2915191007 | 3.04 | 3.62 | |
| Unterlegscheibe DIN 315-M8-GT-C | ||||
| 750/20/50 | 2600100041 | 1.32 | 1.57 | |
| Druckfeder | ||||
| 750/20/60 | 1604643003 | 5.96 | 7.09 | |
| Keine Informationen verfügbar, nicht bestellbar | ||||
| 750/30 | 1605703099 | |||
| Keine Informationen verfügbar, nicht bestellbar | ||||
| 750/40 | 1603340040 | |||
| Nicht mehr lieferbar, kein Ersatz | ||||
| 751 | 1605510222 | |||
| Keine Informationen verfügbar, nicht bestellbar | ||||
| 764 | 1607950004 | |||
| SNELSPANMOER | ||||
| 770 | 1603340027 | 45.52 | 54.17 | |
| Schnellspannmutter | ||||
| 770 | 1600A016PP | 41.30 | 49.15 | |
| Schalter | ||||
| 804 | 1607200105 | 50.23 | 59.77 | |
| Kohlebürstensatz | ||||
| 810 | 1607014171 | 12.21 | 14.53 | |
| Getriebegehäuse | ||||
| 821 | 1605805592 | 82.63 | 98.33 | |
| Nicht mehr lieferbar, kein Ersatz | ||||
| 822 | 1607000986 | |||
| Lagerflansch Ø180 MM SCHWARZ | ||||
| 822/01 | 1607000931 | 29.75 | 35.40 | |
| Lagerflansch Ø180 MM SILBER | ||||
| 822/02 | 1607000921 | 40.61 | 48.33 | |
| Anker 230V | ||||
| 830 | 1604011145 | 113.29 | 134.82 | |
| Netzanschlussleitung EU 4,15m 2 x 1,5mm H07 RN-F | ||||
| 835 | 1607000228 | 22.88 | 27.23 | |
| Dichtring | ||||
| 837 | 1600290020 | 1.32 | 1.57 | |
| Druckknopf SCHWARZ | ||||
| 840 | 1607000206 | 9.47 | 11.27 | |
| Haltescheibe | ||||
| 846 | 1607000342 | 3.04 | 3.62 | |
| Nadellager Ø14 MM | ||||
| 851 | 2600910001 | 3.71 | 4.41 | |
| Nicht mehr lieferbar, kein Ersatz | ||||
| 854 | 1607000926 | |||
| Typschild | ||||
| 888 | 160111A3H3 | 2.18 | 2.59 | |