Hier finden Sie alle verfügbaren Teile und Zeichnungen der 'Bosch 0601362178 ( GWS24-230 )'. Von hier aus können Sie alle gewünschten Teile direkt bestellen. Viele Teile müssen je nach Marke beim Hersteller bestellt werden, dies dauert ein bis vier Wochen. Alle Informationen, die wir haben, befinden sich auf unserer Website. Wir können Sie nicht beraten, was Sie benötigen. Dazu müssen Sie die Maschine zur Reparatur zurücksenden. Bitte beachten Sie bei der Bestellung Folgendes:
Zeichnungen der Bosch 0601362178 ( GWS24-230 )
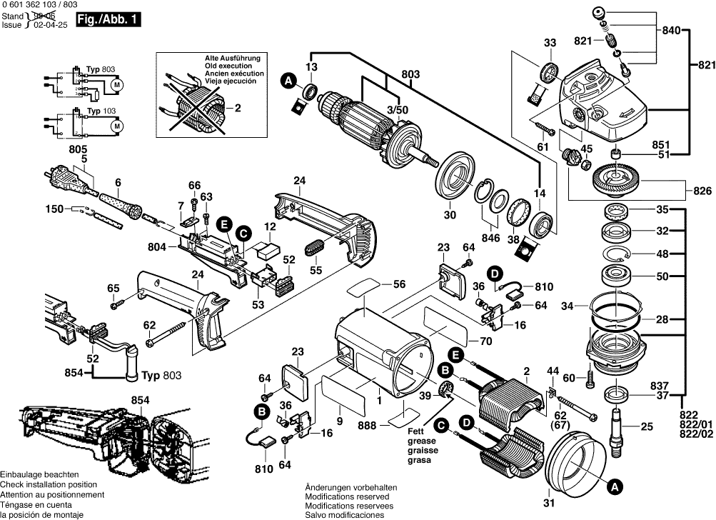
Teileliste der Bosch 0601362178 ( GWS24-230 )
| Pos. | Beschreibung | Preis ohne MwSt | Preis inkl. MwSt | |
| Die angegebenen Preise enthalten die Mehrwertsteuer | ||||
| Motorgehäuse SCHWARZ | ||||
| 1 | 1605108145 | 22.88 | 27.23 | |
| Polschuh | ||||
| 2 | 160422057K | 67.98 | 80.90 | |
| Lüfter | ||||
| 3/50 | 1606610127 | 2.52 | 3.00 | |
| Tülle Ø 10,5-Ø11,0x100 MM | ||||
| 6 | 1600703023 | 2.18 | 2.59 | |
| Befestigungsschelle | ||||
| 7 | 1601302018 | 1.32 | 1.57 | |
| Firmenschild | ||||
| 9 | 1601118349 | 2.24 | 2.67 | |
| Entstörfilter | ||||
| 12 | 1607328035 | 3.71 | 4.41 | |
| Rillenkugellager 8x22x7 | ||||
| 13 | 1600905011 | 5.27 | 6.27 | |
| Rillenkugellager 10x35x11 | ||||
| 14 | 1600905025 | 9.53 | 11.34 | |
| Bürstenhalter | ||||
| 16 | 1604336021 | 2.52 | 3.00 | |
| Verschlussdeckel SCHWARZ | ||||
| 23 | 1605500150 | 3.04 | 3.62 | |
| Handgriff BLAU | ||||
| 24 | 1605132117 | 9.47 | 11.27 | |
| Schleifspindel M14, SW17 | ||||
| 25 | 1603523100 | 12.21 | 14.53 | |
| O-Ring 79,0x1,78 MM | ||||
| 28 | 1600210033 | 1.32 | 1.57 | |
| Luftleitring | ||||
| 30 | 1600591010 | 1.90 | 2.26 | |
| Luftleitring | ||||
| 31 | 1600591011 | 1.32 | 1.57 | |
| Haltering | ||||
| 32 | 1600290019 | 1.32 | 1.57 | |
| Radial-Wellendichtring 18,7 MM ROT | ||||
| 33 | 1600290013 | 2.18 | 2.59 | |
| Radial-Wellendichtring 16 MM BLAU | ||||
| 33 | 1600290064 | 1.90 | 2.26 | |
| Ausgleichscheibe 0,3 MM DICK | ||||
| 34 | 1600190021 | 2.18 | 2.59 | |
| Ausgleichscheibe 0,1 MM DICK | ||||
| 34 | 1600190022 | 1.32 | 1.57 | |
| Ausgleichscheibe 0,15 MM DICK | ||||
| 34 | 1600190020 | 1.32 | 1.57 | |
| Filzring | ||||
| 35 | 1600205034 | 1.32 | 1.57 | |
| Spiralfeder | ||||
| 36 | 1604652015 | 2.52 | 3.00 | |
| Dichtring SCHWARZ | ||||
| 37 | 1600290036 | 1.90 | 2.26 | |
| Gummiring 7 MM BREIT | ||||
| 38 | 1600206020 | 1.32 | 1.57 | |
| Gummiring | ||||
| 39 | 1600206030 | 1.32 | 1.57 | |
| Haltewinkel | ||||
| 44 | 1601334008 | 2.18 | 2.59 | |
| Sechskantmutter M10, SW14 | ||||
| 45 | 1603300019 | 1.32 | 1.57 | |
| Sicherungsring | ||||
| 48 | 1600119010 | 1.32 | 1.57 | |
| Rillenkugellager | ||||
| 50 | 3600905134 | 9.47 | 11.27 | |
| Gleitlager Ø14 MM | ||||
| 51 | 1600200031 | 2.52 | 3.00 | |
| Kabelführung | ||||
| 52 | 1602388027 | 2.18 | 2.59 | |
| Steckhülsengehäuse | ||||
| 53 | 1605190038 | 1.32 | 1.57 | |
| Ablageleiste SCHWARZ | ||||
| 55 | 1602388029 | 1.32 | 1.57 | |
| Gewindefurchschraube TT M5x18 MM | ||||
| 60 | 1603435023 | 1.90 | 2.26 | |
| Blechschraube DIN 7981-4,8x38-C-Z-ST | ||||
| 61 | 2912401038 | 1.00 | 1.19 | |
| Blechschraube C4,8x63 MM | ||||
| 62 | 1603435024 | 1.32 | 1.57 | |
| Flachkopfschraube M4x10 MM | ||||
| 63 | 1603410014 | 1.32 | 1.57 | |
| Kunststoffschneidschraube St3,9x12 | ||||
| 64 | 1603435042 | 1.32 | 1.57 | |
| Blechschraube DIN 7981-3,9x19-C-Z-ST | ||||
| 65 | 2912401020 | 1.90 | 2.26 | |
| Blechschraube DIN 7971-ST3,9x16-F | ||||
| 66 | 2910211019 | 1.00 | 1.19 | |
| Blechschraube BZ 4,8x78 MM | ||||
| 67 | 1603435019 | 1.18 | 1.40 | |
| O-Ring 20,35x1,78 MM | ||||
| 650/30/20 | 1600210039 | 1.90 | 2.26 | |
| Teilesatz Ø230 MM | ||||
| 700 | 1607000251 | 0.83 | 0.99 | |
| Nicht mehr lieferbar, kein Ersatz | ||||
| 700/10 | 1605510223 | |||
| Führungsschlitten | ||||
| 700/20 | 1608135006 | 73.72 | 87.73 | |
| Führungsschlitten | ||||
| 701 | 1608135006 | 73.72 | 87.73 | |
| Keine Informationen verfügbar, nicht bestellbar | ||||
| 702 | 1605510180 | |||
| Keine Informationen verfügbar, nicht bestellbar | ||||
| 703 | 1607000247 | |||
| Sechskantschraube M14x16x1,5 MM | ||||
| 703/20 | 2603450007 | 5.27 | 6.27 | |
| Nicht mehr lieferbar, kein Ersatz | ||||
| 704 | 1605510181 | |||
| Nicht mehr lieferbar, kein Ersatz | ||||
| 730 | 1608601006 | |||
| Keine Informationen verfügbar, nicht bestellbar | ||||
| 730/20 | 1603345004 | |||
| Unterlegscheibe Din 125-a15-st | ||||
| 730/30 | 2916011022 | 1.32 | 1.57 | |
| Keine Informationen verfügbar, nicht bestellbar | ||||
| 740 | 1601329013 | |||
| Keine Informationen verfügbar, nicht bestellbar | ||||
| 750/10 | 2602025075 | |||
| Keine Informationen verfügbar, nicht bestellbar | ||||
| 750/20 | 1607950048 | |||
| Flachrundschraube DIN 603-M 8x25 | ||||
| 750/20/30 | 2910281244 | 1.18 | 1.40 | |
| Flügelmutter DIN 315-M8-GT-C | ||||
| 750/20/40 | 2915191007 | 3.04 | 3.62 | |
| Unterlegscheibe DIN 315-M8-GT-C | ||||
| 750/20/50 | 2600100041 | 1.32 | 1.57 | |
| Druckfeder | ||||
| 750/20/60 | 1604643003 | 5.96 | 7.09 | |
| Keine Informationen verfügbar, nicht bestellbar | ||||
| 750/30 | 1605703099 | |||
| Keine Informationen verfügbar, nicht bestellbar | ||||
| 750/40 | 1603340040 | |||
| Nicht mehr lieferbar, kein Ersatz | ||||
| 751 | 1605510223 | |||
| Nicht mehr lieferbar, kein Ersatz | ||||
| 751/5 | 1605510223 | |||
| Keine Informationen verfügbar, nicht bestellbar | ||||
| 763 | 1600793007 | |||
| Keine Informationen verfügbar, nicht bestellbar | ||||
| 764 | 1607950004 | |||
| SNELSPANMOER | ||||
| 770 | 1603340027 | 45.52 | 54.17 | |
| Schnellspannmutter | ||||
| 770 | 1600A016PP | 41.30 | 49.15 | |
| Anker 230-240V | ||||
| 803 | 1604011156 | 146.07 | 173.82 | |
| Schalter | ||||
| 804 | 1607200103 | 26.62 | 31.68 | |
| Netzanschlussleitung EU 4,15m 2 x 1,5mm H07 RN-F | ||||
| 805 | 1607000228 | 22.88 | 27.23 | |
| Kohlebürstensatz | ||||
| 810 | 1607014171 | 12.21 | 14.53 | |
| Getriebegehäuse | ||||
| 821 | 1605805592 | 82.63 | 98.33 | |
| Nicht mehr lieferbar, kein Ersatz | ||||
| 822 | 1607000985 | |||
| Nicht mehr lieferbar, kein Ersatz | ||||
| 822/01 | 1607000932 | |||
| Lagerflansch Ø 230 MM SILBER | ||||
| 822/02 | 1607000922 | 26.62 | 31.68 | |
| Ersatzteilgruppe | ||||
| 826 | 1600A005BH | 45.52 | 54.17 | |
| Dichtring | ||||
| 837 | 1600290020 | 1.32 | 1.57 | |
| Druckknopf SCHWARZ | ||||
| 840 | 1607000206 | 9.47 | 11.27 | |
| Haltescheibe | ||||
| 846 | 1607000C3E | 10.68 | 12.71 | |
| Nadellager Ø14 MM | ||||
| 851 | 2600910001 | 3.71 | 4.41 | |
| Typschild | ||||
| 888 | 160111A3H3 | 2.18 | 2.59 | |