Hier finden Sie alle verfügbaren Teile und Zeichnungen der 'Bosch 0603391008 ( PBS7A )'. Von hier aus können Sie alle gewünschten Teile direkt bestellen. Viele Teile müssen je nach Marke beim Hersteller bestellt werden, dies dauert ein bis vier Wochen. Alle Informationen, die wir haben, befinden sich auf unserer Website. Wir können Sie nicht beraten, was Sie benötigen. Dazu müssen Sie die Maschine zur Reparatur zurücksenden. Bitte beachten Sie bei der Bestellung Folgendes:
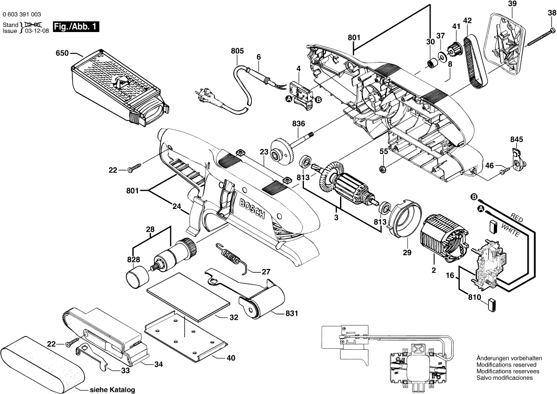
Zeichnungen der Bosch 0603391008 ( PBS7A )
Teileliste der Bosch 0603391008 ( PBS7A )
| Pos. | Beschreibung | Preis ohne MwSt | Preis inkl. MwSt | |
| Die angegebenen Preise enthalten die Mehrwertsteuer | ||||
| Nicht mehr lieferbar, kein Ersatz | ||||
| 2 | 2610390992 | |||
| Nicht mehr lieferbar, kein Ersatz | ||||
| 3 | 2610391052 | |||
| Schalter | ||||
| 4 | 2610390848 | 9.47 | 11.27 | |
| Tülle Ø6,5-Ø6,9x95 MM | ||||
| 6 | 2600703012 | 2.52 | 3.00 | |
| Typschild | ||||
| 8 | 2610391511 | 2.71 | 3.22 | |
| Bürstenhalter | ||||
| 16 | 2610391288 | 9.47 | 11.27 | |
| Torx-Linsenschraube T20-8x19 MM | ||||
| 22 | 2610374919 | 1.00 | 1.19 | |
| Vierkantmutter | ||||
| 23 | 2610385585 | 1.32 | 1.57 | |
| Nicht mehr lieferbar, kein Ersatz | ||||
| 24 | 2610389694 | |||
| Feder | ||||
| 27 | 2610392308 | 1.32 | 1.57 | |
| Riemenscheibe | ||||
| 28 | 2609000812 | 17.60 | 20.94 | |
| Luftleitblech | ||||
| 29 | 2610389927 | 2.24 | 2.67 | |
| Nadelhülse | ||||
| 30 | 2610377223 | 3.71 | 4.41 | |
| Nicht mehr lieferbar, kein Ersatz | ||||
| 32 | 2610389697 | |||
| Hebel | ||||
| 33 | 2610390971 | 2.24 | 2.67 | |
| Abdeckhaube | ||||
| 34 | 2610387965 | 3.71 | 4.41 | |
| Tellerfeder | ||||
| 37 | 2610391223 | 1.00 | 1.19 | |
| Torx-Linsenschraube 8x60 | ||||
| 38 | 2610374994 | 1.32 | 1.57 | |
| Bandabdeckung | ||||
| 39 | 2610389693 | 4.58 | 5.45 | |
| Halter | ||||
| 40 | 2610389698 | 6.53 | 7.77 | |
| Zahnriemenrad | ||||
| 41 | 2610387991 | 2.18 | 2.59 | |
| Zahnriemen | ||||
| 42 | 2610387984 | 5.96 | 7.09 | |
| Torx-Linsenschraube 8x16 | ||||
| 46 | 2610374916 | 1.32 | 1.57 | |
| Mutter M6 | ||||
| 55 | 2610061550 | 1.18 | 1.40 | |
| Staubkasten | ||||
| 650 | 1619X06377 | 10.68 | 12.71 | |
| Gehäusesatz | ||||
| 801 | 2610391451 | 41.30 | 49.15 | |
| Nicht mehr lieferbar, kein Ersatz | ||||
| 805 | 2610362954 | |||
| Kohlebürstensatz | ||||
| 810 | 2610391290 | 7.32 | 8.71 | |
| Nicht mehr lieferbar, kein Ersatz | ||||
| 813 | 2610376473 | |||
| Nicht mehr lieferbar, kein Ersatz | ||||
| 828 | 2610391336 | |||
| Nicht mehr lieferbar, kein Ersatz | ||||
| 831 | 2610376140 | |||
| Nicht mehr lieferbar, kein Ersatz | ||||
| 836 | 2610387990 | |||
| Hebelarm | ||||
| 845 | 2610392590 | 6.53 | 7.77 | |