Hier finden Sie alle verfügbaren Teile und Zeichnungen der 'Bosch 0603282152 ( PEX115A-1 )'. Von hier aus können Sie alle gewünschten Teile direkt bestellen. Viele Teile müssen je nach Marke beim Hersteller bestellt werden, dies dauert ein bis vier Wochen. Alle Informationen, die wir haben, befinden sich auf unserer Website. Wir können Sie nicht beraten, was Sie benötigen. Dazu müssen Sie die Maschine zur Reparatur zurücksenden. Bitte beachten Sie bei der Bestellung Folgendes:
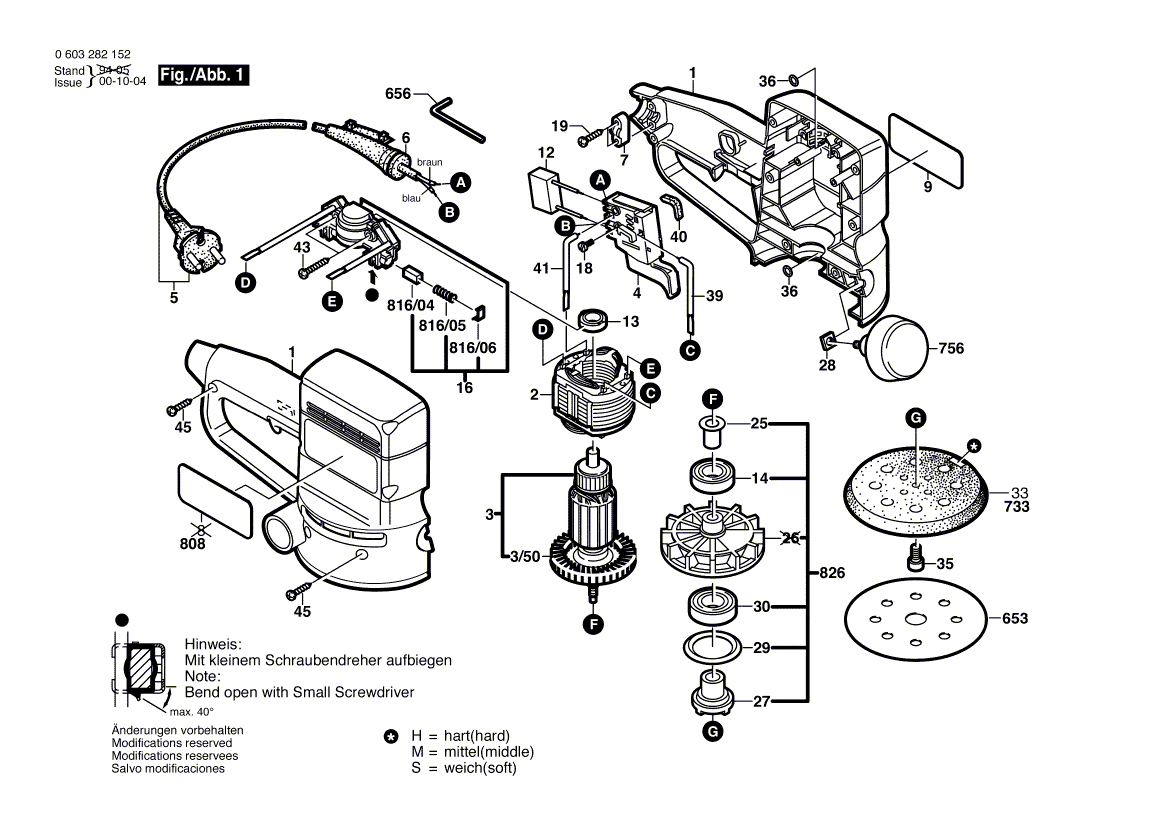
Zeichnungen der Bosch 0603282152 ( PEX115A-1 )
Teileliste der Bosch 0603282152 ( PEX115A-1 )
| Pos. | Beschreibung | Preis ohne MwSt | Preis inkl. MwSt | |
| Die angegebenen Preise enthalten die Mehrwertsteuer | ||||
| Keine Informationen verfügbar, nicht bestellbar | ||||
| 1 | 2605104451 | |||
| Nicht mehr lieferbar, kein Ersatz | ||||
| 2 | 2604220535 | |||
| Anker 220-240V | ||||
| 3 | 2604011014 | 29.75 | 35.40 | |
| Lüfter | ||||
| 3/50 | 2606610055 | 3.71 | 4.41 | |
| Schalter | ||||
| 4 | 2607200260 | 9.47 | 11.27 | |
| Keine Informationen verfügbar, nicht bestellbar | ||||
| 5 | 2604460124 | |||
| Tülle Ø6,5-Ø6,9x95 MM | ||||
| 6 | 2600703031 | 1.94 | 2.31 | |
| Leitungshalter | ||||
| 7 | 2601035001 | 1.32 | 1.57 | |
| Keine Informationen verfügbar, nicht bestellbar | ||||
| 9 | 2610384569 | |||
| Nicht mehr lieferbar, kein Ersatz | ||||
| 12 | 1607328028 | |||
| Nicht mehr lieferbar, kein Ersatz | ||||
| 13 | 2605805005 | |||
| Rillenkugellager | ||||
| 14 | 2600905034 | 11.02 | 13.11 | |
| Nicht mehr lieferbar, kein Ersatz | ||||
| 16 | 2604337118 | |||
| Zylinderschraube M3x6,5-4.8 | ||||
| 18 | 2603410001 | 1.32 | 1.57 | |
| Torx-Linsenschraube 4x12 | ||||
| 19 | 2603490021 | 1.00 | 1.19 | |
| Anschlaghülse | ||||
| 25 | 2600422004 | 1.18 | 1.40 | |
| Nicht mehr lieferbar, kein Ersatz | ||||
| 27 | 2600328016 | |||
| Nicht mehr lieferbar, kein Ersatz | ||||
| 28 | 2915011006 | |||
| Scheibe | ||||
| 29 | 2600190059 | 1.90 | 2.26 | |
| Nicht mehr lieferbar, kein Ersatz | ||||
| 30 | 2600905111 | |||
| Keine Informationen verfügbar, nicht bestellbar | ||||
| 33 | 2608601056 | |||
| Nicht mehr lieferbar, kein Ersatz | ||||
| 35 | 2910975197 | |||
| O-Ring 5,0x1,5 MM | ||||
| 36 | 1900210000 | 1.32 | 1.57 | |
| Verbindungsleitung L=115 Mm Weiss | ||||
| 38 | 2604448109 | 1.00 | 1.19 | |
| Elektr Leitung L=103MM WEISS | ||||
| 39 | 2604448140 | 0.83 | 0.99 | |
| Nicht mehr lieferbar, kein Ersatz | ||||
| 40 | 2601022000 | |||
| Elektr Leitung L=233 MM WEISS | ||||
| 41 | 1614431010 | 3.04 | 3.62 | |
| Nicht mehr lieferbar, kein Ersatz | ||||
| 42 | 2600190150 | |||
| Torx-Linsenschraube 4x20 | ||||
| 43 | 2603490023 | 1.00 | 1.19 | |
| Schraube 4x16 | ||||
| 45 | 2603490022 | 1.00 | 1.19 | |
| Keine Informationen verfügbar, nicht bestellbar | ||||
| 654 | 2605411078 | |||
| Nicht mehr lieferbar, kein Ersatz | ||||
| 655 | 2605702012 | |||
| Winkelschraubendreher DIN 911-4 | ||||
| 656 | 2607950004 | 1.32 | 1.57 | |
| Keine Informationen verfügbar, nicht bestellbar | ||||
| 733 | 2608601065 | |||
| Nicht mehr lieferbar, kein Ersatz | ||||
| 752 | 2600282002 | |||
| Nicht mehr lieferbar, kein Ersatz | ||||
| 756 | 2602026046 | |||
| Keine Informationen verfügbar, nicht bestellbar | ||||
| 757 | 1609200976 | |||
| Keine Informationen verfügbar, nicht bestellbar | ||||
| 808 | 2601119228 | |||
| Nicht mehr lieferbar, kein Ersatz | ||||
| 816/04 | 2604321917 | |||
| Druckfeder | ||||
| 816/05 | 2604610026 | 2.18 | 2.59 | |
| Rastkappe | ||||
| 816/06 | 2601322013 | 1.32 | 1.57 | |
| Rastkappe | ||||
| 816/06 | 2601329051 | 1.32 | 1.57 | |
| Nicht mehr lieferbar, kein Ersatz | ||||
| 826 | 2606610900 | |||