Hier finden Sie alle verfügbaren Teile und Zeichnungen der 'Bosch 0603283103 ( PEX125A-1 )'. Von hier aus können Sie alle gewünschten Teile direkt bestellen. Viele Teile müssen je nach Marke beim Hersteller bestellt werden, dies dauert ein bis vier Wochen. Alle Informationen, die wir haben, befinden sich auf unserer Website. Wir können Sie nicht beraten, was Sie benötigen. Dazu müssen Sie die Maschine zur Reparatur zurücksenden. Bitte beachten Sie bei der Bestellung Folgendes:
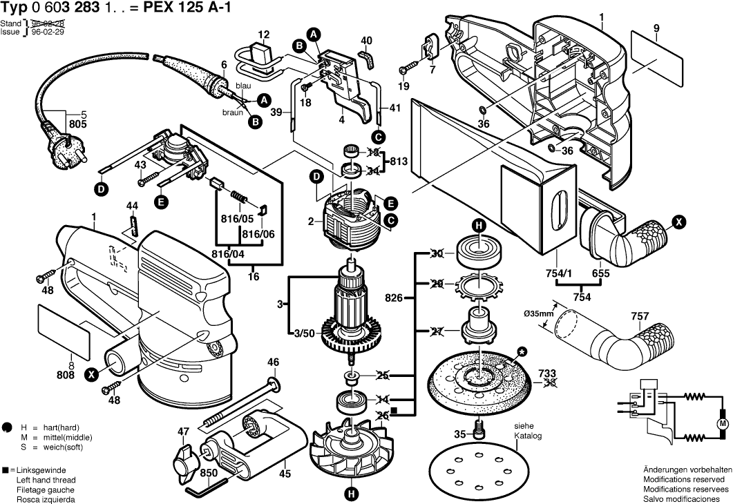
Zeichnungen der Bosch 0603283103 ( PEX125A-1 )
Teileliste der Bosch 0603283103 ( PEX125A-1 )
| Pos. | Beschreibung | Preis ohne MwSt | Preis inkl. MwSt | |
| Die angegebenen Preise enthalten die Mehrwertsteuer | ||||
| Gehäuseschale GRUEN | ||||
| 1 | 2605104288 | 15.71 | 18.69 | |
| Polschuh 230V | ||||
| 2 | 2604220538 | 15.71 | 18.69 | |
| Nicht mehr lieferbar, kein Ersatz | ||||
| 3 | 2604011018 | |||
| Lüfter | ||||
| 3/50 | 2606610079 | 3.31 | 3.94 | |
| Schalter | ||||
| 4 | 2607200260 | 9.47 | 11.27 | |
| Nicht mehr lieferbar, kein Ersatz | ||||
| 6 | 2600703007 | |||
| Leitungshalter | ||||
| 7 | 2601035004 | 1.90 | 2.26 | |
| Firmenschild | ||||
| 9 | 2601119195 | 2.71 | 3.22 | |
| Nicht mehr lieferbar, kein Ersatz | ||||
| 12 | 1607328028 | |||
| Nicht mehr lieferbar, kein Ersatz | ||||
| 16 | 2604337118 | |||
| Zylinderschraube M3x6,5-4.8 | ||||
| 18 | 2603410001 | 1.32 | 1.57 | |
| Torx-Linsenschraube 4x12 | ||||
| 19 | 2603490021 | 1.00 | 1.19 | |
| Nicht mehr lieferbar, kein Ersatz | ||||
| 35 | 2910975197 | |||
| Nicht mehr lieferbar, kein Ersatz | ||||
| 36 | 2600210036 | |||
| Verbindungsleitung L=154 MM WEISS | ||||
| 39 | 2604448000 | 1.18 | 1.40 | |
| Nicht mehr lieferbar, kein Ersatz | ||||
| 40 | 2601022000 | |||
| Elektr Leitung L=233 MM WEISS | ||||
| 41 | 1614431010 | 3.04 | 3.62 | |
| Torx-Linsenschraube 4x20 | ||||
| 43 | 2603490023 | 1.00 | 1.19 | |
| Dichtstreifen | ||||
| 44 | 2602380003 | 1.18 | 1.40 | |
| Nicht mehr lieferbar, kein Ersatz | ||||
| 45 | 2602025058 | |||
| Flachrundschraube DIN 603-M6x110 | ||||
| 46 | 2910285226 | 1.32 | 1.57 | |
| Sechskantmutter | ||||
| 47 | 2610387875 | 2.18 | 2.59 | |
| Schraube 4x16 | ||||
| 48 | 2603490022 | 1.00 | 1.19 | |
| Nicht mehr lieferbar, kein Ersatz | ||||
| 655 | 2605702029 | |||
| Keine Informationen verfügbar, nicht bestellbar | ||||
| 733 | 2608601063 | |||
| Staubbeutel 1 Stück | ||||
| 754 | 2605411069 | 3.04 | 3.62 | |
| Keine Informationen verfügbar, nicht bestellbar | ||||
| 757 | 2600499045 | |||
| Netzanschlussleitung EU 2,65m 2 x 1,0mm H05 RN-F | ||||
| 805 | 1607000388 | 10.68 | 12.71 | |
| Typschild | ||||
| 808 | 2601119191 | 2.71 | 3.22 | |
| Nicht mehr lieferbar, kein Ersatz | ||||
| 813 | 2605805005 | |||
| Kohlebürstensatz | ||||
| 816/04 | 2604321905 | 9.47 | 11.27 | |
| Druckfeder | ||||
| 816/05 | 2604610026 | 2.18 | 2.59 | |
| Rastkappe | ||||
| 816/06 | 2601322013 | 1.32 | 1.57 | |
| Nicht mehr lieferbar, kein Ersatz | ||||
| 826 | 2606610902 | |||
| Winkelschraubendreher DIN 911-4 | ||||
| 850 | 2607950004 | 1.32 | 1.57 | |