Hier finden Sie alle verfügbaren Teile und Zeichnungen der 'Bosch 0603285608 ( PSS28AE )'. Von hier aus können Sie alle gewünschten Teile direkt bestellen. Viele Teile müssen je nach Marke beim Hersteller bestellt werden, dies dauert ein bis vier Wochen. Alle Informationen, die wir haben, befinden sich auf unserer Website. Wir können Sie nicht beraten, was Sie benötigen. Dazu müssen Sie die Maschine zur Reparatur zurücksenden. Bitte beachten Sie bei der Bestellung Folgendes:
Zeichnungen der Bosch 0603285608 ( PSS28AE )
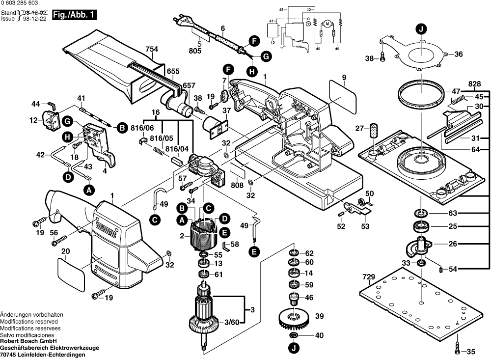
Teileliste der Bosch 0603285608 ( PSS28AE )
| Pos. | Beschreibung | Preis ohne MwSt | Preis inkl. MwSt | |
| Die angegebenen Preise enthalten die Mehrwertsteuer | ||||
| Gehäuseschale GRUEN | ||||
| 1 | 2605104542 | 36.85 | 43.85 | |
| Polschuh 220-240V | ||||
| 2 | 2604220476 | 26.84 | 31.94 | |
| Anker 230-240V | ||||
| 3 | 2604011057 | 49.56 | 58.98 | |
| Lüfter | ||||
| 3/60 | 2606610062 | 2.71 | 3.22 | |
| Schalter | ||||
| 4 | 2607200222 | 44.82 | 53.34 | |
| Nicht mehr lieferbar, kein Ersatz | ||||
| 6 | 2600703007 | |||
| Leitungshalter | ||||
| 7 | 2601035001 | 1.32 | 1.57 | |
| Firmenschild SONNENSEITE | ||||
| 9 | 2601118547 | 1.94 | 2.31 | |
| Nicht mehr lieferbar, kein Ersatz | ||||
| 12 | 2607329114 | |||
| Rillenkugellager 7x19x6 | ||||
| 13 | 1900905044 | 6.53 | 7.77 | |
| Rillenkugellager 8x22x7 | ||||
| 14 | 1900905041 | 11.02 | 13.11 | |
| Nicht mehr lieferbar, kein Ersatz | ||||
| 16 | 2609992604 | |||
| Zylinderschraube M3x6,5-4.8 | ||||
| 18 | 2603410001 | 1.32 | 1.57 | |
| Schraube 4x16 | ||||
| 19 | 2603490022 | 1.00 | 1.19 | |
| Hinweisschild SCHATTENSEITE | ||||
| 20 | 2601118548 | 1.94 | 2.31 | |
| Rillenkugellager 15x32x9 | ||||
| 25 | 2600905068 | 12.21 | 14.53 | |
| Exzenterscheibe | ||||
| 26 | 2600499037 | 13.93 | 16.58 | |
| Nicht mehr lieferbar, kein Ersatz | ||||
| 27 | 2603100050 | |||
| Spannhebel | ||||
| 30 | 2601923007 | 2.24 | 2.67 | |
| Nicht mehr lieferbar, kein Ersatz | ||||
| 31 | 2601099030 | |||
| O-Ring 5,0x1,5 MM | ||||
| 32 | 1900210000 | 1.32 | 1.57 | |
| Nicht mehr lieferbar, kein Ersatz | ||||
| 33 | 2603300013 | |||
| Torx-Linsenschraube 3x18 | ||||
| 34 | 2603490018 | 1.00 | 1.19 | |
| Gewindefurchschraube M4x8 | ||||
| 35 | 2603410048 | 1.32 | 1.57 | |
| Abdeckblech | ||||
| 36 | 2600034004 | 3.31 | 3.94 | |
| Nicht mehr lieferbar, kein Ersatz | ||||
| 37 | 2605702018 | |||
| Torx-Linsenschraube 4x8 | ||||
| 38 | 2603490020 | 1.00 | 1.19 | |
| Lüfter | ||||
| 39 | 2606610026 | 2.24 | 2.67 | |
| Federring DIN 127-A6-FST | ||||
| 40 | 2916680033 | 1.18 | 1.40 | |
| Erdleitung | ||||
| 41 | 2604448097 | 1.32 | 1.57 | |
| Nicht mehr lieferbar, kein Ersatz | ||||
| 42 | 2604448045 | |||
| Elektr Leitung L=249 MM BLAU | ||||
| 43 | 2604448057 | 1.18 | 1.40 | |
| Nicht mehr lieferbar, kein Ersatz | ||||
| 44 | 2601022000 | |||
| Schenkelfeder | ||||
| 45 | 2604651008 | 1.94 | 2.31 | |
| Distanzhülse | ||||
| 46 | 2600320018 | 1.70 | 2.02 | |
| Nicht mehr lieferbar, kein Ersatz | ||||
| 47 | 2601005014 | |||
| Verbindungsleitung L=115 Mm Weiss | ||||
| 49 | 2604448109 | 1.00 | 1.19 | |
| Spiralfeder | ||||
| 50 | 1604652004 | 2.18 | 2.59 | |
| Splint | ||||
| 52 | 2604681001 | 1.18 | 1.40 | |
| Schalthebel | ||||
| 53 | 2602010000 | 2.24 | 2.67 | |
| Zylinderrolle | ||||
| 54 | 2603200022 | 1.18 | 1.40 | |
| O-Ring 65,7x1,78 MM | ||||
| 55 | 2600210042 | 1.70 | 2.02 | |
| Torx-Linsenschraube 4x25 | ||||
| 56 | 2603490024 | 1.32 | 1.57 | |
| Torx-Linsenschraube 4x20 | ||||
| 57 | 2603490023 | 1.00 | 1.19 | |
| Kontaktfeder | ||||
| 58 | 2601329057 | 2.18 | 2.59 | |
| Dichtring | ||||
| 59 | 2600290029 | 2.24 | 2.67 | |
| Filzring | ||||
| 60 | 2600005008 | 1.18 | 1.40 | |
| Filzring | ||||
| 61 | 2600005006 | 1.94 | 2.31 | |
| Nicht mehr lieferbar, kein Ersatz | ||||
| 62 | 2600100094 | |||
| Dichtring | ||||
| 63 | 2600290028 | 2.24 | 2.67 | |
| Zylinderstift | ||||
| 64 | 2603201085 | 1.32 | 1.57 | |
| Nicht mehr lieferbar, kein Ersatz | ||||
| 655 | 2605702031 | |||
| O-Ring 20,0x1,5 MM | ||||
| 657 | 1610210075 | 2.18 | 2.59 | |
| Schliessplatte | ||||
| 729 | 2608000107 | 0.83 | 0.99 | |
| Nicht mehr lieferbar, kein Ersatz | ||||
| 754 | 2605411025 | |||
| Netzanschlussleitung EU 2,65m 2 x 1,0mm H05 RN-F | ||||
| 805 | 1607000388 | 10.68 | 12.71 | |
| Typenschild | ||||
| 808 | 2601117244 | 2.71 | 3.22 | |
| Nicht mehr lieferbar, kein Ersatz | ||||
| 816/04 | 2607014001 | |||
| Druckfeder | ||||
| 816/05 | 2604610026 | 2.18 | 2.59 | |
| Rastkappe | ||||
| 816/06 | 2601322013 | 1.32 | 1.57 | |
| Schwingplatte | ||||
| 828 | 2608000916 | 55.25 | 65.75 | |