Hier finden Sie alle verfügbaren Teile und Zeichnungen der 'Bosch 0603229880 ( PST53AE )'. Von hier aus können Sie alle gewünschten Teile direkt bestellen. Viele Teile müssen je nach Marke beim Hersteller bestellt werden, dies dauert ein bis vier Wochen. Alle Informationen, die wir haben, befinden sich auf unserer Website. Wir können Sie nicht beraten, was Sie benötigen. Dazu müssen Sie die Maschine zur Reparatur zurücksenden. Bitte beachten Sie bei der Bestellung Folgendes:
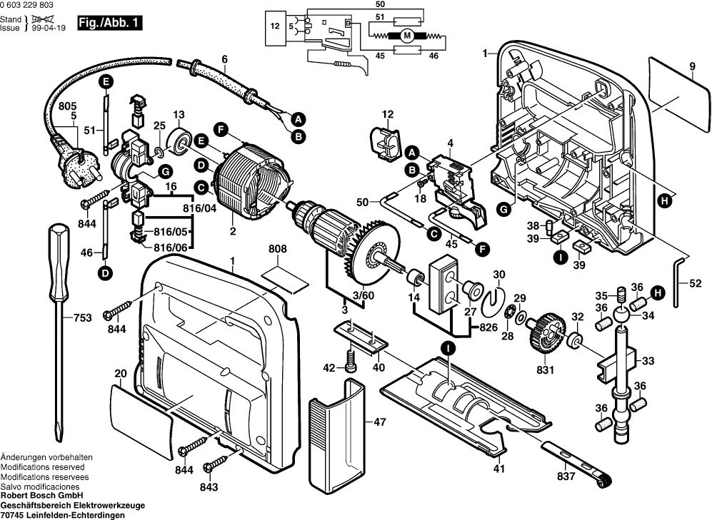
Zeichnungen der Bosch 0603229880 ( PST53AE )
Teileliste der Bosch 0603229880 ( PST53AE )
| Pos. | Beschreibung | Preis ohne MwSt | Preis inkl. MwSt | |
| Die angegebenen Preise enthalten die Mehrwertsteuer | ||||
| Gehäuseschale GRUEN | ||||
| 1 | 2605104526 | 15.71 | 18.69 | |
| Polschuh 230-240V | ||||
| 2 | 2604220568 | 12.41 | 14.77 | |
| Anker 230V | ||||
| 3 | 2604011097 | 33.45 | 39.81 | |
| VENTIL | ||||
| 3/60 | 1619P11262 | 2.52 | 3.00 | |
| Nicht mehr lieferbar, kein Ersatz | ||||
| 4 | 2607200184 | |||
| Nicht mehr lieferbar, kein Ersatz | ||||
| 6 | 2600703007 | |||
| Firmenschild SONNENSEITE | ||||
| 9 | 2601118895 | 2.71 | 3.22 | |
| Entstörkondensator | ||||
| 12 | 2607329141 | 4.10 | 4.88 | |
| Rillenkugellager 8x19x6 | ||||
| 13 | 2600905046 | 9.47 | 11.27 | |
| Nadellager Ø8x8 MM | ||||
| 14 | 2600917003 | 2.52 | 3.00 | |
| Nicht mehr lieferbar, kein Ersatz | ||||
| 16 | 2604337118 | |||
| Zylinderschraube M3x6,5-4.8 | ||||
| 18 | 2603410001 | 1.32 | 1.57 | |
| Hinweisschild SCHATTENSEITE | ||||
| 20 | 2601118894 | 2.71 | 3.22 | |
| O-Ring 5,0x1,5 MM | ||||
| 25 | 1900210000 | 1.32 | 1.57 | |
| Nicht mehr lieferbar, kein Ersatz | ||||
| 27 | 2600322003 | |||
| Federscheibe | ||||
| 28 | 2600190040 | 1.18 | 1.40 | |
| Ausgleichscheibe 0,5 MM | ||||
| 29 | 2600100505 | 0.83 | 0.99 | |
| Ausgleichscheibe 0,2 MM | ||||
| 30 | 2600040001 | 1.18 | 1.40 | |
| Nicht mehr lieferbar, kein Ersatz | ||||
| 32 | 2600301014 | |||
| Hubstange | ||||
| 33 | 2600780073 | 15.71 | 18.69 | |
| Nicht mehr lieferbar, kein Ersatz | ||||
| 34 | 2600302008 | |||
| Klemmschraube | ||||
| 35 | 2603400000 | 3.71 | 4.41 | |
| Nicht mehr lieferbar, kein Ersatz | ||||
| 36 | 2603239006 | |||
| Nicht mehr lieferbar, kein Ersatz | ||||
| 38 | 2603120037 | |||
| Nicht mehr lieferbar, kein Ersatz | ||||
| 39 | 2601030006 | |||
| Profilleiste | ||||
| 40 | 2601032017 | 1.32 | 1.57 | |
| Fussplatte | ||||
| 41 | 2601016012 | 7.32 | 8.71 | |
| Zylinderschraube DIN 84-AM4x14-5.8 | ||||
| 42 | 2910011124 | 0.83 | 0.99 | |
| Verbindungsleitung L=213 MM BLAU | ||||
| 45 | 2604448118 | 1.32 | 1.57 | |
| Nicht mehr lieferbar, kein Ersatz | ||||
| 47 | 2605510052 | |||
| Verbindungsleitung L=263MM BLAU | ||||
| 50 | 2604448119 | 1.18 | 1.40 | |
| Nicht mehr lieferbar, kein Ersatz | ||||
| 51 | 2604448123 | |||
| Nicht mehr lieferbar, kein Ersatz | ||||
| 52 | 2603105051 | |||
| Leitungshalter | ||||
| 207 | 2601035001 | 1.32 | 1.57 | |
| Netzanschlussleitung EU 2,65m 2 x 1,0mm H05 RN-F | ||||
| 805 | 1607000388 | 10.68 | 12.71 | |
| Typschild | ||||
| 808 | 160111A3H3 | 2.18 | 2.59 | |
| Nicht mehr lieferbar, kein Ersatz | ||||
| 816/04 | 2604321917 | |||
| Druckfeder | ||||
| 816/05 | 2604610026 | 2.18 | 2.59 | |
| Rastkappe | ||||
| 816/06 | 2601322017 | 1.32 | 1.57 | |
| Nicht mehr lieferbar, kein Ersatz | ||||
| 826 | 2605807918 | |||
| Nicht mehr lieferbar, kein Ersatz | ||||
| 831 | 2606316900 | |||
| Haltebügel | ||||
| 837 | 2608135901 | 9.47 | 11.27 | |
| Blechschraube DIN 7981-ST3,9x13-C-H | ||||
| 843 | 2910611018 | 1.32 | 1.57 | |
| Blechschraube DIN 7981-ST3,9x19-C-H | ||||
| 844 | 2910611020 | 1.32 | 1.57 | |