Hier finden Sie alle verfügbaren Teile und Zeichnungen der 'Bosch 0603303703 ( PST800PAC )'. Von hier aus können Sie alle gewünschten Teile direkt bestellen. Viele Teile müssen je nach Marke beim Hersteller bestellt werden, dies dauert ein bis vier Wochen. Alle Informationen, die wir haben, befinden sich auf unserer Website. Wir können Sie nicht beraten, was Sie benötigen. Dazu müssen Sie die Maschine zur Reparatur zurücksenden. Bitte beachten Sie bei der Bestellung Folgendes:
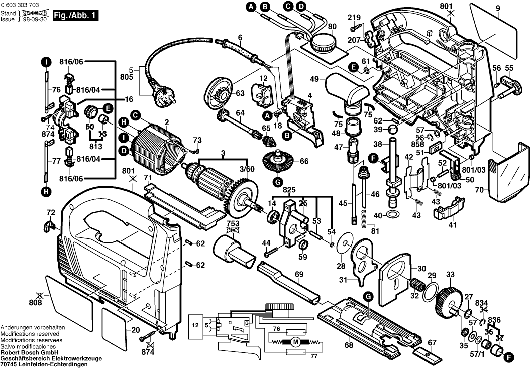
Zeichnungen der Bosch 0603303703 ( PST800PAC )
Teileliste der Bosch 0603303703 ( PST800PAC )
| Pos. | Beschreibung | Preis ohne MwSt | Preis inkl. MwSt | |
| Die angegebenen Preise enthalten die Mehrwertsteuer | ||||
| Polschuh 230-240V | ||||
| 2 | 2604220447 | 20.42 | 24.30 | |
| Anker 230V | ||||
| 3 | 2604010895 | 36.85 | 43.85 | |
| Lüfter | ||||
| 3/60 | 2606610050 | 3.31 | 3.94 | |
| Nicht mehr lieferbar, kein Ersatz | ||||
| 4 | 2607200303 | |||
| Nicht mehr lieferbar, kein Ersatz | ||||
| 6 | 2600703007 | |||
| Firmenschild SONNENSEITE | ||||
| 9 | 2601118352 | 1.70 | 2.02 | |
| Nicht mehr lieferbar, kein Ersatz | ||||
| 12 | 2607329138 | |||
| Rillenkugellager 9x24x7 | ||||
| 14 | 2600905021 | 7.32 | 8.71 | |
| Nicht mehr lieferbar, kein Ersatz | ||||
| 16 | 2605807060 | |||
| Zylinderschraube M3x6,5-4.8 | ||||
| 18 | 2603410001 | 1.32 | 1.57 | |
| Ausgleichscheibe 0,3 MM | ||||
| 27 | 2600101047 | 1.32 | 1.57 | |
| Ausgleichscheibe 0,5 MM | ||||
| 28 | 2600101048 | 1.32 | 1.57 | |
| Ausgleichscheibe 0,5 MM | ||||
| 29 | 2600102614 | 0.83 | 0.99 | |
| Ausgleichgewicht 5,5 MM | ||||
| 30 | 2601098025 | 4.70 | 5.59 | |
| Gabelhebel | ||||
| 31 | 2601923009 | 3.31 | 3.94 | |
| Nadelkranz | ||||
| 32 | 2600913007 | 5.83 | 6.94 | |
| Exzenterzahnrad Z=39 | ||||
| 33 | 2606320049 | 20.42 | 24.30 | |
| Zwischenring | ||||
| 35 | 2600200035 | 1.18 | 1.40 | |
| Nicht mehr lieferbar, kein Ersatz | ||||
| 38 | 2600780060 | |||
| Sinterbuchse | ||||
| 39 | 2600302009 | 1.94 | 2.31 | |
| Ausgleichscheibe 0,5 MM | ||||
| 40 | 2600101612 | 1.32 | 1.57 | |
| Stützplatte | ||||
| 41 | 2602316011 | 1.18 | 1.40 | |
| Nicht mehr lieferbar, kein Ersatz | ||||
| 42 | 2601322014 | |||
| Druckfeder | ||||
| 43 | 2604613000 | 1.32 | 1.57 | |
| Linsenschraube DIN 7985-M4x18-8.8-H | ||||
| 44 | 2910950128 | 0.83 | 0.99 | |
| Nicht mehr lieferbar, kein Ersatz | ||||
| 45 | 2603490004 | |||
| Nicht mehr lieferbar, kein Ersatz | ||||
| 46 | 2606491012 | |||
| Nicht mehr lieferbar, kein Ersatz | ||||
| 47 | 2606491010 | |||
| Nicht mehr lieferbar, kein Ersatz | ||||
| 48 | 2600451002 | |||
| Nicht mehr lieferbar, kein Ersatz | ||||
| 49 | 2608040073 | |||
| Nicht mehr lieferbar, kein Ersatz | ||||
| 50 | 2601321049 | |||
| Abdichtplatte | ||||
| 51 | 2601015057 | 2.52 | 3.00 | |
| Zylinderstift | ||||
| 52 | 2609002725 | 1.00 | 1.19 | |
| Zylinderstift DIN 6325-4m6x20 | ||||
| 53 | 2917530099 | 0.83 | 0.99 | |
| Ausgleichscheibe 0,5 MM | ||||
| 54 | 2600100510 | 2.18 | 2.59 | |
| Umschalter 230V SCHWARZ | ||||
| 55 | 2602026055 | 2.71 | 3.22 | |
| Rastkappe | ||||
| 56 | 2600590006 | 1.32 | 1.57 | |
| Ausgleichscheibe 0,5 MM | ||||
| 57 | 2600100568 | 1.32 | 1.57 | |
| Ausgleichscheibe 0,3 MM | ||||
| 57 | 2600100607 | 1.32 | 1.57 | |
| Ausgleichscheibe | ||||
| 57 | 2600100572 | 1.18 | 1.40 | |
| Haltering | ||||
| 59 | 2600400030 | 1.18 | 1.40 | |
| Nicht mehr lieferbar, kein Ersatz | ||||
| 61 | 2600210036 | |||
| Lagerbolzen | ||||
| 62 | 2603201020 | 1.00 | 1.19 | |
| Drehgriff | ||||
| 63 | 2608040074 | 2.24 | 2.67 | |
| Nicht mehr lieferbar, kein Ersatz | ||||
| 64 | 2606491013 | |||
| Nicht mehr lieferbar, kein Ersatz | ||||
| 65 | 2606333029 | |||
| Nicht mehr lieferbar, kein Ersatz | ||||
| 66 | 2606333028 | |||
| Nicht mehr lieferbar, kein Ersatz | ||||
| 67 | 2602317028 | |||
| Nicht mehr lieferbar, kein Ersatz | ||||
| 68 | 2601016073 | |||
| Nicht mehr lieferbar, kein Ersatz | ||||
| 69 | 2605730037 | |||
| Abdeckhaube | ||||
| 70 | 2605510149 | 1.94 | 2.31 | |
| Einlegeteil | ||||
| 71 | 2608040075 | 1.70 | 2.02 | |
| Verschlusskappe | ||||
| 72 | 2608040077 | 1.18 | 1.40 | |
| Kontaktfeder | ||||
| 73 | 2601329047 | 1.18 | 1.40 | |
| Nicht mehr lieferbar, kein Ersatz | ||||
| 75 | 2603100055 | |||
| Verbindungsleitung L=50 MM WEISS | ||||
| 76 | 2604448190 | 2.71 | 3.22 | |
| Nicht mehr lieferbar, kein Ersatz | ||||
| 77 | 2604448123 | |||
| Drehzahlregler 230-240V | ||||
| 80 | 2607230024 | 26.84 | 31.94 | |
| Druckfeder | ||||
| 81 | 2604610040 | 1.32 | 1.57 | |
| Nicht mehr lieferbar, kein Ersatz | ||||
| 753 | 2600499032 | |||
| Gehäuseschale GRUEN | ||||
| 801 | 2605104854 | 36.85 | 43.85 | |
| Nicht mehr lieferbar, kein Ersatz | ||||
| 801/03 | 2600506008 | |||
| Nicht mehr lieferbar, kein Ersatz | ||||
| 805 | 1607000389 | |||
| Typenschild | ||||
| 808 | 2601119260 | 2.71 | 3.22 | |
| Nadelhülse | ||||
| 813 | 2600917901 | 5.83 | 6.94 | |
| Kohlebürstensatz | ||||
| 816/04 | 2604321905 | 9.47 | 11.27 | |
| Rastkappe | ||||
| 816/06 | 2601329051 | 1.32 | 1.57 | |
| Rastkappe | ||||
| 816/06 | 2601322013 | 1.32 | 1.57 | |
| Lagerbrücke | ||||
| 825 | 2605807925 | 11.88 | 14.14 | |
| Sicherungsscheibe DIN 6799-6-FST | ||||
| 834 | 2916080909 | 1.00 | 1.19 | |
| Nadelhülse | ||||
| 836 | 2600917900 | 7.32 | 8.71 | |
| Nicht mehr lieferbar, kein Ersatz | ||||
| 858 | 2916080008 | |||
| Blechschraube DIN 7981-ST3,9x19-C-H | ||||
| 874 | 2910611020 | 1.32 | 1.57 | |