Hier finden Sie alle verfügbaren Teile und Zeichnungen der 'Bosch 0601300004 ( USW(J)77 )'. Von hier aus können Sie alle gewünschten Teile direkt bestellen. Viele Teile müssen je nach Marke beim Hersteller bestellt werden, dies dauert ein bis vier Wochen. Alle Informationen, die wir haben, befinden sich auf unserer Website. Wir können Sie nicht beraten, was Sie benötigen. Dazu müssen Sie die Maschine zur Reparatur zurücksenden. Bitte beachten Sie bei der Bestellung Folgendes:
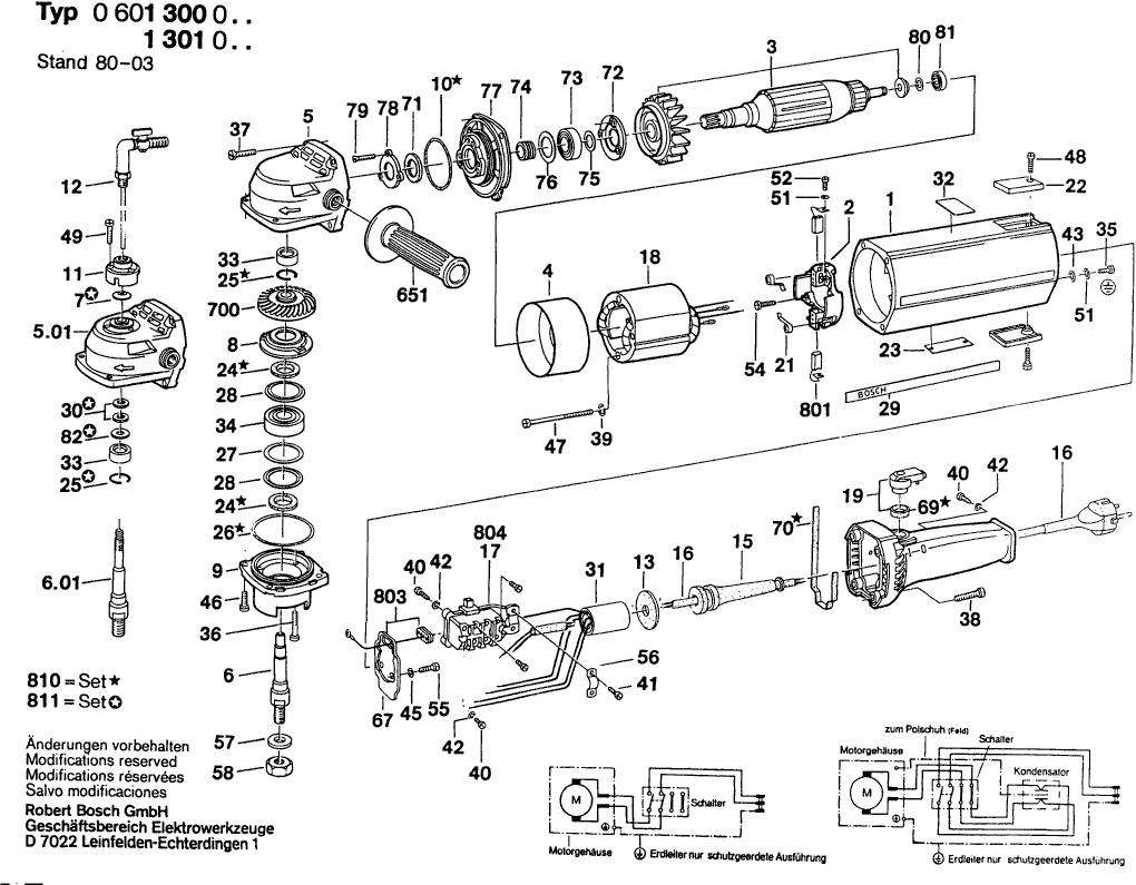
Zeichnungen der Bosch 0601300004 ( USW(J)77 )
Teileliste der Bosch 0601300004 ( USW(J)77 )
| Pos. | Beschreibung | Preis ohne MwSt | Preis inkl. MwSt | |
| Die angegebenen Preise enthalten die Mehrwertsteuer | ||||
| Nicht mehr lieferbar, kein Ersatz | ||||
| 1 | 1605108042 | |||
| Bürstenhalter | ||||
| 2 | 1604336006 | 15.71 | 18.69 | |
| Nicht mehr lieferbar, kein Ersatz | ||||
| 3 | 1604010037 | |||
| Luftleitring | ||||
| 4 | 1600209002 | 4.58 | 5.45 | |
| Getriebegehäuse | ||||
| 5 | 3605806104 | 130.32 | 155.08 | |
| Schleifspindel M14x1,5 MM | ||||
| 6 | 1603523032 | 37.50 | 44.62 | |
| Keine Informationen verfügbar, nicht bestellbar | ||||
| 6/01 | 1603523091 | |||
| Tellerscheibe | ||||
| 7 | 1600109002 | 1.18 | 1.40 | |
| Spannscheibe | ||||
| 8 | 1600521013 | 7.58 | 9.02 | |
| Lagerflansch | ||||
| 9 | 3607030375 | 210.30 | 250.26 | |
| O-Ring 45x3MM | ||||
| 10 | 1900210146 | 3.71 | 4.41 | |
| Anschlussflansch | ||||
| 11 | 1600328012 | 0.83 | 0.99 | |
| Abstellhahn | ||||
| 12 | 1607415002 | 44.82 | 53.34 | |
| Dichtung | ||||
| 13 | 1600113002 | 1.32 | 1.57 | |
| Handgriff DUNKELBLAU | ||||
| 14 | 3605132048 | 67.98 | 80.90 | |
| Tülle Ø9,2-Ø12x120 MM | ||||
| 15 | 3600703011 | 2.52 | 3.00 | |
| Netzanschlussleitung EU 4,15m 2 x 1,5mm H07 RN-F | ||||
| 16 | 1607000228 | 22.88 | 27.23 | |
| Nicht mehr lieferbar, kein Ersatz | ||||
| 17 | 1607000034 | |||
| Nicht mehr lieferbar, kein Ersatz | ||||
| 18 | 1604220032 | |||
| Schalthebel | ||||
| 19 | 1602026030 | 8.48 | 10.09 | |
| Spiralfeder | ||||
| 21 | 1604652015 | 2.52 | 3.00 | |
| Verschlussdeckel BLAU | ||||
| 22 | 3605500057 | 0.83 | 0.99 | |
| Typschild | ||||
| 23 | 160111A3H3 | 2.18 | 2.59 | |
| Dichtscheibe | ||||
| 24 | 1600108048 | 1.32 | 1.57 | |
| Sprengring Ø22 MM | ||||
| 25 | 2916620011 | 1.32 | 1.57 | |
| O-Ring 66,0x3,0 MM | ||||
| 26 | 1600210005 | 2.52 | 3.00 | |
| Ausgleichscheibe 0,1 MM DICK | ||||
| 27 | 1600102639 | 1.70 | 2.02 | |
| Ausgleichscheibe 0,15 MM DICK | ||||
| 27 | 1600102640 | 1.70 | 2.02 | |
| Ausgleichscheibe 0,05 MM DICK | ||||
| 27 | 1600102638 | 1.18 | 1.40 | |
| Sicherungsring 47x1,75MM, DIN 472 | ||||
| 28 | 2916660021 | 3.71 | 4.41 | |
| Firmenschild | ||||
| 29 | 1601110003 | 1.18 | 1.40 | |
| Nicht mehr lieferbar, kein Ersatz | ||||
| 31 | 1607329005 | |||
| Nadellager Ø14 MM | ||||
| 33 | 2600910001 | 3.71 | 4.41 | |
| Rillenkugellager 17x47x14 | ||||
| 34 | 1900900352 | 26.62 | 31.68 | |
| Flachkopfschraube Din 85 Am 4x6-ms | ||||
| 35 | 2910110116 | 1.00 | 1.19 | |
| Zylinderschraube DIN 84-AM5x25-5.8 | ||||
| 36 | 2910011164 | 0.83 | 0.99 | |
| Zylinderschraube AM 5x18 DIN 84-5.8 | ||||
| 37 | 2910011160 | 0.83 | 0.99 | |
| Zylinderschraube DIN 84-AM5x28-8.8 | ||||
| 38 | 2910021165 | 0.83 | 0.99 | |
| Federring DIN 128-A5-FST | ||||
| 39 | 2916690004 | 1.32 | 1.57 | |
| Zylinderschraube Din 84-am3x8-8.8 | ||||
| 40 | 2910021050 | 1.00 | 1.19 | |
| Zylinderschraube DIN 84-AM4x12-5.8 | ||||
| 41 | 2910011122 | 0.83 | 0.99 | |
| Federscheibe A 3 DIN 137-ST | ||||
| 42 | 2916060003 | 0.83 | 0.99 | |
| Unterlegscheibe A 4,3 DIN 125-ST | ||||
| 43 | 2916010410 | 0.83 | 0.99 | |
| Unterlegscheibe DIN 125-A3,2-ST | ||||
| 45 | 2916011006 | 1.32 | 1.57 | |
| Nicht mehr lieferbar, kein Ersatz | ||||
| 46 | 2910011157 | |||
| Zylinderschraube | ||||
| 47 | 1603410008 | 0.83 | 0.99 | |
| Zylinderschraube Din 84-am4x15-8.8 | ||||
| 48 | 2910021125 | 1.00 | 1.19 | |
| Zylinderschraube DIN 84-AM4x20-8.8 | ||||
| 49 | 2910021130 | 1.00 | 1.19 | |
| Federscheibe DIN 137-A4 | ||||
| 51 | 1600150006 | 5.33 | 6.34 | |
| Zylinderschraube DIN 84-AM4x10-5.8 | ||||
| 52 | 2910011120 | 1.00 | 1.19 | |
| Blechschraube DIN 7971-ST3,9x16-F | ||||
| 54 | 2910211019 | 1.00 | 1.19 | |
| Blechschraube DIN 7971-BZ2,9x6,5 | ||||
| 55 | 2910211004 | 1.18 | 1.40 | |
| Befestigungsschelle | ||||
| 56 | 1601302013 | 1.32 | 1.57 | |
| O-Ring | ||||
| 57 | 1000202026 | 0.83 | 0.99 | |
| Sechskantmutter DIN 934-M 14-6G | ||||
| 58 | 2915011012 | 3.31 | 3.94 | |
| Filzring | ||||
| 69 | 1600205008 | 1.32 | 1.57 | |
| Dichtschnur | ||||
| 70 | 1601014000 | 2.52 | 3.00 | |
| Filzscheibe | ||||
| 71 | 1600108018 | 2.18 | 2.59 | |
| Lagerdeckel | ||||
| 72 | 1600501019 | 22.88 | 27.23 | |
| Keine Informationen verfügbar, nicht bestellbar | ||||
| 73 | 1600900020 | |||
| Gewindering | ||||
| 74 | 1603344030 | 61.93 | 73.70 | |
| Ausgleichscheibe 0,3 MM DICK | ||||
| 75 | 1600101641 | 3.04 | 3.62 | |
| Ausgleichscheibe 0,05 MM DICK | ||||
| 76 | 1600101650 | 2.18 | 2.59 | |
| Ausgleichscheibe 0,1 MM DICK | ||||
| 76 | 1600101648 | 1.32 | 1.57 | |
| Lagerflansch | ||||
| 77 | 3605820064 | 75.38 | 89.70 | |
| Abdeckscheibe | ||||
| 78 | 1600501024 | 13.90 | 16.54 | |
| Senkschraube DIN 63-AM4x20-8.8 | ||||
| 79 | 2910511130 | 0.83 | 0.99 | |
| Ausgleichscheibe 0,10 MM DICK | ||||
| 80 | 1420100023 | 1.18 | 1.40 | |
| Kugellager 7x22x7 | ||||
| 81 | 1900905018 | 15.61 | 18.58 | |
| Keine Informationen verfügbar, nicht bestellbar | ||||
| 651 | 1602025030 | |||
| Kegelrad Z=54 | ||||
| 700 | 1606333082 | 126.98 | 151.11 | |
| Nicht mehr lieferbar, kein Ersatz | ||||
| 801 | 1607014102 | |||
| Dichtplatte | ||||
| 803 | 1602388007 | 10.68 | 12.71 | |
| Keine Informationen verfügbar, nicht bestellbar | ||||
| 810 | 1607000058 | |||
| Keine Informationen verfügbar, nicht bestellbar | ||||
| 811 | 1607000044 | |||