Hier finden Sie alle verfügbaren Teile und Zeichnungen der 'Fein 72294200230 ( FMM350Q )'. Von hier aus können Sie alle gewünschten Teile direkt bestellen. Viele Teile müssen je nach Marke beim Hersteller bestellt werden, dies dauert ein bis vier Wochen. Alle Informationen, die wir haben, befinden sich auf unserer Website. Wir können Sie nicht beraten, was Sie benötigen. Dazu müssen Sie die Maschine zur Reparatur zurücksenden. Bitte beachten Sie bei der Bestellung Folgendes:
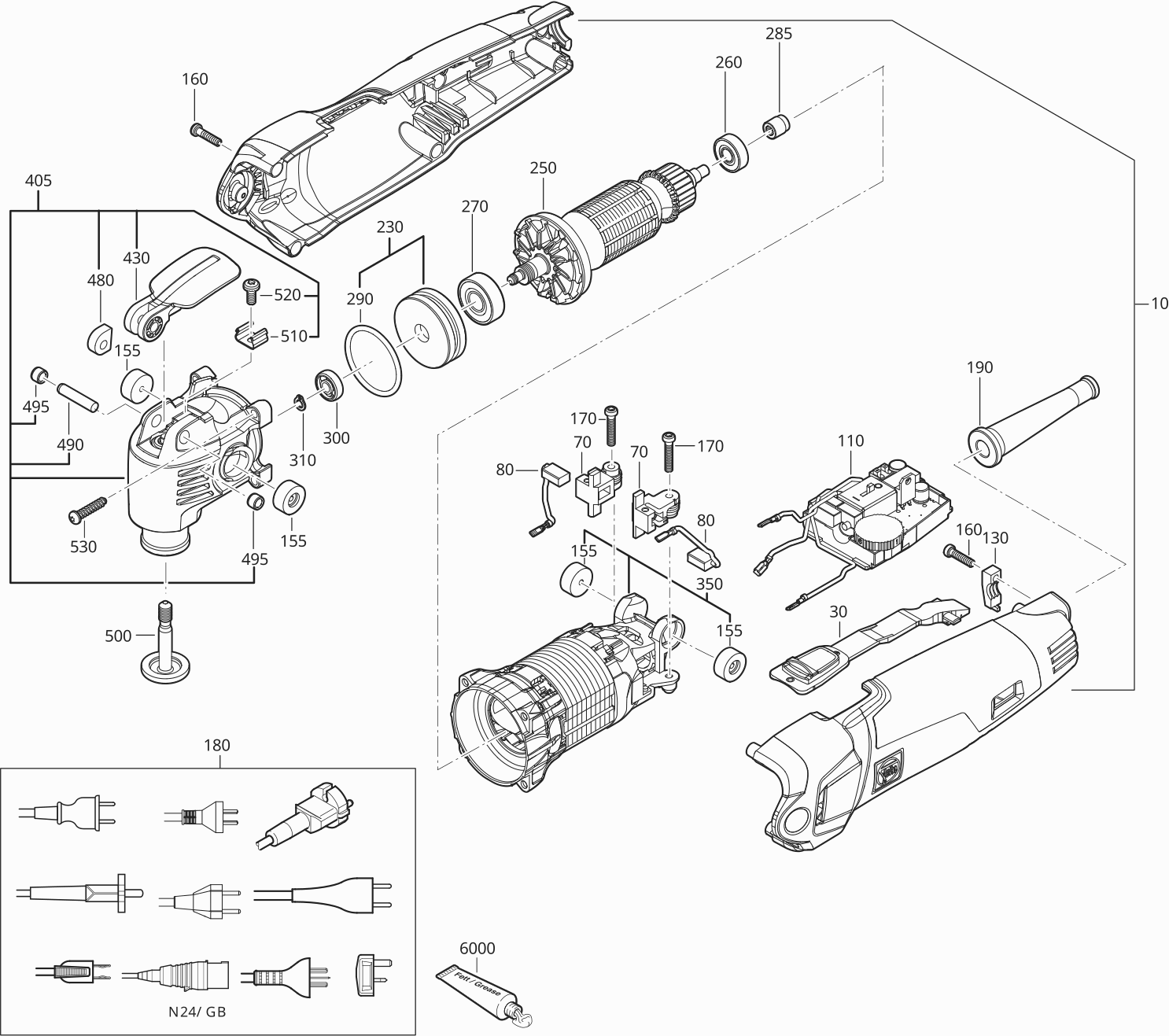
Zeichnungen der Fein 72294200230 ( FMM350Q )
Teileliste der Fein 72294200230 ( FMM350Q )
| Pos. | Beschreibung | Preis ohne MwSt | Preis inkl. MwSt | |
| Die angegebenen Preise enthalten die Mehrwertsteuer | ||||
| Motorgehäuse | ||||
| 10 | 31901173000 | 36.37 | 43.28 | |
| Nicht mehr lieferbar, kein Ersatz | ||||
| 30 | 32805311000 | |||
| Bürstenhalter | ||||
| 70 | 30712087015 | 6.19 | 7.37 | |
| Kohlebürste | ||||
| 80 | 30711157000 | 6.61 | 7.87 | |
| Nicht mehr lieferbar, kein Ersatz | ||||
| 110 | 30762453990 | |||
| Kabelklemmstück | ||||
| 130 | 32431045000 | 1.04 | 1.24 | |
| Druckstück | ||||
| 155 | 31415110000 | 2.51 | 2.99 | |
| Schraube | ||||
| 160 | 43074010000 | 1.04 | 1.24 | |
| Schraube | ||||
| 170 | 43074002000 | 1.04 | 1.24 | |
| Kabel mit Stecker | ||||
| 180 | 30707343017 | 12.63 | 15.03 | |
| Kabeltülle | ||||
| 190 | 31413233000 | 2.71 | 3.22 | |
| Lagerbuchse | ||||
| 230 | 31603053010 | 10.58 | 12.59 | |
| Anker | ||||
| 250 | 53278005230 | 62.52 | 74.40 | |
| Rillenkugellager | ||||
| 260 | 41701001032 | 9.05 | 10.77 | |
| Rillenkugellager | ||||
| 270 | 41701007038 | 8.90 | 10.59 | |
| Magnet | ||||
| 285 | 32172014010 | 7.66 | 9.12 | |
| Dichtring | ||||
| 290 | 40612167000 | 1.04 | 1.24 | |
| Rillenkugellager | ||||
| 300 | 41701000020 | 10.86 | 12.92 | |
| Sicherungsring | ||||
| 310 | 42616046003 | 1.04 | 1.24 | |
| Statoreinheit | ||||
| 350 | 52278046230 | 52.32 | 62.26 | |
| Maschinenkopf | ||||
| 405 | 31508287010 | 131.43 | 156.40 | |
| Hebel | ||||
| 430 | 32805309000 | 12.51 | 14.89 | |
| Exzenterring | ||||
| 480 | 32636042000 | 3.34 | 3.97 | |
| Zylinderstift | ||||
| 490 | 40242064000 | 1.04 | 1.24 | |
| Buchse | ||||
| 495 | 30507220000 | 2.51 | 2.99 | |
| Spanneinheit | ||||
| 500 | 30240271000 | 17.86 | 21.25 | |
| Haltefeder | ||||
| 510 | 30907067000 | 1.88 | 2.24 | |
| Linsenschraube | ||||
| 520 | 43064023045 | 0.90 | 1.07 | |
| Schraube | ||||
| 530 | 43074008000 | 1.04 | 1.24 | |
| RFID Transponder | ||||
| 2500 | 32217517000 | 1.25 | 1.49 | |
| Keine Informationen verfügbar, nicht bestellbar | ||||
| 5000 | 33901131980 | |||
| Saughaube | ||||
| 5010 | 33218136000 | 6.19 | 7.37 | |
| Filzring | ||||
| 5020 | 30601106007 | 2.29 | 2.73 | |
| Adapter | ||||
| 5030 | 30605112000 | 4.52 | 5.38 | |
| Absaugeinheit | ||||
| 5040 | 33218137010 | 15.95 | 18.98 | |
| Griff | ||||
| 5200 | 32119122000 | 7.66 | 9.12 | |
| Drahtbügel | ||||
| 5210 | 30232050000 | 8.63 | 10.27 | |
| EPP-Einsatz | ||||
| 5300 | 33904488000 | 16.91 | 20.12 | |
| Keine Informationen verfügbar, nicht bestellbar | ||||
| 5450 | 63806136220 | |||
| Keine Informationen verfügbar, nicht bestellbar | ||||
| 5500 | 92602102000 | |||
| Nicht mehr lieferbar, kein Ersatz | ||||
| 6000 | 32160003014 | |||
| Betriebsanleitung FMM350Q | ||||
| 9000 | 34101191060 | 0.64 | 0.76 | |
| Sicherheitshinweis | ||||
| 9020 | 34130054061 | 1.86 | 2.21 | |