Hier finden Sie alle verfügbaren Teile und Zeichnungen der 'Festool 487437 ( AT65EB )'. Von hier aus können Sie alle gewünschten Teile direkt bestellen. Viele Teile müssen je nach Marke beim Hersteller bestellt werden, dies dauert ein bis vier Wochen. Alle Informationen, die wir haben, befinden sich auf unserer Website. Wir können Sie nicht beraten, was Sie benötigen. Dazu müssen Sie die Maschine zur Reparatur zurücksenden. Bitte beachten Sie bei der Bestellung Folgendes:
Aufgrund einer Umstrukturierung bei Festool werden Festool-Bestellungen erst in der zweiten Januarhälfte 2026 ausgeliefert.
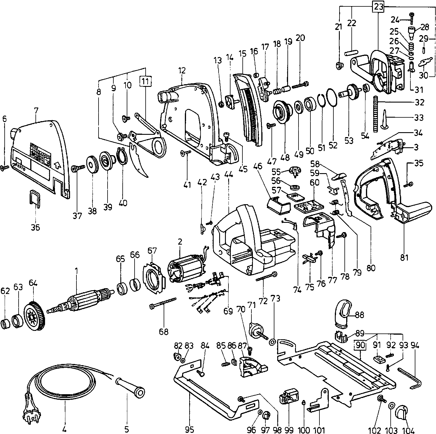
Zeichnungen der Festool 487437 ( AT65EB )
Teileliste der Festool 487437 ( AT65EB )
| Pos. | Beschreibung | Preis ohne MwSt | Preis inkl. MwSt | |
| Die angegebenen Preise enthalten die Mehrwertsteuer | ||||
| Keine Informationen verfügbar, nicht bestellbar | ||||
| 1 | 489530 | |||
| Keine Informationen verfügbar, nicht bestellbar | ||||
| 2 | xxx | |||
| Bremsmodul | ||||
| 3 | 489831 | 83.49 | 99.35 | |
| Kabel Eu | ||||
| 4 | 457408 | 28.07 | 33.40 | |
| Kabelschutzschlauch | ||||
| 5 | 432436 | 1.39 | 1.65 | |
| Senkschraube M4 x 10 | ||||
| 6 | 228736 | 1.39 | 1.65 | |
| Keine Informationen verfügbar, nicht bestellbar | ||||
| 7 | xxx | |||
| Keine Informationen verfügbar, nicht bestellbar | ||||
| 8 | xxx | |||
| Keine Informationen verfügbar, nicht bestellbar | ||||
| 9 | xxx | |||
| Keine Informationen verfügbar, nicht bestellbar | ||||
| 10 | xxx | |||
| Keine Informationen verfügbar, nicht bestellbar | ||||
| 11 | 485488 | |||
| Keine Informationen verfügbar, nicht bestellbar | ||||
| 12 | xxx | |||
| Sechskantmutter M5 | ||||
| 13 | 200717 | 1.39 | 1.65 | |
| Keine Informationen verfügbar, nicht bestellbar | ||||
| 14 | xxx | |||
| Keine Informationen verfügbar, nicht bestellbar | ||||
| 15 | xxx | |||
| Keine Informationen verfügbar, nicht bestellbar | ||||
| 16 | xxx | |||
| Tiefenanschlag | ||||
| 17 | 445503 | 2.18 | 2.59 | |
| Druckfeder | ||||
| 18 | 201134 | 1.39 | 1.65 | |
| Nicht mehr lieferbar, kein Ersatz | ||||
| 19 | 439956 | |||
| Linsenschraube M5 x 40 | ||||
| 20 | 203740 | 1.39 | 1.65 | |
| Bundbuchse | ||||
| 21 | 439331 | 2.30 | 2.74 | |
| Keine Informationen verfügbar, nicht bestellbar | ||||
| 22 | 443877 | |||
| Keine Informationen verfügbar, nicht bestellbar | ||||
| 23 | 485486 | |||
| Linsenschraube M4 x 40 | ||||
| 24 | 228591 | 1.39 | 1.65 | |
| Druckfeder | ||||
| 25 | 201134 | 1.39 | 1.65 | |
| Stützscheibe | ||||
| 26 | 444142 | 1.39 | 1.65 | |
| O-ring | ||||
| 27 | 444234 | 1.39 | 1.65 | |
| Knopf | ||||
| 28 | 440441 | 3.24 | 3.86 | |
| Hülse 5 x 12 mm | ||||
| 29 | 228692 | 1.39 | 1.65 | |
| Keine Informationen verfügbar, nicht bestellbar | ||||
| 30 | xxx | |||
| Bolzen | ||||
| 31 | 444114 | 8.98 | 10.69 | |
| Keine Informationen verfügbar, nicht bestellbar | ||||
| 32 | xxx | |||
| Keine Informationen verfügbar, nicht bestellbar | ||||
| 33 | xxx | |||
| Linsenschraube M3 x 6,5 | ||||
| 34 | 228718 | 1.39 | 1.65 | |
| Linsenschraube 4,0 x 25 mm | ||||
| 35 | 228580 | 1.39 | 1.65 | |
| Fenster | ||||
| 36 | 438943 | 3.89 | 4.63 | |
| Zylinderschraube M8 x 15 | ||||
| 37 | 443318 | 5.68 | 6.76 | |
| Keine Informationen verfügbar, nicht bestellbar | ||||
| 38 | 486688 | |||
| Nicht mehr lieferbar, kein Ersatz | ||||
| 39 | 486687 | |||
| Keine Informationen verfügbar, nicht bestellbar | ||||
| 40 | xxx | |||
| Senkschraube 4,0 x 10 mm | ||||
| 41 | 219102 | 1.39 | 1.65 | |
| Klemmbrücke | ||||
| 42 | 439288 | 1.39 | 1.65 | |
| Linsenschraube 3,5 x 16 mm | ||||
| 43 | 228663 | 1.39 | 1.65 | |
| Nicht mehr lieferbar, kein Ersatz | ||||
| 44 | 446283 | |||
| Zylinderschraube M5 x 16 | ||||
| 45 | 228617 | 1.39 | 1.65 | |
| Abdeckung | ||||
| 46 | 438607 | 4.09 | 4.87 | |
| Senkschraube M4 x 10 | ||||
| 47 | 228736 | 1.39 | 1.65 | |
| Keine Informationen verfügbar, nicht bestellbar | ||||
| 48 | xxx | |||
| Tellerfeder | ||||
| 49 | 444235 | 1.58 | 1.88 | |
| Rillenkugellager | ||||
| 50 | 789595 | 9.24 | 11.00 | |
| Keine Informationen verfügbar, nicht bestellbar | ||||
| 51 | xxx | |||
| O-ring | ||||
| 52 | 442413 | 1.39 | 1.65 | |
| Getriebewelle | ||||
| 53 | 441035 | 55.90 | 66.52 | |
| Rillenkugellager | ||||
| 54 | 228715 | 4.42 | 5.26 | |
| Stellrad | ||||
| 55 | 440991 | 4.88 | 5.81 | |
| Dichtring | ||||
| 56 | 438509 | 1.45 | 1.73 | |
| Fenster | ||||
| 57 | 438198 | 2.45 | 2.92 | |
| Knopf | ||||
| 58 | 434341 | 2.77 | 3.30 | |
| Abdeckung ATF 55 EB | ||||
| 59 | 451680 | 1.39 | 1.65 | |
| Keine Informationen verfügbar, nicht bestellbar | ||||
| 60 | xxx | |||
| Nadelhülse | ||||
| 62 | 469074 | 4.09 | 4.87 | |
| Rillenkugellager | ||||
| 63 | 228798 | 5.68 | 6.76 | |
| Ventilator | ||||
| 64 | 445205 | 10.30 | 12.26 | |
| Rillenkugellager | ||||
| 65 | 228559 | 4.30 | 5.12 | |
| Lagerring | ||||
| 66 | 438613 | 1.39 | 1.65 | |
| Luftführungsscheibe | ||||
| 67 | 457657 | 2.04 | 2.43 | |
| Linsenschraube 4,0 x 70 mm | ||||
| 68 | 442415 | 1.39 | 1.65 | |
| Keine Informationen verfügbar, nicht bestellbar | ||||
| 69 | 487128 | |||
| Linsenschraube M4 x 10 | ||||
| 70 | 228733 | 1.39 | 1.65 | |
| Drehknopf | ||||
| 71 | 482098 | 2.04 | 2.43 | |
| Zylinderschraube | ||||
| 72 | 203780 | 1.66 | 1.98 | |
| Scheibe 6,4 mm | ||||
| 73 | 228546 | 1.39 | 1.65 | |
| Spulenkörper | ||||
| 74 | 486744 | 14.88 | 17.71 | |
| Kohlehalter mit Kohle (paar) 230v | ||||
| 75 | 488915 | 17.54 | 20.87 | |
| Linsenschraube 3,5 x 8 mm | ||||
| 76 | 219047 | 1.39 | 1.65 | |
| Kappe | ||||
| 77 | 439824 | 9.17 | 10.91 | |
| Linsenschraube 4,0 x 25 mm | ||||
| 78 | 228580 | 1.39 | 1.65 | |
| Drehfeder | ||||
| 79 | 439973 | 1.72 | 2.05 | |
| Hebel | ||||
| 80 | 439890 | 3.10 | 3.69 | |
| Deckel | ||||
| 81 | 440102 | 21.18 | 25.20 | |
| Drehknopf M6 | ||||
| 82 | 440712 | 2.51 | 2.99 | |
| Scheibe | ||||
| 83 | 402935 | 1.39 | 1.65 | |
| Flachkopfschraube M6 x 12 | ||||
| 84 | 228592 | 1.39 | 1.65 | |
| Gewindestift M4 x 12 | ||||
| 85 | 203387 | 4.56 | 5.43 | |
| Vierkantmutter M4 | ||||
| 86 | 773030 | 1.39 | 1.65 | |
| Schwenksegment | ||||
| 87 | 442067 | 5.62 | 6.69 | |
| Spanabweiser | ||||
| 88 | 439696 | 7.99 | 9.51 | |
| Einstellstück | ||||
| 89 | 442809 | 1.45 | 1.73 | |
| Platte | ||||
| 90 | 486636 | 94.26 | 112.17 | |
| Einstellstück | ||||
| 91 | 443971 | 1.39 | 1.65 | |
| Gewindestift M6 x 12 | ||||
| 92 | 442597 | 1.39 | 1.65 | |
| Senkschraube 4,0 x 10 mm | ||||
| 93 | 400014 | 1.39 | 1.65 | |
| Stiftschlüssel | ||||
| 94 | 439274 | 3.77 | 4.49 | |
| Tischverbreiterung | ||||
| 95 | 441841 | 17.91 | 21.31 | |
| Scheibe | ||||
| 96 | 402935 | 1.39 | 1.65 | |
| Drehknopf M6 | ||||
| 97 | 440712 | 2.51 | 2.99 | |
| Flachkopfschraube M6 x 12 | ||||
| 98 | 228592 | 1.39 | 1.65 | |
| Schwenksegment | ||||
| 99 | 442066 | 6.00 | 7.14 | |
| Keine Informationen verfügbar, nicht bestellbar | ||||
| 100 | xxx | |||
| Lasche | ||||
| 101 | 442284 | 8.32 | 9.90 | |
| Flachrundschraube | ||||
| 102 | 444362 | 1.39 | 1.65 | |
| Scheibe 6,4 mm | ||||
| 103 | 228546 | 1.39 | 1.65 | |
| Drehknopf | ||||
| 104 | 440713 | 2.71 | 3.22 | |