Hier finden Sie alle verfügbaren Teile und Zeichnungen der 'Festool 486025 ( ET2E )'. Von hier aus können Sie alle gewünschten Teile direkt bestellen. Viele Teile müssen je nach Marke beim Hersteller bestellt werden, dies dauert ein bis vier Wochen. Alle Informationen, die wir haben, befinden sich auf unserer Website. Wir können Sie nicht beraten, was Sie benötigen. Dazu müssen Sie die Maschine zur Reparatur zurücksenden. Bitte beachten Sie bei der Bestellung Folgendes:
Aufgrund einer Umstrukturierung bei Festool werden Festool-Bestellungen erst in der zweiten Januarhälfte 2026 ausgeliefert.
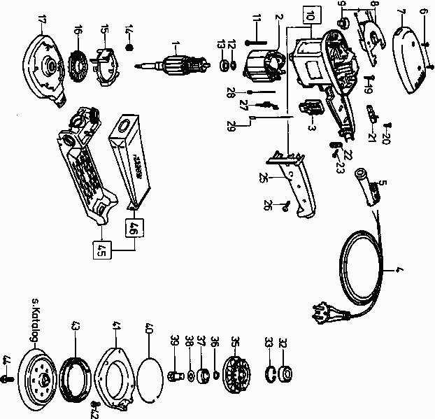
Zeichnungen der Festool 486025 ( ET2E )
Teileliste der Festool 486025 ( ET2E )
| Pos. | Beschreibung | Preis ohne MwSt | Preis inkl. MwSt | |
| Die angegebenen Preise enthalten die Mehrwertsteuer | ||||
| Anker 230v | ||||
| 1 | 493135 | 128.62 | 153.06 | |
| Nicht mehr lieferbar, kein Ersatz | ||||
| 2 | 493137 | |||
| Schalteranbau | ||||
| 3 | 486317 | 15.00 | 17.85 | |
| Kabel Eu | ||||
| 4 | 457600 | 24.32 | 28.94 | |
| Keine Informationen verfügbar, nicht bestellbar | ||||
| 5 | xxx | |||
| Linsenschraube 3,5 x 10 mm | ||||
| 6 | 219031 | 7.32 | 8.71 | |
| Kappe | ||||
| 7 | 488661 | 11.78 | 14.02 | |
| Regelelektronik 230 V | ||||
| 8 | 486686 | 61.47 | 73.15 | |
| Keine Informationen verfügbar, nicht bestellbar | ||||
| 9 | xxx | |||
| Motorgehäuse | ||||
| 10 | 487834 | 37.51 | 44.64 | |
| Linsenschraube 4,0 x 40 mm | ||||
| 11 | 219080 | 1.39 | 1.65 | |
| Ausgleichscheibe 14 x 21,8 x 0,3 mm | ||||
| 12 | 203777 | 1.39 | 1.65 | |
| Rillenkugellager 608 D1 MC3 E U152 J2 HA1 | ||||
| 13 | 10775821 | 5.09 | 6.06 | |
| Sechskantmutter M4 | ||||
| 14 | 200715 | 1.39 | 1.65 | |
| Luftführungsscheibe | ||||
| 15 | 443109 | 2.57 | 3.06 | |
| Ventilator | ||||
| 16 | 436451 | 2.18 | 2.59 | |
| Keine Informationen verfügbar, nicht bestellbar | ||||
| 17 | xxx | |||
| Linsenschraube M4 x 20 | ||||
| 19 | 228569 | 1.39 | 1.65 | |
| Linsenschraube 3,5 x 10 mm | ||||
| 20 | 219031 | 7.32 | 8.71 | |
| Kohle (paar) 220-230v | ||||
| 21 | 489018 | 10.75 | 12.79 | |
| Klemmbrücke | ||||
| 22 | 439288 | 1.39 | 1.65 | |
| Linsenschraube 3,5 x 16 mm | ||||
| 23 | 228663 | 1.39 | 1.65 | |
| Deckel | ||||
| 25 | 451402 | 6.26 | 7.45 | |
| Linsenschraube PT-4.0x20-KT15 | ||||
| 26 | 228567 | 1.39 | 1.65 | |
| U-Bügel | ||||
| 27 | 443331 | 1.51 | 1.80 | |
| Keine Informationen verfügbar, nicht bestellbar | ||||
| 28 | 440585 | |||
| Keine Informationen verfügbar, nicht bestellbar | ||||
| 29 | 443878 | |||
| Rillenkugellager | ||||
| 32 | 228659 | 8.11 | 9.65 | |
| Sicherungsring | ||||
| 33 | 401246 | 1.39 | 1.65 | |
| Keine Informationen verfügbar, nicht bestellbar | ||||
| 35 | 488856 | |||
| Sicherungsring | ||||
| 36 | 200619 | 1.39 | 1.65 | |
| Rillenkugellager | ||||
| 37 | 400048 | 7.58 | 9.02 | |
| Scheibe | ||||
| 38 | 443660 | 1.39 | 1.65 | |
| Lagerbolzen | ||||
| 39 | 720438 | 26.38 | 31.39 | |
| Keine Informationen verfügbar, nicht bestellbar | ||||
| 40 | xxx | |||
| Abdeckung | ||||
| 41 | 442925 | 9.90 | 11.78 | |
| Linsenschraube M4 x 12 | ||||
| 42 | 228509 | 1.39 | 1.65 | |
| Manschette | ||||
| 43 | 701156 | 7.39 | 8.79 | |
| Zylinderschraube | ||||
| 44 | 401165 | 1.39 | 1.65 | |
| Turbofilter-Set | ||||
| 45 | 487780 | 25.00 | 29.75 | |
| Turbofilter | ||||
| 46 | 487779 | 8.00 | 9.52 | |