Hier finden Sie alle verfügbaren Teile und Zeichnungen der 'Festool 485828 ( RW900E )'. Von hier aus können Sie alle gewünschten Teile direkt bestellen. Viele Teile müssen je nach Marke beim Hersteller bestellt werden, dies dauert ein bis vier Wochen. Alle Informationen, die wir haben, befinden sich auf unserer Website. Wir können Sie nicht beraten, was Sie benötigen. Dazu müssen Sie die Maschine zur Reparatur zurücksenden. Bitte beachten Sie bei der Bestellung Folgendes:
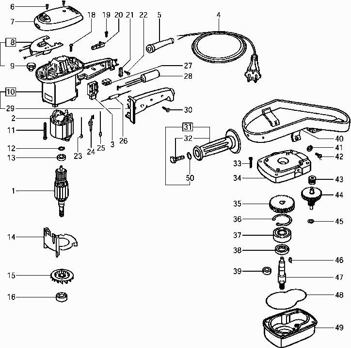
Zeichnungen der Festool 485828 ( RW900E )
Teileliste der Festool 485828 ( RW900E )
| Pos. | Beschreibung | Preis ohne MwSt | Preis inkl. MwSt | |
| Die angegebenen Preise enthalten die Mehrwertsteuer | ||||
| Anker 230 V | ||||
| 1 | 491884 | 144.84 | 172.36 | |
| Feldpaket 230 V | ||||
| 2 | 491885 | 55.30 | 65.81 | |
| Schalteranbau | ||||
| 3 | 486317 | 15.00 | 17.85 | |
| Kabel Eu | ||||
| 4 | 457603 | 24.80 | 29.51 | |
| Kabelschutzschlauch | ||||
| 5 | 432436 | 1.39 | 1.65 | |
| Linsenschraube 3,5 x 10 mm | ||||
| 6 | 219031 | 7.32 | 8.71 | |
| Nicht mehr lieferbar, kein Ersatz | ||||
| 7 | 450552 | |||
| Regelelektronik | ||||
| 8 | 488954 | 92.32 | 109.86 | |
| Keine Informationen verfügbar, nicht bestellbar | ||||
| 9 | 453703 | |||
| Motorgehäuse | ||||
| 10 | 487834 | 37.51 | 44.64 | |
| Linsenschraube 4 x 50 mm | ||||
| 11 | 228707 | 1.39 | 1.65 | |
| Ausgleichscheibe 14 x 21,8 x 0,3 mm | ||||
| 12 | 203777 | 1.39 | 1.65 | |
| Rillenkugellager 608 D1 MC3 E U152 J2 HA1 | ||||
| 13 | 10775821 | 5.09 | 6.06 | |
| Luftführungsscheibe | ||||
| 14 | 434430 | 2.11 | 2.51 | |
| Ventilator | ||||
| 15 | 441731 | 3.56 | 4.24 | |
| Rillenkugellager | ||||
| 16 | 401601 | 8.05 | 9.58 | |
| Linsenschraube M4 x 20 | ||||
| 18 | 228569 | 1.39 | 1.65 | |
| Linsenschraube 3,5 x 10 mm | ||||
| 19 | 219031 | 7.32 | 8.71 | |
| Kohlehalter mit Kohle (paar) 230v | ||||
| 20 | 488915 | 17.54 | 20.87 | |
| Kabelklemme RTK-S | ||||
| 21 | 431899 | 1.39 | 1.65 | |
| Linsenschraube 3,5 x 16 mm | ||||
| 22 | 228663 | 1.39 | 1.65 | |
| Litze | ||||
| 23 | 440586 | 1.51 | 1.80 | |
| U-Bügel | ||||
| 24 | 443331 | 1.51 | 1.80 | |
| Keine Informationen verfügbar, nicht bestellbar | ||||
| 25 | 440585 | |||
| Kondensator | ||||
| 28 | 436753 | 11.55 | 13.74 | |
| Deckel | ||||
| 29 | 451402 | 6.26 | 7.45 | |
| Linsenschraube PT-4.0x20-KT15 | ||||
| 30 | 228567 | 1.39 | 1.65 | |
| Handgriff | ||||
| 31 | 203755 | 18.51 | 22.03 | |
| Sechskantschraube M10 x 30 | ||||
| 32 | 400159 | 1.39 | 1.65 | |
| Linsenschraube M4 x 20 | ||||
| 33 | 228569 | 1.39 | 1.65 | |
| Lagerdeckel | ||||
| 34 | 487492 | 54.09 | 64.37 | |
| Zahnrad | ||||
| 35 | 435670 | 64.74 | 77.04 | |
| Sicherungsring | ||||
| 36 | 771487 | 1.39 | 1.65 | |
| Rillenkugellager | ||||
| 37 | 789921 | 10.10 | 12.02 | |
| Wellendichtring | ||||
| 38 | 410653 | 16.34 | 19.44 | |
| Buchse | ||||
| 39 | 436623 | 3.04 | 3.62 | |
| Ring | ||||
| 40 | 483903 | 96.56 | 114.91 | |
| Keine Informationen verfügbar, nicht bestellbar | ||||
| 41 | xxx | |||
| Zylinderschraube M6 x 18 | ||||
| 42 | 223541 | 1.39 | 1.65 | |
| Nadellager | ||||
| 43 | 483149 | 15.73 | 18.72 | |
| Zahnrad | ||||
| 44 | 484487 | 61.95 | 73.72 | |
| Scheibe | ||||
| 45 | 435669 | 1.98 | 2.36 | |
| Scheibenfeder | ||||
| 46 | 200773 | 1.39 | 1.65 | |
| Abtriebswelle | ||||
| 47 | 435671 | 56.39 | 67.10 | |
| Dichtschnur | ||||
| 48 | 438515 | 3.24 | 3.86 | |
| Getriebegehäuse | ||||
| 49 | 487491 | 55.66 | 66.24 | |
| O-ring | ||||
| 50 | 200920 | 1.39 | 1.65 | |