Hier finden Sie alle verfügbaren Teile und Zeichnungen der 'Festool 583183 ( SR201LE-AS )'. Von hier aus können Sie alle gewünschten Teile direkt bestellen. Viele Teile müssen je nach Marke beim Hersteller bestellt werden, dies dauert ein bis vier Wochen. Alle Informationen, die wir haben, befinden sich auf unserer Website. Wir können Sie nicht beraten, was Sie benötigen. Dazu müssen Sie die Maschine zur Reparatur zurücksenden. Bitte beachten Sie bei der Bestellung Folgendes:
Aufgrund einer Umstrukturierung bei Festool werden Festool-Bestellungen erst in der zweiten Januarhälfte 2026 ausgeliefert.
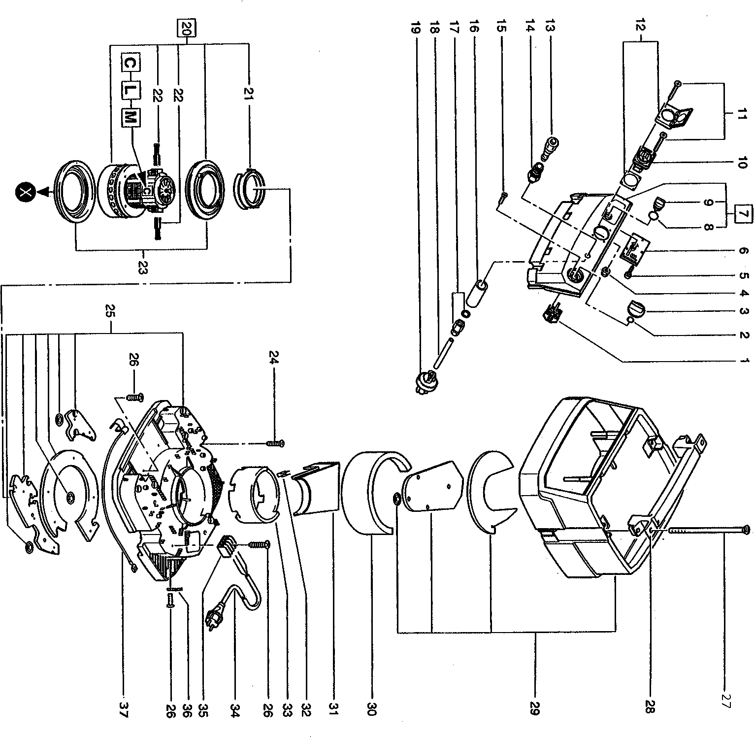
Zeichnungen der Festool 583183 ( SR201LE-AS )
Teileliste der Festool 583183 ( SR201LE-AS )
| Pos. | Beschreibung | Preis ohne MwSt | Preis inkl. MwSt | |
| Die angegebenen Preise enthalten die Mehrwertsteuer | ||||
| Keine Informationen verfügbar, nicht bestellbar | ||||
| 1 | xxx | |||
| O-ring | ||||
| 2 | 625308 | 9.43 | 11.22 | |
| Nicht mehr lieferbar, kein Ersatz | ||||
| 3 | 445234 | |||
| Keine Informationen verfügbar, nicht bestellbar | ||||
| 5 | xxx | |||
| Keine Informationen verfügbar, nicht bestellbar | ||||
| 6 | xxx | |||
| Keine Informationen verfügbar, nicht bestellbar | ||||
| 7 | xxx | |||
| Keine Informationen verfügbar, nicht bestellbar | ||||
| 8 | 222037 | |||
| Nicht mehr lieferbar, kein Ersatz | ||||
| 9 | 445241 | |||
| Steckdose Eu | ||||
| 10 | 445235 | 43.44 | 51.69 | |
| Keine Informationen verfügbar, nicht bestellbar | ||||
| 11 | xxx | |||
| Abdeckung | ||||
| 12 | 200504 | 12.83 | 15.27 | |
| Keine Informationen verfügbar, nicht bestellbar | ||||
| 13 | xxx | |||
| Keine Informationen verfügbar, nicht bestellbar | ||||
| 14 | xxx | |||
| Senkschraube M4 x 12 | ||||
| 15 | 228555 | 1.39 | 1.65 | |
| Keine Informationen verfügbar, nicht bestellbar | ||||
| 16 | xxx | |||
| Keine Informationen verfügbar, nicht bestellbar | ||||
| 17 | xxx | |||
| Schlauch | ||||
| 18 | 626534 | 11.92 | 14.18 | |
| Druckschalter | ||||
| 19 | 436877 | 52.39 | 62.34 | |
| Motor 230 V | ||||
| 20 | 490755 | 288.71 | 343.56 | |
| Keine Informationen verfügbar, nicht bestellbar | ||||
| 21 | 490668 | |||
| Kohlebürste | ||||
| 22 | 625316 | 52.64 | 62.64 | |
| Abschaltkohle (paar) 230v | ||||
| 22 | 452876 | 43.92 | 52.26 | |
| Keine Informationen verfügbar, nicht bestellbar | ||||
| 23 | 490668 | |||
| Keine Informationen verfügbar, nicht bestellbar | ||||
| 24 | 412054 | |||
| Platte | ||||
| 25 | 487119 | 186.82 | 222.32 | |
| Keine Informationen verfügbar, nicht bestellbar | ||||
| 26 | 412094 | |||
| Linsensenkschraube | ||||
| 27 | 445248 | 3.77 | 4.49 | |
| Keine Informationen verfügbar, nicht bestellbar | ||||
| 28 | xxx | |||
| Keine Informationen verfügbar, nicht bestellbar | ||||
| 29 | xxx | |||
| Keine Informationen verfügbar, nicht bestellbar | ||||
| 30 | xxx | |||
| Keine Informationen verfügbar, nicht bestellbar | ||||
| 31 | xxx | |||
| Keine Informationen verfügbar, nicht bestellbar | ||||
| 32 | xxx | |||
| Keine Informationen verfügbar, nicht bestellbar | ||||
| 33 | xxx | |||
| Kabel 7,5 m Eu | ||||
| 34 | 452078 | 70.42 | 83.80 | |
| Keine Informationen verfügbar, nicht bestellbar | ||||
| 35 | xxx | |||
| Keine Informationen verfügbar, nicht bestellbar | ||||
| 36 | xxx | |||
| Keine Informationen verfügbar, nicht bestellbar | ||||
| 37 | xxx | |||
| Keine Informationen verfügbar, nicht bestellbar | ||||
| 101 | xxx | |||
| Keine Informationen verfügbar, nicht bestellbar | ||||
| 102 | xxx | |||
| Keine Informationen verfügbar, nicht bestellbar | ||||
| 103 | xxx | |||
| Keine Informationen verfügbar, nicht bestellbar | ||||
| 104 | 412054 | |||
| Keine Informationen verfügbar, nicht bestellbar | ||||
| 105 | xxx | |||
| Keine Informationen verfügbar, nicht bestellbar | ||||
| 106 | xxx | |||
| Keine Informationen verfügbar, nicht bestellbar | ||||
| 107 | xxx | |||
| Keine Informationen verfügbar, nicht bestellbar | ||||
| 108 | 485808 | |||
| Nicht mehr lieferbar, kein Ersatz | ||||
| 109 | 412092 | |||
| T-stück | ||||
| 110 | 4951 | 46.10 | 54.86 | |
| Keine Informationen verfügbar, nicht bestellbar | ||||
| 111 | xxx | |||
| Keine Informationen verfügbar, nicht bestellbar | ||||
| 112 | 10014024 | |||
| Konus | ||||
| 113 | 439584 | 52.27 | 62.20 | |
| Keine Informationen verfügbar, nicht bestellbar | ||||
| 115 | 500677 | |||
| Keine Informationen verfügbar, nicht bestellbar | ||||
| 116 | 202346 | |||
| Keine Informationen verfügbar, nicht bestellbar | ||||
| 118 | xxx | |||
| Keine Informationen verfügbar, nicht bestellbar | ||||
| 119 | 412039 | |||
| Keine Informationen verfügbar, nicht bestellbar | ||||
| 120 | xxx | |||
| Keine Informationen verfügbar, nicht bestellbar | ||||
| 121 | xxx | |||
| Keine Informationen verfügbar, nicht bestellbar | ||||
| 122 | 487070 | |||
| Keine Informationen verfügbar, nicht bestellbar | ||||
| 123 | xxx | |||
| Scheibe 4,3 mm | ||||
| 124 | 200576 | 1.39 | 1.65 | |
| Nicht mehr lieferbar, kein Ersatz | ||||
| 125 | 438702 | |||
| Keine Informationen verfügbar, nicht bestellbar | ||||
| 126 | xxx | |||
| Nicht mehr lieferbar, kein Ersatz | ||||
| 127 | 445211 | |||
| Radsicherung | ||||
| 128 | 445210 | 7.46 | 8.88 | |
| Nicht mehr lieferbar, kein Ersatz | ||||
| 129 | 445209 | |||
| Lenkrolle | ||||
| 130 | 625333 | 19.24 | 22.90 | |
| Keine Informationen verfügbar, nicht bestellbar | ||||
| 131 | xxx | |||
| Keine Informationen verfügbar, nicht bestellbar | ||||
| 132 | xxx | |||