Hier finden Sie alle verfügbaren Teile und Zeichnungen der 'Hikoki B13S'. Von hier aus können Sie alle gewünschten Teile direkt bestellen. Viele Teile müssen je nach Marke beim Hersteller bestellt werden, dies dauert ein bis vier Wochen. Alle Informationen, die wir haben, befinden sich auf unserer Website. Wir können Sie nicht beraten, was Sie benötigen. Dazu müssen Sie die Maschine zur Reparatur zurücksenden. Bitte beachten Sie bei der Bestellung Folgendes:
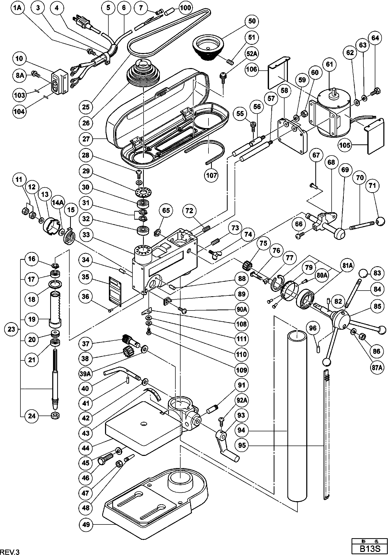
Zeichnungen der Hikoki B13S
Teileliste der Hikoki B13S
| Pos. | Beschreibung | Preis ohne MwSt | Preis inkl. MwSt | |
| Die angegebenen Preise enthalten die Mehrwertsteuer | ||||
| AS KOMPLEET (ZIE 951535) | ||||
| *23 | 951121 | 148.61 | 176.85 | |
| Nylonklammer C8fc/fs, C8fse | ||||
| *3 | 968300 | 1.65 | 1.96 | |
| Keine Informationen verfügbar, nicht bestellbar | ||||
| *5 | 951164 | |||
| Keine Informationen verfügbar, nicht bestellbar | ||||
| *6 | 951117 | |||
| Verbinder 50091 (10st) Div.typen | ||||
| *7 | 959140 | 3.30 | 3.93 | |
| Kopfschraube M4x10 M.u-scheibe (schwarz) | ||||
| 1A | 304043 | 1.05 | 1.25 | |
| Nylonklammer C8fc/fs, C8fse | ||||
| 3 | 968300 | 1.65 | 1.96 | |
| Keine Informationen verfügbar, nicht bestellbar | ||||
| 5 | 951164 | |||
| Keine Informationen verfügbar, nicht bestellbar | ||||
| 6 | 951117 | |||
| Verbinder 50091 (10st) Div.typen | ||||
| 7 | 959140 | 3.30 | 3.93 | |
| Kopfschraube M6x12 M.u-scheibe (schwarz) | ||||
| 8A | 307232 | 1.05 | 1.25 | |
| Schalter | ||||
| 10 | 951111 | 29.29 | 34.85 | |
| SCHAKELAAR | ||||
| 10 | 951112 | 26.46 | 31.49 | |
| Mutter M12 | ||||
| 11 | 949574 | 3.00 | 3.57 | |
| Unterlegscheibe M12 (10st) Cb75f, C8fse | ||||
| 12 | 949437 | 1.95 | 2.32 | |
| VEERKAP | ||||
| 13 | 932350 | 1.00 | 1.19 | |
| RING (D) | ||||
| 14A | 932364 | 1.00 | 1.19 | |
| Feder | ||||
| 15 | 932351 | 7.05 | 8.39 | |
| Sicherungsring D15 (10st) | ||||
| 16 | 939544 | 2.13 | 2.53 | |
| Kugellager 6002 Vv C7mfa | ||||
| 17 | 6002VV | 7.35 | 8.75 | |
| RUBBER RING | ||||
| 18 | 951102 | 1.00 | 1.19 | |
| Keine Informationen verfügbar, nicht bestellbar | ||||
| 20 | 939286 | |||
| Kugellager 6203vv | ||||
| 21 | 6203VV | 7.80 | 9.28 | |
| AS KOMPLEET (ZIE 951535) | ||||
| 23 | 951121 | 148.61 | 176.85 | |
| AS MET B16 KONUS | ||||
| 23 | 951535 | 131.89 | 156.95 | |
| NUT (D) | ||||
| 24 | 950067 | 1.26 | 1.50 | |
| V-SNAAR | ||||
| 25 | 973230 | 22.82 | 27.16 | |
| Riemenscheibe (b) | ||||
| 26 | 951104 | 69.99 | 83.29 | |
| SNAARDEKSEL | ||||
| 27 | 950138 | 37.07 | 44.11 | |
| Schraube M4X14 | ||||
| 28 | 951122 | 1.05 | 1.25 | |
| Lagerdeckel | ||||
| 29 | 951103 | 1.95 | 2.32 | |
| Kugellager 6005 Vv | ||||
| 30 | 6005VV | 9.75 | 11.60 | |
| Federscheibe | ||||
| 31 | 965469 | 1.05 | 1.25 | |
| Kugellager 6005 Vv | ||||
| 32 | 6005VV | 9.75 | 11.60 | |
| Kopf (alt 951114) | ||||
| 33 | 951160 | 260.29 | 309.74 | |
| Keine Informationen verfügbar, nicht bestellbar | ||||
| 34 | 975984 | |||
| Niete D 2,5 X 4,8 (10st) Three-phase | ||||
| 36 | 949510 | 1.04 | 1.23 | |
| Getriebe | ||||
| 37 | 932313 | 7.05 | 8.39 | |
| TANDWIEL | ||||
| 38 | 932112 | 3.18 | 3.78 | |
| Keine Informationen verfügbar, nicht bestellbar | ||||
| 39A | 975081 | |||
| SCHROEF | ||||
| 40 | 950124 | 5.28 | 6.28 | |
| Rollstift D5x25 (10st) | ||||
| 41 | 949681 | 3.60 | 4.28 | |
| Unterlegscheibe M12 (10st) Cb75f, C8fse | ||||
| 42 | 949437 | 1.95 | 2.32 | |
| SCHAAL | ||||
| 43 | 932324 | 1.00 | 1.19 | |
| Keine Informationen verfügbar, nicht bestellbar | ||||
| 44 | 305660 | |||
| VEERRING M16 (10STUKS) | ||||
| 45 | 949464 | 1.38 | 1.64 | |
| BOUT | ||||
| 46 | 932322 | 1.62 | 1.93 | |
| Mutter M6 (10st) Cg18dl For Europe (sl),usa,can | ||||
| 47 | 949556 | 1.05 | 1.25 | |
| CONUS PIN | ||||
| 48 | 932323 | 1.86 | 2.21 | |
| Grundplatte | ||||
| 49 | 951120 | 179.44 | 213.53 | |
| Riemenscheibe (a) | ||||
| 50 | 951530 | 38.36 | 45.65 | |
| Inbusschraube M6X10 | ||||
| 51 | 968247 | 1.04 | 1.23 | |
| Maschinenschraube (mit Unterlegscheiben) M6x16 | ||||
| 52A | 300197 | 1.05 | 1.25 | |
| Inbusschraube M6x12 (10st), Nr90aa | ||||
| 55 | 949657 | 3.00 | 3.57 | |
| Keine Informationen verfügbar, nicht bestellbar | ||||
| 56 | 951161 | |||
| ROD | ||||
| 57 | 951107 | 5.40 | 6.43 | |
| PLAAT | ||||
| 58 | 951106 | 8.04 | 9.57 | |
| Federring M12 (10st) | ||||
| 59 | 949463 | 1.65 | 1.96 | |
| Mutter M12 | ||||
| 60 | 949574 | 3.00 | 3.57 | |
| Unterlegscheibe M6 (10st), C8fse | ||||
| 62 | 949425 | 1.05 | 1.25 | |
| Federscheibe M6 (10st), C8fshe, C8fse, Cg18dal, C | ||||
| 63 | 949455 | 1.05 | 1.25 | |
| Schraube M6x12 (10st) (till 12.1999 For Gbr,frg,b | ||||
| 64 | 949611 | 1.05 | 1.25 | |
| Sicherungsring D10 (10st), Cm9uby, Cg18dl Till 12 | ||||
| 65 | 939540 | 1.95 | 2.32 | |
| Maschinenschraube M6x20 (10 Stück) | ||||
| 66 | 949258 | 1.65 | 1.96 | |
| Keine Informationen verfügbar, nicht bestellbar | ||||
| 67 | 932147 | |||
| Keine Informationen verfügbar, nicht bestellbar | ||||
| 68 | 932158 | |||
| Keine Informationen verfügbar, nicht bestellbar | ||||
| 69 | 951162 | |||
| Keine Informationen verfügbar, nicht bestellbar | ||||
| 70 | 932461 | |||
| Keine Informationen verfügbar, nicht bestellbar | ||||
| 71 | 932462 | |||
| Keine Informationen verfügbar, nicht bestellbar | ||||
| 72 | 949879 | |||
| INBUSSTELSCHROEF M10X10 | ||||
| 73 | 950141 | 1.00 | 1.19 | |
| VLEUGELSCHROEF M8X25 (10 STUKS) | ||||
| 74 | 949413 | 6.54 | 7.78 | |
| TANDWIEL | ||||
| 75 | 932112 | 3.18 | 3.78 | |
| BLOKKINGBOUT | ||||
| 76 | 932348 | 2.34 | 2.78 | |
| Keine Informationen verfügbar, nicht bestellbar | ||||
| 77 | 950087 | |||
| Keine Informationen verfügbar, nicht bestellbar | ||||
| 79 | 950086 | |||
| Niete D 2,5 X 4,8 (10st) Three-phase | ||||
| 80A | 949510 | 1.04 | 1.23 | |
| Keine Informationen verfügbar, nicht bestellbar | ||||
| 81A | 333924 | |||
| Pin D4x8 (10 Stück) | ||||
| 82 | 949483 | 2.40 | 2.86 | |
| Hebel | ||||
| 83 | 932344 | 1.35 | 1.61 | |
| Keine Informationen verfügbar, nicht bestellbar | ||||
| 83A | 944772 | |||
| Hebel | ||||
| 84 | 950135 | 5.85 | 6.96 | |
| HANDGREEPHOUDER | ||||
| 85 | 951105 | 64.79 | 77.10 | |
| Spezialmutter M8 | ||||
| 86 | 932593 | 1.35 | 1.61 | |
| Unterlegscheibe M8 (10st), C8fshe, C8fse | ||||
| 87A | 949433 | 1.05 | 1.25 | |
| PIN (OLD 305581) | ||||
| 88 | 951534 | 1.00 | 1.19 | |
| INDICATOR (B) | ||||
| 89 | 950088 | 1.00 | 1.19 | |
| Maschinenschraube M5X16 (10 Stücke) | ||||
| 90A | 949239 | 1.05 | 1.25 | |
| TANDWIELAS | ||||
| 91 | 950125 | 1.98 | 2.36 | |
| Maschinenschraube M6x16 (10 St), C8fshe | ||||
| 92A | 949256 | 1.35 | 1.61 | |
| Keine Informationen verfügbar, nicht bestellbar | ||||
| 93 | 305661 | |||
| TANDHEUGEL | ||||
| 95 | 950121 | 19.91 | 23.69 | |
| Rollstift D6x40 (10st) | ||||
| 96 | 949686 | 6.75 | 8.03 | |
| CORD LOCK (NC-01) | ||||
| 100 | 974265 | 21.62 | 25.73 | |
| Keine Informationen verfügbar, nicht bestellbar | ||||
| 105 | 310169 | |||
| Keine Informationen verfügbar, nicht bestellbar | ||||
| 106 | 310170 | |||
| Keine Informationen verfügbar, nicht bestellbar | ||||
| 107 | 307438 | |||
| Platte | ||||
| 108 | 323094 | 3.30 | 3.93 | |
| Kopfschraube M5x12 (10st), C8fse | ||||
| 109 | 949237 | 1.05 | 1.25 | |
| Federscheibe M5 (10st), C8fshe, C8fse | ||||
| 110 | 949454 | 1.04 | 1.23 | |
| Unterlegscheibe M5 (10st) | ||||
| 111 | 949424 | 1.05 | 1.25 | |