Hier finden Sie alle verfügbaren Teile und Zeichnungen der 'Hikoki B23S'. Von hier aus können Sie alle gewünschten Teile direkt bestellen. Viele Teile müssen je nach Marke beim Hersteller bestellt werden, dies dauert ein bis vier Wochen. Alle Informationen, die wir haben, befinden sich auf unserer Website. Wir können Sie nicht beraten, was Sie benötigen. Dazu müssen Sie die Maschine zur Reparatur zurücksenden. Bitte beachten Sie bei der Bestellung Folgendes:
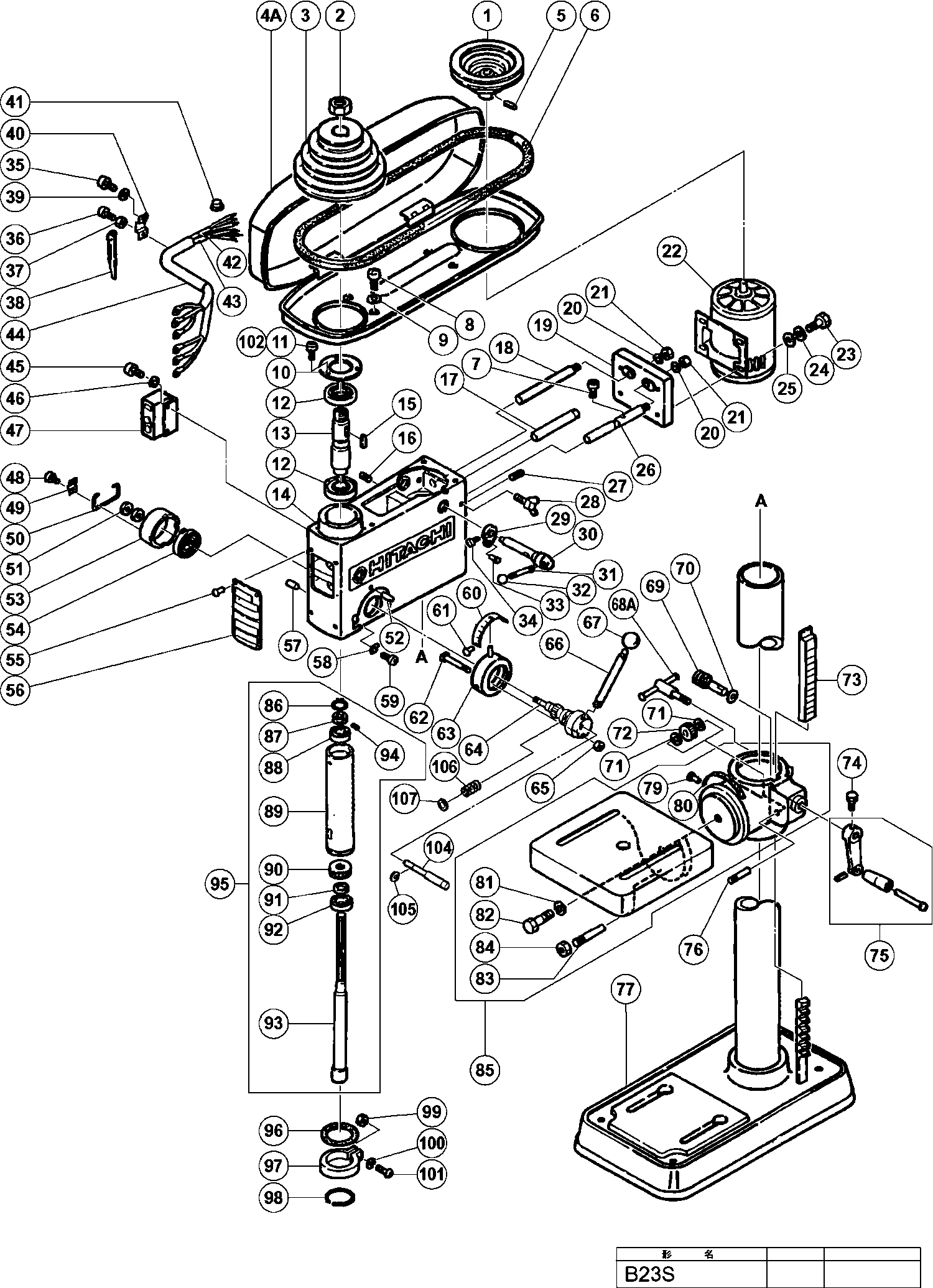
Zeichnungen der Hikoki B23S
Teileliste der Hikoki B23S
| Pos. | Beschreibung | Preis ohne MwSt | Preis inkl. MwSt | |
| Die angegebenen Preise enthalten die Mehrwertsteuer | ||||
| Keine Informationen verfügbar, nicht bestellbar | ||||
| *14 | 305650 | |||
| Federscheibe M6 (10st), C8fshe, C8fse, Cg18dal, C | ||||
| *24 | 949455 | 1.05 | 1.25 | |
| Unterlegscheibe M6 (10st), C 8fshe, C8fse, Cg18dl | ||||
| *25 | 949432 | 1.05 | 1.25 | |
| Verbinder 50091 (10st) Div.typen | ||||
| *41 | 959140 | 3.30 | 3.93 | |
| Keine Informationen verfügbar, nicht bestellbar | ||||
| *43 | 500243Z | |||
| Riemenscheibe (a) | ||||
| 1 | 988315 | 52.66 | 62.67 | |
| Keine Informationen verfügbar, nicht bestellbar | ||||
| 2 | 932424 | |||
| PULLY | ||||
| 3 | 932485 | 66.94 | 79.66 | |
| Keine Informationen verfügbar, nicht bestellbar | ||||
| 4A | 932470 | |||
| Inbusschraube M6X10 | ||||
| 5 | 968247 | 1.04 | 1.23 | |
| Keine Informationen verfügbar, nicht bestellbar | ||||
| 6 | 932473 | |||
| Inbusschraube M6x12 (10st), Nr90aa | ||||
| 7 | 949657 | 3.00 | 3.57 | |
| Keine Informationen verfügbar, nicht bestellbar | ||||
| 8 | 949254 | |||
| Federscheibe M6 (10st), C8fshe, C8fse, Cg18dal, C | ||||
| 9 | 949455 | 1.05 | 1.25 | |
| Keine Informationen verfügbar, nicht bestellbar | ||||
| 10 | 932442 | |||
| Kopfschraube M5x 8 (10st) | ||||
| 11 | 949235 | 1.05 | 1.25 | |
| Kugellager 6207vvcmps2s | ||||
| 12 | 6207VV | 17.46 | 20.78 | |
| Keine Informationen verfügbar, nicht bestellbar | ||||
| 13 | 932423 | |||
| Keine Informationen verfügbar, nicht bestellbar | ||||
| 14 | 988320 | |||
| Keine Informationen verfügbar, nicht bestellbar | ||||
| 15 | 932447 | |||
| Keine Informationen verfügbar, nicht bestellbar | ||||
| 16 | 932445 | |||
| Keine Informationen verfügbar, nicht bestellbar | ||||
| 17 | 949887 | |||
| Keine Informationen verfügbar, nicht bestellbar | ||||
| 18 | 988310 | |||
| Keine Informationen verfügbar, nicht bestellbar | ||||
| 19 | 932591 | |||
| Federring M12 (10st) | ||||
| 20 | 949463 | 1.65 | 1.96 | |
| Mutter M12 | ||||
| 21 | 949574 | 3.00 | 3.57 | |
| BOUT M8X20 (10 STUKS) (OUD 949624Z, | ||||
| 23 | 949624 | 1.50 | 1.78 | |
| BOLT M6X20 (10 PCS) | ||||
| 23 | 949676 | 1.26 | 1.50 | |
| Federscheibe M8 (10st), C8fshe, Cm9by, C8fse | ||||
| 24 | 949457 | 1.05 | 1.25 | |
| Federscheibe M6 (10st), C8fshe, C8fse, Cg18dal, C | ||||
| 24 | 949455 | 1.05 | 1.25 | |
| Unterlegscheibe M6 (10st), C 8fshe, C8fse, Cg18dl | ||||
| 25 | 949432 | 1.05 | 1.25 | |
| Unterlegscheibe M8 (10st), C8fshe, C8fse | ||||
| 25 | 949433 | 1.05 | 1.25 | |
| Keine Informationen verfügbar, nicht bestellbar | ||||
| 26 | 932489 | |||
| INBUSBOUT M10X18 *TD5-5-4* | ||||
| 27 | 932446 | 1.00 | 1.19 | |
| Keine Informationen verfügbar, nicht bestellbar | ||||
| 28 | 988325 | |||
| Keine Informationen verfügbar, nicht bestellbar | ||||
| 29 | 932148 | |||
| Keine Informationen verfügbar, nicht bestellbar | ||||
| 30 | 988321 | |||
| Keine Informationen verfügbar, nicht bestellbar | ||||
| 31 | 932461 | |||
| Keine Informationen verfügbar, nicht bestellbar | ||||
| 32 | 932462 | |||
| Keine Informationen verfügbar, nicht bestellbar | ||||
| 33 | 932147 | |||
| Maschinenschraube M6x20 (10 Stück) | ||||
| 34 | 949258 | 1.65 | 1.96 | |
| Keine Informationen verfügbar, nicht bestellbar | ||||
| 35 | 949254 | |||
| Maschinenschraube M6x22 (10 Stück) | ||||
| 36 | 949259 | 1.65 | 1.96 | |
| Mutter M6 (10st) Cg18dl For Europe (sl),usa,can | ||||
| 37 | 949556 | 1.05 | 1.25 | |
| Keine Informationen verfügbar, nicht bestellbar | ||||
| 38 | 932482 | |||
| Federscheibe M6 (10st), C8fshe, C8fse, Cg18dal, C | ||||
| 39 | 949455 | 1.05 | 1.25 | |
| Keine Informationen verfügbar, nicht bestellbar | ||||
| 40 | 932479 | |||
| Verbinder 50092 (10st) Div.typen (usa, Can), C8fs | ||||
| 41 | 959141 | 3.75 | 4.46 | |
| Verbinder 50091 (10st) Div.typen | ||||
| 41 | 959140 | 3.30 | 3.93 | |
| Keine Informationen verfügbar, nicht bestellbar | ||||
| 42 | 988312 | |||
| Keine Informationen verfügbar, nicht bestellbar | ||||
| 43 | 951164 | |||
| Keine Informationen verfügbar, nicht bestellbar | ||||
| 45 | 949254 | |||
| Federscheibe M6 (10st), C8fshe, C8fse, Cg18dal, C | ||||
| 46 | 949455 | 1.05 | 1.25 | |
| Schalter | ||||
| 47 | 951111 | 29.29 | 34.85 | |
| SCHAKELAAR | ||||
| 47 | 951112 | 26.46 | 31.49 | |
| Kopfschraube M4x6 (10st) | ||||
| 48 | 949214 | 1.05 | 1.25 | |
| Keine Informationen verfügbar, nicht bestellbar | ||||
| 49 | 932459 | |||
| Keine Informationen verfügbar, nicht bestellbar | ||||
| 50 | 932483 | |||
| Keine Informationen verfügbar, nicht bestellbar | ||||
| 51 | 949575 | |||
| Keine Informationen verfügbar, nicht bestellbar | ||||
| 52 | 932444 | |||
| Keine Informationen verfügbar, nicht bestellbar | ||||
| 53 | 932457 | |||
| Feder (a) | ||||
| 54 | 932458 | 9.30 | 11.07 | |
| Niete D 2,5 X 4,8 (10st) Three-phase | ||||
| 55 | 949510 | 1.04 | 1.23 | |
| Keine Informationen verfügbar, nicht bestellbar | ||||
| 57 | 932592 | |||
| Keine Informationen verfügbar, nicht bestellbar | ||||
| 57A | 312021 | |||
| ANZEIGER | ||||
| 58 | 932456 | 1.04 | 1.23 | |
| Keine Informationen verfügbar, nicht bestellbar | ||||
| 59 | 949254 | |||
| SCHAAL | ||||
| 60 | 932455 | 1.00 | 1.19 | |
| Niete D 2,5 X 4,8 (10st) Three-phase | ||||
| 61 | 949510 | 1.04 | 1.23 | |
| Keine Informationen verfügbar, nicht bestellbar | ||||
| 62 | 988319 | |||
| Keine Informationen verfügbar, nicht bestellbar | ||||
| 63 | 932454 | |||
| Keine Informationen verfügbar, nicht bestellbar | ||||
| 64 | 988316 | |||
| Spezialmutter M8 | ||||
| 65 | 932593 | 1.35 | 1.61 | |
| Keine Informationen verfügbar, nicht bestellbar | ||||
| 66 | 988317 | |||
| Keine Informationen verfügbar, nicht bestellbar | ||||
| 67 | 988318 | |||
| Keine Informationen verfügbar, nicht bestellbar | ||||
| 68A | 998156 | |||
| Getriebe | ||||
| 69 | 932313 | 7.05 | 8.39 | |
| SLUITRING | ||||
| 70 | 932314 | 1.00 | 1.19 | |
| RING | ||||
| 71 | 932317 | 1.00 | 1.19 | |
| Keine Informationen verfügbar, nicht bestellbar | ||||
| 72 | 932316 | |||
| Keine Informationen verfügbar, nicht bestellbar | ||||
| 73 | 988313 | |||
| BOLT M6X14 (10 PCS) (OLD 949612Z) | ||||
| 74 | 949612 | 1.00 | 1.19 | |
| Keine Informationen verfügbar, nicht bestellbar | ||||
| 75 | 932595 | |||
| Keine Informationen verfügbar, nicht bestellbar | ||||
| 76 | 932315 | |||
| Keine Informationen verfügbar, nicht bestellbar | ||||
| 77 | 932598 | |||
| Niete D 2,5 X 4,8 (10st) Three-phase | ||||
| 79 | 949510 | 1.04 | 1.23 | |
| Keine Informationen verfügbar, nicht bestellbar | ||||
| 80 | 932426 | |||
| VEERRING M16 (10STUKS) | ||||
| 81 | 949464 | 1.38 | 1.64 | |
| BOUT | ||||
| 82 | 932322 | 1.62 | 1.93 | |
| KONUS PIN | ||||
| 83 | 932425 | 1.74 | 2.07 | |
| Mutter M8 (10st) | ||||
| 84 | 949558 | 1.05 | 1.25 | |
| Keine Informationen verfügbar, nicht bestellbar | ||||
| 85 | 932422 | |||
| Sicherungsring D30 Div.typen Dh30pc | ||||
| 86 | 948310 | 1.35 | 1.61 | |
| Keine Informationen verfügbar, nicht bestellbar | ||||
| 87 | 932416 | |||
| Kugellager 6204 Vv | ||||
| 88 | 6204VV | 9.15 | 10.89 | |
| Keine Informationen verfügbar, nicht bestellbar | ||||
| 90 | 939431 | |||
| DISTANCE WASHER (B) | ||||
| 91 | 932434 | 1.00 | 1.19 | |
| Kugellager 6005 Vv | ||||
| 92 | 6005VV | 9.75 | 11.60 | |
| Keine Informationen verfügbar, nicht bestellbar | ||||
| 94 | 932418 | |||
| Keine Informationen verfügbar, nicht bestellbar | ||||
| 95 | 988314 | |||
| PAKKING | ||||
| 96 | 932437 | 1.74 | 2.07 | |
| STOPPERHOUDER | ||||
| 97 | 932438 | 4.20 | 5.00 | |
| RING | ||||
| 98 | 932439 | 1.00 | 1.19 | |
| Mutter M6 (10st) Cg18dl For Europe (sl),usa,can | ||||
| 99 | 949556 | 1.05 | 1.25 | |
| Federscheibe M6 (10st), C8fshe, C8fse, Cg18dal, C | ||||
| 100 | 949455 | 1.05 | 1.25 | |
| Kopfschraube M6x30 | ||||
| 101 | 949262 | 1.80 | 2.14 | |
| Federscheibe M5 (10st), C8fshe, C8fse | ||||
| 102 | 949454 | 1.04 | 1.23 | |
| Keine Informationen verfügbar, nicht bestellbar | ||||
| 104 | 988410 | |||
| Ring | ||||
| 105 | 673489 | 1.04 | 1.23 | |
| Keine Informationen verfügbar, nicht bestellbar | ||||
| 106 | 988810 | |||
| Unterlegscheibe M4 (10st) | ||||
| 107 | 949423 | 1.05 | 1.25 | |
| Keine Informationen verfügbar, nicht bestellbar | ||||
| 901 | 950266 | |||
| Keine Informationen verfügbar, nicht bestellbar | ||||
| 902 | 950267 | |||
| Keine Informationen verfügbar, nicht bestellbar | ||||
| 903 | 950262 | |||
| Keine Informationen verfügbar, nicht bestellbar | ||||
| 904 | 950265 | |||
| Keine Informationen verfügbar, nicht bestellbar | ||||
| 905 | 930733 | |||
| Keine Informationen verfügbar, nicht bestellbar | ||||
| 906 | 930904 | |||