Hier finden Sie alle verfügbaren Teile und Zeichnungen der 'Hikoki BG-100'. Von hier aus können Sie alle gewünschten Teile direkt bestellen. Viele Teile müssen je nach Marke beim Hersteller bestellt werden, dies dauert ein bis vier Wochen. Alle Informationen, die wir haben, befinden sich auf unserer Website. Wir können Sie nicht beraten, was Sie benötigen. Dazu müssen Sie die Maschine zur Reparatur zurücksenden. Bitte beachten Sie bei der Bestellung Folgendes:
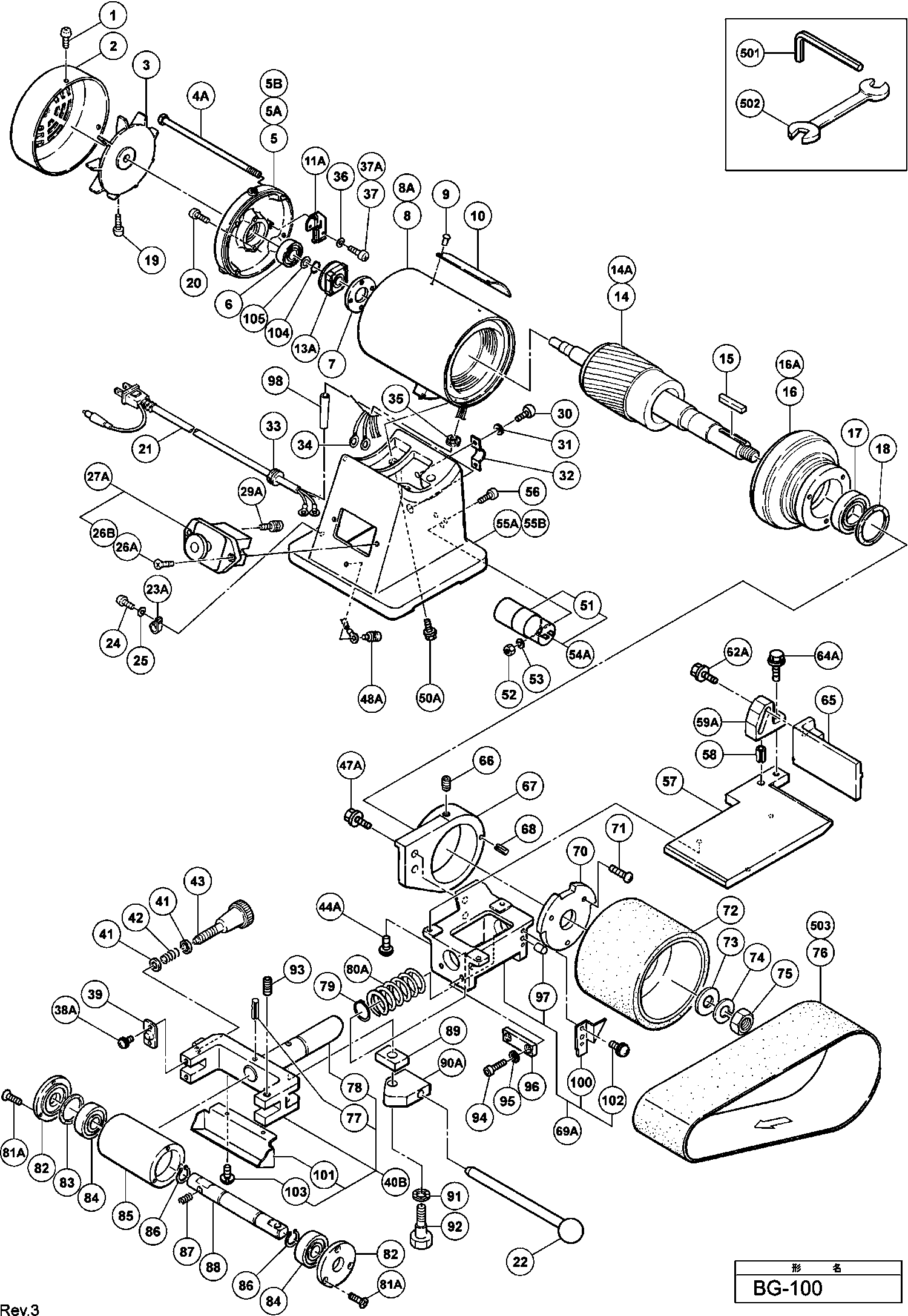
Zeichnungen der Hikoki BG-100
Teileliste der Hikoki BG-100
| Pos. | Beschreibung | Preis ohne MwSt | Preis inkl. MwSt | |
| Die angegebenen Preise enthalten die Mehrwertsteuer | ||||
| Kopfschraube M5x 8 (10st) | ||||
| 1 | 949235 | 1.05 | 1.25 | |
| DEKSEL VOOR BG-100 | ||||
| 2 | 935168 | 9.60 | 11.42 | |
| WAAIER VOOR BG-100 | ||||
| 3 | 935167 | 6.30 | 7.50 | |
| Bolzen M5x190 | ||||
| 4A | 329327 | 3.30 | 3.93 | |
| TUSSENDEKSEL VOOR BG-100 | ||||
| 5 | 935165 | 27.56 | 32.80 | |
| Zwischendeckel | ||||
| 5A | 329329 | 52.53 | 62.50 | |
| Zwischendeckel | ||||
| 5B | 329325 | 52.53 | 62.50 | |
| Kugellager 6202 Vv | ||||
| 6 | 6202VV | 7.05 | 8.39 | |
| KAP | ||||
| 7 | 935160 | 6.30 | 7.50 | |
| Keine Informationen verfügbar, nicht bestellbar | ||||
| 8 | 935191E | |||
| Keine Informationen verfügbar, nicht bestellbar | ||||
| 8A | 340724E | |||
| Niete D 2,5 X 4,8 (10st) Three-phase | ||||
| 9 | 949510 | 1.04 | 1.23 | |
| Zentrifugalschalter (r) Seit 5.2003 | ||||
| 11A | 329326 | 35.06 | 41.72 | |
| Maschinenschraube M4x10 (10 Stück) (ALT 949216Z) | ||||
| 12 | 949216 | 1.05 | 1.25 | |
| Zentrifugalschalter (r) Seit 5.2003 | ||||
| 13A | 329321 | 35.06 | 41.72 | |
| Keine Informationen verfügbar, nicht bestellbar | ||||
| 15 | 967187 | |||
| EIND HOUDER | ||||
| 16 | 935161 | 35.26 | 41.96 | |
| Endkappe (Kontaktraddseite) Seit 5.2003 | ||||
| 16A | 329324 | 90.48 | 107.67 | |
| Kugellager 6206vvcmps2s | ||||
| 17 | 6206VV | 14.40 | 17.14 | |
| Keine Informationen verfügbar, nicht bestellbar | ||||
| 18 | 935162 | |||
| Maschinenschraube M5X14 (10 Stücke) | ||||
| 19 | 949238 | 1.05 | 1.25 | |
| Kopfschraube M4x20 (10st) | ||||
| 20 | 949221 | 1.05 | 1.25 | |
| Keine Informationen verfügbar, nicht bestellbar | ||||
| 21 | 500228Z | |||
| HENDEL BG-100 | ||||
| 22 | 935181 | 6.18 | 7.35 | |
| Keine Informationen verfügbar, nicht bestellbar | ||||
| 23A | 966049 | |||
| Kopfschraube M4x12 (10st),c8fshe, C8fse | ||||
| 24 | 949217 | 1.05 | 1.25 | |
| Federscheibe M4 (10st) | ||||
| 25 | 949453 | 1.05 | 1.25 | |
| Senkkopfschraube M4x12 (10st) | ||||
| 26A | 949323 | 1.05 | 1.25 | |
| Kopfschraube M4x16 M.u.scheibe | ||||
| 26B | 993539 | 1.04 | 1.23 | |
| SCHAKELAAR (OUD 935406) | ||||
| 27A | 934702 | 24.09 | 28.67 | |
| MACHINE SCREW (BRASS) M4X6 (10PCS | ||||
| 29A | 949601 | 1.98 | 2.36 | |
| Kopfschraube M4x12 (10st),c8fshe, C8fse | ||||
| 30 | 949217 | 1.05 | 1.25 | |
| Federscheibe M4 (10st) | ||||
| 31 | 949453 | 1.05 | 1.25 | |
| Keine Informationen verfügbar, nicht bestellbar | ||||
| 32 | 935155 | |||
| Keine Informationen verfügbar, nicht bestellbar | ||||
| 33 | 935156 | |||
| Kabelschuh 50051 (10st) Div.typen For Noise Suppr | ||||
| 34 | 959144 | 3.00 | 3.57 | |
| Keine Informationen verfügbar, nicht bestellbar | ||||
| 35 | 935151 | |||
| Federscheibe M4 (10st) | ||||
| 36 | 949453 | 1.05 | 1.25 | |
| Kopfschraube M4x 8 (10st) C8fshe, C8fse | ||||
| 37 | 949215 | 1.05 | 1.25 | |
| Kopfschraube M4x12 (10st),c8fshe, C8fse | ||||
| 37A | 949217 | 1.05 | 1.25 | |
| Kopfschraube M4x10 M.u-scheibe (schwarz) | ||||
| 38A | 304043 | 1.05 | 1.25 | |
| VEERRING | ||||
| 39 | 936371 | 1.00 | 1.19 | |
| Spannhalter-Montage (alt 952475) | ||||
| 40B | 952494 | 122.51 | 145.79 | |
| VEERHOUDER | ||||
| 41 | 936367 | 1.00 | 1.19 | |
| VEER | ||||
| 42 | 936368 | 1.00 | 1.19 | |
| KNOP | ||||
| 43 | 935188 | 8.52 | 10.14 | |
| IMBUS HD BOUT M4X16 | ||||
| 44A | 307354 | 1.00 | 1.19 | |
| Keine Informationen verfügbar, nicht bestellbar | ||||
| 47A | 307351 | |||
| MACHINE SCREW (BRASS) M4X6 (10PCS | ||||
| 48A | 949601 | 1.98 | 2.36 | |
| BOLT (W/WASHER M8X25 | ||||
| 50A | 978930 | 1.00 | 1.19 | |
| Keine Informationen verfügbar, nicht bestellbar | ||||
| 51 | 935154 | |||
| Mutter M4 (10 Stück) | ||||
| 52 | 949554 | 1.05 | 1.25 | |
| Federscheibe M4 (10st) | ||||
| 53 | 949453 | 1.05 | 1.25 | |
| Geräuschunterdrücker W/Geräuschunterdrücker Band | ||||
| 54A | 336566 | 97.63 | 116.17 | |
| BASE | ||||
| 55A | 935152 | 55.82 | 66.43 | |
| Keine Informationen verfügbar, nicht bestellbar | ||||
| 55B | 336565 | |||
| Kopfschraube M4x16 (10st) | ||||
| 56 | 949219 | 1.20 | 1.43 | |
| VOETPLAAT BG-100 | ||||
| 57 | 935185 | 67.16 | 79.92 | |
| Keine Informationen verfügbar, nicht bestellbar | ||||
| 57A | 377008 | |||
| Rollenstift D10x20 (10 Stücke) | ||||
| 58 | 949886 | 17.60 | 20.94 | |
| TOOL REST HOLDER | ||||
| 59A | 936354 | 5.28 | 6.28 | |
| Keine Informationen verfügbar, nicht bestellbar | ||||
| 62A | 307351 | |||
| Keine Informationen verfügbar, nicht bestellbar | ||||
| 64A | 307351 | |||
| PLAAT | ||||
| 65 | 936353 | 12.10 | 14.40 | |
| Keine Informationen verfügbar, nicht bestellbar | ||||
| 66 | 976080 | |||
| HOUDER | ||||
| 67 | 935170 | 23.87 | 28.41 | |
| ROL PIN (OUD 935172) (10 STUKS) | ||||
| 68 | 949877 | 2.82 | 3.36 | |
| FRAME ASS'Y (OUD 935173) | ||||
| 69A | 935202 | 72.00 | 85.68 | |
| PLAAT | ||||
| 70 | 935163 | 8.64 | 10.28 | |
| Maschinenschraube M6x20 (10 Stück) | ||||
| 71 | 949258 | 1.65 | 1.96 | |
| CONTACTSCHIJF | ||||
| 72 | 936303 | 99.11 | 117.94 | |
| RING M16 | ||||
| 73 | 955817 | 1.00 | 1.19 | |
| VEERRING M16 (10STUKS) | ||||
| 74 | 949464 | 1.38 | 1.64 | |
| MOER LINKS M16 | ||||
| 75 | 935426 | 1.00 | 1.19 | |
| Keine Informationen verfügbar, nicht bestellbar | ||||
| 76 | 939704 | |||
| Sicherungsring D30 Div.typen Dh30pc | ||||
| 79 | 948310 | 1.35 | 1.61 | |
| Feder (alt 935175) | ||||
| 80A | 936361 | 5.70 | 6.78 | |
| Seal Lock Flachkopfschraube M4x14 | ||||
| 81A | 320437 | 1.80 | 2.14 | |
| LAGERHUIS | ||||
| 82 | 936366 | 6.54 | 7.78 | |
| RING | ||||
| 83 | 936315 | 1.00 | 1.19 | |
| Kugellager 6204 Vv | ||||
| 84 | 6204VV | 9.15 | 10.89 | |
| SNAARSCHIJF | ||||
| 85 | 936364 | 38.44 | 45.74 | |
| Sicherungsring D20 (10 Stücke) | ||||
| 86 | 939547 | 3.90 | 4.64 | |
| VEER | ||||
| 87 | 936370 | 1.00 | 1.19 | |
| POULLEY ASSY | ||||
| 88 | 952476 | 38.44 | 45.74 | |
| PLAAT | ||||
| 89 | 935177 | 4.68 | 5.57 | |
| HANDGREEPPLAAT (OUD 935178) | ||||
| 90A | 952474 | 14.90 | 17.73 | |
| RING | ||||
| 91 | 935179 | 1.00 | 1.19 | |
| BOUT | ||||
| 92 | 935180 | 4.08 | 4.86 | |
| INBUSSTELSCHROEF M10X30 | ||||
| 93 | 935183 | 1.00 | 1.19 | |
| Inbusschraube M6x12 (10st), Nr90aa | ||||
| 94 | 949657 | 3.00 | 3.57 | |
| Federscheibe M6 (10st), C8fshe, C8fse, Cg18dal, C | ||||
| 95 | 949455 | 1.05 | 1.25 | |
| PLAAT | ||||
| 96 | 935176 | 2.94 | 3.50 | |
| OLIE CAP | ||||
| 97 | 966716 | 1.00 | 1.19 | |
| Sicherheitsabdeckung (a) | ||||
| 100 | 935200 | 18.43 | 21.93 | |
| Sicherheitsabdeckung (b) | ||||
| 101 | 935201 | 25.58 | 30.43 | |
| Maschinenschraube M5x12 | ||||
| 102 | 995046 | 1.05 | 1.25 | |
| Maschinenschraube M5x12 | ||||
| 103 | 995046 | 1.05 | 1.25 | |
| Federscheibe | ||||
| 104 | 329322 | 3.30 | 3.93 | |
| Beilegring | ||||
| 105 | 329323 | 3.30 | 3.93 | |
| Keine Informationen verfügbar, nicht bestellbar | ||||
| 501 | 944459 | |||
| Keine Informationen verfügbar, nicht bestellbar | ||||
| 502A | 949168 | |||
| Keine Informationen verfügbar, nicht bestellbar | ||||
| 503 | 939705 | |||
| Keine Informationen verfügbar, nicht bestellbar | ||||
| 601A | 948163 | |||
| Keine Informationen verfügbar, nicht bestellbar | ||||
| 602 | 939700 | |||
| Keine Informationen verfügbar, nicht bestellbar | ||||
| 603 | 939701 | |||
| Keine Informationen verfügbar, nicht bestellbar | ||||
| 604 | 939702 | |||
| Keine Informationen verfügbar, nicht bestellbar | ||||
| 605 | 939706 | |||
| Keine Informationen verfügbar, nicht bestellbar | ||||
| 606 | 939707 | |||
| Keine Informationen verfügbar, nicht bestellbar | ||||
| 607 | 939708 | |||
| Keine Informationen verfügbar, nicht bestellbar | ||||
| 608 | 939709 | |||
| Keine Informationen verfügbar, nicht bestellbar | ||||
| 609 | 939710 | |||
| Keine Informationen verfügbar, nicht bestellbar | ||||
| 610 | 939711 | |||
| Keine Informationen verfügbar, nicht bestellbar | ||||
| 611 | 939712 | |||
| Keine Informationen verfügbar, nicht bestellbar | ||||
| 612 | 939717 | |||
| Keine Informationen verfügbar, nicht bestellbar | ||||
| 613 | 939723 | |||