Hier finden Sie alle verfügbaren Teile und Zeichnungen der 'Hikoki BUL-SH3'. Von hier aus können Sie alle gewünschten Teile direkt bestellen. Viele Teile müssen je nach Marke beim Hersteller bestellt werden, dies dauert ein bis vier Wochen. Alle Informationen, die wir haben, befinden sich auf unserer Website. Wir können Sie nicht beraten, was Sie benötigen. Dazu müssen Sie die Maschine zur Reparatur zurücksenden. Bitte beachten Sie bei der Bestellung Folgendes:
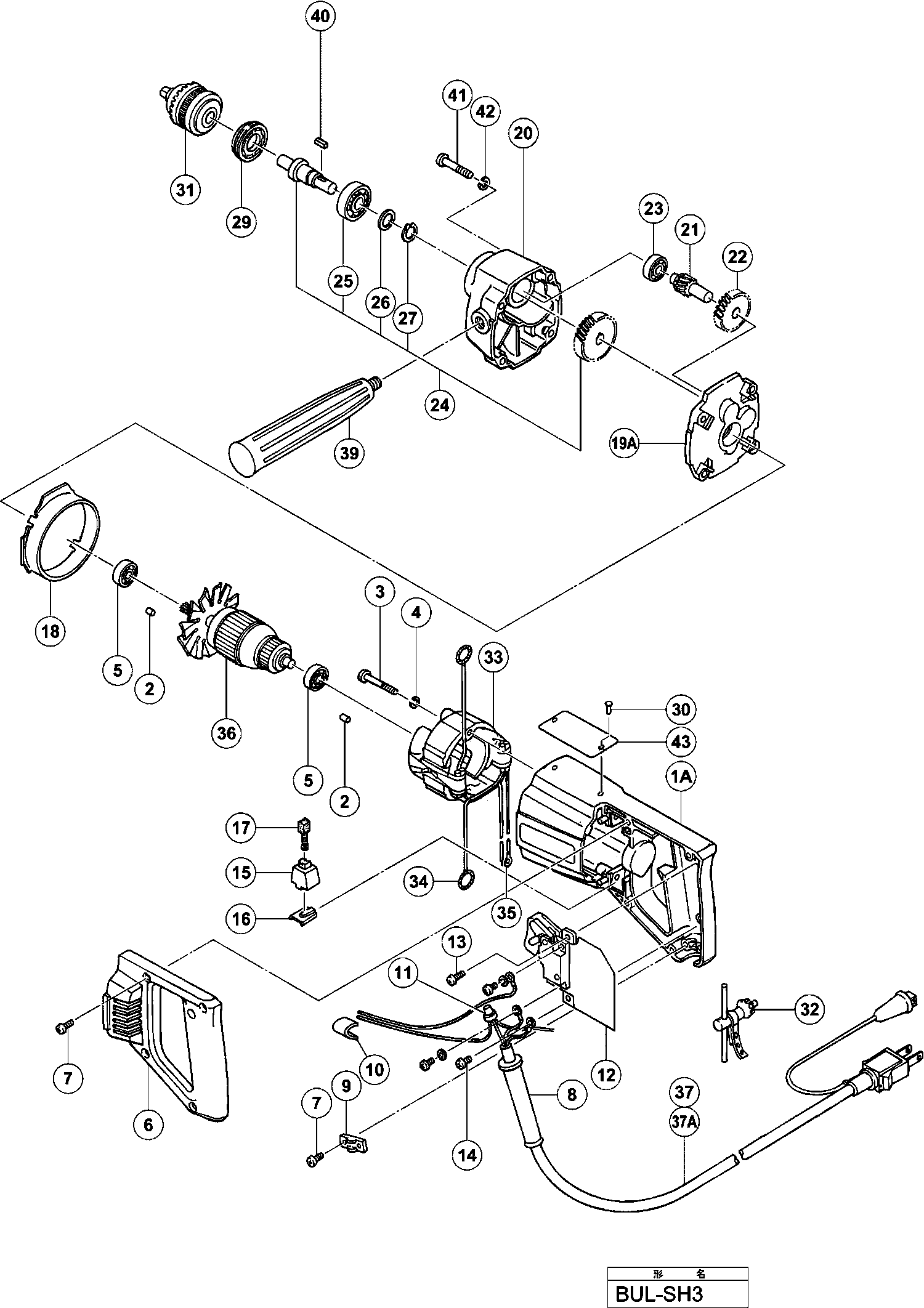
Zeichnungen der Hikoki BUL-SH3
Teileliste der Hikoki BUL-SH3
| Pos. | Beschreibung | Preis ohne MwSt | Preis inkl. MwSt | |
| Die angegebenen Preise enthalten die Mehrwertsteuer | ||||
| Keine Informationen verfügbar, nicht bestellbar | ||||
| 1A | 980380 | |||
| GUMMISTIFT | ||||
| 2 | 931701 | 1.05 | 1.25 | |
| Maschinenschraube M5x40 (ALT 949248Z) | ||||
| 3 | 949248 | 1.80 | 2.14 | |
| Federscheibe M5 (10st), C8fshe, C8fse | ||||
| 4 | 949454 | 1.04 | 1.23 | |
| Kugellager 608 Vvm, C8fshe, Cm5sb, C8fse, H41mb | ||||
| 5 | 608VVM | 5.70 | 6.78 | |
| Keine Informationen verfügbar, nicht bestellbar | ||||
| 6 | 980381 | |||
| Kopfschraube M4x14 (10st) | ||||
| 7 | 949218 | 1.05 | 1.25 | |
| Kabelknickschutz D8.8 Div.typen, Cm5sb | ||||
| 8 | 380090 | 1.04 | 1.24 | |
| Kabelknickschutz D10.1 Div.typen, C8fshe, C8fse | ||||
| 8 | 938051 | 1.04 | 1.23 | |
| Kabelklemme Div.typen, C8fshe, Cm5sb, C8fse | ||||
| 9 | 937631 | 1.04 | 1.23 | |
| Verbinder 50091 (10st) Div.typen | ||||
| 11 | 959140 | 3.30 | 3.93 | |
| Schalter | ||||
| 12 | 930244 | 20.21 | 24.05 | |
| Kopfschraube M4x6 (10st) | ||||
| 13 | 949214 | 1.05 | 1.25 | |
| Keine Informationen verfügbar, nicht bestellbar | ||||
| 14 | 949292 | |||
| Keine Informationen verfügbar, nicht bestellbar | ||||
| 15 | 931745 | |||
| Keine Informationen verfügbar, nicht bestellbar | ||||
| 16 | 930204 | |||
| Kohlenbürsten (paar)cj65v3 | ||||
| 17 | 999041 | 4.50 | 5.36 | |
| Keine Informationen verfügbar, nicht bestellbar | ||||
| 18 | 930329 | |||
| Innendeckel | ||||
| 19A | 980403 | 5.40 | 6.43 | |
| Keine Informationen verfügbar, nicht bestellbar | ||||
| 20 | 980400 | |||
| SECOND PINION | ||||
| 21 | 930850 | 3.96 | 4.71 | |
| EERSTE TANDWIEL | ||||
| 22 | 930368 | 3.48 | 4.14 | |
| Kugellager 608 Vvm, C8fshe, Cm5sb, C8fse, H41mb | ||||
| 23 | 608VVM | 5.70 | 6.78 | |
| AS EN TANDWIEL | ||||
| 24 | 960355 | 11.44 | 13.61 | |
| Kugellager 6201 Vv | ||||
| 25 | 6201VV | 6.45 | 7.68 | |
| Ring | ||||
| 26 | 930334 | 1.05 | 1.25 | |
| Sicherungsring D12 (10st), G23ss | ||||
| 27 | 939542 | 1.50 | 1.78 | |
| Lagerkappe D13v/d10vc | ||||
| 29 | 930214 | 3.60 | 4.28 | |
| NAGEL D2.5X3.2 (10 STKS.) | ||||
| 30 | 949509 | 1.00 | 1.19 | |
| Keine Informationen verfügbar, nicht bestellbar | ||||
| 31 | 321810 | |||
| Keine Informationen verfügbar, nicht bestellbar | ||||
| 32 | 930515 | |||
| Keine Informationen verfügbar, nicht bestellbar | ||||
| 33 | 980441F | |||
| Kohlenhalterklemme Fg12sa u.a., C8fshe, C8fse | ||||
| 34 | 931867 | 1.05 | 1.25 | |
| Kabelschuh (a) M3,5 (10st) Cj65v3 | ||||
| 35 | 960356 | 3.00 | 3.57 | |
| Keine Informationen verfügbar, nicht bestellbar | ||||
| 36 | 930383F | |||
| Kabel | ||||
| 37 | 500243Z | 18.15 | 21.60 | |
| Keine Informationen verfügbar, nicht bestellbar | ||||
| 37A | 500427Z | |||
| Keine Informationen verfügbar, nicht bestellbar | ||||
| 39 | 961073 | |||
| Keil 3x3x8 Dh22vb/g12sa/g12sa2/ G13sb2/g12sa2/dh4 | ||||
| 40 | 944109 | 1.70 | 2.02 | |
| Kopfschraube M5x35 (10st) | ||||
| 41 | 949247 | 1.65 | 1.96 | |
| Federscheibe M5 (10st), C8fshe, C8fse | ||||
| 42 | 949454 | 1.04 | 1.23 | |