Hier finden Sie alle verfügbaren Teile und Zeichnungen der 'Hikoki C10FCH2'. Von hier aus können Sie alle gewünschten Teile direkt bestellen. Viele Teile müssen je nach Marke beim Hersteller bestellt werden, dies dauert ein bis vier Wochen. Alle Informationen, die wir haben, befinden sich auf unserer Website. Wir können Sie nicht beraten, was Sie benötigen. Dazu müssen Sie die Maschine zur Reparatur zurücksenden. Bitte beachten Sie bei der Bestellung Folgendes:
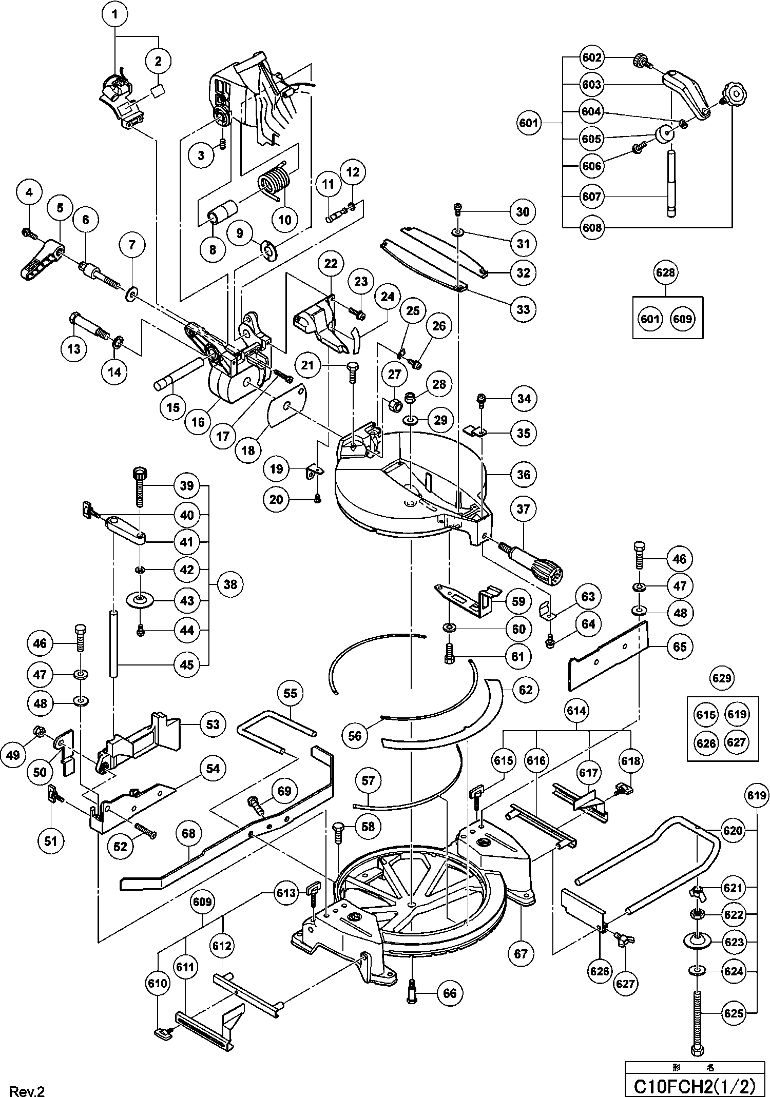
Zeichnungen der Hikoki C10FCH2
Teileliste der Hikoki C10FCH2
| Pos. | Beschreibung | Preis ohne MwSt | Preis inkl. MwSt | |
| Die angegebenen Preise enthalten die Mehrwertsteuer | ||||
| Laserhalter C10fch2 Includ.2 | ||||
| *1 | 326748 | 36.16 | 43.03 | |
| Distanzscheibe G18u/ua/ub u.a. | ||||
| *101 | 318961 | 3.00 | 3.57 | |
| Scheibe (b) Ds9dva/ds12dva/ds14dv Ds14dva/ds14dvb | ||||
| *101 | 318962 | 3.00 | 3.57 | |
| Keine Informationen verfügbar, nicht bestellbar | ||||
| *102 | 319107 | |||
| Keine Informationen verfügbar, nicht bestellbar | ||||
| *102A | 318963 | |||
| Stellring (b) C10fch, C8she, C8fse Except For Eur | ||||
| *103 | 976819 | 4.80 | 5.71 | |
| Getriebegehaeuse | ||||
| *123 | 326702 | 45.65 | 54.32 | |
| Schutz | ||||
| *141A | 326747 | 22.83 | 27.16 | |
| Schutz | ||||
| *141A | 336355 | 20.63 | 24.54 | |
| Verbindung (a) kpl. C10fch Includ.132,133,136,137 | ||||
| *142 | 323980 | 12.45 | 14.82 | |
| Verbindungsstange | ||||
| *142A | 336357 | 7.20 | 8.57 | |
| Handgriff-set | ||||
| *153 | 326749 | 17.13 | 20.38 | |
| Keine Informationen verfügbar, nicht bestellbar | ||||
| *154 | 500456Z | |||
| Schaltnetzteil, C 8fshe | ||||
| *157A | 371121 | 18.98 | 22.58 | |
| Gelenk C10fch | ||||
| *16 | 322932 | 13.75 | 16.36 | |
| Schalter | ||||
| *166 | 326700 | 10.20 | 12.14 | |
| Anker 220-230 Volt | ||||
| *168 | 360695E | 49.50 | 58.90 | |
| ANKER 110-120 VOLT | ||||
| *168 | 360656U | 46.20 | 54.98 | |
| Stator Ass'y220230vol C10fch2 Includ.177 | ||||
| *176 | 340687E | 45.65 | 54.32 | |
| Kohlenbürsten C10fch | ||||
| *182 | 999065 | 7.95 | 9.46 | |
| Verbindung C10fch Except For Europe | ||||
| *184 | 322949 | 3.15 | 3.75 | |
| Keine Informationen verfügbar, nicht bestellbar | ||||
| *505 | 322955M | |||
| Laserhalter C10fch2 Includ.2 | ||||
| 1 | 326748 | 36.16 | 43.03 | |
| Schraube M6x10, C8fshe, C8fse | ||||
| 3 | 307956 | 1.05 | 1.25 | |
| Keine Informationen verfügbar, nicht bestellbar | ||||
| 4 | 323208 | |||
| Nicht mehr lieferbar, kein Ersatz | ||||
| 5 | 322935 | |||
| KLEMMSCHALTER (ALT 322935) | ||||
| 5A | 371742 | 1.20 | 1.43 | |
| Linksgewindebolzen M10 | ||||
| 6 | 326706 | 4.20 | 5.00 | |
| Bolzen (linke Hand) M10 | ||||
| 6A | 371743 | 2.40 | 2.86 | |
| Unterlegscheibe | ||||
| 7 | 318934 | 1.50 | 1.78 | |
| Huelse | ||||
| 8 | 322889 | 1.05 | 1.25 | |
| Federring (d) C10fch | ||||
| 9 | 322965 | 1.05 | 1.25 | |
| Feder C10fch | ||||
| 10 | 322890 | 4.20 | 5.00 | |
| Haltestift Kompl. C8fs (inkl.pos.nr.44), C8fse In | ||||
| 11 | 302518 | 4.50 | 5.36 | |
| O-ring (p-6), C8fshe, C8fse | ||||
| 12 | 984528 | 1.05 | 1.25 | |
| Keine Informationen verfügbar, nicht bestellbar | ||||
| 13 | 322933 | |||
| Welle (d) | ||||
| 13A | 371740 | 2.10 | 2.50 | |
| Unterlegscheibe M16 C10fch | ||||
| 14 | 322934 | 1.05 | 1.25 | |
| Welle (c) C10fch | ||||
| 15 | 322888 | 5.10 | 6.07 | |
| Gelenk C10fch | ||||
| 16 | 322932 | 13.75 | 16.36 | |
| Inbusschraube M6x20 (10st) | ||||
| 17 | 949660 | 3.30 | 3.93 | |
| Buchse (b) C10fch | ||||
| 18 | 322937 | 1.05 | 1.25 | |
| Staubabsaugungshalter C10fch | ||||
| 19 | 322963 | 1.05 | 1.25 | |
| Kopfschraube M4x 8 (10st) C8fshe, C8fse | ||||
| 20 | 949215 | 1.05 | 1.25 | |
| NYLOCK BOUT M8X25 | ||||
| 21 | 303409 | 1.00 | 1.19 | |
| Absaugführung kpl. C10fch Includ.19,20,24 | ||||
| 22 | 322891 | 4.20 | 5.00 | |
| Kopfschraube M5x16 M.u.scheibe | ||||
| 23 | 990541 | 1.05 | 1.25 | |
| Skala C10fch | ||||
| 24 | 322892 | 1.05 | 1.25 | |
| Anzeige (b) C10fch | ||||
| 25 | 322893 | 1.05 | 1.25 | |
| Kopfschraube M4x10 M.u-scheibe (schwarz) | ||||
| 26 | 304043 | 1.05 | 1.25 | |
| Nylonmutter M12 | ||||
| 27 | 680418 | 3.30 | 3.93 | |
| Keine Informationen verfügbar, nicht bestellbar | ||||
| 28 | 975348 | |||
| Unterlegscheibe (f) C10fch | ||||
| 29 | 318929 | 1.50 | 1.78 | |
| Kopfschraube M4x12 (10st),c8fshe, C8fse | ||||
| 30 | 949217 | 1.05 | 1.25 | |
| Unterlegschreibe M4 (10st), C8fshe, C8fse | ||||
| 31 | 949429 | 1.05 | 1.25 | |
| Tischeinlage (a) C10fch | ||||
| 32 | 322929 | 1.05 | 1.25 | |
| Tischeinlage (b) C10fch | ||||
| 33 | 322930 | 1.05 | 1.25 | |
| Kopfschraube M4x10 M.u-scheibe (schwarz) | ||||
| 34 | 304043 | 1.05 | 1.25 | |
| Anzeige (a) C10fch | ||||
| 35 | 322904 | 1.05 | 1.25 | |
| Drehtisch | ||||
| 36 | 326695 | 45.65 | 54.32 | |
| Keine Informationen verfügbar, nicht bestellbar | ||||
| 37 | 322898 | |||
| SEITENGRIFF (ALT 322283/322898) | ||||
| 37A | 376050 | 1.20 | 1.43 | |
| Keine Informationen verfügbar, nicht bestellbar | ||||
| 38 | 322952 | |||
| Knaufschraube M10x66, C8fc, C8fshe, C8fse | ||||
| 39 | 302522 | 9.60 | 11.42 | |
| Flügelschraube M6x15, C8fshe, C8fse | ||||
| 40 | 301806 | 1.05 | 1.25 | |
| Unterlegscheibe M6 (10st), C 8fshe, C8fse, Cg18dl | ||||
| 42 | 949432 | 1.05 | 1.25 | |
| Klemmplatte | ||||
| 43 | 302532 | 2.40 | 2.86 | |
| Maschinenschraube M4x10 (10 Stück) (ALT 949216Z) | ||||
| 44 | 949216 | 1.05 | 1.25 | |
| Schraubstockstange C10fch | ||||
| 45 | 322954 | 2.10 | 2.50 | |
| Schraube M8x35 (10stk), C8fshe, C8fse | ||||
| 46 | 949678 | 2.55 | 3.03 | |
| Federscheibe M8 (10st), C8fshe, Cm9by, C8fse | ||||
| 47 | 949457 | 1.05 | 1.25 | |
| Unterlegscheibe M8 (10st), C8fshe, C8fse | ||||
| 48 | 949433 | 1.05 | 1.25 | |
| Gewindemutter M6, C8fse, Nr90aa | ||||
| 49 | 963837 | 1.05 | 1.25 | |
| Platte | ||||
| 50 | 326711 | 1.65 | 1.96 | |
| Flügelschraube M6x15, C8fshe, C8fse | ||||
| 51 | 301806 | 1.05 | 1.25 | |
| Senkkopfschraube M6x25 (10st), C8fshe, C8fse | ||||
| 52 | 949342 | 1.65 | 1.96 | |
| Keine Informationen verfügbar, nicht bestellbar | ||||
| 53 | 326704 | |||
| Anschlag (b) C10fch2, Cm9uby | ||||
| 54 | 326698 | 7.95 | 9.46 | |
| Längsanschlag | ||||
| 55 | 326705 | 3.15 | 3.75 | |
| Gleitschiene (a) C10fch | ||||
| 56 | 322901 | 1.05 | 1.25 | |
| Gleitschiene (c) C10fch | ||||
| 57 | 322964 | 1.05 | 1.25 | |
| Schraube M6x12 (10st) (till 12.1999 For Gbr,frg,b | ||||
| 58 | 949611 | 1.05 | 1.25 | |
| Federblech | ||||
| 59 | 322903 | 2.10 | 2.50 | |
| Federscheibe M8 (10st), C8fshe, Cm9by, C8fse | ||||
| 60 | 949457 | 1.05 | 1.25 | |
| Inbusschraube M8x16 (10st) | ||||
| 61 | 949655 | 3.90 | 4.64 | |
| Skala (a) C10cfch2 | ||||
| 62 | 326826 | 3.30 | 3.93 | |
| Distanzscheibe | ||||
| 63 | 326696 | 1.05 | 1.25 | |
| Kopfschraube M4x8 M.u-scheibe (schwarz) | ||||
| 64 | 317200 | 1.65 | 1.96 | |
| Anschlag (a) C12fch | ||||
| 65 | 326697 | 11.70 | 13.92 | |
| Wellenbolzen (b) | ||||
| 66 | 322902 | 2.10 | 2.50 | |
| Welle (b) | ||||
| 66A | 371738 | 1.35 | 1.61 | |
| Grundplatte | ||||
| 67 | 326694 | 49.50 | 58.90 | |
| Halter (b) H90sc/se | ||||
| 68 | 336353 | 7.20 | 8.57 | |
| Schraube M6x12 (10st) (till 12.1999 For Gbr,frg,b | ||||
| 69 | 949611 | 1.05 | 1.25 | |
| Sechskantschraube M7x17,5 (links) (mit U-scheibe) | ||||
| 100 | 998335 | 1.05 | 1.25 | |
| Flansch (D) | ||||
| 101 | 308789 | 15.84 | 18.85 | |
| Scheibe (b) Ds9dva/ds12dva/ds14dv Ds14dva/ds14dvb | ||||
| 101 | 318962 | 3.00 | 3.57 | |
| Distanzscheibe G18u/ua/ub u.a. | ||||
| 101 | 318961 | 3.00 | 3.57 | |
| Keine Informationen verfügbar, nicht bestellbar | ||||
| 102 | 319107 | |||
| Keine Informationen verfügbar, nicht bestellbar | ||||
| 102A | 318963 | |||
| Stellring (b) C10fch, C8she, C8fse Except For Eur | ||||
| 103 | 976819 | 4.80 | 5.71 | |
| Distanzring (a) D30 C8fc/fs, C8fse For Europe,aus | ||||
| 103 | 974663Z | 4.66 | 5.55 | |
| Spindel kpl. | ||||
| 104 | 323133 | 22.83 | 27.16 | |
| Senkkopfschraube M4x10 Selbstsi. | ||||
| 105 | 990430 | 1.04 | 1.23 | |
| Abdeckung | ||||
| 106 | 322919 | 1.05 | 1.25 | |
| Kugellager 6003 Vv | ||||
| 107 | 6003VV | 7.65 | 9.10 | |
| Lagerhalter C10fch | ||||
| 108 | 322918 | 4.65 | 5.53 | |
| Spindel und Zahnrad-set C10fch | ||||
| 109 | 322917 | 11.70 | 13.92 | |
| Nadellager (hk1010) C8u/cs35b | ||||
| 110 | 982027 | 6.75 | 8.03 | |
| NADELLAGER | ||||
| 110A | 373278 | 1.04 | 1.23 | |
| Kopfschraube M5x16 M.federring | ||||
| 111 | 987512 | 1.04 | 1.23 | |
| Nylonclip C10fch, C 8fshe | ||||
| 112 | 980523 | 1.05 | 1.25 | |
| Unterlegschreibe M4 (10st), C8fshe, C8fse | ||||
| 113 | 949429 | 1.05 | 1.25 | |
| Kopfschraube M4x 8 (10st) C8fshe, C8fse | ||||
| 114 | 949215 | 1.05 | 1.25 | |
| Inbusschraube M5x10 (10st) | ||||
| 115 | 949819 | 2.55 | 3.03 | |
| Puffer C6u-c9u/c6bu/c7bu/fc6sb/ C6dd | ||||
| 116 | 961729 | 1.05 | 1.25 | |
| Senkkopfschraube M6x16 (10st) | ||||
| 117 | 949340 | 1.35 | 1.61 | |
| Kopfschraube M4x12 (10st),c8fshe, C8fse | ||||
| 118 | 949217 | 1.05 | 1.25 | |
| Unterlegschreibe M4 (10st), C8fshe, C8fse | ||||
| 119 | 949429 | 1.05 | 1.25 | |
| Keine Informationen verfügbar, nicht bestellbar | ||||
| 120 | 322920 | |||
| Griff | ||||
| 121 | 326708 | 5.40 | 6.43 | |
| Keine Informationen verfügbar, nicht bestellbar | ||||
| 122 | 323208 | |||
| Getriebegehaeuse | ||||
| 123 | 326702 | 45.65 | 54.32 | |
| Getriebegehaeuse | ||||
| 123A | 336354 | 51.43 | 61.20 | |
| Hebelfeder C10fch For Europe | ||||
| 124 | 323987 | 1.05 | 1.25 | |
| Hebelwelle C10fch For Europe,aus,nzl | ||||
| 125 | 323990 | 2.10 | 2.50 | |
| Sperrhebel (c) C10fch For Europe | ||||
| 126 | 323979 | 3.15 | 3.75 | |
| Hebelhalter C10fch For Europe | ||||
| 127 | 323982 | 2.10 | 2.50 | |
| Nylonmutter M5 Nv83a/nr83a, Nr90aa | ||||
| 128 | 877371 | 1.05 | 1.25 | |
| Kopfschraube M5x10 (10st), G23ss For Irl | ||||
| 129 | 949236 | 1.05 | 1.25 | |
| Achsabdeckung | ||||
| 130 | 322951 | 1.05 | 1.25 | |
| Spezialschraube M6, C8fse For Europe,aus,model (s | ||||
| 132 | 322950 | 1.05 | 1.25 | |
| Unterlegscheibe M7 | ||||
| 133 | 322948 | 1.05 | 1.25 | |
| Flügelschraube M6x15, C8fshe, C8fse | ||||
| 134 | 301806 | 1.05 | 1.25 | |
| Spezialschraube M6, C8fse For Europe,aus,model (s | ||||
| 135 | 322950 | 1.05 | 1.25 | |
| Schild | ||||
| 136 | 323986 | 4.20 | 5.00 | |
| Halteplatte C10fch Für Europa, AUS, NZL | ||||
| 137 | 323985 | 2.10 | 2.50 | |
| Federscheibe M5 (10st), C8fshe, C8fse | ||||
| 138 | 949454 | 1.04 | 1.23 | |
| Kopfschraube M4x 8 (10st) C8fshe, C8fse | ||||
| 139 | 949215 | 1.05 | 1.25 | |
| Unterlegschreibe M4 (10st), C8fshe, C8fse | ||||
| 140 | 949429 | 1.05 | 1.25 | |
| Schutz | ||||
| 141 | 326747 | 22.83 | 27.16 | |
| Schutz | ||||
| 141A | 336355 | 20.63 | 24.54 | |
| Verbindung (a) kpl. C10fch Includ.132,133,136,137 | ||||
| 142 | 323980 | 12.45 | 14.82 | |
| Verbindungsstange | ||||
| 142A | 336357 | 7.20 | 8.57 | |
| Kopfschraube M4x12 M.u-scheibe (schwarz), C 8fshe | ||||
| 144 | 935196 | 1.04 | 1.23 | |
| Spezialschraube (c) M5 | ||||
| 145 | 322947 | 1.05 | 1.25 | |
| Unterlegscheibe | ||||
| 146 | 322938 | 1.05 | 1.25 | |
| Rückholfeder (a) C10fch For Europe,aus,nzl | ||||
| 147 | 323984 | 1.05 | 1.25 | |
| Schild | ||||
| 148 | 323989 | 3.15 | 3.75 | |
| Tauchkolben | ||||
| 149 | 323988 | 2.10 | 2.50 | |
| Schneidschraube D4x25 Mit Flansch (schwarz), H41m | ||||
| 151 | 307028 | 1.05 | 1.25 | |
| Schneidschraube D4x20 Mit Flansch (schwarz), C8fs | ||||
| 152 | 301653 | 1.04 | 1.23 | |
| Handgriff-set | ||||
| 153 | 326749 | 17.13 | 20.38 | |
| Kabel G13va (cord Armor D8.8) For Gbr (110v) | ||||
| 154 | 500461Z | 17.88 | 21.27 | |
| Kabelknickschutz D10.7 Div.typen, Cm9by, H41mb, G | ||||
| 155 | 940778 | 2.10 | 2.50 | |
| Keine Informationen verfügbar, nicht bestellbar | ||||
| 156 | 984750 | |||
| Schaltnetzteil, C 8fshe | ||||
| 157 | 371121 | 18.98 | 22.58 | |
| Schaltnetzteil, C 8fshe | ||||
| 157A | 371121 | 18.98 | 22.58 | |
| Verbinder 50092 (10st) Div.typen (usa, Can), C8fs | ||||
| 158 | 959141 | 3.75 | 4.46 | |
| Schraubklemme 2-reihig Div.typen, C8fshe, C8fse | ||||
| 159 | 958308Z | 5.55 | 6.60 | |
| Kondensator | ||||
| 160 | 326709 | 7.05 | 8.39 | |
| CONDENSATOR | ||||
| 160 | 326710 | 5.82 | 6.93 | |
| Kabelbuchse C10fch, C 8fshe | ||||
| 161 | 319349 | 1.50 | 1.78 | |
| Keine Informationen verfügbar, nicht bestellbar | ||||
| 162 | 984750 | |||
| Kabelklemme Div.typen, C8fshe, Cm5sb, C8fse | ||||
| 163 | 937631 | 1.04 | 1.23 | |
| Anschlussklemme | ||||
| 164 | 980063 | 1.04 | 1.23 | |
| Schalter | ||||
| 165 | 319503 | 12.60 | 14.99 | |
| Schalter | ||||
| 166 | 326700 | 10.20 | 12.14 | |
| Gummiring (1) | ||||
| 167 | 303792 | 1.05 | 1.25 | |
| Anker 220-230 Volt | ||||
| 168 | 360695E | 49.50 | 58.90 | |
| ANKER 110-120 VOLT | ||||
| 168 | 360656U | 46.20 | 54.98 | |
| Kugellager 6202 Vv | ||||
| 169 | 6202VV | 7.05 | 8.39 | |
| Unterlegscheibe | ||||
| 170 | 980700 | 1.04 | 1.23 | |
| Ring | ||||
| 171 | 302428 | 1.04 | 1.23 | |
| Kugellager 6000 Vv, Cm9by, C8fse, G23ss | ||||
| 172 | 6000VV | 6.15 | 7.32 | |
| Sperrhebel C10fch | ||||
| 173 | 322916 | 1.05 | 1.25 | |
| Ventilatorführung C10fch | ||||
| 174 | 322915 | 2.25 | 2.68 | |
| Sechskantschneidschraube D5x50 | ||||
| 175 | 953121 | 1.04 | 1.23 | |
| Stator Ass'y220230vol C10fch2 Includ.177 | ||||
| 176 | 340687E | 45.65 | 54.32 | |
| Kohlenhalterklemmer Bm25y/c8u/c9u/dh50sa/sa1/sbg2 | ||||
| 177 | 937623 | 1.04 | 1.23 | |
| Maschinenschraube M5x40, C8fse | ||||
| 178 | 322123 | 1.65 | 1.96 | |
| Gehaeuse | ||||
| 179 | 322914 | 22.83 | 27.16 | |
| Inbusstiftschraube M5x8, C8fshe, C8fse, H41mb,g23 | ||||
| 180 | 938477 | 1.05 | 1.25 | |
| Kohlenhalter Bm25y/p20sd/p50/ G23ss | ||||
| 181 | 938241 | 6.45 | 7.68 | |
| Kohlenbürsten (paar) G23ss | ||||
| 182 | 999038 | 9.30 | 11.07 | |
| Kohlenbürsten C10fch | ||||
| 182 | 999065 | 7.95 | 9.46 | |
| Kohlenkappe C6u/c7u u.a. H30pv/dh30pc/ H41mb/ G23 | ||||
| 183 | 945161 | 1.20 | 1.43 | |
| Verbindung C10fch Except For Europe | ||||
| 184 | 322949 | 3.15 | 3.75 | |
| Schutzdeckel (b) | ||||
| 185 | 322940 | 8.85 | 10.53 | |
| Bolzen (b) M5 | ||||
| 186 | 322943 | 1.05 | 1.25 | |
| Scheibe M8 | ||||
| 187 | 322944 | 1.05 | 1.25 | |
| Abdeckplatte | ||||
| 188 | 322942 | 1.05 | 1.25 | |
| Schutzdeckel (a) | ||||
| 189 | 322939 | 11.85 | 14.10 | |
| Rückholfeder | ||||
| 190 | 322946 | 1.05 | 1.25 | |
| Abdeckplatte | ||||
| 191 | 322941 | 1.05 | 1.25 | |
| Unterlegscheibe M5 | ||||
| 192 | 322945 | 1.05 | 1.25 | |
| Nylonmutter M5 Nv83a/nr83a, Nr90aa | ||||
| 193 | 877371 | 1.05 | 1.25 | |
| Kopfschraube M4x10 M.u-scheibe (schwarz) | ||||
| 194 | 304043 | 1.05 | 1.25 | |
| Schutz (1) | ||||
| 195 | 336358 | 1.05 | 1.25 | |
| Keine Informationen verfügbar, nicht bestellbar | ||||
| 501 | 944458 | |||
| Keine Informationen verfügbar, nicht bestellbar | ||||
| 502 | 940543 | |||
| Sechskantschraube M10x35 (10st) | ||||
| 503 | 949695 | 3.30 | 3.93 | |
| Distanzring (a) D30 C8fc/fs, C8fse For Europe,aus | ||||
| 504 | 974663Z | 4.66 | 5.55 | |
| Keine Informationen verfügbar, nicht bestellbar | ||||
| 505 | 322955 | |||
| Keine Informationen verfügbar, nicht bestellbar | ||||
| 601 | 322957 | |||
| Knaufschraube M6x11 C8fc/fs | ||||
| 602 | 998836 | 1.65 | 1.96 | |
| Unterlegscheibe (h) | ||||
| 604 | 306985 | 1.05 | 1.25 | |
| Gummifuss C8fs | ||||
| 605 | 964851 | 1.05 | 1.25 | |
| Kopfschraube M4x10 M.u-scheibe (schwarz) | ||||
| 606 | 304043 | 1.05 | 1.25 | |
| Schraubstockstange C10fch | ||||
| 607 | 318967 | 3.00 | 3.57 | |
| Keine Informationen verfügbar, nicht bestellbar | ||||
| 608 | 321551 | |||
| Keine Informationen verfügbar, nicht bestellbar | ||||
| 609 | 322713 | |||
| Flügelschraube M6x15, C8fshe, C8fse | ||||
| 610 | 301806 | 1.05 | 1.25 | |
| Keine Informationen verfügbar, nicht bestellbar | ||||
| 612 | 321390 | |||
| Flügelbolzen M6x52 | ||||
| 613 | 316030 | 14.70 | 17.49 | |
| Keine Informationen verfügbar, nicht bestellbar | ||||
| 614 | 322714 | |||
| Flügelbolzen M6x52 | ||||
| 615 | 316030 | 14.70 | 17.49 | |
| Keine Informationen verfügbar, nicht bestellbar | ||||
| 616 | 321390 | |||
| Flügelschraube M6x15, C8fshe, C8fse | ||||
| 618 | 301806 | 1.05 | 1.25 | |
| Halter kpl. C10fch Includ.620-625 | ||||
| 619 | 322956 | 20.49 | 24.38 | |
| Keine Informationen verfügbar, nicht bestellbar | ||||
| 620 | 321549 | |||
| Flügelmutter M6 (10st) | ||||
| 621 | 949313 | 4.65 | 5.53 | |
| Mutter M6 (10st) Cg18dl For Europe (sl),usa,can | ||||
| 622 | 949556 | 1.05 | 1.25 | |
| KLEMPLAAT | ||||
| 623 | 322047 | 1.38 | 1.64 | |
| Unterlegscheibe M6 (10st), C8fse | ||||
| 624 | 949425 | 1.05 | 1.25 | |
| Keine Informationen verfügbar, nicht bestellbar | ||||
| 625 | 323134 | |||
| Stopper C10fch | ||||
| 626 | 974561 | 7.05 | 8.39 | |
| Flügelbolzen M6x20 (10stk) | ||||
| 627 | 949404 | 7.65 | 9.10 | |
| Keine Informationen verfügbar, nicht bestellbar | ||||
| 628 | 322712 | |||
| Keine Informationen verfügbar, nicht bestellbar | ||||
| 629 | 322710 | |||
| Keine Informationen verfügbar, nicht bestellbar | ||||
| 630 | 976472 | |||
| Keine Informationen verfügbar, nicht bestellbar | ||||
| 631 | 319658 | |||
| Keine Informationen verfügbar, nicht bestellbar | ||||
| 632 | 339237 | |||