Hier finden Sie alle verfügbaren Teile und Zeichnungen der 'Hikoki C15FB'. Von hier aus können Sie alle gewünschten Teile direkt bestellen. Viele Teile müssen je nach Marke beim Hersteller bestellt werden, dies dauert ein bis vier Wochen. Alle Informationen, die wir haben, befinden sich auf unserer Website. Wir können Sie nicht beraten, was Sie benötigen. Dazu müssen Sie die Maschine zur Reparatur zurücksenden. Bitte beachten Sie bei der Bestellung Folgendes:
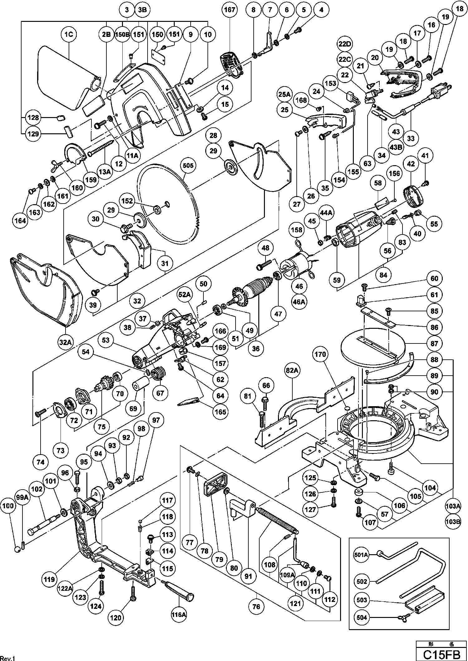
Zeichnungen der Hikoki C15FB
Teileliste der Hikoki C15FB
| Pos. | Beschreibung | Preis ohne MwSt | Preis inkl. MwSt | |
| Die angegebenen Preise enthalten die Mehrwertsteuer | ||||
| Keine Informationen verfügbar, nicht bestellbar | ||||
| 1C | 322955 | |||
| Keine Informationen verfügbar, nicht bestellbar | ||||
| 2B | 951653 | |||
| Nicht mehr lieferbar, kein Ersatz | ||||
| 3B | 988908 | |||
| Keine Informationen verfügbar, nicht bestellbar | ||||
| 3S | 988912 | |||
| Keine Informationen verfügbar, nicht bestellbar | ||||
| 3T | 988914 | |||
| Kopfschraube M6x12 (10st) | ||||
| 4 | 949255 | 1.35 | 1.61 | |
| Federscheibe M6 (10st), C8fshe, C8fse, Cg18dal, C | ||||
| 5 | 949455 | 1.05 | 1.25 | |
| RING | ||||
| 6 | 972256 | 1.98 | 2.36 | |
| Keine Informationen verfügbar, nicht bestellbar | ||||
| 7 | 988901 | |||
| Ring | ||||
| 8 | 974484 | 1.05 | 1.25 | |
| COVER | ||||
| 9 | 988112 | 3.30 | 3.93 | |
| Maschinenschraube M5x10 | ||||
| 10 | 976706 | 1.04 | 1.23 | |
| RING (B) | ||||
| 11A | 936311 | 1.00 | 1.19 | |
| Kopfschraube M5x16 M.federring | ||||
| 12 | 987512 | 1.04 | 1.23 | |
| Gewindeschneidschraube D5x90 | ||||
| 13A | 320186 | 1.50 | 1.78 | |
| Unterlegscheibe M5 (10st) | ||||
| 14 | 949431 | 1.04 | 1.23 | |
| Maschinenschraube M4x10 (10 Stück) (ALT 949216Z) | ||||
| 15 | 949216 | 1.05 | 1.25 | |
| Maschinenschraube M5X16 (10 Stücke) | ||||
| 16 | 949239 | 1.05 | 1.25 | |
| Unterlegscheibe M5 (10st) | ||||
| 17 | 949431 | 1.04 | 1.23 | |
| Kopfschraube M5x20 (10st) C8fshe, C8fse | ||||
| 18 | 949241 | 1.35 | 1.61 | |
| Unterlegscheibe M5 (10st) | ||||
| 19 | 949431 | 1.04 | 1.23 | |
| Griff | ||||
| 20 | 988107 | 13.95 | 16.60 | |
| Schneidschraube D4x10 C8fs | ||||
| 21 | 974572 | 1.05 | 1.25 | |
| Schalter | ||||
| 22 | 974664Z | 37.95 | 45.16 | |
| Schalter | ||||
| 22 | 976450 | 27.09 | 32.23 | |
| Nicht mehr lieferbar, kein Ersatz | ||||
| 25A | 988920 | |||
| HANDGREEPDEKSEL | ||||
| 25S | 988108 | 5.04 | 6.00 | |
| Unterlegscheibe M5 (10st) | ||||
| 26 | 949431 | 1.04 | 1.23 | |
| Kopfschraube M5x12 (10st), C8fse | ||||
| 27 | 949237 | 1.05 | 1.25 | |
| Ring | ||||
| 29 | 988896 | 17.33 | 20.62 | |
| Bolzen (a) M10 | ||||
| 30 | 988101 | 1.95 | 2.32 | |
| Kabelknickschutz D10.7 Div.typen, Cm9by, H41mb, G | ||||
| 33 | 940778 | 2.10 | 2.50 | |
| Keine Informationen verfügbar, nicht bestellbar | ||||
| 34 | 988893 | |||
| Schneidschraube D4x25 M.u.scheibe | ||||
| 35 | 988889 | 1.05 | 1.25 | |
| Anker 230v | ||||
| 36 | 360065E | 183.70 | 218.60 | |
| Anker 240v | ||||
| 36 | 360065F | 183.70 | 218.60 | |
| Federscheibe | ||||
| 37 | 974577 | 1.05 | 1.25 | |
| Feder C8fs | ||||
| 38 | 948363 | 1.05 | 1.25 | |
| Kohlenbürsten (paar) | ||||
| 40 | 999044 | 4.50 | 5.36 | |
| Schneidschraube D4x10 C8fs | ||||
| 41 | 974572 | 1.05 | 1.25 | |
| Abdeckung | ||||
| 42 | 974571 | 5.25 | 6.25 | |
| Keine Informationen verfügbar, nicht bestellbar | ||||
| 43 | 952802Z | |||
| MOERDEKSEL | ||||
| 44A | 937892 | 1.00 | 1.19 | |
| Mutter M5 (10 Stück) (ALT 949555Z | ||||
| 45 | 949555 | 1.05 | 1.25 | |
| Keine Informationen verfügbar, nicht bestellbar | ||||
| 46 | 974613D | |||
| Stator 220v-230v C15fb/cd12f Includ.12 For Fra,ho | ||||
| 46A | 340198H | 99.00 | 117.81 | |
| Stator Ass'y 240v Includ.103 | ||||
| 46S | 974613F | 121.96 | 145.14 | |
| Kugellager 6200 Vv | ||||
| 47 | 6200VV | 6.15 | 7.32 | |
| Maschinenschraube M5x75 | ||||
| 48 | 974603 | 1.05 | 1.25 | |
| Distanzbuchse | ||||
| 49 | 947622 | 1.04 | 1.23 | |
| GUMMISTIFT (ALT 976441) | ||||
| 50 | 946362 | 1.05 | 1.25 | |
| Kugellager 6002 Dd | ||||
| 51 | 6002DD | 7.05 | 8.39 | |
| Arrtierstift C8fs | ||||
| 52A | 974576 | 1.35 | 1.61 | |
| Getriebegehaeuse | ||||
| 53 | 988881 | 99.14 | 117.97 | |
| Inbusschraube M6X10 | ||||
| 54 | 968247 | 1.04 | 1.23 | |
| Kohlenkappe Ct8fa | ||||
| 55 | 978445 | 1.05 | 1.25 | |
| Kohlenhalter C13u/cm12y u.a. | ||||
| 56 | 980487 | 5.68 | 6.75 | |
| Unterlegscheibe M5 (10st) | ||||
| 57 | 949431 | 1.04 | 1.23 | |
| BEARING BUSHING | ||||
| 59 | 988886 | 8.16 | 9.71 | |
| Senkkopfschraube M4x10 (10st), C8fshe, C8fse | ||||
| 60 | 949322 | 1.05 | 1.25 | |
| Schutz (1) | ||||
| 61 | 988900 | 1.95 | 2.32 | |
| SNOERKLEM | ||||
| 62 | 934028 | 1.00 | 1.19 | |
| Kanalhülse für Kabel (d) Div.typen, Cm9uby, G23ss | ||||
| 63 | 981373 | 1.05 | 1.25 | |
| Maschinenschraube M4x10 (10 Stück) (ALT 949216Z) | ||||
| 64 | 949216 | 1.05 | 1.25 | |
| Keine Informationen verfügbar, nicht bestellbar | ||||
| 66 | 988877 | |||
| Feder C15fb | ||||
| 67 | 988878 | 10.95 | 13.03 | |
| Huelse | ||||
| 69 | 988879 | 11.55 | 13.74 | |
| Kugellager 6001 Vv | ||||
| 70 | 6001VV | 6.60 | 7.85 | |
| BEARING HOLDER | ||||
| 71 | 988883 | 8.76 | 10.42 | |
| Kugellager 6006 ZZ | ||||
| 72 | 6006ZZ | 10.20 | 12.14 | |
| Keine Informationen verfügbar, nicht bestellbar | ||||
| 73 | 988884 | |||
| Senkkopfschraube M6x25 (10st), C8fshe, C8fse | ||||
| 74 | 949342 | 1.65 | 1.96 | |
| Spindel kpl. | ||||
| 75 | 988882 | 84.56 | 100.63 | |
| Keine Informationen verfügbar, nicht bestellbar | ||||
| 76 | 988897 | |||
| Kopfschraube M6x10 M.u-scheibe | ||||
| 77 | 997314 | 1.05 | 1.25 | |
| WAVE WASHER M10 | ||||
| 78 | 974612 | 1.00 | 1.19 | |
| Keine Informationen verfügbar, nicht bestellbar | ||||
| 79 | 988106 | |||
| Unterlegscheibe M10 (10st) | ||||
| 80 | 949434 | 1.35 | 1.61 | |
| Schraube M10x60 (10 Stücke) | ||||
| 81 | 949634 | 5.10 | 6.07 | |
| Schraubstock (b) C15fb | ||||
| 82A | 988876 | 78.79 | 93.76 | |
| INBUSSTELSCHROEF M4X5 | ||||
| 83 | 967508 | 1.00 | 1.19 | |
| HUIS | ||||
| 84 | 974566 | 52.80 | 62.83 | |
| Senkkopfschraube M4x10 (10st), C8fshe, C8fse | ||||
| 85 | 949322 | 1.05 | 1.25 | |
| Tischeinlage C15fb | ||||
| 86 | 974579 | 3.90 | 4.64 | |
| Keine Informationen verfügbar, nicht bestellbar | ||||
| 87 | 988870 | |||
| Niete D 2,5 X 4,8 (10st) Three-phase | ||||
| 88 | 949510 | 1.04 | 1.23 | |
| Skala (1) | ||||
| 89 | 988907 | 5.85 | 6.96 | |
| Mutter M10 (selbstsichernd) 10st | ||||
| 90 | 949572 | 2.40 | 2.86 | |
| Keine Informationen verfügbar, nicht bestellbar | ||||
| 91 | 988898 | |||
| Mutter M12 | ||||
| 92 | 949574 | 3.00 | 3.57 | |
| M12 Mutter (10 Stück) | ||||
| 93 | 949561 | 3.00 | 3.57 | |
| Unterlegscheibe M12 (10st) Cb75f, C8fse | ||||
| 94 | 949437 | 1.95 | 2.32 | |
| Keine Informationen verfügbar, nicht bestellbar | ||||
| 95 | 988872 | |||
| Mutter M10 (selbstsichernd) 10st | ||||
| 96 | 949572 | 2.40 | 2.86 | |
| Stift (1) | ||||
| 97 | 988874 | 4.80 | 5.71 | |
| Feder C8fs | ||||
| 98 | 948363 | 1.05 | 1.25 | |
| Spannstift D3x20 (10st) Nv90af | ||||
| 99A | 949685 | 2.55 | 3.03 | |
| Griff C8fs | ||||
| 100 | 967896 | 2.55 | 3.03 | |
| Unterlegscheibe M16 C15fb | ||||
| 101 | 955818 | 1.05 | 1.25 | |
| Keine Informationen verfügbar, nicht bestellbar | ||||
| 102 | 988880 | |||
| Keine Informationen verfügbar, nicht bestellbar | ||||
| 103A | 988906 | |||
| Schraube, nicht rost. Stahl | ||||
| 104 | 988891 | 3.75 | 4.46 | |
| BOUT M10X30 (10 STUKS) | ||||
| 105 | 949698 | 3.06 | 3.64 | |
| Gummifuss C8fs | ||||
| 106 | 964851 | 1.05 | 1.25 | |
| Kopfschraube M5x20 (10st) C8fshe, C8fse | ||||
| 107 | 949241 | 1.35 | 1.61 | |
| Rollstift D3x16 (10st) | ||||
| 108 | 949496 | 1.65 | 1.96 | |
| BUS (OUD 964860) | ||||
| 109A | 962561 | 1.00 | 1.19 | |
| Scheibe (b) C6dd/vb13y/vb16y | ||||
| 110 | 962569 | 1.05 | 1.25 | |
| Federscheibe M4 (10st) | ||||
| 111 | 949453 | 1.05 | 1.25 | |
| Maschinenschraube M4x10 (10 Stück) (ALT 949216Z) | ||||
| 112 | 949216 | 1.05 | 1.25 | |
| Maschinenschraube M5x10 | ||||
| 113 | 976706 | 1.04 | 1.23 | |
| ANZEIGER | ||||
| 114 | 976826 | 1.05 | 1.25 | |
| SPACER | ||||
| 115 | 976804 | 1.00 | 1.19 | |
| Keine Informationen verfügbar, nicht bestellbar | ||||
| 116A | 988875 | |||
| Stahlkugel D12.7 (10st) | ||||
| 117 | 959153 | 5.40 | 6.43 | |
| VEER | ||||
| 118 | 967150 | 1.00 | 1.19 | |
| Scharnierpunkt | ||||
| 119 | 988871 | 154.55 | 183.91 | |
| BOLT M10X65 (W/WASHERS) | ||||
| 120 | 988873 | 1.08 | 1.29 | |
| Schraubversammlung einschließlich 70,71 | ||||
| 121 | 988104 | 25.71 | 30.60 | |
| Ring | ||||
| 122A | 302998 | 1.05 | 1.25 | |
| Federscheibe M10 (10st) | ||||
| 123 | 949458 | 1.05 | 1.25 | |
| SCREW (G) | ||||
| 124 | 988905 | 1.00 | 1.19 | |
| RING (B) | ||||
| 125 | 936311 | 1.00 | 1.19 | |
| Federscheibe M6 (10st), C8fshe, C8fse, Cg18dal, C | ||||
| 126 | 949455 | 1.05 | 1.25 | |
| Maschinenschraube M6x16 (10 St), C8fshe | ||||
| 127 | 949256 | 1.35 | 1.61 | |
| Füllring Für D25.4 | ||||
| 152 | 976451 | 3.30 | 3.93 | |
| Kohlenhalterklemme M12sa/v | ||||
| 158 | 998744 | 1.20 | 1.43 | |
| Keine Informationen verfügbar, nicht bestellbar | ||||
| 501A | 985051 | |||
| HOUDER | ||||
| 502 | 974562 | 9.36 | 11.14 | |
| Stopper C10fch | ||||
| 503 | 974561 | 7.05 | 8.39 | |
| Flügelbolzen M6x20 (10stk) | ||||
| 504 | 949404 | 7.65 | 9.10 | |
| Keine Informationen verfügbar, nicht bestellbar | ||||
| 601 | 988904 | |||