Hier finden Sie alle verfügbaren Teile und Zeichnungen der 'Hikoki C18DBL'. Von hier aus können Sie alle gewünschten Teile direkt bestellen. Viele Teile müssen je nach Marke beim Hersteller bestellt werden, dies dauert ein bis vier Wochen. Alle Informationen, die wir haben, befinden sich auf unserer Website. Wir können Sie nicht beraten, was Sie benötigen. Dazu müssen Sie die Maschine zur Reparatur zurücksenden. Bitte beachten Sie bei der Bestellung Folgendes:
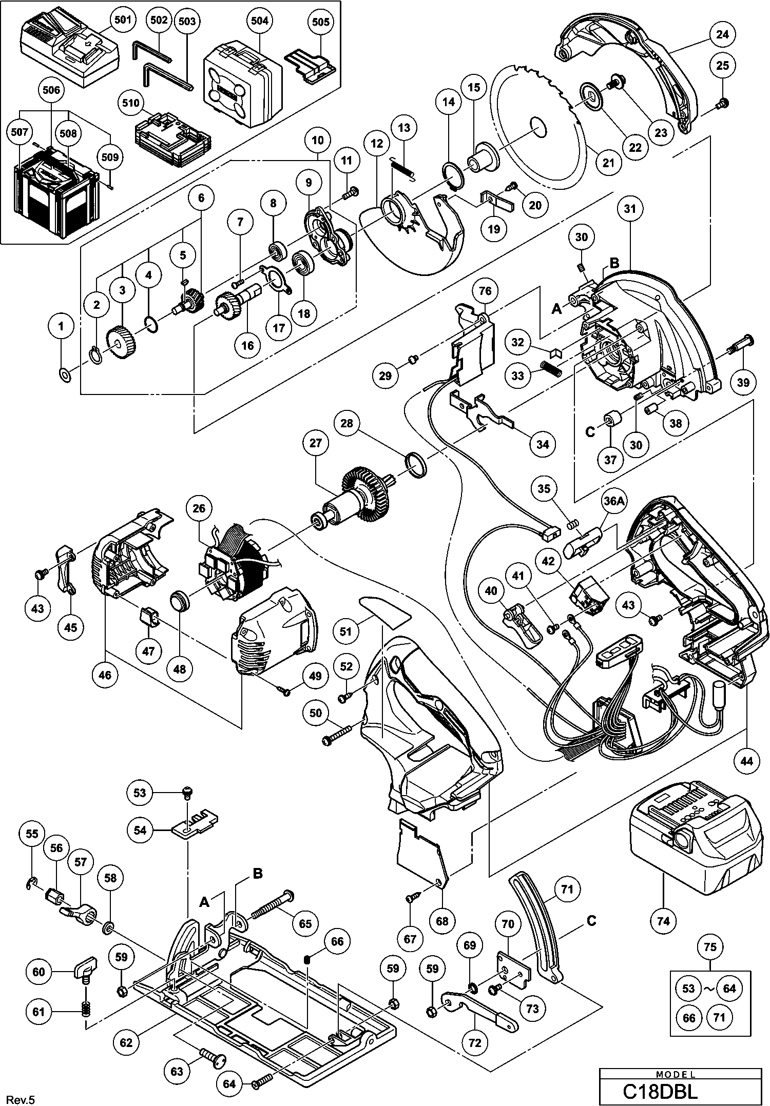
Zeichnungen der Hikoki C18DBL
Teileliste der Hikoki C18DBL
| Pos. | Beschreibung | Preis ohne MwSt | Preis inkl. MwSt | |
| Die angegebenen Preise enthalten die Mehrwertsteuer | ||||
| Inbusschraube C8fshe | ||||
| *30 | 319541 | 1.50 | 1.78 | |
| Keine Informationen verfügbar, nicht bestellbar | ||||
| *504A | 370338 | |||
| Abdeckkappe für Batterie | ||||
| *505 | 329897 | 1.80 | 2.14 | |
| Keine Informationen verfügbar, nicht bestellbar | ||||
| *602 | 329063 | |||
| Dichtungsring (a) Cr 10dl | ||||
| 1 | 329975 | 6.45 | 7.68 | |
| Sicherungsring D10 (10st), Cm9uby, Cg18dl Till 12 | ||||
| 2 | 939540 | 1.95 | 2.32 | |
| Erstes Zahnrad H90sc/se | ||||
| 3 | 334144 | 9.00 | 10.71 | |
| O-ring (s-14) Dh15dv/dh20dv/vtv16 | ||||
| 4 | 876319 | 1.65 | 1.96 | |
| Halbmondkeil G12s2/g13sd | ||||
| 5 | 302047 | 1.05 | 1.25 | |
| Zweite Welle Ass'y inklusive.2-5 | ||||
| 6 | 334226 | 26.95 | 32.07 | |
| Kopfschraube M3x 8 (10st) Since 9.2012 For Europe | ||||
| 7 | 949203 | 1.05 | 1.25 | |
| Kugellager 606zzm, C8fse | ||||
| 8 | 606ZZM | 15.40 | 18.33 | |
| Lagerschale | ||||
| 9 | 333672 | 12.75 | 15.17 | |
| Lagerhalter Ass'y Incld.6-9,16-18 | ||||
| 10 | 334228 | 64.08 | 76.25 | |
| Kopfschraube M4x12 M.federring | ||||
| 11 | 951039 | 1.05 | 1.25 | |
| Keine Informationen verfügbar, nicht bestellbar | ||||
| 12 | 336552 | |||
| Unterer Schutz | ||||
| 12A | 374244 | 2.70 | 3.21 | |
| Feder | ||||
| 13 | 333677 | 1.80 | 2.14 | |
| Federscheibe | ||||
| 14 | 939548 | 4.65 | 5.53 | |
| Distanzscheibe G18u/ua/ub u.a. | ||||
| 15 | 333665 | 10.35 | 12.32 | |
| Getriebewelle | ||||
| 16 | 334227 | 18.29 | 21.76 | |
| Lagerdeckel | ||||
| 17 | 333673 | 1.80 | 2.14 | |
| Keine Informationen verfügbar, nicht bestellbar | ||||
| 18 | 6900VV | |||
| Knopf (1) | ||||
| 19 | 333894 | 1.80 | 2.14 | |
| Schraube D4x10 (schwarz) | ||||
| 20 | 302090 | 1.05 | 1.25 | |
| Keine Informationen verfügbar, nicht bestellbar | ||||
| 21 | 336832 | |||
| Scheibe (b) Ds9dva/ds12dva/ds14dv Ds14dva/ds14dvb | ||||
| 22 | 333666 | 6.75 | 8.03 | |
| Sechskantschraube (mit Flansch) M5x14 | ||||
| 23 | 333893 | 1.80 | 2.14 | |
| Keine Informationen verfügbar, nicht bestellbar | ||||
| 24 | 336648 | |||
| SÄGENDECKEL (ALT 336648) | ||||
| 24B | 375360 | 4.65 | 5.53 | |
| Maschinenschraube M4x12 (schwarz) mit Scheibe | ||||
| 25 | 333781 | 1.20 | 1.43 | |
| Feld | ||||
| 26 | 340872 | 101.75 | 121.08 | |
| Anker | ||||
| 27 | 336547 | 43.45 | 51.71 | |
| Gummiring (a) | ||||
| 28 | 328453 | 1.80 | 2.14 | |
| Kopfschraube M4x6 (10st) | ||||
| 29 | 949214 | 1.05 | 1.25 | |
| Inbusschraube C8fshe | ||||
| 30 | 319541 | 1.50 | 1.78 | |
| Getriebedeckel | ||||
| 31 | 336646 | 20.35 | 24.22 | |
| Federhaken | ||||
| 32 | 334137 | 1.80 | 2.14 | |
| Feder | ||||
| 33 | 334225 | 1.80 | 2.14 | |
| Sperre | ||||
| 34 | 336555 | 2.85 | 3.39 | |
| Feder | ||||
| 35 | 336650 | 1.05 | 1.25 | |
| Knopf | ||||
| 36B | 339247 | 1.04 | 1.23 | |
| KAMM | ||||
| 37 | 333681 | 3.45 | 4.11 | |
| Verriegelungshülse | ||||
| 38 | 333682 | 3.45 | 4.11 | |
| NOCKENWELLE | ||||
| 39 | 333680 | 5.10 | 6.07 | |
| Schaltgriff | ||||
| 40 | 336545 | 1.04 | 1.23 | |
| Kopfschraube M.u-scheibe M3,5x6 | ||||
| 41 | 307887 | 1.04 | 1.23 | |
| Schalter | ||||
| 42 | 332552 | 10.65 | 12.67 | |
| Schraube M4x14 | ||||
| 43 | 305691 | 1.05 | 1.25 | |
| Griff | ||||
| 44 | 336550 | 14.70 | 17.49 | |
| Flußführung (c) | ||||
| 45 | 333669 | 1.80 | 2.14 | |
| Gehäuse | ||||
| 46 | 336548 | 5.25 | 6.25 | |
| Gehäuse | ||||
| 46A | 336548 | 5.25 | 6.25 | |
| Polster | ||||
| 47 | 336554 | 1.04 | 1.23 | |
| Gummiring (1) | ||||
| 48 | 328201 | 1.05 | 1.25 | |
| Gewindeschneidende Schraube (mit Flansch) D3x20 | ||||
| 49 | 332929 | 1.80 | 2.14 | |
| Maschinenschraube (m/Muttern) M4x35 (schwarz) | ||||
| 50 | 334141 | 1.80 | 2.14 | |
| Keine Informationen verfügbar, nicht bestellbar | ||||
| 52 | 307811 | |||
| Kopfschraube M4x8 M.u-scheibe (schwarz) | ||||
| 53 | 317200 | 1.65 | 1.96 | |
| Fuehrungsstueck (1) | ||||
| 54 | 320394 | 1.80 | 2.14 | |
| Federscheibe | ||||
| 55 | 942827 | 1.04 | 1.23 | |
| Mutter M6 | ||||
| 56 | 333660 | 1.80 | 2.14 | |
| Hebel | ||||
| 57 | 333659 | 1.80 | 2.14 | |
| Unterlegscheibe M6 (10st), C8fse | ||||
| 58 | 949425 | 1.05 | 1.25 | |
| Mutter M5 | ||||
| 59 | 308387 | 1.05 | 1.25 | |
| NYLON MOER M5 | ||||
| 59A | 377291 | 1.00 | 1.19 | |
| Flügelschraube C7mfa Except For Usa,can | ||||
| 60 | 307898 | 1.65 | 1.96 | |
| Feder | ||||
| 61 | 324876 | 1.80 | 2.14 | |
| Grundplatte | ||||
| 62 | 336833 | 27.23 | 32.40 | |
| Schraube (quadratisch) M6x22 | ||||
| 63 | 314623 | 1.80 | 2.14 | |
| Spezialbolzen Sv13ya | ||||
| 64 | 333664 | 1.80 | 2.14 | |
| Justierschraube (a) (bis 09.2008) | ||||
| 65 | 325236 | 5.10 | 6.07 | |
| Schlitzschraube C7mfa | ||||
| 66 | 308109 | 1.04 | 1.23 | |
| Gewindeschneidende Schraube D3x12 (schwarz) | ||||
| 67 | 334333 | 1.80 | 2.14 | |
| Controllerabdeckung | ||||
| 68 | 336553 | 1.35 | 1.61 | |
| Wellenscheibe 8 | ||||
| 69 | 334242 | 1.73 | 2.05 | |
| Abdeckplatte | ||||
| 70 | 333678 | 3.45 | 4.11 | |
| Verbindungsarm | ||||
| 71 | 333661 | 7.35 | 8.75 | |
| Schieber | ||||
| 72 | 336556 | 1.80 | 2.14 | |
| Maschinenschraube M4x8 | ||||
| 73 | 325079 | 1.65 | 1.96 | |
| Keine Informationen verfügbar, nicht bestellbar | ||||
| 74 | 335790 | |||
| Grundplatte | ||||
| 75 | 336647 | 38.50 | 45.82 | |
| LED. Mikroschalter-Set | ||||
| 76 | 338982 | 13.35 | 15.89 | |
| Kugellager 625dd | ||||
| 77 | 333826 | 5.10 | 6.07 | |
| Kugellager | ||||
| 78 | 371033 | 3.15 | 3.75 | |
| Keine Informationen verfügbar, nicht bestellbar | ||||
| 502 | 990666 | |||
| Keine Informationen verfügbar, nicht bestellbar | ||||
| 503 | 944458 | |||
| Keine Informationen verfügbar, nicht bestellbar | ||||
| 504A | 370338 | |||
| Abdeckkappe für Batterie | ||||
| 505 | 329897 | 1.80 | 2.14 | |
| Keine Informationen verfügbar, nicht bestellbar | ||||
| 506 | 337528 | |||
| Keine Informationen verfügbar, nicht bestellbar | ||||
| 506A | 337108 | |||
| Keine Informationen verfügbar, nicht bestellbar | ||||
| 507 | 336472 | |||
| Keine Informationen verfügbar, nicht bestellbar | ||||
| 508 | 336473 | |||
| Keine Informationen verfügbar, nicht bestellbar | ||||
| 509 | 336474 | |||
| Keine Informationen verfügbar, nicht bestellbar | ||||
| 510 | 339727 | |||
| Keine Informationen verfügbar, nicht bestellbar | ||||
| 510A | 375025 | |||
| Keine Informationen verfügbar, nicht bestellbar | ||||
| 510B | 339727 | |||
| Keine Informationen verfügbar, nicht bestellbar | ||||
| 601 | 302756 | |||
| Keine Informationen verfügbar, nicht bestellbar | ||||
| 602 | 329063 | |||
| Keine Informationen verfügbar, nicht bestellbar | ||||
| 603 | 381222 | |||