Hier finden Sie alle verfügbaren Teile und Zeichnungen der 'Hikoki C6DC2'. Von hier aus können Sie alle gewünschten Teile direkt bestellen. Viele Teile müssen je nach Marke beim Hersteller bestellt werden, dies dauert ein bis vier Wochen. Alle Informationen, die wir haben, befinden sich auf unserer Website. Wir können Sie nicht beraten, was Sie benötigen. Dazu müssen Sie die Maschine zur Reparatur zurücksenden. Bitte beachten Sie bei der Bestellung Folgendes:
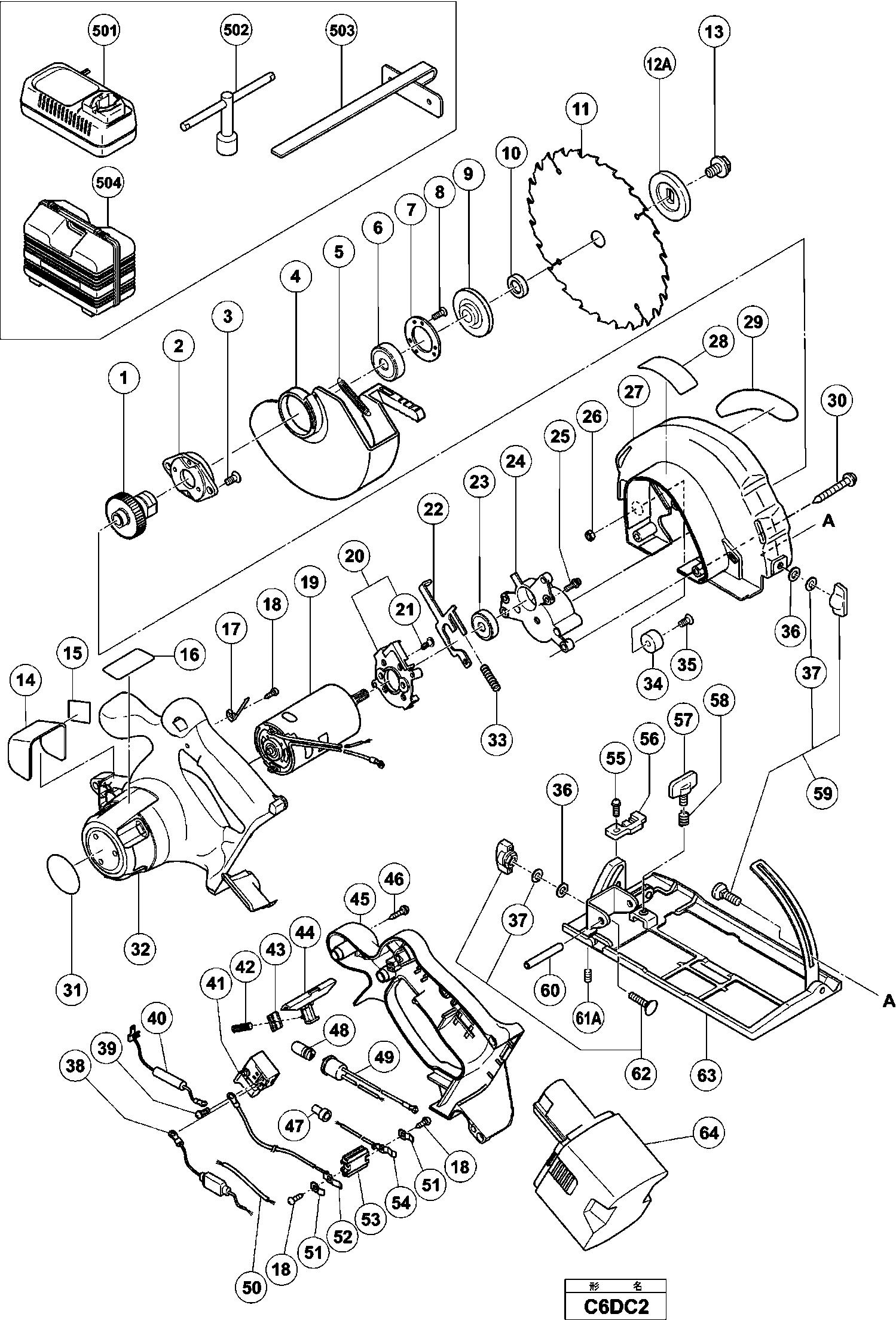
Zeichnungen der Hikoki C6DC2
Teileliste der Hikoki C6DC2
| Pos. | Beschreibung | Preis ohne MwSt | Preis inkl. MwSt | |
| Die angegebenen Preise enthalten die Mehrwertsteuer | ||||
| Keine Informationen verfügbar, nicht bestellbar | ||||
| 1 | 317468 | |||
| Lagerhalter C18dmr | ||||
| 2 | 308361 | 3.30 | 3.93 | |
| DICHTUNGSSPERR HD SCHRAUBE M5X12 | ||||
| 3 | 305568 | 1.05 | 1.25 | |
| Keine Informationen verfügbar, nicht bestellbar | ||||
| 4 | 317202 | |||
| Rückholfeder C18dmr, C8fshe, C8fse | ||||
| 5 | 317203 | 3.30 | 3.93 | |
| Kugellager 6002 Vv C7mfa | ||||
| 6 | 6002VV | 7.35 | 8.75 | |
| Lagerdeckel | ||||
| 7 | 308362 | 2.40 | 2.86 | |
| Senkkopfschraube M3x12 Selbstsi. C18dmr | ||||
| 8 | 308773 | 1.05 | 1.25 | |
| Unterlegscheibe(a2) C18dmr | ||||
| 9 | 317465 | 9.00 | 10.71 | |
| Unterlegscheibe C18dsl For Chi,pan,mex | ||||
| 9 | 317466 | 9.00 | 10.71 | |
| Ring C18dsl For Usa,can | ||||
| 10 | 990100 | 1.65 | 1.96 | |
| Keine Informationen verfügbar, nicht bestellbar | ||||
| 11 | 317452 | |||
| Aufspannflansch | ||||
| 12A | 324563 | 4.20 | 5.00 | |
| Bolzen C7mfa | ||||
| 13 | 957749 | 1.05 | 1.25 | |
| Keine Informationen verfügbar, nicht bestellbar | ||||
| 14 | 317204 | |||
| Keine Informationen verfügbar, nicht bestellbar | ||||
| 17 | 317211 | |||
| Schraube | ||||
| 18 | 958715 | 1.04 | 1.23 | |
| Keine Informationen verfügbar, nicht bestellbar | ||||
| 19 | 320996 | |||
| Keine Informationen verfügbar, nicht bestellbar | ||||
| 20 | 318347 | |||
| Spezialschraube M5 C18dmr | ||||
| 21 | 317914 | 1.65 | 1.96 | |
| Keine Informationen verfügbar, nicht bestellbar | ||||
| 22 | 317194 | |||
| Kugellager 609 Vvm | ||||
| 23 | 609VVM | 6.00 | 7.14 | |
| Keine Informationen verfügbar, nicht bestellbar | ||||
| 24 | 317195 | |||
| NYLOCK Schraube M4X12 | ||||
| 25 | 317196 | 1.65 | 1.96 | |
| Mutter M5 (schwarz) C13u/m8v/m12v | ||||
| 26 | 302012 | 1.05 | 1.25 | |
| Keine Informationen verfügbar, nicht bestellbar | ||||
| 27 | 317201 | |||
| Schneidschraube D5x50 | ||||
| 30 | 317449 | 1.65 | 1.96 | |
| Gehaeuse (1) | ||||
| 32 | 321003 | 27.50 | 32.72 | |
| Feder M12sa/v | ||||
| 33 | 961803 | 1.20 | 1.43 | |
| Dämpfer C18dmr | ||||
| 34 | 310842 | 1.05 | 1.25 | |
| Senkkopfschraube M5x20 (10st) C18dmr | ||||
| 35 | 949793 | 1.35 | 1.61 | |
| Unterlegscheibe M6 (10st), C8fse | ||||
| 36 | 949425 | 1.05 | 1.25 | |
| Federscheibe M6 P50 Single-phase | ||||
| 37 | 948167 | 1.04 | 1.23 | |
| Keine Informationen verfügbar, nicht bestellbar | ||||
| 38 | 320998 | |||
| Kopfschraube M.u-scheibe M3,5x6 | ||||
| 39 | 307887 | 1.04 | 1.23 | |
| Keine Informationen verfügbar, nicht bestellbar | ||||
| 40 | 317455 | |||
| SCHAKELAAR | ||||
| 41 | 980061 | 15.34 | 18.25 | |
| Feder (f) G13yc/g15yc/c6dd | ||||
| 42 | 301631 | 1.04 | 1.23 | |
| Klemme (a) C6dd | ||||
| 43 | 317207 | 1.35 | 1.61 | |
| Knopf | ||||
| 44 | 319904 | 1.50 | 1.78 | |
| Keine Informationen verfügbar, nicht bestellbar | ||||
| 45 | 321004 | |||
| Schneidschraube D4x16 Mit Flansch (schwarz), Cm9b | ||||
| 46 | 305812 | 1.04 | 1.23 | |
| Verbinder 50092 (10st) Div.typen (usa, Can), C8fs | ||||
| 47 | 959141 | 3.75 | 4.46 | |
| Lampe (12v 5w) C6dd | ||||
| 48 | 315229 | 9.30 | 11.07 | |
| Keine Informationen verfügbar, nicht bestellbar | ||||
| 49 | 320999 | |||
| Verbinderkabel C18dmr | ||||
| 50 | 321002 | 1.35 | 1.61 | |
| Haltefeder P20da/wh8d/dc | ||||
| 51 | 996118 | 2.55 | 3.03 | |
| Keine Informationen verfügbar, nicht bestellbar | ||||
| 52 | 321001 | |||
| Kontakthalter Ds14dmr | ||||
| 53 | 320997 | 1.20 | 1.43 | |
| Verbinderkabel C18dmr | ||||
| 54 | 321000 | 4.05 | 4.82 | |
| Kopfschraube M4x8 M.u-scheibe (schwarz) | ||||
| 55 | 317200 | 1.65 | 1.96 | |
| Keine Informationen verfügbar, nicht bestellbar | ||||
| 56 | 321006 | |||
| Flügelschraube C7mfa Except For Usa,can | ||||
| 57 | 307898 | 1.65 | 1.96 | |
| Feder C7mfa | ||||
| 58 | 941056 | 1.05 | 1.25 | |
| Schraube M6x22 C18dmr Includ.89 | ||||
| 59 | 314620 | 6.45 | 7.68 | |
| ROLL PIN D6X45 (10 PCS.) NEW | ||||
| 60 | 949523 | 6.06 | 7.21 | |
| Schlitzschraube C7mfa | ||||
| 61A | 308109 | 1.04 | 1.23 | |
| Keine Informationen verfügbar, nicht bestellbar | ||||
| 62 | 314621 | |||
| Keine Informationen verfügbar, nicht bestellbar | ||||
| 63 | 321005 | |||
| Keine Informationen verfügbar, nicht bestellbar | ||||
| 64 | 319764 | |||
| Keine Informationen verfügbar, nicht bestellbar | ||||
| 502 | 940543 | |||
| Keine Informationen verfügbar, nicht bestellbar | ||||
| 503 | 302756 | |||
| Keine Informationen verfügbar, nicht bestellbar | ||||
| 504 | 321100 | |||