Hier finden Sie alle verfügbaren Teile und Zeichnungen der 'Hikoki C6MFA'. Von hier aus können Sie alle gewünschten Teile direkt bestellen. Viele Teile müssen je nach Marke beim Hersteller bestellt werden, dies dauert ein bis vier Wochen. Alle Informationen, die wir haben, befinden sich auf unserer Website. Wir können Sie nicht beraten, was Sie benötigen. Dazu müssen Sie die Maschine zur Reparatur zurücksenden. Bitte beachten Sie bei der Bestellung Folgendes:
Zeichnungen der Hikoki C6MFA
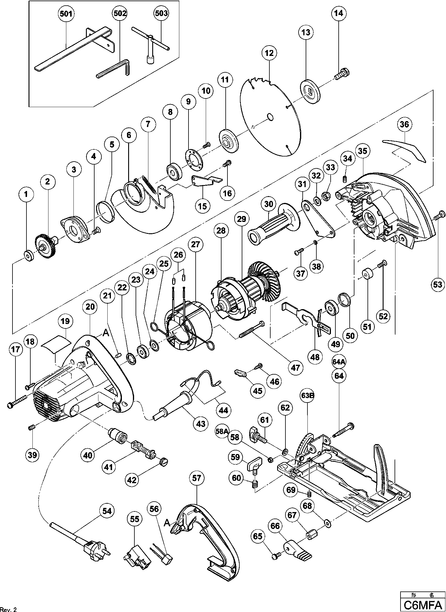
Teileliste der Hikoki C6MFA
| Pos. | Beschreibung | Preis ohne MwSt | Preis inkl. MwSt | |
| Die angegebenen Preise enthalten die Mehrwertsteuer | ||||
| Metal C7mfa | ||||
| 1 | 963803 | 1.50 | 1.78 | |
| Keine Informationen verfügbar, nicht bestellbar | ||||
| 2 | 322088 | |||
| Lagerhalter C18dmr | ||||
| 3 | 308361 | 3.30 | 3.93 | |
| DICHTUNGSSPERR HD SCHRAUBE M5X12 | ||||
| 4 | 305568 | 1.05 | 1.25 | |
| Unterlegscheibe | ||||
| 5 | 318192 | 1.65 | 1.96 | |
| Keine Informationen verfügbar, nicht bestellbar | ||||
| 6 | 323937 | |||
| Keine Informationen verfügbar, nicht bestellbar | ||||
| 7 | 302442 | |||
| Kugellager 6002 Vv C7mfa | ||||
| 8 | 6002VV | 7.35 | 8.75 | |
| Lagerdeckel | ||||
| 9 | 308362 | 2.40 | 2.86 | |
| Senkkopfschraube M3x12 Selbstsi. C18dmr | ||||
| 10 | 308773 | 1.05 | 1.25 | |
| Dichtung C7mfa | ||||
| 11 | 322099 | 7.35 | 8.75 | |
| Dichtung C7mfa | ||||
| 11 | 323928 | 3.15 | 3.75 | |
| Keine Informationen verfügbar, nicht bestellbar | ||||
| 12 | 323892 | |||
| Keine Informationen verfügbar, nicht bestellbar | ||||
| 13 | 323924 | |||
| Bolzen C7mfa | ||||
| 14 | 957749 | 1.05 | 1.25 | |
| Keine Informationen verfügbar, nicht bestellbar | ||||
| 15 | 302464 | |||
| Kopfschraube M4x10 M.u-scheibe (schwarz) | ||||
| 16 | 304043 | 1.05 | 1.25 | |
| Kopfschraube M5x45 M.u-scheibe | ||||
| 17 | 302434 | 1.04 | 1.23 | |
| Schneidschraube D4x20 Mit Flansch (schwarz), C8fs | ||||
| 18 | 301653 | 1.04 | 1.23 | |
| Gehaeuse | ||||
| 20 | 323930 | 31.49 | 37.47 | |
| Gehäuse grün Includ.39,40 | ||||
| 20 | 323929 | 26.68 | 31.74 | |
| GUMMISTIFT | ||||
| 21 | 931701 | 1.05 | 1.25 | |
| DRUCKSCHEIBE | ||||
| 22 | 316394 | 3.30 | 3.93 | |
| Kugellager 608 Vvm, C8fshe, Cm5sb, C8fse, H41mb | ||||
| 23 | 608VVM | 5.70 | 6.78 | |
| Unterlegscheibe (a) Cr17y/dh20pb H30pv/dh30pc/h45 | ||||
| 24 | 982631 | 1.04 | 1.23 | |
| Kohlenhalterklemme Dh28y u.a. H30pv/vb16y/dh30pc/ | ||||
| 25 | 930703 | 2.40 | 2.86 | |
| Kanalhülse für Kabel (d) Div.typen, Cm9uby, G23ss | ||||
| 26 | 981373 | 1.05 | 1.25 | |
| Stator C7mfa Includ.39 | ||||
| 27 | 340614E | 24.75 | 29.45 | |
| Leitvorrichtung C7mfa | ||||
| 28 | 322002 | 1.35 | 1.61 | |
| Armatur 230 Volt C7mfa | ||||
| 29 | 360694E | 41.80 | 49.74 | |
| ANKER 110 VOLT | ||||
| 29 | 360694C | 39.05 | 46.47 | |
| Keine Informationen verfügbar, nicht bestellbar | ||||
| 30 | 323925 | |||
| Platte | ||||
| 31 | 323926 | 2.10 | 2.50 | |
| Federscheibe M10 (10st) | ||||
| 32 | 949458 | 1.05 | 1.25 | |
| Verschlussmutter C7mfa | ||||
| 33 | 323927 | 1.65 | 1.96 | |
| Inbusschraube M5x6 Cm6/d13/u.a. Till 2.1986 | ||||
| 34 | 962782 | 1.04 | 1.23 | |
| Keine Informationen verfügbar, nicht bestellbar | ||||
| 35 | 323935 | |||
| Kopfschraube M5x12 (10st), C8fse | ||||
| 37 | 949237 | 1.05 | 1.25 | |
| Federscheibe M5 (10st), C8fshe, C8fse | ||||
| 38 | 949454 | 1.04 | 1.23 | |
| Inbusstiftschraube M5x8, C8fshe, C8fse, H41mb,g23 | ||||
| 39 | 938477 | 1.05 | 1.25 | |
| Buerstenhalter (2) | ||||
| 40 | 957051 | 5.25 | 6.25 | |
| Kohlenbürsten (paar) H41mb | ||||
| 41 | 999043 | 4.50 | 5.36 | |
| Bürstenkappe H41sa/h45ma/vb13y Vb16y/h45mr/dh40mr | ||||
| 42 | 935829 | 1.05 | 1.25 | |
| Keine Informationen verfügbar, nicht bestellbar | ||||
| 43 | 953327 | |||
| Kanalhülse für Kabel (d) Div.typen, Cm9uby, G23ss | ||||
| 44 | 981373 | 1.05 | 1.25 | |
| Kabelklemme Div.typen, C8fshe, Cm5sb, C8fse | ||||
| 45 | 937631 | 1.04 | 1.23 | |
| Keine Informationen verfügbar, nicht bestellbar | ||||
| 46 | 984750 | |||
| Schneidschraube D5x55 | ||||
| 47 | 953174 | 1.04 | 1.23 | |
| Schalthebel C7mfa | ||||
| 48 | 307918 | 5.25 | 6.25 | |
| Kugellager 6000 Vv, Cm9by, C8fse, G23ss | ||||
| 49 | 6000VV | 6.15 | 7.32 | |
| Gummiring (1) | ||||
| 50 | 318647 | 1.65 | 1.96 | |
| Puffer C6u-c9u/c6bu/c7bu/fc6sb/ C6dd | ||||
| 51 | 961729 | 1.05 | 1.25 | |
| Senkkopfschraube M6x20 (10st) | ||||
| 52 | 949794 | 1.65 | 1.96 | |
| Mutter | ||||
| 53 | 942808 | 1.05 | 1.25 | |
| Kabel G13va (cord Armor D8.8) For Gbr (110v) | ||||
| 54 | 500461Z | 17.88 | 21.27 | |
| SNOER 10.7 (USE 714500=2X1 5M) | ||||
| 54 | 500247Z | 6.18 | 7.35 | |
| Keine Informationen verfügbar, nicht bestellbar | ||||
| 55 | 963756Z | |||
| Kondensator C6u-c13u u.a., C 8fshe | ||||
| 56 | 930039 | 1.95 | 2.32 | |
| Abdeckung grün C7mfa | ||||
| 57 | 323931 | 5.70 | 6.78 | |
| Abdeckung schwarz C7mfa For Fra | ||||
| 57 | 323932 | 5.70 | 6.78 | |
| Hülse C7mfa (till 09.2008) | ||||
| 58 | 315253 | 7.35 | 8.75 | |
| Mutter M5 | ||||
| 58A | 308387 | 1.05 | 1.25 | |
| Flügelschraube C7mfa Except For Usa,can | ||||
| 59 | 307898 | 1.65 | 1.96 | |
| Feder C7mfa | ||||
| 60 | 941056 | 1.05 | 1.25 | |
| FLÜGELSCHRAUBE (A) | ||||
| 61 | 307937 | 1.05 | 1.25 | |
| Federscheibe M6 P50 Single-phase | ||||
| 62 | 948167 | 1.04 | 1.23 | |
| Keine Informationen verfügbar, nicht bestellbar | ||||
| 63B | 330841 | |||
| Justierschraube (a) (bis 09.2008) | ||||
| 64 | 315183 | 4.80 | 5.71 | |
| Justierschraube | ||||
| 64A | 322096 | 1.95 | 2.32 | |
| Verschlussschraube C7mfa | ||||
| 65 | 322260 | 1.50 | 1.78 | |
| Hebel C7mfa For Usa,can | ||||
| 66 | 323923 | 1.05 | 1.25 | |
| Befestigungsmutter | ||||
| 67 | 323922 | 2.10 | 2.50 | |
| Unterlegscheibe | ||||
| 68 | 320975 | 1.05 | 1.25 | |
| Schlitzschraube C7mfa | ||||
| 69 | 308109 | 1.04 | 1.23 | |
| Keine Informationen verfügbar, nicht bestellbar | ||||
| 501 | 302756 | |||
| Keine Informationen verfügbar, nicht bestellbar | ||||
| 502 | 990666 | |||
| Keine Informationen verfügbar, nicht bestellbar | ||||
| 503 | 940543 | |||
| Keine Informationen verfügbar, nicht bestellbar | ||||
| 601 | 302981 | |||
| HANGER | ||||
| 602 | 954619 | 3.30 | 3.93 | |