Hier finden Sie alle verfügbaren Teile und Zeichnungen der 'Hikoki C7ST'. Von hier aus können Sie alle gewünschten Teile direkt bestellen. Viele Teile müssen je nach Marke beim Hersteller bestellt werden, dies dauert ein bis vier Wochen. Alle Informationen, die wir haben, befinden sich auf unserer Website. Wir können Sie nicht beraten, was Sie benötigen. Dazu müssen Sie die Maschine zur Reparatur zurücksenden. Bitte beachten Sie bei der Bestellung Folgendes:
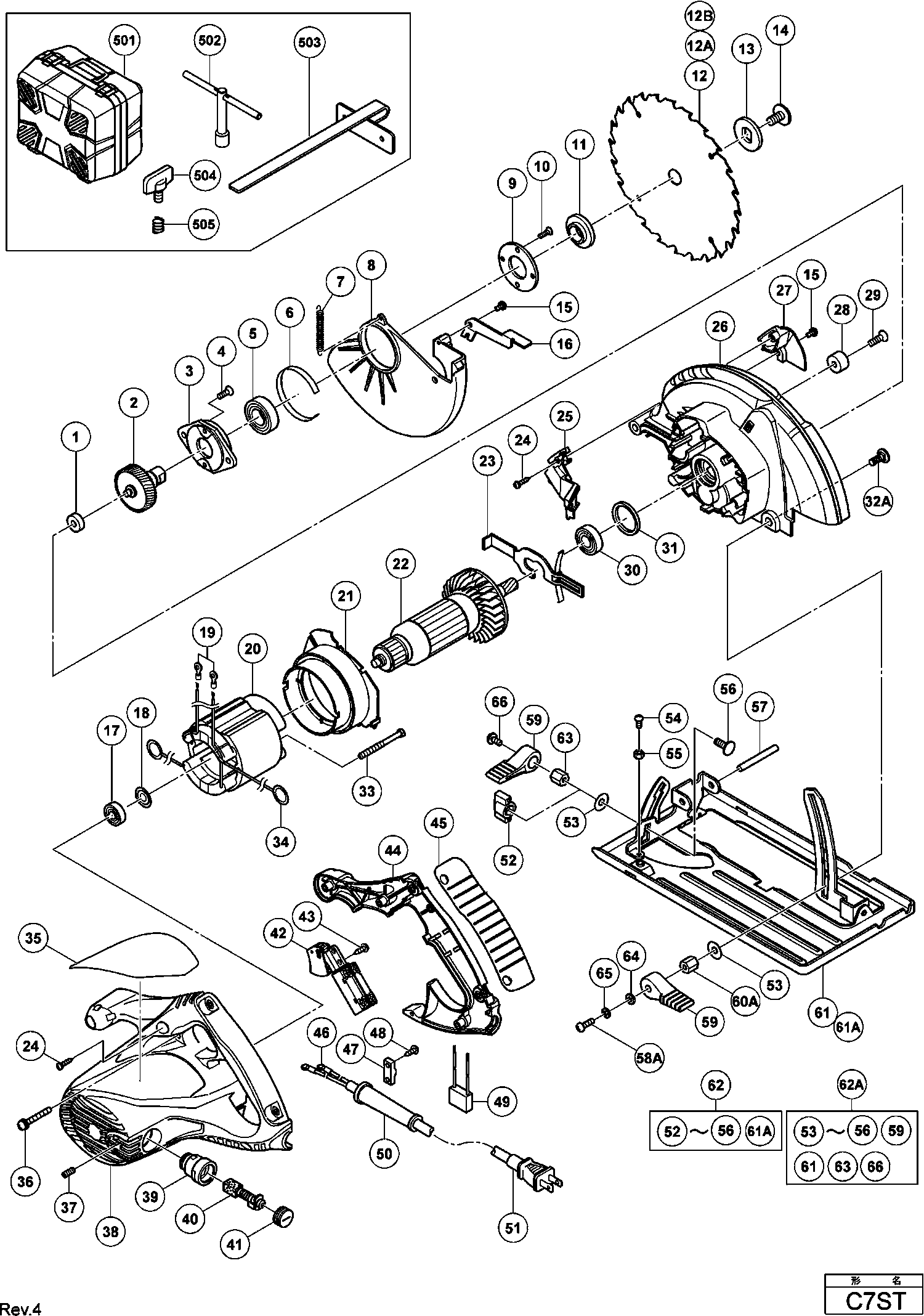
Zeichnungen der Hikoki C7ST
Teileliste der Hikoki C7ST
| Pos. | Beschreibung | Preis ohne MwSt | Preis inkl. MwSt | |
| Die angegebenen Preise enthalten die Mehrwertsteuer | ||||
| Unterlegscheibe(a2) C18dmr | ||||
| *11 | 324597 | 3.15 | 3.75 | |
| Keine Informationen verfügbar, nicht bestellbar | ||||
| *12 | 333756 | |||
| Flansch | ||||
| *13 | 333555 | 1.20 | 1.43 | |
| Stator 220v-240v Dh25pb inklusive.63 | ||||
| *20 | 340807E | 26.68 | 31.74 | |
| VELD 110 VOLT | ||||
| *20 | 340807B | 24.92 | 29.65 | |
| ANKER 110-127 VOLT | ||||
| *22 | 360907U | 46.20 | 54.98 | |
| Anker 230v | ||||
| *22 | 360907E | 38.09 | 45.32 | |
| Anschlussklemme | ||||
| *46 | 980063 | 1.04 | 1.23 | |
| Kabelknickschutz D8.8 Div.typen, Cm5sb | ||||
| *50 | 380090 | 1.04 | 1.24 | |
| Kabelknickschutz D10.1 Div.typen, C8fshe, C8fse | ||||
| *50 | 938051 | 1.04 | 1.23 | |
| Kabel 2,5 M C7mfa (cord Armor D8.8) For Gbr (110v | ||||
| *51 | 500237Z | 11.40 | 13.57 | |
| Anschlusskabel (cord Armor D8.8) For Pan | ||||
| *51 | 500447Z | 6.60 | 7.85 | |
| Hebel C7mfa For Usa,can | ||||
| *59 | 323923 | 1.05 | 1.25 | |
| STAUBABSAUGADAPTER | ||||
| *601A | 372757 | 3.00 | 3.57 | |
| Metal C7mfa | ||||
| 1 | 963803 | 1.50 | 1.78 | |
| Welle Und Zahnrad (satz) Fdv20vb | ||||
| 2 | 333564 | 10.20 | 12.14 | |
| Welle Und Zahnrad (satz) Fdv20vb | ||||
| 2A | 372751 | 6.75 | 8.03 | |
| Lagerhalter Mod-bm | ||||
| 3 | 302433 | 2.55 | 3.03 | |
| Lagerschale | ||||
| 3A | 373810 | 2.25 | 2.68 | |
| Senkkopfschraube M5x14 Selbstsi. Nicht mehr liefe | ||||
| 4 | 992013 | 1.05 | 1.25 | |
| Kugellager 6003 Vv | ||||
| 5 | 6003VV | 7.65 | 9.10 | |
| Hülse (ALT 961807Z) | ||||
| 6 | 961807 | 2.15 | 2.56 | |
| BUCHSE | ||||
| 6A | 373811 | 1.80 | 2.14 | |
| Rückholfeder | ||||
| 7 | 333567 | 1.20 | 1.43 | |
| Rückholfeder | ||||
| 7A | 373011 | 1.04 | 1.23 | |
| Pendelschutzhaube C10fcb (since 04.2007 For Aus,n | ||||
| 8 | 333572 | 9.15 | 10.89 | |
| Unterer Schutz | ||||
| 8A | 373812 | 13.75 | 16.36 | |
| Lagerdeckel | ||||
| 9 | 302435 | 1.35 | 1.61 | |
| Senkkopfschraube M4x10 Selbstsi. | ||||
| 10 | 990430 | 1.04 | 1.23 | |
| Unterlegscheibe(a2) C18dmr | ||||
| 11 | 324597 | 3.15 | 3.75 | |
| Keine Informationen verfügbar, nicht bestellbar | ||||
| 12 | 333758 | |||
| Keine Informationen verfügbar, nicht bestellbar | ||||
| 12A | 302412 | |||
| Keine Informationen verfügbar, nicht bestellbar | ||||
| 12B | 334509 | |||
| Flansch | ||||
| 13 | 333555 | 1.20 | 1.43 | |
| Schraube (mit Flansch) M8x15,5 | ||||
| 14 | 320971 | 1.05 | 1.25 | |
| Kopfschraube M4x12 M.u-scheibe (schwarz), C 8fshe | ||||
| 15 | 935196 | 1.04 | 1.23 | |
| Hebel | ||||
| 16 | 328045 | 1.20 | 1.43 | |
| Kugellager 608 Vvm, C8fshe, Cm5sb, C8fse, H41mb | ||||
| 17 | 608VVM | 5.70 | 6.78 | |
| Unterlegscheibe (a) Cr17y/dh20pb H30pv/dh30pc/h45 | ||||
| 18 | 982631 | 1.04 | 1.23 | |
| Kabelschuh M4.0 (10st) G23ss | ||||
| 19 | 930804 | 3.00 | 3.57 | |
| Stator 220v-240v Dh25pb inklusive.63 | ||||
| 20 | 340807E | 26.68 | 31.74 | |
| VELD 110 VOLT | ||||
| 20 | 340807B | 24.92 | 29.65 | |
| Luftleitfaden | ||||
| 21 | 333565 | 1.20 | 1.43 | |
| ANKER 110-127 VOLT | ||||
| 22 | 360907U | 46.20 | 54.98 | |
| Anker 230v | ||||
| 22 | 360907E | 38.09 | 45.32 | |
| Sperre | ||||
| 23 | 333568 | 2.10 | 2.50 | |
| Schneidschraube D4x20 Mit Flansch (schwarz), C8fs | ||||
| 24 | 301653 | 1.04 | 1.23 | |
| Luftleitfaden | ||||
| 25 | 333570 | 1.20 | 1.43 | |
| Getriebegehaeuse | ||||
| 26 | 333571 | 28.60 | 34.03 | |
| Getriebegehaeuse | ||||
| 26A | 333571 | 28.60 | 34.03 | |
| GEAR COVER (OLD 372740) | ||||
| 26B | 375922 | 14.08 | 16.76 | |
| Luftführung Dh28pd | ||||
| 27 | 333569 | 2.10 | 2.50 | |
| Puffer C6u-c9u/c6bu/c7bu/fc6sb/ C6dd | ||||
| 28 | 961729 | 1.05 | 1.25 | |
| Dämpfer C18dmr | ||||
| 28A | 337080 | 1.05 | 1.25 | |
| Senkkopfschraube M6x20 (10st) | ||||
| 29 | 949794 | 1.65 | 1.96 | |
| Kugellager 6001 Vv | ||||
| 30 | 6001VV | 6.60 | 7.85 | |
| Gummiring (1) | ||||
| 31 | 333566 | 1.20 | 1.43 | |
| Bolzen (quadratisch) M6 | ||||
| 32A | 333920 | 1.20 | 1.43 | |
| Schneidschraube D5x65 (div.typen) | ||||
| 33 | 960251 | 1.05 | 1.25 | |
| Kohlenhalterklemme Dh28y u.a. H30pv/vb16y/dh30pc/ | ||||
| 34 | 930703 | 2.40 | 2.86 | |
| Kopfschraube M5x50 M.u.scheibe | ||||
| 36 | 997841 | 1.05 | 1.25 | |
| SCHROEF (OUD 962014Z)*TD5-5-1* | ||||
| 37 | 982169 | 1.00 | 1.19 | |
| Gehaeuse | ||||
| 38 | 333558 | 15.68 | 18.65 | |
| Kohlekasten Zsb | ||||
| 39 | 958900 | 6.45 | 7.68 | |
| Kohlenbürsten (paar) H41mb | ||||
| 40 | 999043 | 4.50 | 5.36 | |
| Kohlenkappe C6u/c7u u.a. H30pv/dh30pc/ H41mb/ G23 | ||||
| 41 | 945161 | 1.20 | 1.43 | |
| Schalter | ||||
| 42 | 333554 | 12.90 | 15.35 | |
| Schneidschraube D4x12, Cm9uby For Sin,hkg,chn | ||||
| 43 | 305720 | 1.05 | 1.25 | |
| Griffabdeckung | ||||
| 44 | 333559 | 3.15 | 3.75 | |
| Griffabdeckung | ||||
| 45 | 333782 | 3.15 | 3.75 | |
| Anschlussklemme | ||||
| 46 | 980063 | 1.04 | 1.23 | |
| Kabelklemme Div.typen, C8fshe, Cm5sb, C8fse | ||||
| 47 | 937631 | 1.04 | 1.23 | |
| Keine Informationen verfügbar, nicht bestellbar | ||||
| 48 | 984750 | |||
| Kabelknickschutz D8.8 Div.typen, Cm5sb | ||||
| 50 | 380090 | 1.04 | 1.24 | |
| Kabelknickschutz D10.1 Div.typen, C8fshe, C8fse | ||||
| 50 | 938051 | 1.04 | 1.23 | |
| Kabel 2,5 M C7mfa (cord Armor D8.8) For Gbr (110v | ||||
| 51 | 500237Z | 11.40 | 13.57 | |
| Anschlusskabel (cord Armor D8.8) For Pan | ||||
| 51 | 500447Z | 6.60 | 7.85 | |
| Unterlegscheibe | ||||
| 53 | 320975 | 1.05 | 1.25 | |
| Keine Informationen verfügbar, nicht bestellbar | ||||
| 54 | 333783 | |||
| Mutter M4 schwarz Cr 10dl | ||||
| 55 | 322709 | 1.65 | 1.96 | |
| Schraube (quadratisch) M6x22 | ||||
| 56 | 333562 | 1.20 | 1.43 | |
| Rollstift D6x50 (10pcs.) C18dmr | ||||
| 57 | 949750 | 7.35 | 8.75 | |
| Maschinenschraube M6x14 | ||||
| 58A | 333922 | 1.20 | 1.43 | |
| Befestigungsmutter | ||||
| 60A | 333921 | 4.20 | 5.00 | |
| Grundplatte | ||||
| 61 | 333561 | 11.85 | 14.10 | |
| BASIS MONTAGE | ||||
| 62A | 335000 | 12.30 | 14.64 | |
| Befestigungsmutter | ||||
| 63 | 331267 | 2.10 | 2.50 | |
| Unterlegscheibe M6 (10st), C8fse | ||||
| 64 | 949425 | 1.05 | 1.25 | |
| Federscheibe M6 (10st), C8fshe, C8fse, Cg18dal, C | ||||
| 65 | 949455 | 1.05 | 1.25 | |
| Verschlussschraube C7mfa | ||||
| 66 | 322260 | 1.50 | 1.78 | |
| Ring | ||||
| 67 | 370591 | 1.04 | 1.23 | |
| Kopfschraube M4x12 M.u-scheibe (schwarz), C 8fshe | ||||
| 68 | 935196 | 1.04 | 1.23 | |
| STAUBABSAUGADAPTER | ||||
| 69 | 372757 | 3.00 | 3.57 | |
| Keine Informationen verfügbar, nicht bestellbar | ||||
| 501 | 333557 | |||
| Keine Informationen verfügbar, nicht bestellbar | ||||
| 502 | 940543 | |||
| Keine Informationen verfügbar, nicht bestellbar | ||||
| 503 | 302691 | |||
| Flügelschraube C7mfa Except For Usa,can | ||||
| 504 | 307898 | 1.65 | 1.96 | |
| Feder C7mfa | ||||
| 505 | 941056 | 1.05 | 1.25 | |
| Staubextraktionsset | ||||
| 601 | 333842 | 20.35 | 24.22 | |