Hier finden Sie alle verfügbaren Teile und Zeichnungen der 'Hikoki C7UM'. Von hier aus können Sie alle gewünschten Teile direkt bestellen. Viele Teile müssen je nach Marke beim Hersteller bestellt werden, dies dauert ein bis vier Wochen. Alle Informationen, die wir haben, befinden sich auf unserer Website. Wir können Sie nicht beraten, was Sie benötigen. Dazu müssen Sie die Maschine zur Reparatur zurücksenden. Bitte beachten Sie bei der Bestellung Folgendes:
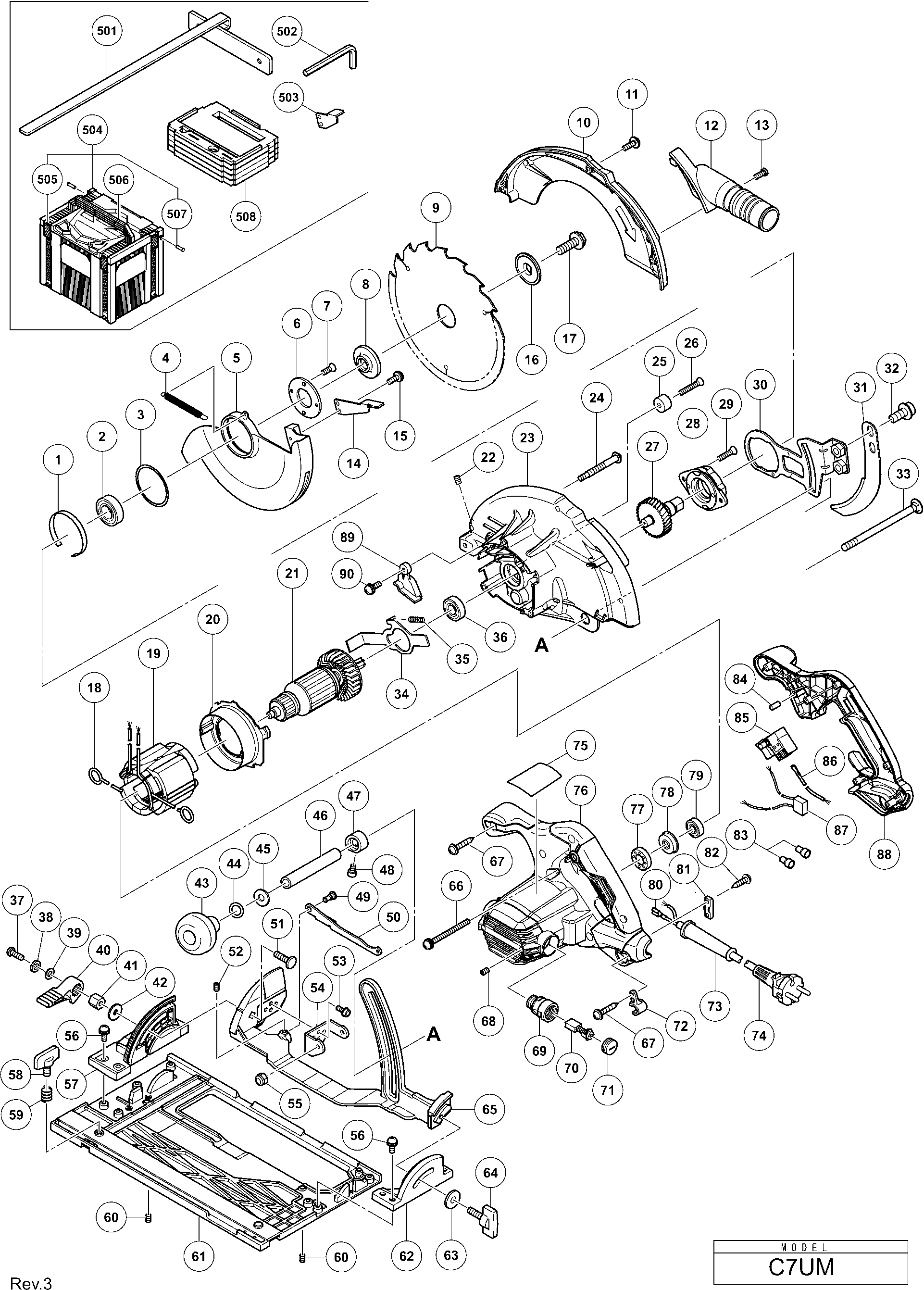
Zeichnungen der Hikoki C7UM
Teileliste der Hikoki C7UM
| Pos. | Beschreibung | Preis ohne MwSt | Preis inkl. MwSt | |
| Die angegebenen Preise enthalten die Mehrwertsteuer | ||||
| Ausgleichblech C9u | ||||
| 1 | 998887 | 9.30 | 11.07 | |
| KUGELLAGER 6003VVCM (NYLONHALTERUNG) | ||||
| 2 | 327694 | 5.25 | 6.25 | |
| Ring | ||||
| 3 | 370591 | 1.04 | 1.23 | |
| Rückholfeder | ||||
| 4 | 370373 | 1.04 | 1.23 | |
| Unterer Schutz | ||||
| 5 | 370356 | 11.55 | 13.74 | |
| Lagerdeckel | ||||
| 6 | 302435 | 1.35 | 1.61 | |
| Senkkopfschraube M4x10 Selbstsi. | ||||
| 7 | 990430 | 1.04 | 1.23 | |
| Distanzscheibe G18u/ua/ub u.a. | ||||
| 8 | 370272 | 2.25 | 2.68 | |
| Keine Informationen verfügbar, nicht bestellbar | ||||
| 9 | 324668 | |||
| Sägeabdeckung | ||||
| 10 | 370354 | 10.95 | 13.03 | |
| Sägeabdeckung | ||||
| 10A | 370354 | 10.95 | 13.03 | |
| Kopfschraube M4x12 M.federring | ||||
| 11 | 951039 | 1.05 | 1.25 | |
| Keine Informationen verfügbar, nicht bestellbar | ||||
| 12 | 997247 | |||
| Kopfschraube M4x12 M.u-scheibe (schwarz), C 8fshe | ||||
| 13 | 935196 | 1.04 | 1.23 | |
| Hebel | ||||
| 14 | 370542 | 1.04 | 1.23 | |
| Kopfschraube M4x12 M.u-scheibe (schwarz), C 8fshe | ||||
| 15 | 935196 | 1.04 | 1.23 | |
| Scheibe (b) Ds9dva/ds12dva/ds14dv Ds14dva/ds14dvb | ||||
| 16 | 370279 | 2.25 | 2.68 | |
| Inbusschraube M8x15,5 C9bu2 | ||||
| 17 | 324662 | 1.95 | 2.32 | |
| Kohlenhalterklemme Dh28y u.a. H30pv/vb16y/dh30pc/ | ||||
| 18 | 930703 | 2.40 | 2.86 | |
| Stator 220v-230v H90sa Includ.103 Für Nzl,saf | ||||
| 19 | 340945E | 28.60 | 34.03 | |
| Lüfterführung | ||||
| 20 | 370342 | 1.20 | 1.43 | |
| Anker 230v | ||||
| 21 | 361037E | 34.79 | 41.40 | |
| Inbusschraube M5x6 Cm6/d13/u.a. Till 2.1986 | ||||
| 22 | 962782 | 1.04 | 1.23 | |
| Getriebedeckel | ||||
| 23 | 370350 | 22.00 | 26.18 | |
| Justierschraube | ||||
| 24 | 322096 | 1.95 | 2.32 | |
| Puffer C6u-c9u/c6bu/c7bu/fc6sb/ C6dd | ||||
| 25 | 961729 | 1.05 | 1.25 | |
| Senkkopfschraube M6x20 (10st) | ||||
| 26 | 949794 | 1.65 | 1.96 | |
| Spindel- und Getriebesatz | ||||
| 27 | 370371 | 11.55 | 13.74 | |
| LAGERHALTER | ||||
| 28 | 370353 | 5.40 | 6.43 | |
| Senkkopfschraube M5x14 Selbstsi. Nicht mehr liefe | ||||
| 29 | 992013 | 1.05 | 1.25 | |
| Arm | ||||
| 30 | 370364 | 4.20 | 5.00 | |
| Spaltmesser | ||||
| 31 | 370365 | 3.75 | 4.46 | |
| Hex. Innensechskantschraube M8 | ||||
| 32 | 370287 | 1.05 | 1.25 | |
| Diagonale Schraube M8 | ||||
| 33 | 370662 | 8.40 | 10.00 | |
| Verriegelungshebel | ||||
| 34 | 370363 | 1.20 | 1.43 | |
| Feder (a) Dh18vb | ||||
| 35 | 330982 | 1.05 | 1.25 | |
| Kugellager 6001 Vv | ||||
| 36 | 6001VV | 6.60 | 7.85 | |
| Maschinenschraube M6x14 | ||||
| 37 | 333922 | 1.20 | 1.43 | |
| Federscheibe M6 (10st), C8fshe, C8fse, Cg18dal, C | ||||
| 38 | 949455 | 1.05 | 1.25 | |
| Unterlegscheibe M6 (10st), C8fse | ||||
| 39 | 949425 | 1.05 | 1.25 | |
| Hebel C7mfa For Usa,can | ||||
| 40 | 323923 | 1.05 | 1.25 | |
| Befestigungsmutter | ||||
| 41 | 333921 | 4.20 | 5.00 | |
| Scheibe (g) Cr13va | ||||
| 42 | 318452 | 1.20 | 1.43 | |
| Knopf | ||||
| 43 | 324660 | 4.35 | 5.18 | |
| O-RING (P-7) (OUD 676531) | ||||
| 44 | 889335 | 1.00 | 1.19 | |
| Unterlegscheibe M8 (10st), C8fshe, C8fse | ||||
| 45 | 949433 | 1.05 | 1.25 | |
| Hülle (a) | ||||
| 46 | 370825 | 4.50 | 5.36 | |
| Hülse (b) | ||||
| 47 | 370268 | 3.00 | 3.57 | |
| Dichtungsschloss Sechskant. Sockel Hd. Bolt M4x6 | ||||
| 48 | 370278 | 1.04 | 1.23 | |
| Stift D6x13 | ||||
| 49 | 320163 | 1.50 | 1.78 | |
| Platte (b) C8fshe | ||||
| 50 | 370369 | 1.05 | 1.25 | |
| Bolzen (quadratisch) D6 | ||||
| 51 | 370377 | 1.04 | 1.23 | |
| Inbusschraube C8fshe | ||||
| 52 | 319541 | 1.50 | 1.78 | |
| Inbusschraube M5x12 Mit Flansch | ||||
| 53 | 305755 | 1.04 | 1.23 | |
| Schräge Platte (c) | ||||
| 54 | 370370 | 1.04 | 1.23 | |
| Mutter M5 | ||||
| 55 | 308387 | 1.05 | 1.25 | |
| NYLON MOER M5 | ||||
| 55A | 377291 | 1.00 | 1.19 | |
| Maschinenschraube M5x14 | ||||
| 56 | 678653 | 1.05 | 1.25 | |
| Fasenplatte (a) | ||||
| 57 | 370347 | 2.85 | 3.39 | |
| Flügelschraube M6x15, C8fshe, C8fse | ||||
| 58 | 301806 | 1.05 | 1.25 | |
| Feder M8/m8v/m12sa/m12v, C8fse | ||||
| 59 | 947859 | 1.04 | 1.23 | |
| Stiftschraube M6x6 Selbstsich. | ||||
| 60 | 302469 | 1.05 | 1.25 | |
| NYLOCK SET SCREW M6 NEW | ||||
| 60A | 379529 | 1.00 | 1.19 | |
| Grundkoerper | ||||
| 61 | 370358 | 25.30 | 30.11 | |
| Fasenplatte (b) | ||||
| 62 | 370348 | 2.40 | 2.86 | |
| Unterlegscheibe M6 (10st), C8fse | ||||
| 63 | 949425 | 1.05 | 1.25 | |
| Flügelschraube M6x17 | ||||
| 64 | 302459 | 1.05 | 1.25 | |
| GELENK | ||||
| 65 | 370361 | 18.56 | 22.09 | |
| Kopfschraube M5x50 M.u.scheibe | ||||
| 66 | 997841 | 1.05 | 1.25 | |
| Schneidschraube D4x20 Mit Flansch (schwarz), C8fs | ||||
| 67 | 301653 | 1.04 | 1.23 | |
| Inbusstiftschraube M5x8, C8fshe, C8fse, H41mb,g23 | ||||
| 68 | 938477 | 1.05 | 1.25 | |
| Kohlekasten Zsb | ||||
| 69 | 958900 | 6.45 | 7.68 | |
| Kohlenbürsten (paar) H41mb | ||||
| 70 | 999043 | 4.50 | 5.36 | |
| Kohlenkappe C6u/c7u u.a. H30pv/dh30pc/ H41mb/ G23 | ||||
| 71 | 945161 | 1.20 | 1.43 | |
| Kabelhalter | ||||
| 72 | 370269 | 1.04 | 1.23 | |
| Keine Informationen verfügbar, nicht bestellbar | ||||
| 73 | 953327 | |||
| Keine Informationen verfügbar, nicht bestellbar | ||||
| 74 | 500390Z | |||
| Gehäusebaugruppe inkl. 86,87 | ||||
| 76 | 370339 | 23.65 | 28.14 | |
| Gehäusebaugruppe inkl. 86,87 | ||||
| 76A | 370339 | 23.65 | 28.14 | |
| Gummimuffe, C8fshe, C8fse | ||||
| 77 | 331006 | 1.95 | 2.32 | |
| Lagerbuchse | ||||
| 78 | 322089 | 4.80 | 5.71 | |
| Kugellager 608vv | ||||
| 79 | 333945 | 1.80 | 2.14 | |
| Kabelschuh Div.typen | ||||
| 80 | 331707 | 1.88 | 2.23 | |
| Kabelklemme Div.typen, C8fshe, Cm5sb, C8fse | ||||
| 81 | 937631 | 1.04 | 1.23 | |
| Keine Informationen verfügbar, nicht bestellbar | ||||
| 82 | 984750 | |||
| Verbinder 50092 (10st) Div.typen (usa, Can), C8fs | ||||
| 83 | 959141 | 3.75 | 4.46 | |
| GUMMISTIFT | ||||
| 84 | 931701 | 1.05 | 1.25 | |
| Schalter | ||||
| 85 | 334474 | 10.05 | 11.96 | |
| Keine Informationen verfügbar, nicht bestellbar | ||||
| 86 | 370661 | |||
| Kondensator C6u-c13u u.a., C 8fshe | ||||
| 87 | 930039 | 1.95 | 2.32 | |
| Griffabdeckung | ||||
| 88 | 370341 | 9.15 | 10.89 | |
| PLATTE (C) | ||||
| 89 | 371213 | 1.05 | 1.25 | |
| Kopfschraube M4x12 M.u-scheibe (schwarz), C 8fshe | ||||
| 90 | 935196 | 1.04 | 1.23 | |
| Fuehrung (1) | ||||
| 501 | 370587 | 3.45 | 4.11 | |
| Keine Informationen verfügbar, nicht bestellbar | ||||
| 502 | 872422 | |||
| Hebel (1) | ||||
| 503 | 370264 | 1.04 | 1.23 | |
| Keine Informationen verfügbar, nicht bestellbar | ||||
| 504 | 337528 | |||
| Keine Informationen verfügbar, nicht bestellbar | ||||
| 505 | 336472 | |||
| Keine Informationen verfügbar, nicht bestellbar | ||||
| 506 | 336473 | |||
| Keine Informationen verfügbar, nicht bestellbar | ||||
| 507 | 336474 | |||
| Keine Informationen verfügbar, nicht bestellbar | ||||
| 508 | 370588 | |||