Hier finden Sie alle verfügbaren Teile und Zeichnungen der 'Hikoki C7UY'. Von hier aus können Sie alle gewünschten Teile direkt bestellen. Viele Teile müssen je nach Marke beim Hersteller bestellt werden, dies dauert ein bis vier Wochen. Alle Informationen, die wir haben, befinden sich auf unserer Website. Wir können Sie nicht beraten, was Sie benötigen. Dazu müssen Sie die Maschine zur Reparatur zurücksenden. Bitte beachten Sie bei der Bestellung Folgendes:
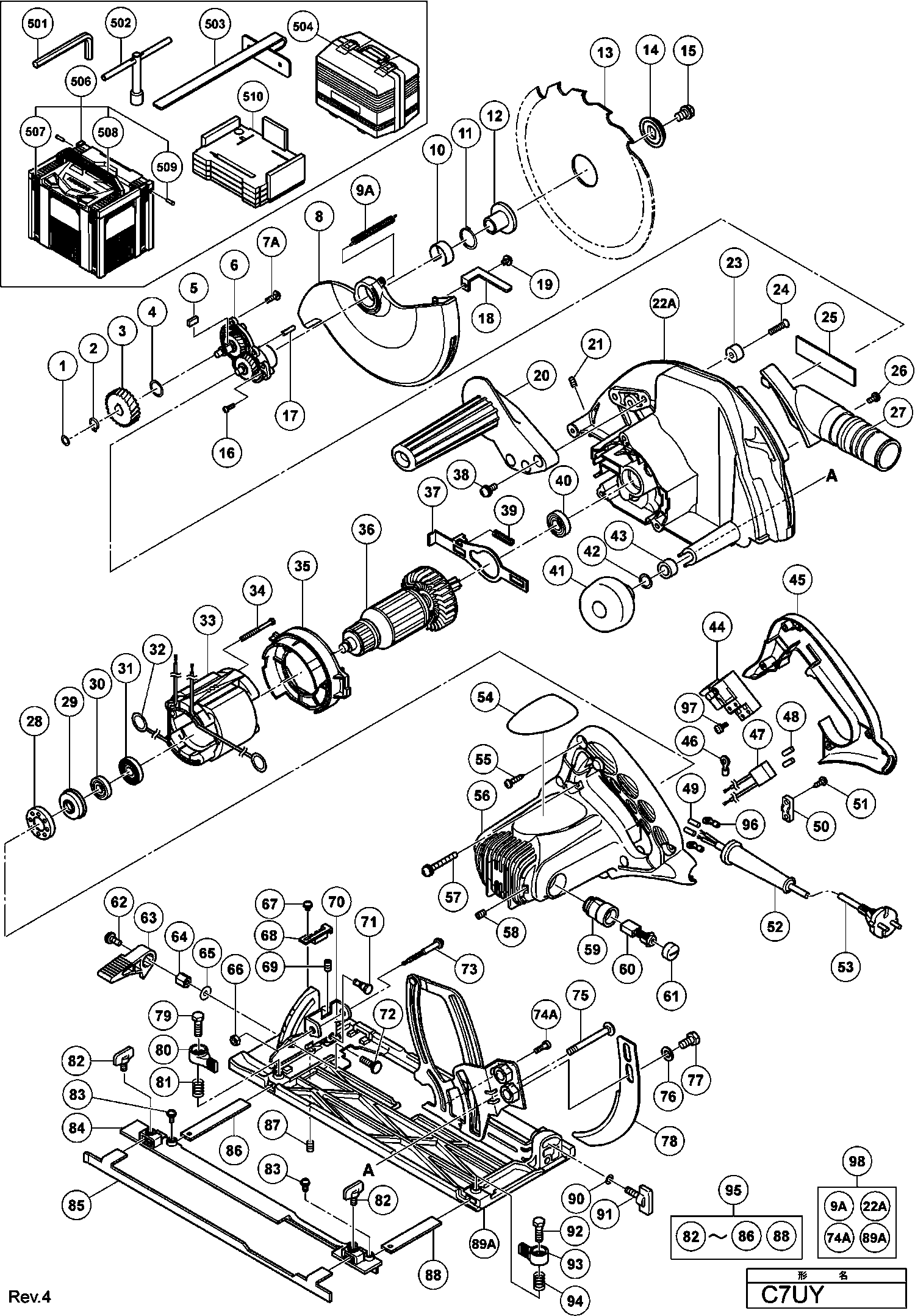
Zeichnungen der Hikoki C7UY
Teileliste der Hikoki C7UY
| Pos. | Beschreibung | Preis ohne MwSt | Preis inkl. MwSt | |
| Die angegebenen Preise enthalten die Mehrwertsteuer | ||||
| Keine Informationen verfügbar, nicht bestellbar | ||||
| *27 | 997247 | |||
| Stator 220v-230v H90sa Includ.103 Für Nzl,saf | ||||
| *33 | 340762E | 51.84 | 61.69 | |
| VELD 110 VOLT | ||||
| *33 | 340762G | 30.20 | 35.94 | |
| Anker 230v | ||||
| *36 | 360882E | 94.46 | 112.41 | |
| Schalter | ||||
| *44 | 963756Z | 13.20 | 15.71 | |
| Schalter | ||||
| *44 | 302470 | 10.95 | 13.03 | |
| Kabelknickschutz D8.8 Div.typen, Cm5sb | ||||
| *52 | 380090 | 1.04 | 1.24 | |
| Kabelknickschutz D10.1 Div.typen, C8fshe, C8fse | ||||
| *52 | 938051 | 1.04 | 1.23 | |
| SNOER 2.5M 2 X 1.0 H05VV-F W/PLUG 13A/250V (OLD 50 | ||||
| *53 | 500423Z | 12.87 | 15.32 | |
| SNOER 10.7 (USE 714500=2X1 5M) | ||||
| *53 | 500247Z | 6.18 | 7.35 | |
| Keine Informationen verfügbar, nicht bestellbar | ||||
| *56 | 330996 | |||
| Unterlegscheibe M6 (10st), C 8fshe, C8fse, Cg18dl | ||||
| *76 | 949432 | 1.05 | 1.25 | |
| Bolzen (h) M6x10 Sui,saf | ||||
| *77 | 331513 | 1.05 | 1.25 | |
| Spaltkeil | ||||
| *78 | 331016 | 3.15 | 3.75 | |
| Keine Informationen verfügbar, nicht bestellbar | ||||
| *8 | 335414 | |||
| Flügelbolzen Dh38ms | ||||
| *82 | 307947 | 1.35 | 1.61 | |
| Maschinenschraube M5x12 Schwarz | ||||
| *83 | 331761 | 1.65 | 1.96 | |
| Führungsschienenadapter Sui | ||||
| *84 | 330968 | 8.33 | 9.91 | |
| Führungsschienenplatte Sui | ||||
| *85 | 330978 | 4.20 | 5.00 | |
| Keine Informationen verfügbar, nicht bestellbar | ||||
| *86 | 330979 | |||
| Keine Informationen verfügbar, nicht bestellbar | ||||
| *88 | 330980 | |||
| Bolzen M6x10 Sui | ||||
| *92 | 331004 | 5.55 | 6.60 | |
| Hebel | ||||
| *93 | 330972 | 1.95 | 2.32 | |
| Feder (b) | ||||
| *94 | 330983 | 1.05 | 1.25 | |
| Führungsschiene | ||||
| *95 | 331762 | 14.65 | 17.43 | |
| Ring | ||||
| 1 | 991733 | 1.05 | 1.25 | |
| Sicherungsring G14dmr Till 9.2012 | ||||
| 2 | 316487 | 1.65 | 1.96 | |
| Erstes Zahnrad H90sc/se | ||||
| 3 | 331756 | 8.25 | 9.82 | |
| O-ring | ||||
| 4 | 331304 | 1.05 | 1.25 | |
| Keil 4x4x10 H41sa/h90sc u.a. H45mr | ||||
| 5 | 930511 | 2.40 | 2.86 | |
| Lagerschale | ||||
| 6 | 330999 | 55.14 | 65.61 | |
| Kopfschraube M4x12 M.federring Selbstsichernd | ||||
| 7A | 328628 | 1.05 | 1.25 | |
| Schutz | ||||
| 8 | 331015 | 12.45 | 14.82 | |
| Rückholfeder | ||||
| 9A | 337086 | 1.04 | 1.23 | |
| UNTERLEGSCHEIBE | ||||
| 10 | 330981 | 1.05 | 1.25 | |
| Federscheibe | ||||
| 11 | 939548 | 4.65 | 5.53 | |
| Distanzscheibe G18u/ua/ub u.a. | ||||
| 12 | 330985 | 5.03 | 5.98 | |
| Keine Informationen verfügbar, nicht bestellbar | ||||
| 13 | 330888 | |||
| Flansch | ||||
| 14 | 330986 | 3.15 | 3.75 | |
| Bolzen C7mfa | ||||
| 15 | 957749 | 1.05 | 1.25 | |
| Maschinenschraube M3 | ||||
| 16 | 331001 | 1.95 | 2.32 | |
| Nadelrolle H65sb/h70sa Nzl) | ||||
| 17 | 998426 | 1.05 | 1.25 | |
| Hebel | ||||
| 18 | 330977 | 1.05 | 1.25 | |
| Maschinenschraube M4x8 | ||||
| 19 | 325079 | 1.65 | 1.96 | |
| Seitengriff | ||||
| 20 | 330973 | 4.20 | 5.00 | |
| Inbusschraube M5x6 Cm6/d13/u.a. Till 2.1986 | ||||
| 21 | 962782 | 1.04 | 1.23 | |
| Getriebedeckel | ||||
| 22A | 337079 | 20.76 | 24.71 | |
| Puffer C6u-c9u/c6bu/c7bu/fc6sb/ C6dd | ||||
| 23 | 961729 | 1.05 | 1.25 | |
| Senkkopfschraube M6x20 (10st) | ||||
| 24 | 949794 | 1.65 | 1.96 | |
| Hitachi Schild Nc40g, C8fse | ||||
| 25 | 328922 | 1.95 | 2.32 | |
| Hitachi Schild Nc40g, C8fse | ||||
| 25A | 328922 | 1.95 | 2.32 | |
| Kopfschraube M4x12 M.u-scheibe (schwarz), C 8fshe | ||||
| 26 | 935196 | 1.04 | 1.23 | |
| Keine Informationen verfügbar, nicht bestellbar | ||||
| 27 | 997247 | |||
| Gummimuffe, C8fshe, C8fse | ||||
| 28 | 331006 | 1.95 | 2.32 | |
| Lagerbuchse | ||||
| 29 | 322089 | 4.80 | 5.71 | |
| Kugellager 608 Vvm, C8fshe, Cm5sb, C8fse, H41mb | ||||
| 30 | 608VVM | 5.70 | 6.78 | |
| Staubdichtung G12s2/g12sa2/g13sd/ G13sb2/g12sa2, | ||||
| 31 | 315877 | 1.05 | 1.25 | |
| Kohlenhalterklemme Dh28y u.a. H30pv/vb16y/dh30pc/ | ||||
| 32 | 930703 | 2.40 | 2.86 | |
| Stator 220v-230v H90sa Includ.103 Für Nzl,saf | ||||
| 33 | 340762E | 51.84 | 61.69 | |
| VELD 110 VOLT | ||||
| 33 | 340762G | 30.20 | 35.94 | |
| Schneidschraube D5x55 | ||||
| 34 | 953174 | 1.04 | 1.23 | |
| Luftleitfaden | ||||
| 35 | 330971 | 3.45 | 4.11 | |
| Anker 230v | ||||
| 36 | 360882E | 94.46 | 112.41 | |
| Sperre | ||||
| 37 | 330976 | 2.10 | 2.50 | |
| Kopfschraube M5x16 M.u.scheibe | ||||
| 38 | 990541 | 1.05 | 1.25 | |
| Feder (a) Dh18vb | ||||
| 39 | 330982 | 1.05 | 1.25 | |
| Kugellager 6000 Vv, Cm9by, C8fse, G23ss | ||||
| 40 | 6000VV | 6.15 | 7.32 | |
| Knopf | ||||
| 41 | 324660 | 4.35 | 5.18 | |
| O-ring (p-7) C6u-c9u/c6bu/c7bu/ C6dd/fc6sb | ||||
| 42 | 676531 | 1.04 | 1.23 | |
| Hülse | ||||
| 43 | 319830 | 2.10 | 2.50 | |
| Schalter | ||||
| 44 | 963756Z | 13.20 | 15.71 | |
| Schalter | ||||
| 44 | 302470 | 10.95 | 13.03 | |
| Griffabdeckung | ||||
| 45 | 330969 | 8.40 | 10.00 | |
| Kabelschuh M4.0 (10st) G23ss | ||||
| 46 | 930804 | 3.00 | 3.57 | |
| Kondensator C6u-c13u u.a., C 8fshe | ||||
| 47 | 930039 | 1.95 | 2.32 | |
| Kanalhülse für Kabel (d) Div.typen, Cm9uby, G23ss | ||||
| 48 | 981373 | 1.05 | 1.25 | |
| Kanalhülse für Kabel (d) Div.typen, Cm9uby, G23ss | ||||
| 49 | 981373 | 1.05 | 1.25 | |
| Kabelklemme Div.typen, C8fshe, Cm5sb, C8fse | ||||
| 50 | 937631 | 1.04 | 1.23 | |
| Keine Informationen verfügbar, nicht bestellbar | ||||
| 51 | 984750 | |||
| Kabelknickschutz D8.8 Div.typen, Cm5sb | ||||
| 52 | 380090 | 1.04 | 1.24 | |
| Kabelknickschutz D10.1 Div.typen, C8fshe, C8fse | ||||
| 52 | 938051 | 1.04 | 1.23 | |
| Kabel G13va (cord Armor D8.8) For Gbr (110v) | ||||
| 53 | 500461Z | 17.88 | 21.27 | |
| SNOER 2.5M 2 X 1.0 H05VV-F W/PLUG 13A/250V (OLD 50 | ||||
| 53 | 500423Z | 12.87 | 15.32 | |
| SNOER 10.7 (USE 714500=2X1 5M) | ||||
| 53 | 500247Z | 6.18 | 7.35 | |
| Schneidschraube D4x20 Mit Flansch (schwarz), C8fs | ||||
| 55 | 301653 | 1.04 | 1.23 | |
| Gehäuse | ||||
| 56 | 330995 | 26.60 | 31.65 | |
| Maschinenschraube M5x40, C8fse | ||||
| 57 | 322123 | 1.65 | 1.96 | |
| Inbusstiftschraube M5x8, C8fshe, C8fse, H41mb,g23 | ||||
| 58 | 938477 | 1.05 | 1.25 | |
| Buerstenhalter (2) | ||||
| 59 | 957051 | 5.25 | 6.25 | |
| Kohlenbürsten (paar) H41mb | ||||
| 60 | 999043 | 4.50 | 5.36 | |
| Bürstenkappe H41sa/h45ma/vb13y Vb16y/h45mr/dh40mr | ||||
| 61 | 935829 | 1.05 | 1.25 | |
| Verschlussschraube C7mfa | ||||
| 62 | 322260 | 1.50 | 1.78 | |
| Verriegelungshebel | ||||
| 63 | 322600 | 3.15 | 3.75 | |
| Befestigungsmutter | ||||
| 64 | 328048 | 1.05 | 1.25 | |
| Unterlegscheibe | ||||
| 65 | 320975 | 1.05 | 1.25 | |
| Mutter M5 | ||||
| 66 | 308387 | 1.05 | 1.25 | |
| NYLON MOER M5 | ||||
| 66A | 377291 | 1.00 | 1.19 | |
| Maschinenschraube M4 | ||||
| 67 | 331003 | 1.95 | 2.32 | |
| Klammer | ||||
| 68 | 324659 | 1.95 | 2.32 | |
| Inbusschraube C8fshe | ||||
| 69 | 319541 | 1.50 | 1.78 | |
| Skalenplatte C6bu/c7bu/c6dd/ Fc6sb | ||||
| 70 | 330975 | 3.15 | 3.75 | |
| Stift D6x13 | ||||
| 71 | 320163 | 1.50 | 1.78 | |
| Mutter | ||||
| 72 | 942808 | 1.05 | 1.25 | |
| Justierschraube | ||||
| 73 | 322096 | 1.95 | 2.32 | |
| Schraube M6 | ||||
| 74A | 337081 | 1.04 | 1.23 | |
| Diagonal-schraube M8 C8u/c9u/c6dd | ||||
| 75 | 303800 | 2.55 | 3.03 | |
| Unterlegscheibe M6 (10st), C 8fshe, C8fse, Cg18dl | ||||
| 76 | 949432 | 1.05 | 1.25 | |
| Bolzen (h) M6x10 Sui,saf | ||||
| 77 | 331513 | 1.05 | 1.25 | |
| Spaltkeil | ||||
| 78 | 331016 | 3.15 | 3.75 | |
| Bolzen M6x10 Sui | ||||
| 79 | 331004 | 5.55 | 6.60 | |
| Hebel | ||||
| 80 | 330972 | 1.95 | 2.32 | |
| Feder (b) | ||||
| 81 | 330983 | 1.05 | 1.25 | |
| Flügelbolzen Dh38ms | ||||
| 82 | 307947 | 1.35 | 1.61 | |
| Maschinenschraube M5x12 Schwarz | ||||
| 83 | 331761 | 1.65 | 1.96 | |
| Führungsschienenadapter Sui | ||||
| 84 | 330968 | 8.33 | 9.91 | |
| Führungsschienenplatte Sui | ||||
| 85 | 330978 | 4.20 | 5.00 | |
| Keine Informationen verfügbar, nicht bestellbar | ||||
| 86 | 330979 | |||
| Stiftschraube M6x6 Selbstsich. | ||||
| 87 | 302469 | 1.05 | 1.25 | |
| Keine Informationen verfügbar, nicht bestellbar | ||||
| 88 | 330980 | |||
| Grundplatte | ||||
| 89A | 337083 | 35.75 | 42.54 | |
| Unterlegscheibe M6 (10st), C8fse | ||||
| 90 | 949425 | 1.05 | 1.25 | |
| Flügelschraube M6x17 | ||||
| 91 | 302459 | 1.05 | 1.25 | |
| Bolzen M6x10 Sui | ||||
| 92 | 331004 | 5.55 | 6.60 | |
| Hebel | ||||
| 93 | 330972 | 1.95 | 2.32 | |
| Feder (b) | ||||
| 94 | 330983 | 1.05 | 1.25 | |
| Führungsschiene | ||||
| 95 | 331762 | 14.65 | 17.43 | |
| Anschlussklemme | ||||
| 96 | 980063 | 1.04 | 1.23 | |
| Maschinenschraube (mit unterlegscheibe) M3.5x6 | ||||
| 97 | 305499 | 1.05 | 1.25 | |
| Zahnradgehäuse + Grundplatte | ||||
| 98 | 337085 | 57.34 | 68.23 | |
| Keine Informationen verfügbar, nicht bestellbar | ||||
| 501 | 990666 | |||
| Keine Informationen verfügbar, nicht bestellbar | ||||
| 502 | 940543 | |||
| Keine Informationen verfügbar, nicht bestellbar | ||||
| 503 | 302756 | |||
| Keine Informationen verfügbar, nicht bestellbar | ||||
| 504 | 331498 | |||
| Keine Informationen verfügbar, nicht bestellbar | ||||
| 506 | 337528 | |||
| Keine Informationen verfügbar, nicht bestellbar | ||||
| 507 | 336472 | |||
| Keine Informationen verfügbar, nicht bestellbar | ||||
| 508 | 336473 | |||
| Keine Informationen verfügbar, nicht bestellbar | ||||
| 509 | 336474 | |||
| Keine Informationen verfügbar, nicht bestellbar | ||||
| 510 | 337658 | |||