Hier finden Sie alle verfügbaren Teile und Zeichnungen der 'Hikoki CB18DBL'. Von hier aus können Sie alle gewünschten Teile direkt bestellen. Viele Teile müssen je nach Marke beim Hersteller bestellt werden, dies dauert ein bis vier Wochen. Alle Informationen, die wir haben, befinden sich auf unserer Website. Wir können Sie nicht beraten, was Sie benötigen. Dazu müssen Sie die Maschine zur Reparatur zurücksenden. Bitte beachten Sie bei der Bestellung Folgendes:
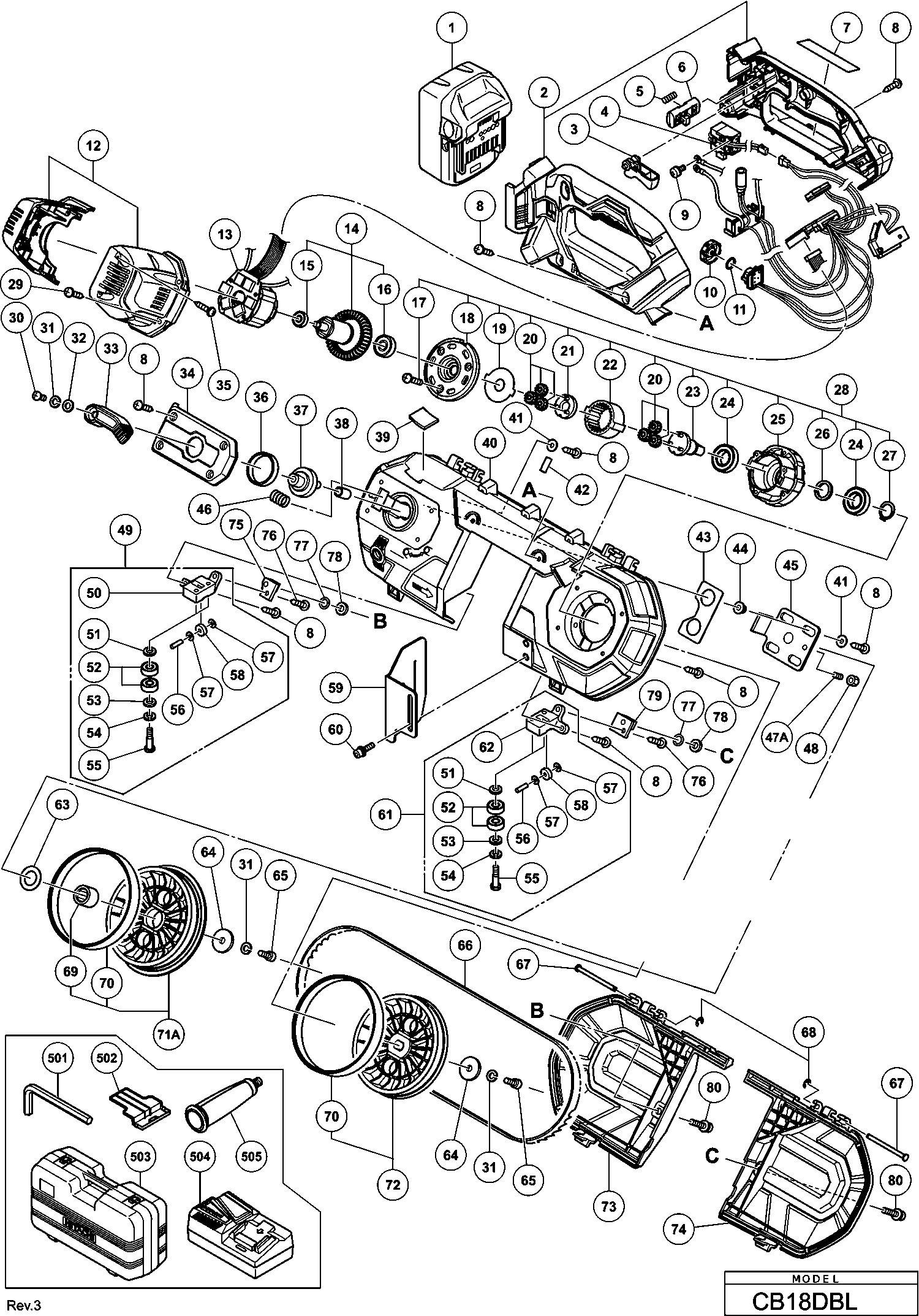
Zeichnungen der Hikoki CB18DBL
Teileliste der Hikoki CB18DBL
| Pos. | Beschreibung | Preis ohne MwSt | Preis inkl. MwSt | |
| Die angegebenen Preise enthalten die Mehrwertsteuer | ||||
| Klingenrollendeckel (b) | ||||
| *73 | 339370 | 5.40 | 6.43 | |
| Klingenrollendeckel (a) | ||||
| *74 | 339369 | 5.40 | 6.43 | |
| Keine Informationen verfügbar, nicht bestellbar | ||||
| 1 | 336385 | |||
| Griff | ||||
| 2 | 338953 | 21.45 | 25.53 | |
| Griff | ||||
| 2A | 338953 | 21.45 | 25.53 | |
| Schaltgriff | ||||
| 3 | 338899 | 1.04 | 1.23 | |
| Keine Informationen verfügbar, nicht bestellbar | ||||
| 4 | 338900 | |||
| Schalter (1) | ||||
| 4A | 371322 | 12.30 | 14.64 | |
| Feder | ||||
| 5 | 336650 | 1.05 | 1.25 | |
| Knopf | ||||
| 6 | 339247 | 1.04 | 1.23 | |
| Keine Informationen verfügbar, nicht bestellbar | ||||
| 8 | 307811 | |||
| Kopfschraube M.u-scheibe M3,5x6 | ||||
| 9 | 307887 | 1.04 | 1.23 | |
| Zifferblatt | ||||
| 10 | 337397 | 1.50 | 1.78 | |
| O-ring (s-10) D6sh | ||||
| 11 | 987105 | 1.05 | 1.25 | |
| Keine Informationen verfügbar, nicht bestellbar | ||||
| 12 | 338951 | |||
| Feld | ||||
| 13 | 340922 | 153.18 | 182.28 | |
| Rotorkronenradsatz Inkl.15,16 | ||||
| 14 | 361012 | 54.73 | 65.12 | |
| Kugellager 625dd | ||||
| 15 | 333826 | 5.10 | 6.07 | |
| Kugellager 608vv | ||||
| 16 | 333945 | 1.80 | 2.14 | |
| Keine Informationen verfügbar, nicht bestellbar | ||||
| 17 | 339251 | |||
| Getriebeabdeckung | ||||
| 18 | 339128 | 2.85 | 3.39 | |
| Keine Informationen verfügbar, nicht bestellbar | ||||
| 19 | 339133 | |||
| Keine Informationen verfügbar, nicht bestellbar | ||||
| 20 | 339249 | |||
| Keine Informationen verfügbar, nicht bestellbar | ||||
| 21 | 339132 | |||
| Keine Informationen verfügbar, nicht bestellbar | ||||
| 22 | 339131 | |||
| Keine Informationen verfügbar, nicht bestellbar | ||||
| 23 | 339129 | |||
| Keine Informationen verfügbar, nicht bestellbar | ||||
| 24 | 6902VV | |||
| Getriebegehaeuse | ||||
| 25 | 339127 | 4.95 | 5.89 | |
| Keine Informationen verfügbar, nicht bestellbar | ||||
| 26 | 339130 | |||
| Sicherungsring D15 (10st) | ||||
| 27 | 939544 | 2.13 | 2.53 | |
| Getriebe Set | ||||
| 28 | 339126 | 57.20 | 68.07 | |
| Gewindeschraube (mit Flansch) D4x20 | ||||
| 29 | 339250 | 1.04 | 1.23 | |
| Schneidschraube G14dmr | ||||
| 29A | 328643 | 1.05 | 1.25 | |
| Maschinenschraube M6x16 (10 St), C8fshe | ||||
| 30 | 949256 | 1.35 | 1.61 | |
| Federscheibe M6 (10st), C8fshe, C8fse, Cg18dal, C | ||||
| 31 | 949455 | 1.05 | 1.25 | |
| Unterlegscheibe M6 (10st), C 8fshe, C8fse, Cg18dl | ||||
| 32 | 949432 | 1.05 | 1.25 | |
| Spannhebel (1) | ||||
| 33 | 338965 | 1.04 | 1.23 | |
| Keine Informationen verfügbar, nicht bestellbar | ||||
| 34 | 338961 | |||
| Gewindeschneidende Schraube (mit Flansch) D3x20 | ||||
| 35 | 332929 | 1.80 | 2.14 | |
| Ring | ||||
| 36 | 338963 | 3.60 | 4.28 | |
| Hebelwelle | ||||
| 37 | 338962 | 10.05 | 11.96 | |
| Keine Informationen verfügbar, nicht bestellbar | ||||
| 38 | 338964 | |||
| Keine Informationen verfügbar, nicht bestellbar | ||||
| 39 | 339248 | |||
| Keine Informationen verfügbar, nicht bestellbar | ||||
| 39A | 339495 | |||
| Rahmen | ||||
| 40 | 338950 | 21.31 | 25.36 | |
| Scheibe (b) Ds9dva/ds12dva/ds14dv Ds14dva/ds14dvb | ||||
| 41 | 338971 | 1.04 | 1.23 | |
| Lagerstift | ||||
| 42 | 338978 | 1.04 | 1.23 | |
| Schutzplatte | ||||
| 43 | 338970 | 1.04 | 1.23 | |
| Keine Informationen verfügbar, nicht bestellbar | ||||
| 44 | 338968 | |||
| Schiebeplatte | ||||
| 45 | 338969 | 8.55 | 10.17 | |
| Zugfeder | ||||
| 46 | 338967 | 1.20 | 1.43 | |
| Seal Lock Hex. Steckschlüssel Schraubsatz M5x12 | ||||
| 47A | 339604 | 1.04 | 1.23 | |
| Sicherungsmutter M5 (10st) | ||||
| 48 | 949566 | 1.04 | 1.23 | |
| Lagerhalter (b) Ass'y Inkl.50-58 | ||||
| 49 | 338974 | 13.05 | 15.53 | |
| Keine Informationen verfügbar, nicht bestellbar | ||||
| 50 | 338976 | |||
| Unterlegscheibe M5 (10st) | ||||
| 51 | 949424 | 1.05 | 1.25 | |
| Kugellager 606zzm, C8fse | ||||
| 52 | 606ZZM | 15.40 | 18.33 | |
| Unterlegscheibe M6 (10st), C 8fshe, C8fse, Cg18dl | ||||
| 53 | 949432 | 1.05 | 1.25 | |
| Federscheibe M6 (10st), C8fshe, C8fse, Cg18dal, C | ||||
| 54 | 949455 | 1.05 | 1.25 | |
| Lagerbolzen (b) | ||||
| 55 | 322681 | 1.20 | 1.43 | |
| Lagerbolzen | ||||
| 56 | 322680 | 1.20 | 1.43 | |
| Bolzenscheibe M4 (schwarz) für 220v-240v | ||||
| 57 | 323210 | 1.05 | 1.25 | |
| Rolle 604vv | ||||
| 58 | 323043 | 3.15 | 3.75 | |
| Führungshalter | ||||
| 59 | 338977 | 5.55 | 6.60 | |
| Imbusschraube M5x16 Cg18dl | ||||
| 60 | 996728 | 1.05 | 1.25 | |
| Lagerhalter (a) Ass'y Inkl.51-58,62 | ||||
| 61 | 338973 | 13.05 | 15.53 | |
| Lagerhalter (a) | ||||
| 62 | 338975 | 2.55 | 3.03 | |
| Flache Unterlegscheibe | ||||
| 63 | 338972 | 1.04 | 1.23 | |
| UNTERLEGSCHEIBE (A) | ||||
| 64 | 338960 | 1.04 | 1.23 | |
| Inbusschraube M6x16 (10st), Nr90aa | ||||
| 65 | 949755 | 3.00 | 3.57 | |
| Keine Informationen verfügbar, nicht bestellbar | ||||
| 66 | 338431 | |||
| Stift D4 | ||||
| 67 | 339134 | 1.05 | 1.25 | |
| Sicherungsring (e-typ) D3 Till 6.1998 | ||||
| 68 | 872971 | 1.05 | 1.25 | |
| Nadellager | ||||
| 69 | 338957 | 1.50 | 1.78 | |
| Klingenriemenscheibe Gummi | ||||
| 70 | 338959 | 1.35 | 1.61 | |
| Blattscheibe (b) Montage einschließlich 69,70 | ||||
| 71A | 370037 | 17.46 | 20.78 | |
| Klingenriemenscheibe (a) Ass'y inkludiert.70 | ||||
| 72 | 338955 | 14.85 | 17.67 | |
| Klingenrollendeckel (b) | ||||
| 73 | 339370 | 5.40 | 6.43 | |
| Klingenrollendeckel (a) | ||||
| 74 | 339369 | 5.40 | 6.43 | |
| Deckelhalter (b) | ||||
| 75 | 339372 | 5.40 | 6.43 | |
| Gewindeschraube (mit Flansch) D4x20 | ||||
| 76 | 339250 | 1.04 | 1.23 | |
| O-RING (S-4) | ||||
| 77 | 981317 | 1.05 | 1.25 | |
| Unterlegscheibe M5 (10st) | ||||
| 78 | 949424 | 1.05 | 1.25 | |
| Keine Informationen verfügbar, nicht bestellbar | ||||
| 79 | 339371 | |||
| Imbusschraube M5x16 Cg18dl | ||||
| 80 | 996728 | 1.05 | 1.25 | |
| Keine Informationen verfügbar, nicht bestellbar | ||||
| 501 | 944458 | |||
| Abdeckkappe für Batterie | ||||
| 502 | 329897 | 1.80 | 2.14 | |
| Keine Informationen verfügbar, nicht bestellbar | ||||
| 503 | 338954 | |||
| Keine Informationen verfügbar, nicht bestellbar | ||||
| 505 | 981828 | |||
| Keine Informationen verfügbar, nicht bestellbar | ||||
| 601 | 338430 | |||