Hier finden Sie alle verfügbaren Teile und Zeichnungen der 'Hikoki CB75F'. Von hier aus können Sie alle gewünschten Teile direkt bestellen. Viele Teile müssen je nach Marke beim Hersteller bestellt werden, dies dauert ein bis vier Wochen. Alle Informationen, die wir haben, befinden sich auf unserer Website. Wir können Sie nicht beraten, was Sie benötigen. Dazu müssen Sie die Maschine zur Reparatur zurücksenden. Bitte beachten Sie bei der Bestellung Folgendes:
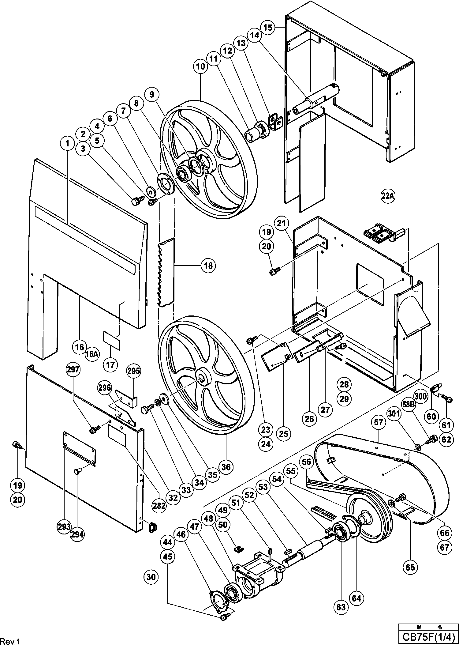
Zeichnungen der Hikoki CB75F
Teileliste der Hikoki CB75F
| Pos. | Beschreibung | Preis ohne MwSt | Preis inkl. MwSt | |
| Die angegebenen Preise enthalten die Mehrwertsteuer | ||||
| Keine Informationen verfügbar, nicht bestellbar | ||||
| *142 | 977782 | |||
| Keine Informationen verfügbar, nicht bestellbar | ||||
| *266 | 968914F | |||
| Keine Informationen verfügbar, nicht bestellbar | ||||
| *56 | 977879 | |||
| Keine Informationen verfügbar, nicht bestellbar | ||||
| *57 | 977707 | |||
| Keine Informationen verfügbar, nicht bestellbar | ||||
| 1 | 977693 | |||
| Keine Informationen verfügbar, nicht bestellbar | ||||
| 2 | 949758 | |||
| Federring M12 (10st) | ||||
| 3 | 949463 | 1.65 | 1.96 | |
| Maschinenschraube M5X16 (10 Stücke) | ||||
| 4 | 949239 | 1.05 | 1.25 | |
| Federscheibe M5 (10st), C8fshe, C8fse | ||||
| 5 | 949454 | 1.04 | 1.23 | |
| Keine Informationen verfügbar, nicht bestellbar | ||||
| 6 | 967138 | |||
| Keine Informationen verfügbar, nicht bestellbar | ||||
| 7 | 948528 | |||
| Kugellager 6206vvcmps2s | ||||
| 8 | 6206VV | 14.40 | 17.14 | |
| Keine Informationen verfügbar, nicht bestellbar | ||||
| 9 | 977717 | |||
| SAW WHEEL (B) | ||||
| 10 | 977858 | 356.02 | 423.66 | |
| Keine Informationen verfügbar, nicht bestellbar | ||||
| 11 | 967959 | |||
| Kugellager 6206vvcmps2s | ||||
| 12 | 6206VV | 14.40 | 17.14 | |
| Keine Informationen verfügbar, nicht bestellbar | ||||
| 13 | 967673 | |||
| Säge Welle (b) | ||||
| 14 | 977716 | 16.36 | 19.47 | |
| Keine Informationen verfügbar, nicht bestellbar | ||||
| 15 | 977690 | |||
| Keine Informationen verfügbar, nicht bestellbar | ||||
| 16 | 977691 | |||
| Keine Informationen verfügbar, nicht bestellbar | ||||
| 17 | 977869 | |||
| Keine Informationen verfügbar, nicht bestellbar | ||||
| 18 | 939971 | |||
| Kopfschraube M5x10 (10st), G23ss For Irl | ||||
| 19 | 949236 | 1.05 | 1.25 | |
| Federscheibe M5 (10st), C8fshe, C8fse | ||||
| 20 | 949454 | 1.04 | 1.23 | |
| Keine Informationen verfügbar, nicht bestellbar | ||||
| 21 | 977745 | |||
| Stabilisatorbasis (a) | ||||
| 22A | 320748 | 26.13 | 31.09 | |
| Kopfschraube M5x10 (10st), G23ss For Irl | ||||
| 23 | 949236 | 1.05 | 1.25 | |
| Federscheibe M5 (10st), C8fshe, C8fse | ||||
| 24 | 949454 | 1.04 | 1.23 | |
| Keine Informationen verfügbar, nicht bestellbar | ||||
| 25 | 977731 | |||
| SAW DUST THROWER | ||||
| 26 | 977733 | 2.94 | 3.50 | |
| SAW DUST PLATE | ||||
| 27 | 977734 | 1.86 | 2.21 | |
| Maschinenschraube M5X16 (10 Stücke) | ||||
| 28 | 949239 | 1.05 | 1.25 | |
| Federscheibe M5 (10st), C8fshe, C8fse | ||||
| 29 | 949454 | 1.04 | 1.23 | |
| Keine Informationen verfügbar, nicht bestellbar | ||||
| 30 | 975933 | |||
| Keine Informationen verfügbar, nicht bestellbar | ||||
| 32 | 977746 | |||
| Schraube (f) Cb75f | ||||
| 33 | 955797 | 2.55 | 3.03 | |
| Federring M12 (10st) | ||||
| 34 | 949463 | 1.65 | 1.96 | |
| Keine Informationen verfügbar, nicht bestellbar | ||||
| 35 | 967138 | |||
| SAW WHEEL (A) | ||||
| 36 | 977700 | 356.02 | 423.66 | |
| Maschinenschraube M5X16 (10 Stücke) | ||||
| 44 | 949239 | 1.05 | 1.25 | |
| Federscheibe M5 (10st), C8fshe, C8fse | ||||
| 45 | 949454 | 1.04 | 1.23 | |
| Keine Informationen verfügbar, nicht bestellbar | ||||
| 46 | 948506 | |||
| Kugellager 6306vvcmps2s | ||||
| 47 | 6306VV | 18.70 | 22.25 | |
| Keine Informationen verfügbar, nicht bestellbar | ||||
| 48 | 977697 | |||
| Gleitschiene F.drehtisch C8fc | ||||
| 49 | 966511 | 1.05 | 1.25 | |
| Gleitschiene F.drehtisch C8fc | ||||
| 50 | 966512 | 1.05 | 1.25 | |
| ROL PIN D5X20 (10 STUKS) | ||||
| 51 | 949753 | 1.86 | 2.21 | |
| Keine Informationen verfügbar, nicht bestellbar | ||||
| 52 | 967174 | |||
| Säge Welle (a) | ||||
| 53 | 977698 | 20.90 | 24.87 | |
| Keine Informationen verfügbar, nicht bestellbar | ||||
| 54 | 967174 | |||
| Keine Informationen verfügbar, nicht bestellbar | ||||
| 55 | 967972 | |||
| Keine Informationen verfügbar, nicht bestellbar | ||||
| 56 | 977879 | |||
| Keine Informationen verfügbar, nicht bestellbar | ||||
| 57 | 977752 | |||
| Schraube M8x15 (10st) | ||||
| 58B | 949622 | 1.80 | 2.14 | |
| Keine Informationen verfügbar, nicht bestellbar | ||||
| 60 | 977692 | |||
| Maschinenschraube M3x10 (10 Stücke) | ||||
| 61 | 949204 | 1.04 | 1.23 | |
| Federscheibe M3 (10st) Cr 10dl Since 9.2012 For E | ||||
| 62 | 949451 | 1.05 | 1.25 | |
| Kugellager 6305 Vv | ||||
| 63 | 6305VV | 13.89 | 16.53 | |
| Keine Informationen verfügbar, nicht bestellbar | ||||
| 64 | 948528 | |||
| SPECIAL WASHER M12 | ||||
| 65 | 974608 | 1.00 | 1.19 | |
| Keine Informationen verfügbar, nicht bestellbar | ||||
| 66 | 949758 | |||
| Federring M12 (10st) | ||||
| 67 | 949463 | 1.65 | 1.96 | |
| Maschinenschraube M5X16 (10 Stücke) | ||||
| 68 | 949239 | 1.05 | 1.25 | |
| Federscheibe M5 (10st), C8fshe, C8fse | ||||
| 69 | 949454 | 1.04 | 1.23 | |
| Unterlegscheibe M6 (10st), C 8fshe, C8fse, Cg18dl | ||||
| 70A | 949432 | 1.05 | 1.25 | |
| Keine Informationen verfügbar, nicht bestellbar | ||||
| 71 | 977877 | |||
| Keine Informationen verfügbar, nicht bestellbar | ||||
| 72 | 968636 | |||
| Hebel | ||||
| 72A | 932344 | 1.35 | 1.61 | |
| Keine Informationen verfügbar, nicht bestellbar | ||||
| 72B | 944772 | |||
| Nicht mehr lieferbar, kein Ersatz | ||||
| 73B | 318658 | |||
| Senkkopfschraube M5x10 (10st) | ||||
| 74 | 949331 | 1.05 | 1.25 | |
| Keine Informationen verfügbar, nicht bestellbar | ||||
| 75 | 977737 | |||
| Keine Informationen verfügbar, nicht bestellbar | ||||
| 76 | 977856 | |||
| Keine Informationen verfügbar, nicht bestellbar | ||||
| 77 | 973567 | |||
| Unterlegscheibe M8 (10st), C8fshe, C8fse | ||||
| 79 | 949433 | 1.05 | 1.25 | |
| Keine Informationen verfügbar, nicht bestellbar | ||||
| 80A | 977713 | |||
| Rollstift D5x25 (10st) | ||||
| 81 | 949681 | 3.60 | 4.28 | |
| Keine Informationen verfügbar, nicht bestellbar | ||||
| 82A | 319114 | |||
| Gleitrahmen Cb75f | ||||
| 83 | 977710 | 124.85 | 148.57 | |
| Unterlegscheibe M12 (10st) Cb75f, C8fse | ||||
| 84 | 949437 | 1.95 | 2.32 | |
| Keine Informationen verfügbar, nicht bestellbar | ||||
| 85 | 968331 | |||
| Niete D 2,5 X 4,8 (10st) Three-phase | ||||
| 87 | 949510 | 1.04 | 1.23 | |
| Keine Informationen verfügbar, nicht bestellbar | ||||
| 88 | 977871 | |||
| Begrenzer Cb75f | ||||
| 89 | 977860 | 6.30 | 7.50 | |
| Keine Informationen verfügbar, nicht bestellbar | ||||
| 90 | 973681 | |||
| TRUST BEARING (51100) | ||||
| 91 | 977712 | 6.78 | 8.07 | |
| Keine Informationen verfügbar, nicht bestellbar | ||||
| 93 | 977718 | |||
| GAUGE | ||||
| 94 | 977714 | 1.00 | 1.19 | |
| TENSION RING | ||||
| 95 | 967665 | 7.62 | 9.07 | |
| ROL PIN D5X20 (10 STUKS) | ||||
| 96 | 949753 | 1.86 | 2.21 | |
| Maschinenschraube M6x16 (10 St), C8fshe | ||||
| 97 | 949256 | 1.35 | 1.61 | |
| Maschinenschraube M5X16 (10 Stücke) | ||||
| 98 | 949239 | 1.05 | 1.25 | |
| Federscheibe M5 (10st), C8fshe, C8fse | ||||
| 99 | 949454 | 1.04 | 1.23 | |
| Unterlegscheibe M5 (10st) | ||||
| 100 | 949431 | 1.04 | 1.23 | |
| KNOB MARK | ||||
| 101 | 977870 | 1.00 | 1.19 | |
| Keine Informationen verfügbar, nicht bestellbar | ||||
| 102 | 977721 | |||
| ROL PIN D4X25 (10 STUKS) | ||||
| 103 | 949548 | 1.98 | 2.36 | |
| Keine Informationen verfügbar, nicht bestellbar | ||||
| 104A | 320419 | |||
| SPRING (A) | ||||
| 105 | 977720 | 1.50 | 1.78 | |
| Keine Informationen verfügbar, nicht bestellbar | ||||
| 106 | 968959 | |||
| Mutter M6 (10st) Cg18dl For Europe (sl),usa,can | ||||
| 107 | 949556 | 1.05 | 1.25 | |
| Keine Informationen verfügbar, nicht bestellbar | ||||
| 108A | 977753 | |||
| Inbusschraube M8x25 (10st) G23ss | ||||
| 109 | 949760 | 5.55 | 6.60 | |
| Federscheibe M8 (10st), C8fshe, Cm9by, C8fse | ||||
| 110 | 949457 | 1.05 | 1.25 | |
| INBUSSCHROEF M5X12 | ||||
| 111 | 966292 | 1.00 | 1.19 | |
| Keine Informationen verfügbar, nicht bestellbar | ||||
| 112 | 967671 | |||
| DUSTER (B) | ||||
| 113 | 977740 | 10.86 | 12.92 | |
| Schutzdeckel Cb75f | ||||
| 114 | 977727 | 24.61 | 29.29 | |
| Maschinenschraube M6x16 (10 St), C8fshe | ||||
| 115 | 949256 | 1.35 | 1.61 | |
| Federscheibe M6 (10st), C8fshe, C8fse, Cg18dal, C | ||||
| 116 | 949455 | 1.05 | 1.25 | |
| Keine Informationen verfügbar, nicht bestellbar | ||||
| 117 | 977867 | |||
| Mutter M4 (10 Stück) | ||||
| 118 | 949554 | 1.05 | 1.25 | |
| Keine Informationen verfügbar, nicht bestellbar | ||||
| 119 | 967579 | |||
| Kopfschraube M4x10 M.u-scheibe For Usa | ||||
| 120 | 986662 | 1.05 | 1.25 | |
| Kopfschraube M5x10 (10st), G23ss For Irl | ||||
| 121 | 949236 | 1.05 | 1.25 | |
| Keine Informationen verfügbar, nicht bestellbar | ||||
| 124 | 975559 | |||
| Keine Informationen verfügbar, nicht bestellbar | ||||
| 125 | 977696 | |||
| Inbusstiftschraube M6x6 C10ra | ||||
| 126 | 967469 | 1.05 | 1.25 | |
| Keine Informationen verfügbar, nicht bestellbar | ||||
| 127 | 967691 | |||
| BOUT M10X30 (10 STUKS) | ||||
| 128 | 949698 | 3.06 | 3.64 | |
| Federscheibe M10 (10st) | ||||
| 129 | 949458 | 1.05 | 1.25 | |
| Kopfschraube M5x10 (10st), G23ss For Irl | ||||
| 130 | 949236 | 1.05 | 1.25 | |
| Federscheibe M5 (10st), C8fshe, C8fse | ||||
| 131 | 949454 | 1.04 | 1.23 | |
| Keine Informationen verfügbar, nicht bestellbar | ||||
| 132 | 977735 | |||
| Unterlegscheibe M5 (10st) | ||||
| 133 | 949431 | 1.04 | 1.23 | |
| Maschinenschraube M5X16 (10 Stücke) | ||||
| 134 | 949239 | 1.05 | 1.25 | |
| Federscheibe M5 (10st), C8fshe, C8fse | ||||
| 135 | 949454 | 1.04 | 1.23 | |
| Mutter M5 (10 Stück) (ALT 949555Z | ||||
| 136 | 949555 | 1.05 | 1.25 | |
| Mutter M10 (selbstsichernd) 10st | ||||
| 137 | 949572 | 2.40 | 2.86 | |
| Keine Informationen verfügbar, nicht bestellbar | ||||
| 138 | 977695 | |||
| Unterlegscheibe M8 (10st), C8fshe, C8fse | ||||
| 139 | 949433 | 1.05 | 1.25 | |
| Schraube M8x25 (10 Stücke) | ||||
| 140 | 949626 | 2.25 | 2.68 | |
| Federscheibe M8 (10st), C8fshe, Cm9by, C8fse | ||||
| 141 | 949457 | 1.05 | 1.25 | |
| Keine Informationen verfügbar, nicht bestellbar | ||||
| 142 | 977866 | |||
| Mutter M8 (10st) | ||||
| 143 | 949558 | 1.05 | 1.25 | |
| Keine Informationen verfügbar, nicht bestellbar | ||||
| 144 | 977694 | |||
| Mutter M10 (selbstsichernd) 10st | ||||
| 145 | 949572 | 2.40 | 2.86 | |
| Bolzen M10x60 | ||||
| 146 | 974638 | 3.30 | 3.93 | |
| Inbusschraube M5x30 (10 Stücke) | ||||
| 147 | 949664 | 3.75 | 4.46 | |
| BOUT M8X20 (10 STUKS) (OUD 949624Z, | ||||
| 148 | 949624 | 1.50 | 1.78 | |
| Federscheibe M8 (10st), C8fshe, Cm9by, C8fse | ||||
| 149 | 949457 | 1.05 | 1.25 | |
| Keine Informationen verfügbar, nicht bestellbar | ||||
| 150 | 973854 | |||
| Federscheibe M5 (10st), C8fshe, C8fse | ||||
| 151 | 949454 | 1.04 | 1.23 | |
| Unterlegscheibe M5 (10st) | ||||
| 152 | 949431 | 1.04 | 1.23 | |
| Keine Informationen verfügbar, nicht bestellbar | ||||
| 153 | 977851 | |||
| Klemmutter M8 (10st) | ||||
| 154 | 949568 | 1.50 | 1.78 | |
| BOUT M8X30 (10 STUKS) | ||||
| 155 | 949628 | 1.62 | 1.93 | |
| Federscheibe M8 (10st), C8fshe, Cm9by, C8fse | ||||
| 156 | 949457 | 1.05 | 1.25 | |
| Stabilisatorwelle | ||||
| 157 | 977723 | 33.14 | 39.43 | |
| KNOB BOLT M8X30 | ||||
| 158 | 977875 | 3.30 | 3.93 | |
| Arm | ||||
| 159 | 977722 | 37.26 | 44.34 | |
| Schraube M8x25 (10 Stücke) | ||||
| 160 | 949626 | 2.25 | 2.68 | |
| Federscheibe M8 (10st), C8fshe, Cm9by, C8fse | ||||
| 161 | 949457 | 1.05 | 1.25 | |
| Ritzel Cb75f | ||||
| 162 | 977724 | 14.25 | 16.96 | |
| Inbusschraube M5x10 C10fca/c8fc | ||||
| 163 | 952384 | 1.04 | 1.23 | |
| Flügelschraube M6x15 (10st) Cb75f | ||||
| 164 | 949402 | 6.00 | 7.14 | |
| Ring | ||||
| 165 | 967329 | 1.05 | 1.25 | |
| Stabilisator Cb75f | ||||
| 166 | 977729 | 10.95 | 13.03 | |
| VLEUGELSCHROEF M8X25 (10 STUKS) | ||||
| 167 | 949413 | 6.54 | 7.78 | |
| SAFETY COVER (B) | ||||
| 168 | 948844 | 4.20 | 5.00 | |
| Flügelschraube M5x6 (10st) | ||||
| 169 | 949395 | 3.90 | 4.64 | |
| BOLT W/WASHER M16 (10PCS) | ||||
| 170 | 949438 | 1.50 | 1.78 | |
| Feder (b) Cb75f | ||||
| 172 | 977853 | 3.30 | 3.93 | |
| IMB.BOUT M10X30HD(OUD 968244,10S) | ||||
| 173 | 949846 | 4.32 | 5.14 | |
| Federscheibe M10 (10st) | ||||
| 174 | 949458 | 1.05 | 1.25 | |
| Unterlegscheibe M10 (10st) | ||||
| 175 | 949434 | 1.35 | 1.61 | |
| Knopf | ||||
| 177 | 978100 | 14.55 | 17.31 | |
| BEARING SHAFT ASS'Y | ||||
| 178B | 978106 | 11.22 | 13.35 | |
| Kugellager 6200 Vv | ||||
| 179 | 6200VV | 6.15 | 7.32 | |
| Kugellager 6300 Vv | ||||
| 179A | 6300VV | 8.25 | 9.82 | |
| VLEUGELSCHROEF M8X30 (10 STUKS) | ||||
| 180 | 949689 | 7.92 | 9.42 | |
| STABLIZER BASE (B) | ||||
| 181 | 977728 | 23.26 | 27.68 | |
| BOLT M10X50 (10PCS) | ||||
| 182 | 949679 | 4.32 | 5.14 | |
| Federscheibe M10 (10st) | ||||
| 183 | 949458 | 1.05 | 1.25 | |
| SAW DUST THROWER | ||||
| 184 | 977733 | 2.94 | 3.50 | |
| Keine Informationen verfügbar, nicht bestellbar | ||||
| 185 | 973237 | |||
| IMB.BOUT M10X30HD(OUD 968244,10S) | ||||
| 187 | 949846 | 4.32 | 5.14 | |
| Federscheibe M10 (10st) | ||||
| 188 | 949458 | 1.05 | 1.25 | |
| Keine Informationen verfügbar, nicht bestellbar | ||||
| 189 | 977758 | |||
| Keine Informationen verfügbar, nicht bestellbar | ||||
| 190 | 977876 | |||
| Keine Informationen verfügbar, nicht bestellbar | ||||
| 191 | 968339 | |||
| Keine Informationen verfügbar, nicht bestellbar | ||||
| 192A | 978905 | |||
| KNOP | ||||
| 193 | 974771 | 4.80 | 5.71 | |
| Rollstift D5x25 (10st) | ||||
| 194 | 949681 | 3.60 | 4.28 | |
| Unterlegscheibe M12 (10st) Cb75f, C8fse | ||||
| 195 | 949437 | 1.95 | 2.32 | |
| Getriebe | ||||
| 196 | 967953 | 4.65 | 5.53 | |
| Mutter M10 (selbstsichernd) 10st | ||||
| 197 | 949572 | 2.40 | 2.86 | |
| Schraube M10x60 (10 Stücke) | ||||
| 198 | 949634 | 5.10 | 6.07 | |
| Senkkopfschraube M5x20 (10st) C18dmr | ||||
| 199 | 949793 | 1.35 | 1.61 | |
| Sägeblatthalter | ||||
| 200 | 977706 | 9.75 | 11.60 | |
| ZAAGBLADHOUDER | ||||
| 201 | 977852 | 14.46 | 17.21 | |
| Keine Informationen verfügbar, nicht bestellbar | ||||
| 208 | 948830 | |||
| Keine Informationen verfügbar, nicht bestellbar | ||||
| 209 | 967976 | |||
| Maschinenschraube M4x10 (10 Stück) (ALT 949216Z) | ||||
| 210 | 949216 | 1.05 | 1.25 | |
| Federscheibe M4 (10st) | ||||
| 211 | 949453 | 1.05 | 1.25 | |
| Unterlegschreibe M4 (10st), C8fshe, C8fse | ||||
| 212 | 949429 | 1.05 | 1.25 | |
| Verbinder 50092 (10st) Div.typen (usa, Can), C8fs | ||||
| 213 | 959141 | 3.75 | 4.46 | |
| Verbinder 50092 (10st) Div.typen (usa, Can), C8fs | ||||
| 213S | 959141 | 3.75 | 4.46 | |
| Keine Informationen verfügbar, nicht bestellbar | ||||
| 214A | 319501 | |||
| Keine Informationen verfügbar, nicht bestellbar | ||||
| 215 | 965378 | |||
| Maschinenschraube M6x16 (10 St), C8fshe | ||||
| 216 | 949256 | 1.35 | 1.61 | |
| Federscheibe M6 (10st), C8fshe, C8fse, Cg18dal, C | ||||
| 217 | 949455 | 1.05 | 1.25 | |
| Kopfschraube M5x10 (10st), G23ss For Irl | ||||
| 218 | 949236 | 1.05 | 1.25 | |
| Federscheibe M5 (10st), C8fshe, C8fse | ||||
| 219 | 949454 | 1.04 | 1.23 | |
| Keine Informationen verfügbar, nicht bestellbar | ||||
| 220 | 974244 | |||
| Unterlegscheibe M8 (10st), C8fshe, C8fse | ||||
| 221 | 949433 | 1.05 | 1.25 | |
| Federscheibe M8 (10st), C8fshe, Cm9by, C8fse | ||||
| 222 | 949457 | 1.05 | 1.25 | |
| Keine Informationen verfügbar, nicht bestellbar | ||||
| 223 | 967594 | |||
| Keine Informationen verfügbar, nicht bestellbar | ||||
| 224 | 948831 | |||
| Keine Informationen verfügbar, nicht bestellbar | ||||
| 225 | 977701 | |||
| Scharnier seit 10.2012 für Europa | ||||
| 226 | 977850 | 17.60 | 20.94 | |
| TABLE NUT | ||||
| 227 | 977704 | 4.32 | 5.14 | |
| Unterlegscheibe M8 (10st), C8fshe, C8fse | ||||
| 228 | 949433 | 1.05 | 1.25 | |
| BOUT M8X30 (10 STUKS) | ||||
| 229 | 949628 | 1.62 | 1.93 | |
| Federscheibe M8 (10st), C8fshe, Cm9by, C8fse | ||||
| 230 | 949457 | 1.05 | 1.25 | |
| Tisch Welle | ||||
| 231 | 977703 | 9.30 | 11.07 | |
| Keine Informationen verfügbar, nicht bestellbar | ||||
| 232 | 934368 | |||
| BOUT M8X20 (10 STUKS) (OUD 949624Z, | ||||
| 233 | 949624 | 1.50 | 1.78 | |
| Federscheibe M8 (10st), C8fshe, Cm9by, C8fse | ||||
| 234 | 949457 | 1.05 | 1.25 | |
| Keine Informationen verfügbar, nicht bestellbar | ||||
| 235 | 948541 | |||
| Neigeplatte | ||||
| 236 | 977705 | 5.40 | 6.43 | |
| Keine Informationen verfügbar, nicht bestellbar | ||||
| 237 | 977751 | |||
| Maschinenschraube M6x8 (10 Stück) | ||||
| 238 | 949253 | 1.35 | 1.61 | |
| Federscheibe M6 (10st), C8fshe, C8fse, Cg18dal, C | ||||
| 239 | 949455 | 1.05 | 1.25 | |
| Maschinenschraube M4x10 (10 Stück) (ALT 949216Z) | ||||
| 240 | 949216 | 1.05 | 1.25 | |
| Keine Informationen verfügbar, nicht bestellbar | ||||
| 241 | 977883 | |||
| Keine Informationen verfügbar, nicht bestellbar | ||||
| 242A | 319501 | |||
| Verbinder 50092 (10st) Div.typen (usa, Can), C8fs | ||||
| 243 | 959141 | 3.75 | 4.46 | |
| Maschinenschraube M6x40 (10 Stück) | ||||
| 244 | 949264 | 2.40 | 2.86 | |
| Federscheibe M6 (10st), C8fshe, C8fse, Cg18dal, C | ||||
| 245 | 949455 | 1.05 | 1.25 | |
| Kopfschraube M4x6 (10st) | ||||
| 246 | 949214 | 1.05 | 1.25 | |
| Federscheibe M4 (10st) | ||||
| 247 | 949453 | 1.05 | 1.25 | |
| GUMMISTIFT (ALT 976441) | ||||
| 249 | 946362 | 1.05 | 1.25 | |
| Kugellager 6202 Dd | ||||
| 250A | 6202DD | 6.75 | 8.03 | |
| Keine Informationen verfügbar, nicht bestellbar | ||||
| 251 | 974727E | |||
| Keine Informationen verfügbar, nicht bestellbar | ||||
| 251A | 974727U | |||
| Keil 4x4x10 H41sa/h90sc u.a. H45mr | ||||
| 253 | 930511 | 2.40 | 2.86 | |
| Keine Informationen verfügbar, nicht bestellbar | ||||
| 254 | 949835 | |||
| Federscheibe M6 (10st), C8fshe, C8fse, Cg18dal, C | ||||
| 255 | 949455 | 1.05 | 1.25 | |
| Inbusschraube M6x25 (10st) | ||||
| 256 | 949652 | 3.30 | 3.93 | |
| Keine Informationen verfügbar, nicht bestellbar | ||||
| 257 | 974723 | |||
| Kugellager 6205 Dd | ||||
| 258A | 6205DD | 10.35 | 12.32 | |
| Keine Informationen verfügbar, nicht bestellbar | ||||
| 259 | 974729 | |||
| Keine Informationen verfügbar, nicht bestellbar | ||||
| 260 | 974722 | |||
| Kugellager 6202 Dd | ||||
| 261A | 6202DD | 6.75 | 8.03 | |
| GUMMISTIFT (ALT 976441) | ||||
| 262 | 946362 | 1.05 | 1.25 | |
| Keine Informationen verfügbar, nicht bestellbar | ||||
| 263 | 977882 | |||
| Keine Informationen verfügbar, nicht bestellbar | ||||
| 264 | 973420 | |||
| Kohlenhalterklemme M12sa/v | ||||
| 265 | 998744 | 1.20 | 1.43 | |
| Keine Informationen verfügbar, nicht bestellbar | ||||
| 266 | 968914F | |||
| Kugellager 6200 Dd | ||||
| 267A | 6200DD | 6.00 | 7.14 | |
| GUMMISTIFT (ALT 976441) | ||||
| 268 | 946362 | 1.05 | 1.25 | |
| Keine Informationen verfügbar, nicht bestellbar | ||||
| 269 | 951240 | |||
| Inbusschraube M5x10 C10fca/c8fc | ||||
| 270 | 952384 | 1.04 | 1.23 | |
| Keine Informationen verfügbar, nicht bestellbar | ||||
| 271 | 951244 | |||
| Kopfschraube M5x10 (10st), G23ss For Irl | ||||
| 272 | 949236 | 1.05 | 1.25 | |
| Federscheibe M5 (10st), C8fshe, C8fse | ||||
| 273 | 949454 | 1.04 | 1.23 | |
| Keine Informationen verfügbar, nicht bestellbar | ||||
| 274 | 977749 | |||
| Keine Informationen verfügbar, nicht bestellbar | ||||
| 275 | 976307 | |||
| Kohlekasten Zsb | ||||
| 276A | 956984 | 9.60 | 11.42 | |
| Kohlenbürsten (paar) | ||||
| 277 | 999044 | 4.50 | 5.36 | |
| Keine Informationen verfügbar, nicht bestellbar | ||||
| 278 | 978445 | |||
| Kohlenkappe C13u/m12v/div.typen H70sa | ||||
| 278A | 940540 | 1.04 | 1.23 | |
| Federscheibe M4 (10st) | ||||
| 281 | 949453 | 1.05 | 1.25 | |
| Keine Informationen verfügbar, nicht bestellbar | ||||
| 282 | 977775 | |||
| Keine Informationen verfügbar, nicht bestellbar | ||||
| 283 | 977776 | |||
| Kopfschraube M5x10 (10st), G23ss For Irl | ||||
| 284 | 949236 | 1.05 | 1.25 | |
| Federscheibe M5 (10st), C8fshe, C8fse | ||||
| 285 | 949454 | 1.04 | 1.23 | |
| Keine Informationen verfügbar, nicht bestellbar | ||||
| 287 | 967237 | |||
| Keine Informationen verfügbar, nicht bestellbar | ||||
| 288 | 977791 | |||
| Ring | ||||
| 289 | 967329 | 1.05 | 1.25 | |
| Kopfschraube M5x10 (10st), G23ss For Irl | ||||
| 290 | 949236 | 1.05 | 1.25 | |
| Federscheibe M5 (10st), C8fshe, C8fse | ||||
| 291 | 949454 | 1.04 | 1.23 | |
| Schraube M6x10 (10st) | ||||
| 292 | 949613 | 1.20 | 1.43 | |
| Federscheibe M8 (10st), C8fshe, Cm9by, C8fse | ||||
| 300 | 949457 | 1.05 | 1.25 | |
| Keine Informationen verfügbar, nicht bestellbar | ||||
| 301 | 972919 | |||
| Keine Informationen verfügbar, nicht bestellbar | ||||
| 501 | 955857 | |||
| Keine Informationen verfügbar, nicht bestellbar | ||||
| 502 | 972043 | |||
| Keine Informationen verfügbar, nicht bestellbar | ||||
| 503 | 974254 | |||
| Keine Informationen verfügbar, nicht bestellbar | ||||
| 504 | 966821 | |||
| Keine Informationen verfügbar, nicht bestellbar | ||||
| 601 | 967684 | |||
| Tiefeneinstellung Cb75f/cb100f | ||||
| 602 | 948583 | 9.60 | 11.42 | |
| Keine Informationen verfügbar, nicht bestellbar | ||||
| 603 | 967701 | |||
| Keine Informationen verfügbar, nicht bestellbar | ||||
| 605 | 967712 | |||
| Keine Informationen verfügbar, nicht bestellbar | ||||
| 606 | 967990 | |||
| Keine Informationen verfügbar, nicht bestellbar | ||||
| 607 | 967991 | |||
| Keine Informationen verfügbar, nicht bestellbar | ||||
| 608 | 967992 | |||
| Keine Informationen verfügbar, nicht bestellbar | ||||
| 609 | 977872 | |||
| Keine Informationen verfügbar, nicht bestellbar | ||||
| 610 | 977873 | |||
| Keine Informationen verfügbar, nicht bestellbar | ||||
| 611 | 977874 | |||