Hier finden Sie alle verfügbaren Teile und Zeichnungen der 'Hikoki CC16SB'. Von hier aus können Sie alle gewünschten Teile direkt bestellen. Viele Teile müssen je nach Marke beim Hersteller bestellt werden, dies dauert ein bis vier Wochen. Alle Informationen, die wir haben, befinden sich auf unserer Website. Wir können Sie nicht beraten, was Sie benötigen. Dazu müssen Sie die Maschine zur Reparatur zurücksenden. Bitte beachten Sie bei der Bestellung Folgendes:
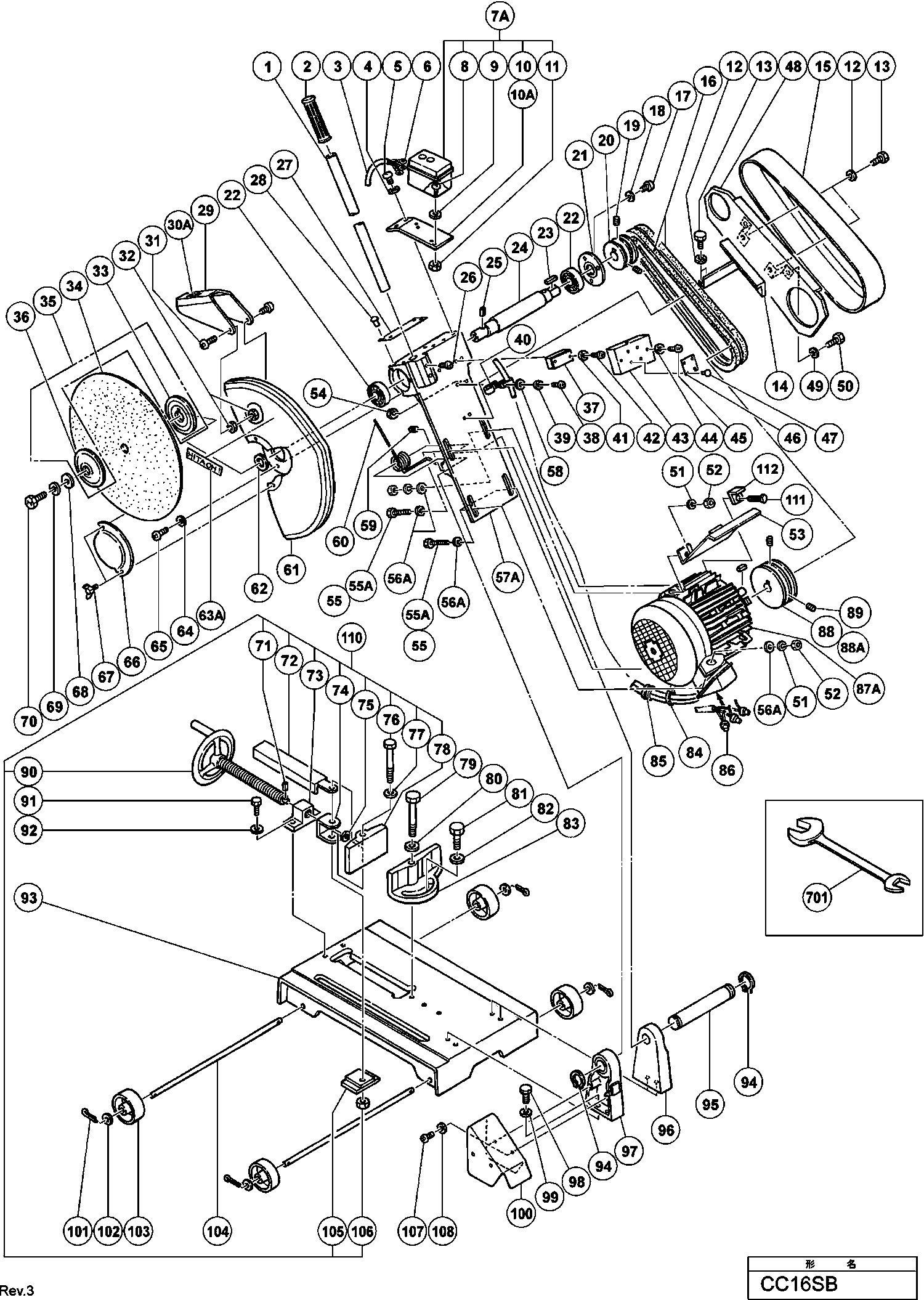
Zeichnungen der Hikoki CC16SB
Teileliste der Hikoki CC16SB
| Pos. | Beschreibung | Preis ohne MwSt | Preis inkl. MwSt | |
| Die angegebenen Preise enthalten die Mehrwertsteuer | ||||
| Bolzen M10x40 (10Stk) (alt 949643z) | ||||
| *55A | 949643 | 3.60 | 4.28 | |
| Keine Informationen verfügbar, nicht bestellbar | ||||
| *57A | 313044 | |||
| Keine Informationen verfügbar, nicht bestellbar | ||||
| *85 | 952075 | |||
| Verbinder 50092 (10st) Div.typen (usa, Can), C8fs | ||||
| *86 | 959141 | 3.75 | 4.46 | |
| Keine Informationen verfügbar, nicht bestellbar | ||||
| 1 | 964625 | |||
| Keine Informationen verfügbar, nicht bestellbar | ||||
| 2 | 944885 | |||
| Keine Informationen verfügbar, nicht bestellbar | ||||
| 3 | 964616 | |||
| Federscheibe M6 (10st), C8fshe, C8fse, Cg18dal, C | ||||
| 4 | 949455 | 1.05 | 1.25 | |
| Kopfschraube M6x12 (10st) | ||||
| 5 | 949255 | 1.35 | 1.61 | |
| Kabelschuh 50051 (10st) Div.typen For Noise Suppr | ||||
| 6 | 959144 | 3.00 | 3.57 | |
| Keine Informationen verfügbar, nicht bestellbar | ||||
| 7A | 317844 | |||
| Kopfschraube M4x 8 (10st) C8fshe, C8fse | ||||
| 8 | 949215 | 1.05 | 1.25 | |
| Federscheibe M4 (10st) | ||||
| 9 | 949453 | 1.05 | 1.25 | |
| Keine Informationen verfügbar, nicht bestellbar | ||||
| 10 | 964931 | |||
| Keine Informationen verfügbar, nicht bestellbar | ||||
| 10A | 317842 | |||
| Mutter M4 (10 Stück) | ||||
| 11 | 949554 | 1.05 | 1.25 | |
| Federscheibe M8 (10st), C8fshe, Cm9by, C8fse | ||||
| 12 | 949457 | 1.05 | 1.25 | |
| Schraube M8x15 (10st) | ||||
| 13 | 949622 | 1.80 | 2.14 | |
| BELT COVER ARM | ||||
| 14 | 964613 | 10.26 | 12.21 | |
| Keine Informationen verfügbar, nicht bestellbar | ||||
| 15 | 964615 | |||
| Keine Informationen verfügbar, nicht bestellbar | ||||
| 16 | 964640 | |||
| Kopfschraube M6x12 (10st) | ||||
| 17 | 949255 | 1.35 | 1.61 | |
| Federscheibe M6 (10st), C8fshe, C8fse, Cg18dal, C | ||||
| 18 | 949455 | 1.05 | 1.25 | |
| Keine Informationen verfügbar, nicht bestellbar | ||||
| 19 | 966458 | |||
| Keine Informationen verfügbar, nicht bestellbar | ||||
| 20 | 964638 | |||
| Keine Informationen verfügbar, nicht bestellbar | ||||
| 21 | 944855 | |||
| Kugellager 6206vvcmps2s | ||||
| 22 | 6206VV | 14.40 | 17.14 | |
| Keine Informationen verfügbar, nicht bestellbar | ||||
| 23 | 944867 | |||
| Keine Informationen verfügbar, nicht bestellbar | ||||
| 24 | 964641 | |||
| PIN | ||||
| 25 | 934203 | 1.00 | 1.19 | |
| Maschinenschraube M6x16 (10 St), C8fshe | ||||
| 26 | 949256 | 1.35 | 1.61 | |
| Niete D 2,5 X 4,8 (10st) Three-phase | ||||
| 28 | 949510 | 1.04 | 1.23 | |
| Keine Informationen verfügbar, nicht bestellbar | ||||
| 29 | 964630 | |||
| Markenplatte | ||||
| 30A | 975642 | 3.60 | 4.28 | |
| Maschinenschraube M6x16 (10 St), C8fshe | ||||
| 31 | 949256 | 1.35 | 1.61 | |
| Mutter M6 (10st) Cg18dl For Europe (sl),usa,can | ||||
| 32 | 949556 | 1.05 | 1.25 | |
| Keine Informationen verfügbar, nicht bestellbar | ||||
| 33 | 964649 | |||
| Keine Informationen verfügbar, nicht bestellbar | ||||
| 35 | 964874 | |||
| Keine Informationen verfügbar, nicht bestellbar | ||||
| 36 | 964647 | |||
| Keine Informationen verfügbar, nicht bestellbar | ||||
| 37 | 966585 | |||
| Keine Informationen verfügbar, nicht bestellbar | ||||
| 37A | 376443 | |||
| Kopfschraube M4x20 (10st) | ||||
| 38 | 949221 | 1.05 | 1.25 | |
| Kopfschraube M4x12 (10st),c8fshe, C8fse | ||||
| 38 | 949217 | 1.05 | 1.25 | |
| Federscheibe M4 (10st) | ||||
| 39 | 949453 | 1.05 | 1.25 | |
| Nylonklammer C8fc/fs, C8fse | ||||
| 40 | 966803 | 1.05 | 1.25 | |
| Unterlegscheibe M4 (10st) | ||||
| 41 | 949423 | 1.05 | 1.25 | |
| Kopfschraube M4x16 (10st) | ||||
| 42 | 949219 | 1.20 | 1.43 | |
| Keine Informationen verfügbar, nicht bestellbar | ||||
| 43 | 972600 | |||
| Federscheibe M5 (10st), C8fshe, C8fse | ||||
| 44 | 949454 | 1.04 | 1.23 | |
| Maschinenschraube M5x45 (10 Stück) | ||||
| 45 | 949249 | 1.95 | 2.32 | |
| Keine Informationen verfügbar, nicht bestellbar | ||||
| 46 | 964932 | |||
| Niete D 2,5 X 4,8 (10st) Three-phase | ||||
| 47 | 949510 | 1.04 | 1.23 | |
| Keine Informationen verfügbar, nicht bestellbar | ||||
| 48 | 964875 | |||
| Federscheibe M8 (10st), C8fshe, Cm9by, C8fse | ||||
| 49 | 949457 | 1.05 | 1.25 | |
| Schraube M8x15 (10st) | ||||
| 50 | 949622 | 1.80 | 2.14 | |
| Federscheibe M10 (10st) | ||||
| 51 | 949458 | 1.05 | 1.25 | |
| M10 Mutter (10 Stücke) | ||||
| 52 | 949560 | 2.40 | 2.86 | |
| Keine Informationen verfügbar, nicht bestellbar | ||||
| 53 | 974243 | |||
| Mutter M4 (10 Stück) | ||||
| 54 | 949554 | 1.05 | 1.25 | |
| Sechskantschraube M10x35 (10st) | ||||
| 55 | 949695 | 3.30 | 3.93 | |
| BOUT M10X30 (10 STUKS) | ||||
| 55 | 949698 | 3.06 | 3.64 | |
| Bolzen M10x40 (10Stk) (alt 949643z) | ||||
| 55A | 949643 | 3.60 | 4.28 | |
| Ring | ||||
| 56A | 302998 | 1.05 | 1.25 | |
| Arm | ||||
| 57A | 964877 | 153.04 | 182.11 | |
| Unterlegschreibe M4 (10st), C8fshe, C8fse | ||||
| 58 | 949429 | 1.05 | 1.25 | |
| INBUSSTELSCHROEF M8X20 | ||||
| 59 | 964629 | 1.00 | 1.19 | |
| Feder (1) | ||||
| 60 | 964608 | 11.55 | 13.74 | |
| BESCHERMKAP | ||||
| 61 | 964605 | 58.41 | 69.51 | |
| Keine Informationen verfügbar, nicht bestellbar | ||||
| 62 | 964635 | |||
| Keine Informationen verfügbar, nicht bestellbar | ||||
| 63A | 951653 | |||
| Federscheibe M6 (10st), C8fshe, C8fse, Cg18dal, C | ||||
| 64 | 949455 | 1.05 | 1.25 | |
| Maschinenschraube M6x16 (10 St), C8fshe | ||||
| 65 | 949256 | 1.35 | 1.61 | |
| Keine Informationen verfügbar, nicht bestellbar | ||||
| 66 | 955790 | |||
| Flügelschraube M6x10 (10st) | ||||
| 67 | 949394 | 7.05 | 8.39 | |
| BOLT W/WASHER M16 (10PCS) | ||||
| 68 | 949438 | 1.50 | 1.78 | |
| VEERRING M16 (10STUKS) | ||||
| 69 | 949464 | 1.38 | 1.64 | |
| Keine Informationen verfügbar, nicht bestellbar | ||||
| 70 | 955789 | |||
| Rollstift D4x16 | ||||
| 71 | 949497 | 2.55 | 3.03 | |
| SCREW COVER | ||||
| 72 | 964619 | 2.82 | 3.36 | |
| Schraubbasis | ||||
| 73 | 944876 | 14.99 | 17.84 | |
| Keine Informationen verfügbar, nicht bestellbar | ||||
| 74 | 964622 | |||
| Unterlegscheibe M10 (10st) | ||||
| 75 | 949445 | 1.35 | 1.61 | |
| Keine Informationen verfügbar, nicht bestellbar | ||||
| 76 | 964621 | |||
| Unterlegscheibe M12 (10st) Cb75f, C8fse | ||||
| 77 | 949437 | 1.95 | 2.32 | |
| Keine Informationen verfügbar, nicht bestellbar | ||||
| 78 | 964620 | |||
| Keine Informationen verfügbar, nicht bestellbar | ||||
| 79 | 964632 | |||
| RING M16 | ||||
| 80 | 955817 | 1.00 | 1.19 | |
| BOLT (L) M16 | ||||
| 81 | 964633 | 1.08 | 1.29 | |
| Unterlegscheibe M16 C15fb | ||||
| 82 | 955818 | 1.05 | 1.25 | |
| Keine Informationen verfügbar, nicht bestellbar | ||||
| 83 | 964623 | |||
| KABELKLEMME | ||||
| 84 | 988054 | 1.04 | 1.23 | |
| Keine Informationen verfügbar, nicht bestellbar | ||||
| 85 | 964637 | |||
| Verbinder 50092 (10st) Div.typen (usa, Can), C8fs | ||||
| 86 | 959141 | 3.75 | 4.46 | |
| Keine Informationen verfügbar, nicht bestellbar | ||||
| 87A | 337921 | |||
| Keine Informationen verfügbar, nicht bestellbar | ||||
| 87B | 380893 | |||
| Keine Informationen verfügbar, nicht bestellbar | ||||
| 88 | 964873 | |||
| Keine Informationen verfügbar, nicht bestellbar | ||||
| 88A | 964639 | |||
| Keine Informationen verfügbar, nicht bestellbar | ||||
| 89 | 966458 | |||
| SCREW | ||||
| 90 | 964617 | 33.00 | 39.27 | |
| BOUT M10X30 (10 STUKS) | ||||
| 91 | 949698 | 3.06 | 3.64 | |
| Federscheibe M10 (10st) | ||||
| 92 | 949458 | 1.05 | 1.25 | |
| Keine Informationen verfügbar, nicht bestellbar | ||||
| 93 | 964930 | |||
| Keine Informationen verfügbar, nicht bestellbar | ||||
| 93A | 378747 | |||
| Federscheibe | ||||
| 94 | 965469 | 1.05 | 1.25 | |
| Keine Informationen verfügbar, nicht bestellbar | ||||
| 95 | 964607 | |||
| Keine Informationen verfügbar, nicht bestellbar | ||||
| 96 | 964602 | |||
| Keine Informationen verfügbar, nicht bestellbar | ||||
| 97 | 964601 | |||
| BOUT M10X30 (10 STUKS) | ||||
| 98 | 949698 | 3.06 | 3.64 | |
| Federscheibe M10 (10st) | ||||
| 99 | 949458 | 1.05 | 1.25 | |
| Keine Informationen verfügbar, nicht bestellbar | ||||
| 100 | 964624 | |||
| Splint D3x15 (10 Stücke) | ||||
| 101 | 949537 | 1.35 | 1.61 | |
| Unterlegscheibe M10 (10st) | ||||
| 102 | 949445 | 1.35 | 1.61 | |
| Keine Informationen verfügbar, nicht bestellbar | ||||
| 103 | 944889 | |||
| Keine Informationen verfügbar, nicht bestellbar | ||||
| 104 | 964627 | |||
| Keine Informationen verfügbar, nicht bestellbar | ||||
| 105 | 964618 | |||
| M12 Mutter (10 Stück) | ||||
| 106 | 949561 | 3.00 | 3.57 | |
| Kopfschraube M6x12 (10st) | ||||
| 107 | 949255 | 1.35 | 1.61 | |
| Federscheibe M6 (10st), C8fshe, C8fse, Cg18dal, C | ||||
| 108 | 949455 | 1.05 | 1.25 | |
| Keine Informationen verfügbar, nicht bestellbar | ||||
| 109 | 964636 | |||
| Schraubstock Ass'y Inkl.71-78,90,105,106 | ||||
| 110 | 307901 | 139.01 | 165.42 | |
| Keine Informationen verfügbar, nicht bestellbar | ||||
| 111 | 949675 | |||
| Keine Informationen verfügbar, nicht bestellbar | ||||
| 112 | 964879 | |||
| Keine Informationen verfügbar, nicht bestellbar | ||||
| 701A | 949168 | |||
| Keine Informationen verfügbar, nicht bestellbar | ||||
| 702 | 948163 | |||
| Keine Informationen verfügbar, nicht bestellbar | ||||
| 901 | 306859 | |||