Hier finden Sie alle verfügbaren Teile und Zeichnungen der 'Hikoki CJ10DL'. Von hier aus können Sie alle gewünschten Teile direkt bestellen. Viele Teile müssen je nach Marke beim Hersteller bestellt werden, dies dauert ein bis vier Wochen. Alle Informationen, die wir haben, befinden sich auf unserer Website. Wir können Sie nicht beraten, was Sie benötigen. Dazu müssen Sie die Maschine zur Reparatur zurücksenden. Bitte beachten Sie bei der Bestellung Folgendes:
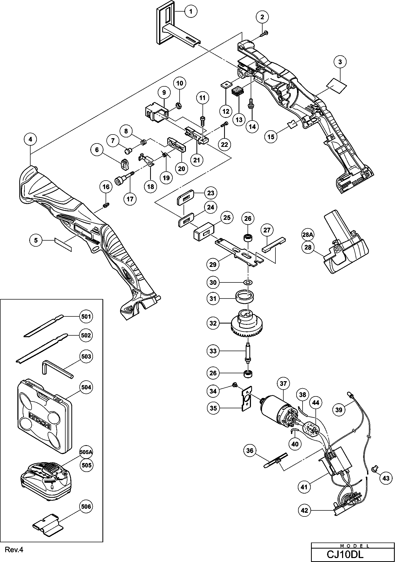
Zeichnungen der Hikoki CJ10DL
Teileliste der Hikoki CJ10DL
| Pos. | Beschreibung | Preis ohne MwSt | Preis inkl. MwSt | |
| Die angegebenen Preise enthalten die Mehrwertsteuer | ||||
| Keine Informationen verfügbar, nicht bestellbar | ||||
| *28B | 371205 | |||
| Keine Informationen verfügbar, nicht bestellbar | ||||
| *38 | 329991 | |||
| Keine Informationen verfügbar, nicht bestellbar | ||||
| *40 | 329992 | |||
| Grundplatte | ||||
| 1 | 329981 | 12.90 | 15.35 | |
| Schneidschraube D3x16 Mit Flansch (schwarz) Dv18d | ||||
| 2 | 313687 | 1.04 | 1.23 | |
| Gehäuseset A + B, Cr 10dl | ||||
| 4 | 329994 | 55.69 | 66.27 | |
| Namensschild | ||||
| 5 | 330719 | 2.10 | 2.50 | |
| Kappe Cr13vc | ||||
| 6 | 321130 | 1.35 | 1.61 | |
| Haltestift (b) Cr13vc | ||||
| 7 | 321134 | 12.45 | 14.82 | |
| Sicherungsstift | ||||
| 7 | 331968 | 4.20 | 5.00 | |
| Feder (b) Cr13va/cr24dv | ||||
| 8 | 318483 | 1.20 | 1.43 | |
| Feder | ||||
| 8 | 331911 | 1.05 | 1.25 | |
| Messerhalter (a) Cr13vc | ||||
| 9 | 321132 | 15.95 | 18.98 | |
| Mutter M4 schwarz Cr 10dl | ||||
| 10 | 322709 | 1.65 | 1.96 | |
| Inbusschraube M3x12 (selbstsich.) Cr 10dl | ||||
| 11 | 318832 | 1.65 | 1.96 | |
| Annietmutter Cr 10dl | ||||
| 12 | 329982 | 1.65 | 1.96 | |
| Innensechskantschraube M4x10 (w/flange) Cr 10 Dl | ||||
| 13 | 329983 | 1.65 | 1.96 | |
| Filzdichtung G12s1/g13yb1/fg12sa2 G13v/g13yd | ||||
| 13 | 330729 | 1.05 | 1.25 | |
| Innensechskantschraube M4x10 (w/flange) Cr 10 Dl | ||||
| 14 | 329983 | 1.65 | 1.96 | |
| Spezialbolzen M4 | ||||
| 15 | 322134 | 1.65 | 1.96 | |
| Hebel (a) Cr13vc | ||||
| 16 | 321131 | 9.69 | 11.53 | |
| Plattenfeder | ||||
| 16 | 330728 | 1.05 | 1.25 | |
| Feder (d) Cr13vc | ||||
| 17 | 321135 | 2.55 | 3.03 | |
| Spezialbolzen M4 | ||||
| 17 | 322134 | 1.65 | 1.96 | |
| Messerhalter Cr 10 Dl | ||||
| 18 | 329979 | 14.99 | 17.84 | |
| Schieber | ||||
| 18 | 331910 | 6.45 | 7.68 | |
| Dichtung | ||||
| 19 | 329978 | 3.30 | 3.93 | |
| Feder (d) Cr13vc | ||||
| 19 | 321135 | 2.55 | 3.03 | |
| Kugellager | ||||
| 20 | 322695 | 3.15 | 3.75 | |
| Sägehalter | ||||
| 20 | 331753 | 3.15 | 3.75 | |
| Kolbenhalter (b), Cr 10dl | ||||
| 21 | 329980 | 3.30 | 3.93 | |
| Sägehalter | ||||
| 21 | 331752 | 3.15 | 3.75 | |
| Sicherungsschraube M3x8 Cj65v3 | ||||
| 22 | 325241 | 1.65 | 1.96 | |
| Keine Informationen verfügbar, nicht bestellbar | ||||
| 22A | 331067 | |||
| Dichtung | ||||
| 23 | 329978 | 3.30 | 3.93 | |
| Filzdichtung Cr 10dl | ||||
| 23 | 329977 | 1.05 | 1.25 | |
| Kolbenhalter (a), Cr 10dl | ||||
| 24 | 329976 | 3.30 | 3.93 | |
| Filzdichtung Cr 10dl | ||||
| 24 | 329977 | 1.05 | 1.25 | |
| Stoessel | ||||
| 25 | 329971 | 29.01 | 34.52 | |
| Kolbenhalter (a), Cr 10dl | ||||
| 25 | 329976 | 3.30 | 3.93 | |
| Dichtungsring (a) Cr 10dl | ||||
| 26 | 329975 | 6.45 | 7.68 | |
| Kugellager | ||||
| 26 | 322695 | 3.15 | 3.75 | |
| Kugellager 624dd | ||||
| 26A | 333784 | 3.45 | 4.11 | |
| Ring | ||||
| 27 | 329974 | 3.30 | 3.93 | |
| Kolbenhalter (b), Cr 10dl | ||||
| 27 | 329980 | 3.30 | 3.93 | |
| Zahnrad Cr 10 Dl | ||||
| 28 | 329973 | 29.43 | 35.02 | |
| Keine Informationen verfügbar, nicht bestellbar | ||||
| 28A | 329371 | |||
| Stoessel | ||||
| 29 | 329971 | 29.01 | 34.52 | |
| Gelenkwelle (a) | ||||
| 29 | 329972 | 4.80 | 5.71 | |
| Dichtungsring (a) Cr 10dl | ||||
| 30 | 329975 | 6.45 | 7.68 | |
| Kopfschraube M3x 6 (10st), Cr 10dl | ||||
| 30 | 949202 | 1.04 | 1.23 | |
| Ring | ||||
| 31 | 329974 | 3.30 | 3.93 | |
| Federscheibe M3 (10st) Cr 10dl Since 9.2012 For E | ||||
| 31 | 949451 | 1.05 | 1.25 | |
| Zahnrad Cr 10 Dl | ||||
| 32 | 329973 | 29.43 | 35.02 | |
| Motorhalter Cr 10dl | ||||
| 32 | 329989 | 6.45 | 7.68 | |
| Gelenkwelle (a) | ||||
| 33 | 329972 | 4.80 | 5.71 | |
| Schaltschieber | ||||
| 33 | 329970 | 1.65 | 1.96 | |
| Motorritzel Set Dc 108v, Cr 10dl | ||||
| 34 | 329988 | 19.11 | 22.74 | |
| Kopfschraube M3x 6 (10st), Cr 10dl | ||||
| 34 | 949202 | 1.04 | 1.23 | |
| Motorhalter Cr 10dl | ||||
| 35 | 329989 | 6.45 | 7.68 | |
| Schaltschieber | ||||
| 36 | 329970 | 1.65 | 1.96 | |
| Motorritzel Set Dc 108v, Cr 10dl | ||||
| 37 | 329988 | 19.11 | 22.74 | |
| Led Cr 10dl | ||||
| 37 | 329990 | 8.70 | 10.35 | |
| Verbinder 50091 (10st) Div.typen | ||||
| 38 | 959140 | 3.30 | 3.93 | |
| Schalter | ||||
| 39 | 329987 | 46.89 | 55.80 | |
| Led Cr 10dl | ||||
| 39 | 329990 | 8.70 | 10.35 | |
| Regler | ||||
| 40 | 329986 | 35.20 | 41.89 | |
| Schalter | ||||
| 41 | 329987 | 46.89 | 55.80 | |
| Filzdichtung G12s1/g13yb1/fg12sa2 G13v/g13yd | ||||
| 41 | 330729 | 1.05 | 1.25 | |
| Regler | ||||
| 42 | 329986 | 35.20 | 41.89 | |
| Plattenfeder | ||||
| 42 | 330728 | 1.05 | 1.25 | |
| INTERNER DRAHT-FERRIT-SATZ | ||||
| 43 | 334851 | 4.20 | 5.00 | |
| Verbinder 50091 (10st) Div.typen | ||||
| 43 | 959140 | 3.30 | 3.93 | |
| INTERNER DRAHT-FERRIT-SATZ | ||||
| 44 | 334851 | 4.20 | 5.00 | |
| Keine Informationen verfügbar, nicht bestellbar | ||||
| 501 | 958185 | |||
| Keine Informationen verfügbar, nicht bestellbar | ||||
| 503 | 943277 | |||
| Keine Informationen verfügbar, nicht bestellbar | ||||
| 504 | 329993 | |||
| Abdeckkappe für Batterie | ||||
| 506 | 331086 | 1.05 | 1.25 | |
| Keine Informationen verfügbar, nicht bestellbar | ||||
| 601 | 958182 | |||
| Keine Informationen verfügbar, nicht bestellbar | ||||
| 602 | 958183 | |||
| Keine Informationen verfügbar, nicht bestellbar | ||||
| 603 | 959611 | |||
| Keine Informationen verfügbar, nicht bestellbar | ||||
| 604 | 958186 | |||
| Keine Informationen verfügbar, nicht bestellbar | ||||
| 605 | 958187 | |||
| Keine Informationen verfügbar, nicht bestellbar | ||||
| 606 | 963400 | |||
| Keine Informationen verfügbar, nicht bestellbar | ||||
| 607 | 318611 | |||
| Keine Informationen verfügbar, nicht bestellbar | ||||
| 608 | 318617 | |||
| Keine Informationen verfügbar, nicht bestellbar | ||||
| 609 | 324818 | |||