Hier finden Sie alle verfügbaren Teile und Zeichnungen der 'Hikoki CJ18DL'. Von hier aus können Sie alle gewünschten Teile direkt bestellen. Viele Teile müssen je nach Marke beim Hersteller bestellt werden, dies dauert ein bis vier Wochen. Alle Informationen, die wir haben, befinden sich auf unserer Website. Wir können Sie nicht beraten, was Sie benötigen. Dazu müssen Sie die Maschine zur Reparatur zurücksenden. Bitte beachten Sie bei der Bestellung Folgendes:
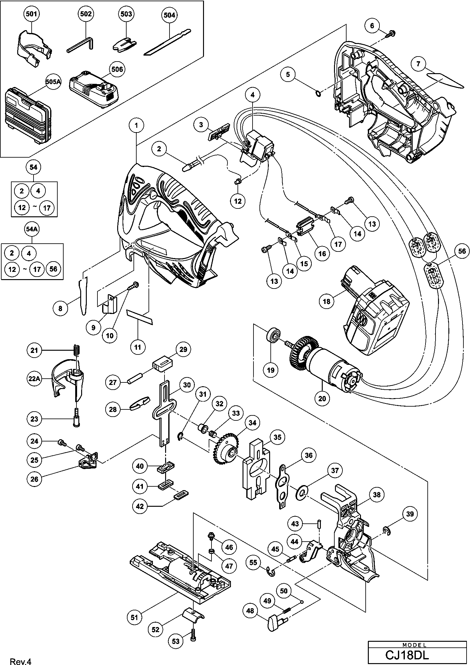
Zeichnungen der Hikoki CJ18DL
Teileliste der Hikoki CJ18DL
| Pos. | Beschreibung | Preis ohne MwSt | Preis inkl. MwSt | |
| Die angegebenen Preise enthalten die Mehrwertsteuer | ||||
| Gehäuse Set A#b Cj18dl | ||||
| 1 | 328362 | 40.01 | 47.61 | |
| Led Leuchte Cj18dl | ||||
| 2 | 328336 | 9.90 | 11.78 | |
| Druckknopf Ds14dvb/ds18dvb/dv24dv Dv12dv/dv14dv/d | ||||
| 3 | 319760 | 1.05 | 1.25 | |
| Schalter | ||||
| 4 | 328335 | 48.40 | 57.60 | |
| O-ring (p-6), C8fshe, C8fse | ||||
| 5 | 984528 | 1.05 | 1.25 | |
| Schneidschraube D4x20 Mit Flansch (schwarz), C8fs | ||||
| 6 | 301653 | 1.04 | 1.23 | |
| Schutzbügel Cj14dl | ||||
| 8 | 328349 | 1.20 | 1.43 | |
| Paralellanschlag Cj120v/va | ||||
| 9 | 321592 | 2.70 | 3.21 | |
| Schneidschraube D3x8 M.federring | ||||
| 10 | 984327 | 1.04 | 1.23 | |
| Verbinder 50091 (10st) Div.typen | ||||
| 12 | 959140 | 3.30 | 3.93 | |
| Schraube | ||||
| 13 | 958715 | 1.04 | 1.23 | |
| Haltefeder P20da/wh8d/dc | ||||
| 14 | 996118 | 2.55 | 3.03 | |
| Verbinderkabel Ds14dmr | ||||
| 15 | 322995 | 1.05 | 1.25 | |
| Kontakthalter Ds14dmr | ||||
| 16 | 320997 | 1.20 | 1.43 | |
| Verbinderkabel Ds14dmr | ||||
| 17 | 323003 | 1.05 | 1.25 | |
| Keine Informationen verfügbar, nicht bestellbar | ||||
| 18 | 327730 | |||
| Kugellager 608 Vvm, C8fshe, Cm5sb, C8fse, H41mb | ||||
| 19 | 608VVM | 5.70 | 6.78 | |
| Motor Cj18dl | ||||
| 20 | 328361 | 38.09 | 45.32 | |
| Anschlagfeder Cj120v/va | ||||
| 21 | 321580 | 1.35 | 1.61 | |
| Keine Informationen verfügbar, nicht bestellbar | ||||
| 22 | 328347 | |||
| Hebel (alt 328347) | ||||
| 22A | 370009 | 1.35 | 1.61 | |
| Bolzen | ||||
| 23 | 328348 | 2.10 | 2.50 | |
| Sicherungsschraube M3x8 Cj65v3 | ||||
| 24 | 325241 | 1.65 | 1.96 | |
| Sicherungsschraube M3x6 | ||||
| 25 | 325077 | 1.65 | 1.96 | |
| Sägeblatthalter Cj110mv | ||||
| 26 | 325076 | 26.95 | 32.07 | |
| Stift D6 Cr10v/cr17y | ||||
| 27 | 983564 | 3.00 | 3.57 | |
| Blattfeder Cj110mva | ||||
| 28 | 325071 | 3.30 | 3.93 | |
| Tauchkolbenhalter Cj110mv | ||||
| 29 | 325070 | 6.45 | 7.68 | |
| Stoessel | ||||
| 30 | 328343 | 7.65 | 9.10 | |
| Sicherungsring D7 Fcj55v/fcj65v | ||||
| 31 | 994251 | 1.05 | 1.25 | |
| Verbinder | ||||
| 32 | 328342 | 1.20 | 1.43 | |
| Nadellager | ||||
| 33 | 325242 | 4.80 | 5.71 | |
| Getriebe Cj14dl | ||||
| 34 | 328341 | 18.15 | 21.60 | |
| Ausgleichsgewicht Cj14dl | ||||
| 35 | 328340 | 28.88 | 34.36 | |
| Umlaufplatte Cj14dl | ||||
| 36 | 328339 | 6.45 | 7.68 | |
| Unterlegscheibe | ||||
| 37 | 957540 | 1.04 | 1.23 | |
| Getriebehalter Dh50mr | ||||
| 38 | 328328 | 45.65 | 54.32 | |
| Ring | ||||
| 39 | 673489 | 1.04 | 1.23 | |
| Tauchkolbenhalter Cj14dl | ||||
| 40 | 328344 | 1.20 | 1.43 | |
| Dichtungsabdeckung Cj18dl | ||||
| 41 | 328346 | 4.80 | 5.71 | |
| Dichtung | ||||
| 42 | 328345 | 1.20 | 1.43 | |
| Nadelrolle Cj14dl | ||||
| 43 | 328329 | 1.20 | 1.43 | |
| Rollenhalter Cj14dl | ||||
| 44 | 328330 | 16.36 | 19.47 | |
| Stift (1) | ||||
| 45 | 328331 | 3.15 | 3.75 | |
| Maschinenschraube M4x8 Selbsts. (schwarz) | ||||
| 46 | 315500 | 1.35 | 1.61 | |
| Gummiring (1) | ||||
| 47 | 321576 | 1.35 | 1.61 | |
| Knopf (1) | ||||
| 48 | 328332 | 8.70 | 10.35 | |
| Feder (c) Cj65va2/v2/cr10v/cj120v, Nr90aa | ||||
| 49 | 982454 | 1.04 | 1.23 | |
| Stahlkugeln D3.97 (10st), Nr90aa | ||||
| 50 | 959155 | 1.04 | 1.23 | |
| Grundplatte | ||||
| 51 | 321573 | 14.99 | 17.84 | |
| Grundplattenhalter Cj120v/va | ||||
| 52 | 321575 | 6.46 | 7.69 | |
| Inbusschraube M5x14 (10st) | ||||
| 53 | 949665 | 2.10 | 2.50 | |
| SCHALTER + KONTAKTE | ||||
| 54 | 328353 | 41.80 | 49.74 | |
| Keine Informationen verfügbar, nicht bestellbar | ||||
| 54A | 334860 | |||
| Sicherungsring (e-typ) D3 Till 6.1998 | ||||
| 55 | 872971 | 1.05 | 1.25 | |
| INTERNER DRAHT-FERRIT-SATZ | ||||
| 56 | 334853 | 8.40 | 10.00 | |
| Keine Informationen verfügbar, nicht bestellbar | ||||
| 501 | 328352 | |||
| Keine Informationen verfügbar, nicht bestellbar | ||||
| 502 | 944458 | |||
| Spanreißschutz Cj120va | ||||
| 503 | 321590 | 1.50 | 1.78 | |
| Keine Informationen verfügbar, nicht bestellbar | ||||
| 504 | 879357 | |||
| Keine Informationen verfügbar, nicht bestellbar | ||||
| 505 | 328351 | |||
| Keine Informationen verfügbar, nicht bestellbar | ||||
| 505A | 339042 | |||
| Keine Informationen verfügbar, nicht bestellbar | ||||
| 601 | 963400 | |||
| Keine Informationen verfügbar, nicht bestellbar | ||||
| 602 | 879336 | |||
| Keine Informationen verfügbar, nicht bestellbar | ||||
| 603 | 879337 | |||
| Keine Informationen verfügbar, nicht bestellbar | ||||
| 604 | 879338 | |||
| Keine Informationen verfügbar, nicht bestellbar | ||||
| 605 | 879339 | |||
| Keine Informationen verfügbar, nicht bestellbar | ||||
| 606 | 879340 | |||
| Keine Informationen verfügbar, nicht bestellbar | ||||
| 607 | 879341 | |||
| Keine Informationen verfügbar, nicht bestellbar | ||||
| 608 | 321878 | |||
| METALLBODENPLATTE 145 MM LANG | ||||
| 609 | 321992 | 26.40 | 31.42 | |
| Spezial Bolzen | ||||
| 610 | 321996 | 1.65 | 1.96 | |
| Keine Informationen verfügbar, nicht bestellbar | ||||
| 611 | 321593 | |||
| Keine Informationen verfügbar, nicht bestellbar | ||||
| 612 | 325149 | |||
| Kunststoff-Grundplatte 150mm lang | ||||
| 613 | 321993 | 12.15 | 14.46 | |
| Keine Informationen verfügbar, nicht bestellbar | ||||
| 614 | 321591 | |||