Hier finden Sie alle verfügbaren Teile und Zeichnungen der 'Hikoki CM4SB2'. Von hier aus können Sie alle gewünschten Teile direkt bestellen. Viele Teile müssen je nach Marke beim Hersteller bestellt werden, dies dauert ein bis vier Wochen. Alle Informationen, die wir haben, befinden sich auf unserer Website. Wir können Sie nicht beraten, was Sie benötigen. Dazu müssen Sie die Maschine zur Reparatur zurücksenden. Bitte beachten Sie bei der Bestellung Folgendes:
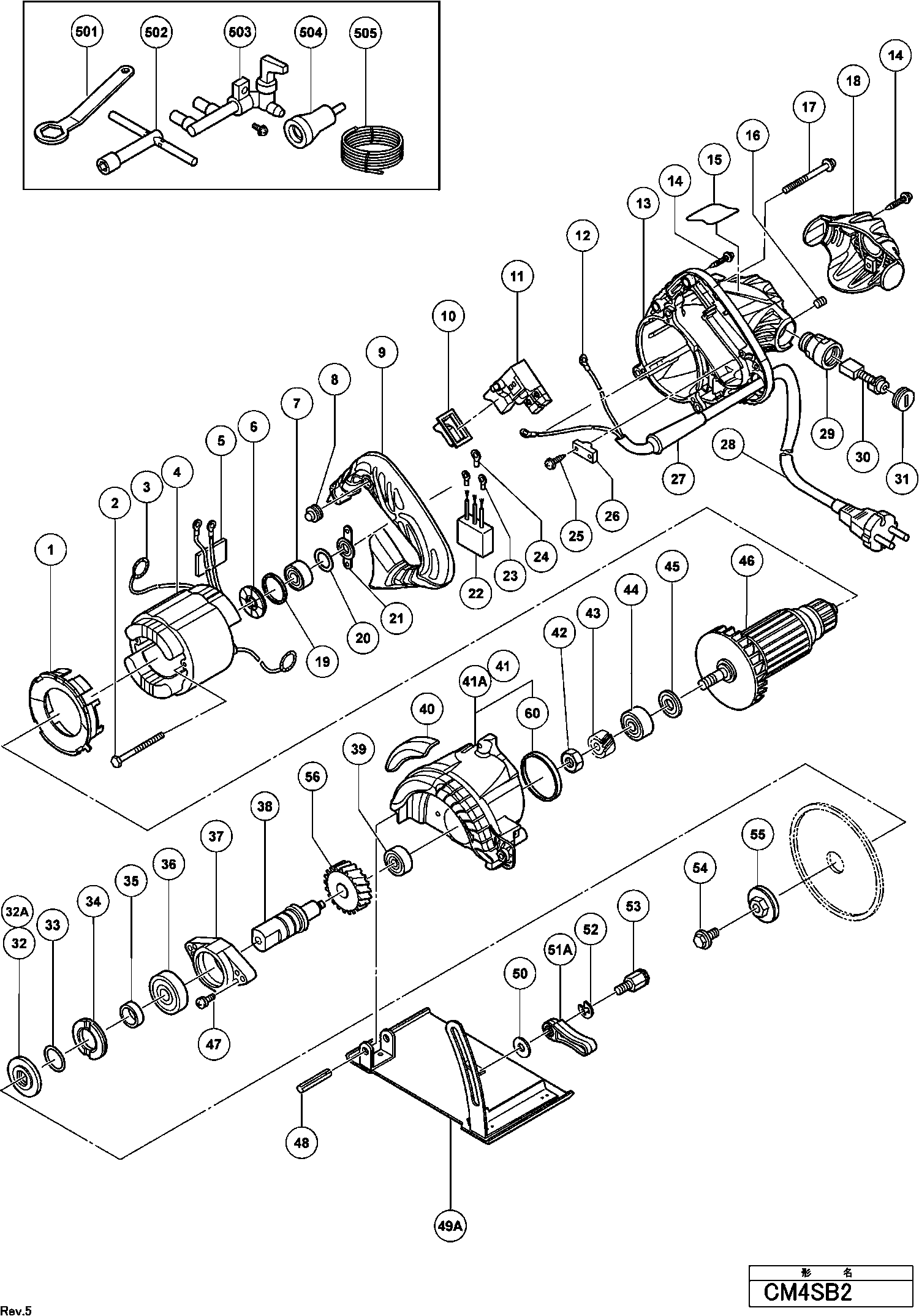
Zeichnungen der Hikoki CM4SB2
Teileliste der Hikoki CM4SB2
| Pos. | Beschreibung | Preis ohne MwSt | Preis inkl. MwSt | |
| Die angegebenen Preise enthalten die Mehrwertsteuer | ||||
| Keine Informationen verfügbar, nicht bestellbar | ||||
| *11 | 325533 | |||
| Keine Informationen verfügbar, nicht bestellbar | ||||
| *13B | 325516 | |||
| Kabelknickschutz D8.8 Div.typen, Cm5sb | ||||
| *27 | 380090 | 1.04 | 1.24 | |
| Kabelknickschutz D10.1 Div.typen, C8fshe, C8fse | ||||
| *27 | 938051 | 1.04 | 1.23 | |
| SNOER 2.5M 2 X 1.0 H05VV-F W/PLUG 13A/250V (OLD 50 | ||||
| *28 | 500423Z | 12.87 | 15.32 | |
| Anschlusskabel (cord Armor D8.8) For Pan | ||||
| *28 | 500447Z | 6.60 | 7.85 | |
| Keine Informationen verfügbar, nicht bestellbar | ||||
| *46A | 360919U | |||
| Keine Informationen verfügbar, nicht bestellbar | ||||
| *4A | 340803F | |||
| WASSERSTOPFEN | ||||
| *503 | 303648 | 6.30 | 7.50 | |
| Keine Informationen verfügbar, nicht bestellbar | ||||
| *504 | 956885 | |||
| Keine Informationen verfügbar, nicht bestellbar | ||||
| *505 | 956883 | |||
| Keine Informationen verfügbar, nicht bestellbar | ||||
| *9 | 325535 | |||
| Keine Informationen verfügbar, nicht bestellbar | ||||
| 1 | 325526 | |||
| Schneidschraube D5x65 (div.typen) | ||||
| 2 | 960251 | 1.05 | 1.25 | |
| Kohlenhalterklemme Dh28y u.a. H30pv/vb16y/dh30pc/ | ||||
| 3 | 930703 | 2.40 | 2.86 | |
| Keine Informationen verfügbar, nicht bestellbar | ||||
| 4A | 340803F | |||
| SEAL PACKING | ||||
| 5 | 983858 | 1.00 | 1.19 | |
| Keine Informationen verfügbar, nicht bestellbar | ||||
| 6 | 325525 | |||
| Kugellager 608 Vvm, C8fshe, Cm5sb, C8fse, H41mb | ||||
| 7 | 608VVM | 5.70 | 6.78 | |
| RUBBER COVER (B) | ||||
| 8 | 956866 | 1.00 | 1.19 | |
| Keine Informationen verfügbar, nicht bestellbar | ||||
| 9 | 325535 | |||
| Keine Informationen verfügbar, nicht bestellbar | ||||
| 10 | 325527 | |||
| Keine Informationen verfügbar, nicht bestellbar | ||||
| 11 | 325533 | |||
| Anschlussklemme | ||||
| 12 | 980063 | 1.04 | 1.23 | |
| Keine Informationen verfügbar, nicht bestellbar | ||||
| 13 | 325516 | |||
| Schneidschraube D4x20 M.flansch (schwarz) Cg18dal | ||||
| 14 | 302086 | 1.05 | 1.25 | |
| Inbusstiftschraube M5x8, C8fshe, C8fse, H41mb,g23 | ||||
| 16 | 938477 | 1.05 | 1.25 | |
| Kopfschraube Rb24e | ||||
| 17 | 317751 | 2.70 | 3.21 | |
| Keine Informationen verfügbar, nicht bestellbar | ||||
| 18 | 325522 | |||
| Keine Informationen verfügbar, nicht bestellbar | ||||
| 19 | 325524 | |||
| Keine Informationen verfügbar, nicht bestellbar | ||||
| 20 | 325956 | |||
| Keine Informationen verfügbar, nicht bestellbar | ||||
| 21 | 325523 | |||
| Kondensator Div.typen | ||||
| 22 | 994273 | 4.29 | 5.10 | |
| Anschlussklemme | ||||
| 23 | 980063 | 1.04 | 1.23 | |
| Kabelschuh M5 (o.iso) Div.typen For Noise Suppres | ||||
| 24 | 938108 | 1.20 | 1.43 | |
| Keine Informationen verfügbar, nicht bestellbar | ||||
| 25 | 984750 | |||
| Kabelklemme Div.typen, Cm9uby, G23ss | ||||
| 26 | 960266 | 1.04 | 1.23 | |
| Kabelknickschutz D8.8 Div.typen, Cm5sb | ||||
| 27 | 380090 | 1.04 | 1.24 | |
| Kabelknickschutz D10.1 Div.typen, C8fshe, C8fse | ||||
| 27 | 938051 | 1.04 | 1.23 | |
| SNOER 2.5M 2 X 1.0 H05VV-F W/PLUG 13A/250V (OLD 50 | ||||
| 28 | 500423Z | 12.87 | 15.32 | |
| Anschlusskabel (cord Armor D8.8) For Pan | ||||
| 28 | 500447Z | 6.60 | 7.85 | |
| Kohlekasten Zsb | ||||
| 29 | 958900 | 6.45 | 7.68 | |
| Keine Informationen verfügbar, nicht bestellbar | ||||
| 29A | 370926 | |||
| Kohlenbürsten (paar) H41mb | ||||
| 30 | 999043 | 4.50 | 5.36 | |
| Kohlenkappe C6u/c7u u.a. H30pv/dh30pc/ H41mb/ G23 | ||||
| 31 | 945161 | 1.20 | 1.43 | |
| Keine Informationen verfügbar, nicht bestellbar | ||||
| 32 | 956879 | |||
| O-ring (iap-20) Cm6/wh16/vb16y | ||||
| 33 | 944486 | 1.05 | 1.25 | |
| Lagerdeckel | ||||
| 34 | 956872 | 2.70 | 3.21 | |
| Distanzbuchse | ||||
| 35 | 303323 | 2.40 | 2.86 | |
| Kugellager 6002 Vv C7mfa | ||||
| 36 | 6002VV | 7.35 | 8.75 | |
| Keine Informationen verfügbar, nicht bestellbar | ||||
| 37 | 325521 | |||
| Keine Informationen verfügbar, nicht bestellbar | ||||
| 38 | 325519 | |||
| Kugellager 606zzm, C8fse | ||||
| 39 | 606ZZM | 15.40 | 18.33 | |
| Keine Informationen verfügbar, nicht bestellbar | ||||
| 41A | 329056 | |||
| Keine Informationen verfügbar, nicht bestellbar | ||||
| 42 | 325536 | |||
| Keine Informationen verfügbar, nicht bestellbar | ||||
| 43 | 325517 | |||
| Kugellager 629 Vvm | ||||
| 44 | 629VVM | 5.85 | 6.96 | |
| Lagerring | ||||
| 45 | 958915 | 1.04 | 1.23 | |
| Keine Informationen verfügbar, nicht bestellbar | ||||
| 46A | 360919U | |||
| Keine Informationen verfügbar, nicht bestellbar | ||||
| 47 | 325638 | |||
| Rollstift D6x36 (10st) | ||||
| 48 | 949874 | 5.85 | 6.96 | |
| Keine Informationen verfügbar, nicht bestellbar | ||||
| 49A | 325528 | |||
| Unterlegscheibe M6 (10st), C8fse | ||||
| 50 | 949425 | 1.05 | 1.25 | |
| Keine Informationen verfügbar, nicht bestellbar | ||||
| 51A | 329055 | |||
| Federscheibe | ||||
| 52 | 942827 | 1.04 | 1.23 | |
| Keine Informationen verfügbar, nicht bestellbar | ||||
| 53 | 325530 | |||
| Keine Informationen verfügbar, nicht bestellbar | ||||
| 54 | 303326 | |||
| Keine Informationen verfügbar, nicht bestellbar | ||||
| 55 | 956878 | |||
| Keine Informationen verfügbar, nicht bestellbar | ||||
| 56 | 325637 | |||
| Gummiring G12sa/g12se/g12sa2 G13sb2/g12sa2, Cm5sb | ||||
| 60 | 957754 | 1.20 | 1.43 | |
| Keine Informationen verfügbar, nicht bestellbar | ||||
| 501 | 941057 | |||
| Keine Informationen verfügbar, nicht bestellbar | ||||
| 502 | 940543 | |||
| Keine Informationen verfügbar, nicht bestellbar | ||||
| 601 | 321192 | |||
| Keine Informationen verfügbar, nicht bestellbar | ||||
| 602 | 939586 | |||
| Keine Informationen verfügbar, nicht bestellbar | ||||
| 603 | 939587 | |||